рефераты
Главная

Рефераты по международному публичному праву

Рефераты по международному частному праву

Рефераты по международным отношениям

Рефераты по культуре и искусству

Рефераты по менеджменту

Рефераты по металлургии

Рефераты по муниципальному праву

Рефераты по налогообложению

Рефераты по оккультизму и уфологии

Рефераты по педагогике

Рефераты по политологии

Рефераты по праву

Биографии

Рефераты по предпринимательству

Рефераты по психологии

Рефераты по радиоэлектронике

Рефераты по риторике

Рефераты по социологии

Рефераты по статистике

Рефераты по страхованию

Рефераты по строительству

Рефераты по таможенной системе

Сочинения по литературе и русскому языку

Рефераты по теории государства и права

Рефераты по теории организации

Рефераты по теплотехнике

Рефераты по технологии

Рефераты по товароведению

Рефераты по транспорту

Рефераты по трудовому праву

Рефераты по туризму

Рефераты по уголовному праву и процессу

Рефераты по управлению

Реферат: Колеса турбодетандеров

Реферат: Колеса турбодетандеров

Министерство образования Украины

Одесская Государственная Академия Холода

Кафедра расширительных машин.

Колеса турбодетандеров.

Студента 231 гр.

Тарасенко Е.А.

Одесса 1997 г.

Колеса турбодетандеров.


Вращающееся рабочее колесо является очень ответственной частью турбодетандера. Оно должно обладать высокими аэродина­мическими качествами и необходимой прочностью как в нормальных температурных условиях, так и в условиях низких температур.

Конструкция реактивного колеса с длинными лопатками в большой мере зависит от числа лопаток. Первые конструкции колес делались с большим (порядка 80) числом лопаток. Однако конструктивно и технологически колеса с большим числом лопаток получаются сравнительно сложными, так как их приходится делать наборными, со вставными лопатками, изготовляемыми из тонких пластинок. Колеса с малым числом относительно толстых лопаток могут быть цельнофрезерованными, более прочными и легкими, что позволяет значительно увеличить допустимую окружную скорость, т. е. получить больший теплоперепад в одной ступени. Поэтому в последних конструкциях турбодетандеров применяются цельнофрезерованные колеса с небольшим числом лопаток.

Опыт показал, что колеса с 17-20 лопатками являются вполне удовлетворительными как с газодинамической, так и конструктивной точки зрения.

Окружные скорости рабочих колес реактивных турбодетандеров находятся в пределах 150-400 м/с. Поэтому колеса должны обладать высокими газодинамическими качествами, достаточной механической прочностью при нормальных и низких температу­рах и малым весом.

Первые отечественные реактивные турбодетандеры, разрабо­танные под руководством акад. П. Л. Капицы, имели рабочие колеса с двусторонним выходом газа (рис. 1).

Колесо состоит из стрелки, в прорези которой вставляются лопатки, изготовленные из листовой стали.

В средней части лопаток имеются заплечики, входящие в кольцевые пазы покрывных дисков, а в верх­ней части - выступы, которые рас­клепываются в прорезях покрывных дисков. Для предотвращения смеще­ния и вибрации лопаток заплечики вводятся в кольцо с прорезями. Чи­сло лопаток в колесах такой кон­струкции было значительным - 36 длинных и 36 коротких. Стрелка и покрывные диски изготовлялись из поковок нержавеющей стали, а ло­патки из листового проката этой же стали.


Рис. 1, Рабочее колесо реак­тивного турбодетандера с двух­сторонним выходом газа:

1 - стрелка; 2 - покрывные диски; 3 - лопатки; 4 – кольцо


Ввиду того, что подобные колеса имеют значительный вес, располага­ются в средней части ротора и уда­лены от опор, критическое число обо­ротов ротора обычно бывает ниже ра­бочего числа оборотов, т. е. вал получается «гибким». Для предотвращения значительных колебаний и больших прогибов вала при переходе через критическое число оборотов одну опору снабжают демпфирующим устройством.

В современных турбодетандерах обычно применяются закры­тые и полуоткрытые рабочие колеса с односторонним выходом газа, расположенные на консоли вала.

Закрытое рабочее колесо с односторонним выходом газа (рис. 2) состоит из покрывного и лопаточного дисков, соединяе­мых заклепками. Лопаточный диск может изготовляться фрезе­рованием, штамповкой или методом точного литья по выплавляе­мым моделям. Однако, ввиду того, что количество выпускаемых однотипных рабочих колес сравнительно невелико, обычно лопа­точные диски выполняются фрезерованием. Оба диска изгото­вляются из поковок алюминиевого сплава марки АК6. Заклепки, соединяющие диски рабочего колеса, изготовляются из алюминие­вого сплава марки В65.

Рис. 2. Закрытое рабочее колесо реактивного турбодетандера с односторонним выходом газа: 1 - лопаточной диск; 2 - покрывной диск: 3 - заклепка; 4 - гребни лабиринтных уплотнении


Число лопаток рабочих колес подобного типа обычно равно 17—21. Толщина лопатки делается на 1—1,5 мм больше диаметра заклепки и находится в пределах от 8 мм для больших колес до 2,5 мм для малых.

Для уменьшения действующих на рабочее колесо осевых сил на лопаточном диске делается разгрузочный бурт, на котором располагаются лабиринтные уплотнения, а кольцевая полость между лабиринтами разгрузочного бурта и лабиринтами вала соединяется отверстиями с выходной воронкой колеса. Для уменьшения утечек газа лабиринтные уплотнения на ступице покрывного диска и на разгрузочном бурте могут выполняться ступенчатыми.

Г
ребни лабиринтных уплотнений изготовляются из латунной или никелевой фасонной ленты и зачеканиваются в пазы дисков рабочего колеса медной проволокой.

Окончательная механическая обработка рабочих колес и зачеканка лабиринтных гребней производятся после клепки.

Рабочие колеса с односторонним выходом газа, располагае­мые на консоли вала, соединяются с валом на конической посадке с конусностью 1 : 10. Для передачи крутящего момента служат две призматические шпонки. Колесо крепится к валу болтом, головка которого образует внутренние стенки выходного канала воронки рабочего колеса. Применене конической посадки поз­воляет производить многократные разборку и сборку ротора без нарушения характера посадки.

Рабочие колеса малых турбодетандеров (диаметром d1 < 100 мм) выполняются большей частью в виде полуоткрытых колес радиально-осевого типа с углом установки лопаток на входе, равным 90° (рис. 3).

Подобные рабочие колеса обладают большой механической прочностью, так как лопатки испытывают только растягивающие нагрузки; изготовленные из алюминиевого сплава АК6, они могут надежно работать при окружной скорости до 500 м/с.

Толщина лопаток у основания обычно равна 1-1,5 мм, а количество их на диаметре определяется минимальным диаметром фрезы.

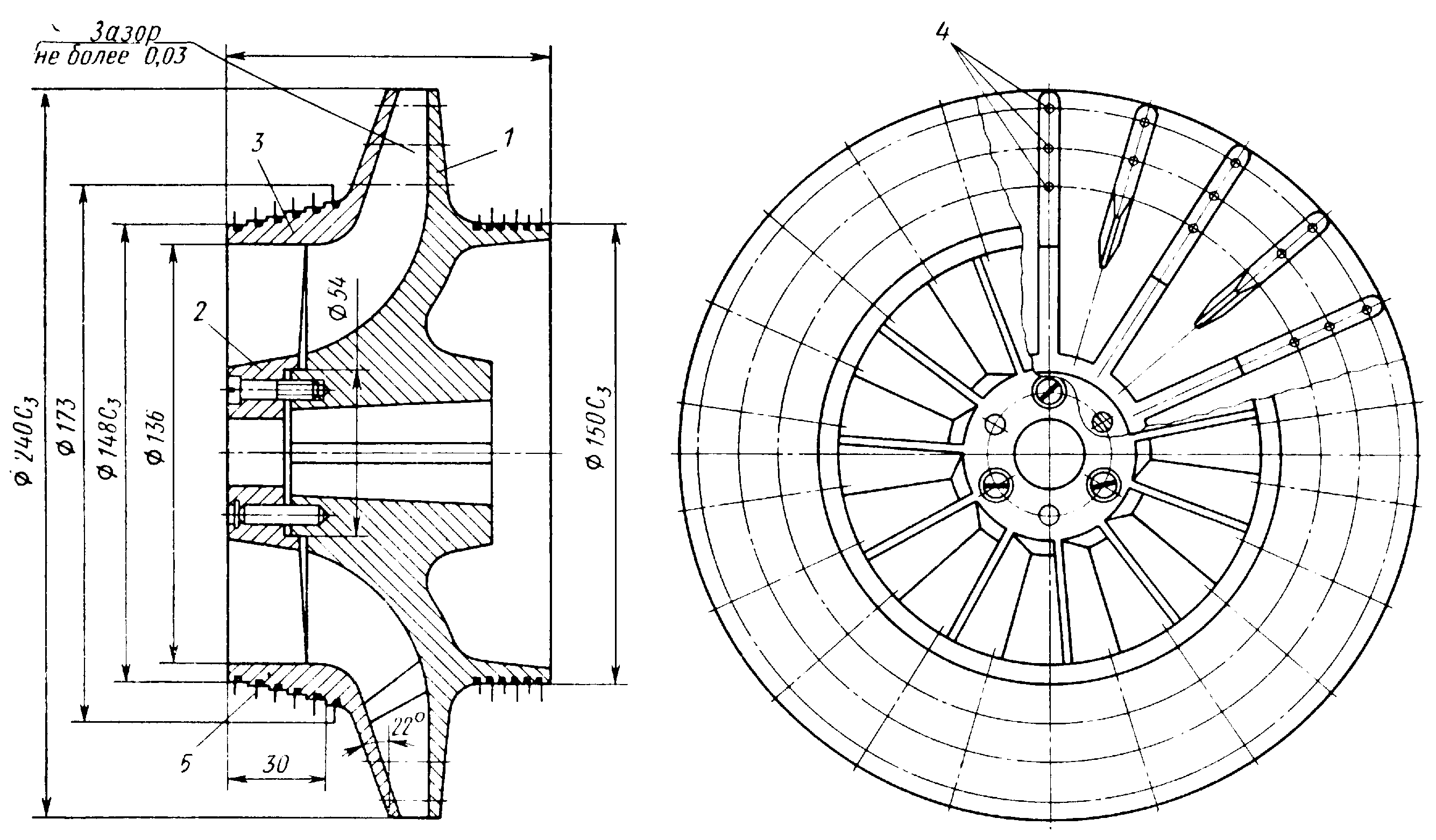
В настоящее время в отечественных турбодетандерах нашли широкое применение радиально-осевые рабочие колеса закрытого типа (рис. 4).

Рис. 4. Закрытое рабочее колесо реактивного турбодетандера радиально-осевого типа: 1 - лопаточный диск; 2 - крыльчатка; 3 - покрывной диск; 4 - заклепки;

5 - гребень лабиринтного уплотнения.

В эксплуатации еще находятся турбодетандеры активного типа. Колеса этих машин выполнены наборными или цельнофрезерованными с большим количеством коротких лопаток - до 125 шт. (рис. 5).




Рис. 5. Рабочее колесо активного турбодетандера с наборными лопатками:

1 - диск рабочего колеса; 2 - сопатка; 3 – проставка; 4 - ободок; 5 - замковое кольцо; 6 - клиновое кольцо.

После окончательного изготовления рабочие колеса сравни­тельно больших диаметров (d1100 мм) подвергаются стати­ческой балансировке в специальных качалках. Допустимая вели­чина небаланса принимается такой, чтобы вызываемое ею смеще­ние центра тяжести рабочего колеса с оси вращения не превышало 5 мкм.


© 2012 Рефераты, доклады и дипломные работы, курсовые работы бесплатно.