рефераты
Главная

Рефераты по международному публичному праву

Рефераты по международному частному праву

Рефераты по международным отношениям

Рефераты по культуре и искусству

Рефераты по менеджменту

Рефераты по металлургии

Рефераты по муниципальному праву

Рефераты по налогообложению

Рефераты по оккультизму и уфологии

Рефераты по педагогике

Рефераты по политологии

Рефераты по праву

Биографии

Рефераты по предпринимательству

Рефераты по психологии

Рефераты по радиоэлектронике

Рефераты по риторике

Рефераты по социологии

Рефераты по статистике

Рефераты по страхованию

Рефераты по строительству

Рефераты по таможенной системе

Сочинения по литературе и русскому языку

Рефераты по теории государства и права

Рефераты по теории организации

Рефераты по теплотехнике

Рефераты по технологии

Рефераты по товароведению

Рефераты по транспорту

Рефераты по трудовому праву

Рефераты по туризму

Рефераты по уголовному праву и процессу

Рефераты по управлению

Реферат: Гирокомпас Вега

Реферат: Гирокомпас Вега

Курсовая работа на тему:

"Гирокомпас Вега"


Владивосток

2000
Введение

      Одной из характерных черт развития современного морского флота является повышение скорости судов.Это поставило перед навигационным оборудованием сложную зада­чу — обеспечить безопасность мореплавания судов такого типа. В решении этой задачи важное место занимает создание гиро­компасов, которые могли бы при высокой скорости, а следователь­но, и лучшей маневренности судов, вырабатывать истинный курс с высокой точностью. Этому требованию в большой степени отве­чают гирокурсоуказатели с электромагнитным управлением.

Основное отличие гирокомпасов с электромагнитным управле­нием от ранее известных типов заключается в том, что в них в ка­честве чувствительного элемента (ЧЭ) используется астатический гироскоп, а для придания ему компасных свойств применяются датчики моментов, действующих по осям прецессии гироскопа в зависимости от угла отклонения его главной оси от плоскости горизонта.

Угол отклонения главной оси гироскопа измеряется физиче­ским маятником, установленным на камере гироскопа, но не на­кладывающим моментов на гироскоп. Такой маятник (его лучше называть индикатором горизонта) вырабатывает электрический сигнал, пропорциональный углу отклонения главной оси гироско­па от плоскости горизонта. После соответствующего преобразова­ния этот сигнал используется для возбуждения датчиков момента.

В обычных гирокомпасах измерение угла отклонения главной оси гироскопа от плоскости горизонта и наложение управляющих моментов на гироскоп выполняются одним элементом — физиче­ским маятником, жестко связанным с гироскопом или гироско­пическим ЧЭ — гиросферой. Если понимать под методом управ­ления гироскопом способ наложения управляющих моментов, то в отличие от классических гирокомпасов с непосредственным уп­равлением от физического маятника схему нового гирокомпаса, у которого физический маятник играет роль только индикатора горизонта, часто называют гирокомпасом с косвенным управле­нием. В этом гирокомпасе ЧЭ — трехстепенной поплавковый ги­роскоп, связь которого с Землей осуществляется посредством ин­дикатора горизонта, а наложение управляющих моментов на ги­роскоп производится через торсионы при помощи следящих при­водов. В зависимости от характера управляющих моментов курсоуказатель может работать в двух режимах: гирокомпаса и гироазимута — гироскопа направления.

ТТХ гирокомпаса «Вега»

«Вега» является двухрежимным корректируемым гироскопи­ческим курсоуказателем (ГКУ) с косвенным управлением. Этот малый по размерам прибор со сравнительно высокими точностными, параметрами рассчитан на работу в условиях больших инерционных возбуждений.

Подвес чувствительного элемента жидкостно-терсионный. Период незатухающих колебаний в расчетной (60°) широте «150 мин. Нормальная работа ГКУ возможна в широтах до 80° в одном из режимов: ГК (основной режим) при скорости до 50 уз и гироазимут (вспомогательный режим) до 70 уз.

Точность показаний ГКУ в режиме ГК при различных усло­виях плавания в широтах меньше 70° характеризуется следую­щими цифрами: погрешность на неподвижном судне ± 0,5°; по­грешность на прямом курсе при постоянной скорости до 30 уз и качке с амплитудой 2°±0,8°, с амплитудой 25° ± 1,5°, погрешность при маневрировании на скоростях до 30 уз достигает ±2°. Вообще ГКУ выдерживает воздействие качки с амплитудой 45° и рыскания судна со скоростью 12° в секунду при ампли­туде рыскания 30°. В режиме гироазимута допустимая скорость дрейфа ±1° в час. Время ускоренного приведения ГКУ в мери­диан 60 мин. Предельная погрешность синхронной передачи ±0,1°. В связи с высокой рабочей температурой поддерживаю­щей жидкости (75°С) введен электрический подогрев. Гаран­тийный срок работы гироблока 10000 ч. Время непрерывной работы ГКУ 2000 ч.

Питание ГКУ осуществляется от судовой сети трехфазного переменного тока (380 или 220 В, 50 Гц).

Устройство и принцип работы курсоуказателя.

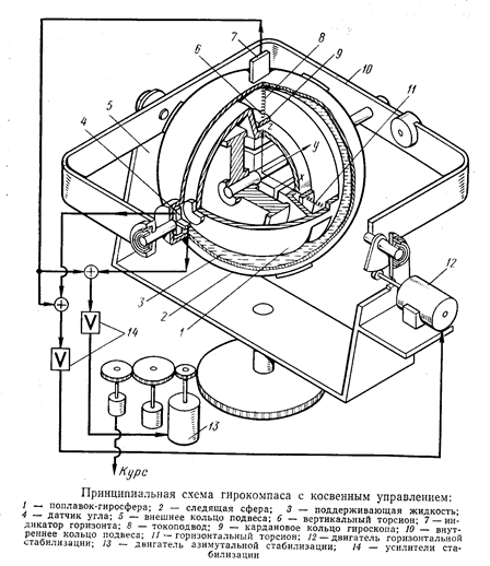
Принципиаль­ное устройство двухрежимного курсоуказателя с электромагнит­ным управлением показано на рис. 1.1.

Гиромотор заключен в герметически запаянную сферу — по­плавок 1, состоящую из двух полусфер, соединенных между со­бой короткой цилиндрической шейкой. Гиросфера помещена во внешнюю следящую сферу 2, и пространство между ними запол­нено тяжелой вязкой (поддерживающей)  жидкостью 3. Плот­ность поддерживающей жидкости и вес гиросферы выбраны так, что при определенной температуре жидкости гиросфера при­обретает нейтральную плавучесть. Рабочая температура поддер­живается автоматически системой терморегулирования.

Гиросфера связана со следящей сферой двумя парами торсионов, которые служат для наложения на гироскоп управляющих моментов и центрирования гиросферы относительно следящей сферы. Вертикальные торсионы 6 одним концом закреплены в корпусе следящей сферы, а другим — в кардановом кольце 9, свободно охватывающем шейку гиросферы. Горизонтальные тор­сионы 11 одним концом прикреплены к оболочке гиросферы, а другим—к карданному кольцу гироскопа. Жесткость на круче­ние пары вертикальных торсионов и жесткость пары горизонталь­ных торсионов рассчитаны определенным образом, исходя из кон­структивных параметров прибора.

Все четыре торсиона установлены в плоскости, перпендику­лярной оси собственного вращения гироскопа, и позволяют следя­щей сфере поворачиваться относительно гиросферы .вокруг гори­зонтальных или вертикальных торсионов и вместе с оболочкой ги­росферы — вокруг оси кинетического момента.

Питание на гиромотор и статоры двухкомпонентных датчиков угла 4, расположенных по оси собственного

вращения гироскопа на противоположных сторонах гиросферы 1, подается по гибким спиральным токоподводам 8, свободно навитым вокруг торсионов или через сами торсионы.

Следящая сфера 2 имеет снаружи цапфы, расположенные параллельно оси собственного вращения гироскопа, посредством которых она свободно подвешена на подшипниках в горизон­тальном внутреннем кольце 10 стабилизированного карданова подвеса.

Горизонтальное кольцо 10 подвешено по оси, параллельной оси горизонтальных торсионов, в вертикальном внешнем кольце подвеса 5, которое может поворачиваться вокруг вертикальной оси, образованной подшипниками, установленными в корпусе прибора. Прибор своим основанием крепится к палубе.

Вертикальное кольцо 5 приводится во вращение через зубча­тую передачу двигателем азимутальной стабилизации 13, уста­новленным в корпусе прибора. Это вращение передается на верти­кальные торсионы, которые накладывают на гироскоп вертикаль­ный момент. В вертикальном кольце .5 установлен двигатель горизонтальной стабилизации 12, который через зубчатую пере­дачу поворачивает горизонтальное кольцо 10 вокруг его оси под­веса, закручивая горизонтальные торсноны и накладывая таким образом на гироскоп горизонтальный момент. Стабилизация сле­дящей сферы в горизонте вокруг оси ее подвеса осуществляется смещением вниз центра тяжести сферы относительно оси подвеса.

Двухкомпонентные индукционные датчики угла, статоры ко­торых расположены на гиросфере 1, а съемные (роторные) обмот­ки закреплены на следящей сфере 2, вырабатывают напряжения, пропорциональные углам рассогласования между гиросферой и следящей сферой относительно вертикальных и горизонтальных торсионов. Датчики угла включены по дифференциальной схеме, что исключает погрешности в измерении углов рассогласования, вызываемые линейными перемещениями гиросферы относительно следящей сферы. Сигналы рассогласования от датчиков угла через усилители стабилизации 14, расположенные в самом приборе, по­ступают на соответствующие двигатели, которые обеспечивают непрерывные согласования следящей сферы 2 с гиросферой /. Та­ким образом, прибор работает в режиме свободного гироскопа.

Для превращения свободного гироскопа в гирокомпас необхо­димо наложить на гироскоп моменты вокруг горизонтальной xx и вертикальной zz осей, пропорциольные углу отклонения глав­ной оси гироскопа от плоскости горизонта.

Связь гироскопа с плоскостью горизонта осуществляется при помощи индикатора горизонта 7, представляющего собой высоко­чувствительный физический маятник с индукционным съемом сигнала, задемпфированный вязкой жидкостью.

Индикатор горизонта 7 можно установить непосредственно на гиросфере 1 или следящей сфере 2. Однако из конструктивных соображений он установлен на следящей сфере так, что реагирует только на отклонения оси подвеса yy следящей сферы от плоско­сти горизонта и вырабатывает напряжение, пропорциональное этому отклонению. Сигнал индикатора горизонта 7 суммируется в противофазе с сигналами датчиков угла, и разность этих сигналов подается через усилители на двигатели стабилизации 12 или 13.

Двигатели 12, 13 приводят во вращение следящую сферу 2 от­носительно горизонтальных и вертикальных торсионов до тех пор, пока сигнал индикатора горизонта 7, поданный в схему суммиро­вания в определенном масштабе, не сравняется с сигналом от соответствующего датчика угла. Горизонтальные и вертикальные торсионы окажутся закрученными на углы, пропорциональные уг­лу отклонения главной оси гироскопа от горизонта, что обеспечи­вается схемой суммирования сигналов. Момент, прикладываемый вследствие этого горизонтальными торсионами 11 к гироскопу, аналогичен маятниковому моменту обычных маятниковых гиро­компасов. Под действием этого момента гироскоп прецессирует в азимуте, совершая незатухающие колебания около меридиана.

Момент, прикладываемый вертикальными торсионами 6, ана­логичен демпфирующему моменту маятниковых гирокомпасов, под действием которого гироскоп прецессирует к горизонту. В резуль­тате совместного действия этих моментов гироскоп, совершая затухающие колебания, период и фактор которых зависят от вы­бранных параметров прибора, будет приходить в меридиан.

Для перехода от режима гирокомпаса в режим гпроазимута достаточно лишь отключить горизонтальный маятниковый момент, сохранив вертикальный момент, необходимый для удержания оси гироскопа в плоскости горизонта. Практически это осуществляется простым поворотом ручки переключателя режимов, установленного в приборе. Для компенсации методических ошибок, возникающих в показаниях прибора при работе в режимах гирокомпаса и гиро-азимута, в приборе имеется электромеханическое счетно-решающее устройство, которое вырабатывает необходимые сигналы, поступа­ющие на двигатели стабилизации.

Величины корректирующих моментов, прикладываемых по обе­им осям гироскопа в результате ввода сигналов в следящие систе­мы, изменяются в зависимости от скорости, курса и широты таким образом, что главная ось гироскопа удерживается в направлении на N как в режиме гирокомпаса, так и в режиме гироазимута. Показания курса, выработанного прибором, транслируются датчи­ками грубого и точного отсчета, например сельсинами, связанны­ми с двигателем азимутальной стабилизации.

Особенности работы курсоуказателя в режиме гирокомпаса.

 Схема управления. Для того чтобы дать общее представление об устройстве гирокомпаса с электромагнитным управлением и объяс­нить наиболее интересные особенности его работы, воспользуемся лишь самыми необходимыми теоретическими положениями

Уравнения движения гирокомпаса с управлением ЧЭ посредст­вом торсионов (см. рис.1) при обычно принимаемых упрощени­ях можно представить выражениями:

Н [da /dt-(u cosj +VE /R)b + (u sinj +VE /R tgj)] = СГ(b -bc);                            (1.1)

Н [db /dt-VN /R+(u cosj +VN /R)a] =-СB (a -ac);

где Н — кинетический момент гироскопа;

b — угол отклонения гироскопа от горизонта в вертикаль­ной плоскости;

a — угол отклонения гироскопа от меридиана в горизон­тальной плоскости;

, — координаты следящей сферы, отсчитываемые аналогич­но координатам a и b гироскопа;

j — широта места;

и — угловая скорость вращения Земли;

R — радиус Земли;

VN ,VE — северная и восточная составляющие скорости судна;

(b -bc) —угол рассогласования следящей сферы относительно ги-росферы вокруг горизонтальных торсионов, т. е. угол закрутки горизонтальных торсионов, обладающих жест­костью Сг;

(a -ac)—угол рассогласования следящей сферы относительно гиросферы, т. е. угол закрутки вертикальных торсионов, обладающих жесткостью Св;

     Если углы закрутки (b—bc) и (a—ac), а следовательно, гори­зонтальный Сг(b—bс) и вертикальный Св (a—aс) моменты, при­кладываемые к гироскопу, будут пропорциональны углу отклоне­ния главной оси гироскопа от горизонта и соответствующим обра­зом подобраны по величине и направлению, то курсоуказатель бу­дет работать в режиме гирокомпаса. Величины и направления мо­ментов определяются крутизной сигналов датчиков угла и инди­катора горизонта и схемой их суммирования.

Один из возможных вариантов схемы суммирования сигналов показан на рис. 1.2. Эта схема, в которой применен индикатор го­ризонта с большой постоянной времени, позволяет осуществить следующее суммирование сигналов:

 k3(b—bс ) - k1 k2bс=0                                                                                    (1. 2)

k3(a -ac) – m k1 k2bс=0                                                                                 (1. 3)

где k3 – крутизна сигнала датчиков угла;

       k1 – крутизна сигнала индикатора горизонта;

       k2 и m – масштабные коэффициенты.

        Для простоты постоянную постоянную времени индикатора горизонта не учитываем.

        Обозначив через n=k1k2/( k1k2+k3 ) , преобразуем выражения   (1. 2) и (1. 3) в равенства:

(b—bс)=nb ;   (a -ac)=mnb ,                                                                          (1. 4)

из которых следует, что на вход усилителей следящих систем по­ступает управляющий сигнал, пропорциональный углу b . Кроме того, на схеме суммирования показана возможность введения в систему сигналов коррекции и ez, о выборе которых будет ска­зано ниже.


Имея в виду, что частота собственных колебаний следящих систем значительно больше частоты собственных колебаний гиро-сферы, а переходный процесс в них затухает очень быстро, в урав­нениях движения гирокомпаса можно оперировать соотношениями (1.4), которые не учитывают динамики следящих систем. Подстав­ляя равенства (1.4) в выражения (1.1), получим уравнения, иден­тичные уравнениям обычного гирокомпаса с физическим маятни­ком.

Анализируя эти уравнения, нетрудно найти, что период собст­венных колебаний гирокомпаса определяется выражением

Т = 2p . V H / Cг n u cosj ,                                                                             (1. 5)

а коэффициент затухания :

h =Cв m n /H.                                                                                                  (1. 6)                           

Очевидно, что величины периода колебаний и коэффициента за-гухания зависят не только от кинетического момента гиросферы Н и жесткостей Сг и Св, но и от коэффициентов п и т, характери­зующих масштаб моментов, прикладываемых к гироскопу, по от­ношению к углу отклонения главной оси гироскопа от плоскости горизонтаb . Если в обычном маятниковом гироскопе момент пря­мо пропорционален углу b , а величина его равна Р1b , где Р1— максимальный маятниковый момент, то в гирокомпасе с электро­магнитным управлением зависимость момента от угла b опреде­лялась бы выражением Рlnb.

Меняя коэффициент п, можно изменять масштаб маятникового момента, а меняя коэффициент т — масштаб демпфирующего мо­мента, и тем самым изменять величину периода незатухающих колебаний и коэффициента затухания.

Такая принципиальная и техническая возможность позволяет сравнительно просто решать следующие задачи:

ускоренное приведение гирокомпаса в меридиан, для чего не­обходимо уменьшить период незатухающих колебаний:

получение приемлемой точности курсоуказания при маневри­ровании, для чего, как известно, нужно увеличить период.

Для уменьшения периода коэффициент n следует увеличивать, а для увеличения периода — уменьшать.

Изменение коэффициента п можно осуществлять в схеме сум­мирования путем изменения масштабного коэффициента k2, кото­рый специально введен в схему, поскольку коэффициенты k1 и k3 для  данной  конструкции  постоянны.  Однако  при  такой  схеме  сум­мирования,  которая  показана  на рис.2, диапазон изменения ко­эффициента п ограничен.

Действительно,   преобразуя  выражение  для n к виду

n=1/(k3 / k1k2+1)                                                                                            (1. 7)

нетрудно убедиться, что при увеличении k2 величина n приближа­ется к единице. Это означает, что крутизна момента не может быть больше жесткости горизонтальных торсионов Сг, которая и будет определять величину наименьшего периода собственных ко­лебаний гирокомпаса.

Что же касается наибольшего периода, то его величина ограни­чивается практически значениями возмущающихся моментов, ко­торые возникают вследствие статических ошибок следящих систем и нелинейности характеристик датчиков угла и индикатора гори­зонта. При соизмеримости величин этих моментов с управляющи­ми моментами система теряет свои качества и становится нерабо­тоспособной.

Работа следящих систем. Для правильного функционирования гирокомпаса наряду со схемой управления существенным являет­ся надлежащая работа следящих систем, от которых требуется высокая точность и большое быстродействие. Эти требования вы­текают, как следствие, из самого принципа работы гирокомпаса, устройство которого рассмотрено выше.

Азимутальная н горизонтальная следящие системы выполняют в гирокомпасе две основные функции:

управление гироскопом путем наложения моментов через торсионы, которые непрерывно удерживаются закрученными на опре­деленный угол;

слежение за гироскопом путем отработки всех угловых переме­щений корпуса прибора, которые передаются на следящую сферу, вызывая рассогласование между гироскопом и следящей сферой.

При угловых перемещениях судна карданов подвес вместе с корпусом прибора как бы обкатывается вокруг гироскопа, кото­рый в режиме гирокомпаса, благодаря своим свойствам, остается неподвижным относительно системы координат, связанной с Зем­лей, если не принимать во внимание переносного движения вместе с судном.

Наличие статических ошибок в следящих системах приводит к наложению на гироскоп возмущающих моментов, величины кото­рых прямо пропорциональны статической ошибке и жесткости торсионов. В результате этого в показаниях прибора возникают погрешности, допустимые значения которых могут быть получены лишь при весьма малых статических ошибках следящих систем.

Воздействие на прибор всякого рода периодических несиммет­ричных возмущений, например качки, может привести к появлению постоянных составляющих в динамических ошибках следящих систем и, как следствие, к дополнительным погрешностям в пока­заниях прибора. Поэтому к следящим системам гирокомпаса долж­ны предъявляться очень высокие требования.

Что касается влияния собственных колебаний следящих систем на работу гирокомпаса, то поскольку частота этих колебаний зна­чительно больше частоты собственных колебаний гиросферы, а пе­реходный процесс в следящих системах при правильном выборе параметров затухает очень быстро, влияние колебании следящих систем практически не должно сказываться.

Однако выбранная для двухрежимного курсоуказателя конст­руктивная схема подвеса ЧЭ обусловливает взаимное влияние азимутальной и горизонтальной следящих систем при наличии наклонов следящей сферы вокруг оси ее подвеса, совпадающей с осью кинетического момента гироскопа—с осью уу (см. рис.1).

При таких наклонах, благодаря жесткой связи гиросферы со следящей сферой посредством торсионов, оси горизонтальных и вертикальных торсионов будут рассогласованы с осями приложе­ния моментов от соответствующих двигателей на некоторый угол g.

Упрощая физику явления и принимая во внимание малость уг­лов закрутки горизонтальных (b—bс) и вертикальных (a -ac) тор­сионов, измеряемых датчиками угла, и приведенных углов поворота осей двигателей горизонтальной db и азимутальной da стабилиза­ции, связь между этими углами можно выразить формулами:

(b)=db cosg +da sing g   . ;   (a -ac)= da cosg +db cos                             (1. 8)

 Формулы (1.8) характеризуют взаимное влияние горизонталь­ной и азимутальной следящих систем при наклоне следящей сфе­ры. Как показывает анализ, наличие перекрестных связей приво­дит к неустойчивости следящих систем, если не принять специаль­ных мер. Наиболее простым способом, обеспечивающим устойчи­вость системы при любых углах g, является полное устранение перекрестных связей путем включения в контуры следящих систем преобразователя координат. В качестве преобразователя коорди­нат используется синусно-косинусный вращающий трансформа­тор (СКВТ), который включается в цепи следящих систем между датчиками угла и усилителями по схеме, показанной на рис.3.

Поступающее на входные обмотки преобразователя коорди­нат напряжение U, пропорциональное углам закрутки соответст­вующих торсионов, будет связано с приведенными углами пово­рота осей двигателей следующими уравнениями:

db=Ub cosg + Ua sing ; da= Ua cosg + Ub sing                                             (1. 9) 

в которых напряжение Ub  пропорционально углу (b—bс)  и Uпропорционально углу   (a -ac).

Решив уравнения (1.8) и (1.9) совместно, нетрудно убедить­ся, что соотношения между углами закрутки торсионов и углами поворота соответствующих двигателей не зависят от утла наклона следящей сферы, т. е. горизонтальная и азимутальная следящие системы полностью развязаны.


Скоростная девиация. Для того чтобы определить положение равновесия гирокомпаса при движении судна прямым курсом с постоянной скоростью, найдем частные решения системы уравне­нийи (1.1) и (1.3), полагая при этом

 СгH(и соsg +VE /R),                                                                           (1. 10)

что легко достигается соответствующим выбором параметров: при­бора. В положении равновесия имеем:

a*=VN /R(u cosj+VE /R) - CB m tgj /Cг;  

a=a*- mH / Cг(u sinj+ VE tgj  /R);                                                   (1. 11)

b*=H / Cг n(u sinj+ VE tgj  /R);             .

b=H(1-n) / Cг n (u sinj+ VE tgj  /R).   .

Таким образом, ЧЭ гирокомпаса при движении судна с по­стоянной скоростью приходит в определенное положение равно­весия, которое по координатам a и b практически ничем не отли­чается от положения равновесия одногироскопного маятниково­го гирокомпаса с демпфированием посредством момента, направ­ленного по вертикальной оси гироскопа, как это сделано, напри­мер, в маятниковых гирокомпасах «Сперри».

Действительно, отклонение гироскопа в азимуте a* складыва­ется из скоростной девиации, определяемой приведенным выше выражением (первый член в формуле для a*), и так называемой широтной девиации (второй член той же формулы). При скоростях движения корабля около 60 узлов в широтах 70—80° значения скоростной и широтной девиаций будут достигать столь больших величин, что их компенсация известными методами становится практически невозможной.

Учитывая, что значения курса в двухрежимном гирокомпасе в силу его конструктивных особенностей можно снимать лишь с картушки (или датчика), связанной со следящей сферой, т. е. по координате ac, для компенсации скоростной и широтной де­виаций можно использовать метод, сущность которого сводится к следующему.

Если на входы усилителей следящих систем вместе с сигна­лами от датчика угла подать определенные сигналы коррекции аналогично тому, как это делается с сигналом индикатора гори­зонта, то к гироскопу по обеим осям стабилизации будут при­ложены соответствующие корректирующие моменты. В этом слу­чае выражения (1.4) можно записать:

(b—bс)=n b +ex ; (a -ac)=m b +ez .                                                       (1. 12)

гдеex  и  ez; — сигналы  коррекции,  являющиеся  функциями широты и скорости судна.

Для нахождения этих функций воспользуемся системой четы­рех уравнений (1.1) и (1.12), в которую входит шесть неизвестных функций a ,ac ,b ,bс ,ex ,ez —две из них можно-задать произ­вольно.

Для получения от гирокомпаса истинного курса зададимся следующими произвольными значениями координатac  и b в поло­жении равновесия:

ac =0; b*=0.                                                                                               (1. 13)

Это условие означает, что в положении равновесия нуль следя­щей сферы будет в плоскости меридиана, а ось кинетического мо­мента гироскопа — в плоскости горизонта.

Частные решения системы уравнений (1.1), (1.12) с учетом ус­ловия (1.13) дают формулы сигналов коррекции:

ez = VN / (R u cosj +VE +CвR /H) ; ex = H /Cг(u sinj +VE tgj /R),            (1. 14)

и выражения для положения равновесия по двум другим коорди­натам будут:

a* = VN / (R u cosj +VE +CвR /H) ;                                                          (1. 15)

b* = - H /Cг(u sinj +VE tgj /R),                                                               (1. 16)                          

Следовательно, при вводе в схему управления сигналов коррек­ции ez  и  ex , определяемых выражениями (1.14), из показаний ги­рокомпаса полностью исключаются скоростная и широтная девиа­ции. Кроме того, величина отклонения оси кинетического момента гироскопа от меридиана a*, определяемая формулой (1.15), резко уменьшается по сравнению со скоростной девиацией, имевшей ме­сто до ввода коррекции, и при скорости порядка 60 узлов в широте 70° достигает всего 0°,2.

Уменьшение скоростной девиации гиросферы a* обусловлено наложением вертикального корректирующего момента ez.

Баллистические девиации. Природа баллистических девиаций курсоуказателя в режиме гирокомпаса в принципе та же, что и у обычных маятниковых гирокомпасов. Разница только в том, что возникающие во время маневрирования ускорения не возмущают гироскоп, поскольку он астатический и обладает нейтральной пла­вучестью, а воздействуют на индикатор горизонта, который при этом вырабатывает дополнительный сигнал, пропорциональный величине dVN /g dt , т. е. пропорциональный северной составляющей ускорения.

Этот сигнал вызовет соответствующее закручивание горизон­тальных и вертикальных торсионов, которое будет продолжаться в течение всего времени действия ускорения, и в результате приве­дет к отклонению гиросферы от положения равновесия, в котором она находилась до начала маневрирования. По окончании дейст­вия ускорения гиросфера, совершая затухающие колебания, начнет приходить к своему положению равновесия.

Аналогично тому, как это делается для обычного маятникового гирокомпаса, можно и для двухрежимного гирокомпаса найти ус­ловие апериодического перехода в новое положение равновесия или «условие невозмущаемости».

Исследования показывают, что в отличие от маятникового ги­рокомпаса апериодический переход гирокомпаса с электромагнит­ным управлением в новое положение равновесия теоретически можно получить при значении периода незатухающих колебаний, отличающемся от периода Шулера, который как известно, равен 84,4 мин.

Его величина приближенно, без учета собственной скорости судна, определяется следующим соотношением:

Ta=84,4 V(H u cosj +Cв) /H u cosj                                                            (1. 17)

и может составлять несколько сотен минут.

Эта особенность двухрежимного гирокомпаса с торсионно-жидкостным подвесом ЧЭ объясняется тем, что в отличие от обычных гирокомпасов на гироскоп с помощью упругой связи во время маневрирования накладываются корректирующие моменты по вертикальной оси.

В гирокомпасах такого типа, где скоростная девиация компен­сируется наложением момента, действующего по вертикальной оси гироскопа, исключение баллистических девиаций путем наст­ройки схемы управления на величину периода, отвечающего усло­вию невозмущаемости, трудно выполнимо.

Одна из причин, затрудняющих реализацию найденного усло­вия, заключается в том, что для получения больших периодов к гироскопу должны прикладываться весьма малые управляющие моменты, величины которых меньше или соизмеримы с возникаю­щими моментами, имеющими место из-за статических ошибок следящих систем и нелинейности их звеньев.

В гирокомпасе с электромагнитным управлением использован более простой способ устранения баллистических девиаций. Для этого маятник индикатора горизонта сильно задемпфирован, а углы его отклонения от равновесного положения ограничены специальными упорами до относительно малой величины. Кроме того, чтобы снизить скорость баллистического перемещения гиро­скопа за время действия ускорения, период незатухающих коле­баний в рабочем режиме гирокомпаса выбирается большим — до 120—180 мин.

Возможен еще один простой и, по-видимому, более эффектив­ный способ устранения баллистических девиаций.

Если в индикаторе горизонта предусмотреть устройство, кото­рое автоматически отключало бы сигнал индикатора горизонта от схемы управления гироскопом, когда маятник под действием ус­корения достигает одного из упоров, то гироскоп вместо прецессирования с малой скоростью во время действия ускорения стано­вится свободным. Можно ожидать, что в этом случае отклонение гироскопа за время маневрирования будет меньшим, чем при первом способе компенсации. Следует заметить, что в обоих случа­ях при маневрировании корректирующие моменты остаются при­ложенными к гироскопу.

Эффективным способом устранения баллистических девиаций для гирокомпасов с электромагнитным управлением является способ компенсации силы инерции, воздействующей на маятник индикатора горизонта при наличии линейных ускорений.

Выражение полной силы, которая должна быть приложена к маятнику индикатора горизонта для компенсации баллистиче­ских девиаций гирокомпаса, создаваемых изменением скорости и курса, можно записать в виде

F = mм [( dV /dt) cosK + V(dK /dt)sink] ,                                              (1. 18)       

где   F -сила;

mм –масса маятника;

K –курс;

V –скорость судна.

В качестве устройства для компенсации силы инерции, действующей на маятник, в индикаторе горизонта можно установить  электромагнитный датчик момента, на который подается сигнал,. пропорциональный силе F.

Можно представить схему электромеханического прибора, решающего зависимость (1.18) и вырабатывающего нужный сигнал по автоматически вводимым значениям скорости и курса.

Чтобы не усложнять конструкцию индикатора горизонта, мож­но полученный сигнал коррекции суммировать в противофазе с сигналом, снимаемым с индикатора горизонта, предварительно» пропустив сигнал коррекции через фильтр с постоянной времени,. равной постоянной времени индикатора горизонта. Такое реше­ние наиболее целесообразно для описываемой схемы.

Приведенный способ компенсации баллистических девиаций предпочтительнее, чем настройка незатухающих колебаний гиро­компаса на период невозмущаемости по следующим соображе­ниям.

Теоретически такую коррекцию можно осуществить для лю­бого типа маневрирования судна независимо от скорости. При этом период незатухающих колебаний может быть выбран в прин­ципе любым, и, кроме того, нет необходимости менять парамет­ры гирокомпаса в зависимости от широты. Описанный способ компенсации позволяет полностью компенсировать баллистиче­ские девиации, в том числе и девиацию затухания без выключе­ния демпфирования на время маневра.

Интеркардинальная девиация. При движении судна в услови­ях качки следящая сфера гирокомпаса раскачивается вокруг-своей оси подвеса в такт с качкой под действием составляющей ускорения в плоскости Е—W.

Составляющая ускорения в плоскости N—S, воздействующая на маятник следящей сферы, меняя свое направление синхронно-с качкой, создает вертикальный момент, аналогично тому как это происходит у обычных маятниковых компасов, но в отличие от них в гирокомпасе с электромагнитным управлением этот мо­мент сам по себе не вызывает интеркардинальной девиации.

Инерционные моменты, действующие на следящую сферу во время качки, приводят лишь к дополнительным динамическим нагрузкам на двигатели азимутальной и горизонтальной следящих систем, но не дают существенных ошибок в показаниях гироком­паса.

Основная причина, определяющая появление интеркардиналь­ной девиации у гирокомпаса с косвенным управлением, заключа­ется в том, что составляющая ускорения в плоскости N—S дейст­вует и на маятник индикатора горизонта. Она вызывает появле­ние сигнала, пропорционального ускорению и меняющего знак в такт с качкой. Этот сигнал поступает на двигатели, которые при­кладывают к гироскопу через торсионы знакопеременные момен­ты. Поскольку одновременно происходит раскачивание следящей сферы, оси двигателей рассогласовываются с осями соответствую­щих торсионов на угол, примерно равный амплитуде качки. В ре­зультате, когда сигнал от индикатора горизонта поступает на двигатели, моменты, прикладываемые к гироскопу торсионами, создают две составляющие — горизонтальную и вертикальную.

Так как горизонтальные торсионы имеют жесткость, во много раз большую, чем вертикальные, то вертикальная составляющая моментов от горизонтальных торсионов по абсолютной величине значительно превосходит остальные вертикальные моменты. Она и образует постоянный вертикальный момент, вызывающий ин-геркардинальную девиацию гирокомпаса па качке. Как видно, ме­ханика появления интеркардинальной девиации у гирокомпасов с электромагнитным управлением иная, чем у обычных маятнико­вых гирокомпасов, но схема образования постоянного вертикально­го момента при качке по существу одинакова.

Величина интеркардинальной девиации, закон ее изменения и зависимость от параметров гирокомпаса и качки для гирокомпаса с электромагнитным управлением в принципе остаются такими же, как и для одногироскопных маятниковых компасов.

Из известных способов компенсации интеркардинальной де­виации для гирокомпаса с электромагнитным управлением наи­более рациональным оказалось применение индикатора горизонта с сильно демпфированным маятником.

Введение в чувствительный маятниковый элемент вязкого тре­ния позволяет осуществить сдвиг по фазе, близкий к 90°, между действующим ускорением и моментом, прикладываемым к гиро­скопу, в результате чего эффект влияния качки на гирокомпас сводится к минимуму.

Уравнение движения такого индикатора горизонта при воздей­ствии на него горизонтального ускорения для малых углов можно .записать в виде

тм l2 q”+c q’+mм g lq= mм l a                                                                     (1. 19)

где — массы маятника;

l — длина маятника;

q — угол отклонения маятника от вертикали;

с — коэффициент демпфирования;

а — горизонтальное линейное ускорение качки. Передаточную функцию индикатора горизонта, движение ко­торого описывается уравнением (1.19), можно представить выра­жением

W(p)= q (p)/a (p)=1 / Tм2 p2 +t p + 1  ,                                                             (1. 20)

где Tм=(l / g); t = c/ g l  —постоянные времени индикатора горизонта.

Практически величина во много раз меньше периода качки. Поэтому введя в индикатор горизонта сильное демпфирование, правомерно пренебречь членом передаточной функции, содержа­щим р2. Тогда коэффициент ослабления амплитуды колебаний маятника по сравнению с амплитудой колебаний динамической вертикали будет приближенно определяться формулой

k =1 /( t2 w2 +1)1/ 2                                                                                      (1. 21)

Например, для индикатора горизонта с постоянной времени t =60 сек при качке с частотой (w = 1,2'/сек) ослабление выход­ного сигнала, снимаемого с индикатора горизонта, будет около 72. Если учесть еще и сдвиг фазы между колебаниями маятника и действующим ускорением, то уменьшение выходного сигнала, а следовательно, и интеркардинальной девиации гирокомпаса ока­жется более значительным.

Влияние индикатора горизонта с большой постоянной времени на собственные колебания гирокомпаса очень мало, поскольку постоянная времени составляет менее 1 % от величины периода колебаний гирокомпаса.

Поведение гирокомпаса с электромагнитным управлением на качке отличается от обычных маятниковых компасов одной суще­ственной особенностью. В этом гирокомпасе, помимо постоянной составляющей по вертикальной оси от моментов, вызванных сиг­налами индикатора горизонта, при качке появляется постоянная составляющая на ту же ось от знакопеременных моментов, накла­дываемых на гиросферу горизонтальными торсионами вследст­вие динамических ошибок следящих систем. Эта погрешность, имеющая четвертной характер, зависит от жесткости горизон­тальных торсионов и при больших динамических ошибках ее вели­чина может достигнуть существенного значения.

Другая особенность заключается в характере карданной ошиб­ки гирокомпаса. Эта ошибка вызвана тем, что в рассматриваемой конструкции одногироскопного курсоуказателя карданов подвес ЧЭ обеспечивает снятие отсчета курса в плоскости палубы, а не в плоскости горизонта.

Величина карданной ошибки определяется формулой

DK = К. - arctg [tg (Кг cosq /siny) - sinq tgy ] ,                               (1. 22)

где Кг — курс в горизонтальной плоскости;

q — угол крена (бортовой качки);

y — угол дифферента (килевой качки).

Карданная ошибка при следовании судна курсами 0, 90, 180 и 270° равна нулю и достигает максимума на промежуточных курсах 45, 135, 225 и 315°. Несмотря на то, что даже при симмет­ричной качке возникает постоянная карданная ошибка, практи­чески при использовании курсоуказателя для целей судовождения ею можно пренебречь. При правильной бортовой качке с амплиту­дой в 10° и следовании промежуточными курсами средняя вели­чина карданной ошибки не превышает 0°,3.

Работа курсоуказателя в режиме гироазимута.

  Для работы курсоуказателя в режиме гироазимута необходимо, чтобы ось кинетического момента гиросферы удерживалась в горизонте, а по обеим осям прецессии гиросферы были приложены коррек­тирующие моменты для компенсации отклонения гиросферы за счет суточного вращения Земли и собственного движения объекта. В гирокурсоуказателе с электромагнитным управлением для осу­ществления режима гироазимута достаточно отключить маятни­ковый момент, пропорциональный сигналу индикатора горизонта, на горизонтальной оси прецессии гиросферы, сохранив при этом демпфирующий момент от индикатора горизонта на вертикальной оси для удержания главной оси гироскопа в горизонте. Необхо­димо также сохранить корректирующие моменты по обеим осям прецессии. В этом случае равенства (1.12), определяющие зави­симости моментов от сигналов управления и коррекции, примут

(b -bc) = ex ;       (a -ac) = m n b + ez                                                 (1. 23)

Полагая, что корректирующие сигналы ex  и ez  определяются, как и прежде, формулами (1.14) и, подставляя выражения (1.23) в уравнения (1.1), найдем частные решения системы (1.1) и (1.3) в виде:

a* = VN / ( Ru cosj +VE + CB R / H);                 ac*=0;                               .

bc*=H (u sinj + VE tgj/ R);                               b*=0.                       (1. 24)

Формулы (1.24), определяющие положение равновесия ЧЭ прибора в режиме гироазимута, тождественны формулам (1.15), определяющим положение равновесия ЧЭ в режиме гирокомпаса. Это свидетельствует о том, что при движении объекта в момент перехода из режима гирокомпаса в режим гироазимута ЧЭ ника­ких возмущений не получает и остается в прежнем положении, которое он занимал, работая в режиме гирокомпаса. Следователь­но, в режиме гироазимута курсоуказатель сохраняет направле­ние меридиана, выработанное в режиме гирокомпаса, естественно, с накапливающейся во времени ошибкой, которая определяется присущей данному гироскопу скоростью дрейфа.

При обратном переходе из режима гироазимута в режим гиро­компаса курсоуказатель в начальный момент будет иметь некото­рую девиацию, так как за время работы в режиме гнроазимута гироскоп вследствие собственного ухода отклонится от меридиана. Затем, совершая затухающие колебания, гирокомпас придет в положение равновесия.

Следует отнести к достоинствам курсоуказателя с электро­магнитным управлением то обстоятельство, что при переходе из одного режима в другой не требуется изменять корректирующие сигналы, тем более, что благодаря вводу в схему управления та­кого вида коррекции ЧЭ находится вблизи меридиана практиче­ски в обоих режимах работы прибора.

Основной погрешностью гироазимута является собственный дрейф гироскопа. Гирокурсоуказатель с косвенным управлением позволяет уменьшать эту погрешность теоретически до величины нестабильности скорости ухода гироскопа. Для этого достаточно ввести в схему управления сигнал, напряжение которого пропор­ционально постоянной составляющей скорости ухода гироскопа, и просуммировать с сигналом датчиков угла гироскопа в соот­ветствующих масштабе и фазе как это делается при вводе кор­ректирующих сигналов. В результате этого к гироскопу по гори­зонтальной оси прецессии окажется приложенным момент, кото­рый скомпенсирует постоянную составляющую скорости ухода гироскопа.

При воздействии на курсоуказатель, работающий в режиме гироазимута, ускорений качки, гироазимут имеет дополнительный систематический уход. Этот уход возникает из-за появления по­стоянной составляющей момента по горизонтальной оси прецессии гироскопа. Знакопеременные сигналы индикатора горизонта вы­зывают меняющийся в такт качке момент, накладываемый тор-сионами на гиросферу вокруг ее вертикальной оси. Благодаря од­новременному раскачиванию следящей сферы в такт качке вокруг оси ее подвеса (по углу g) проекция знакопеременного момента дает постоянную составляющую на горизонтальную ось прецес­сии, которая и вызывает систематический уход гироазимута на качке.

Анализ факторов, влияющих на эту погрешность гироазимута, показывает, что меры, принятые для уменьшения погрешности гирокомпаса на качке, а именно, применение индикатора гори­зонта с большой постоянной времени и гидравлического демпфе­ра на оси подвеса следящей сферы, существенно уменьшают погрешность гироазимута на качке.

Что касается влияния ускорений от маневрирования на неста­бильность ухода гироазимута, то теоретически оно зависит от времени действия ускорений и мало по величине. Практически в силу тех же технических решений, которые компенсируют влия­ние ускорений на качке, это влияние не имеет существенного значения.

На основании краткого анализа изложенного принципа дейст­вия двухрежимного курсоуказателя с электромагнитным управле­нием можно сделать некоторые выводы в отношении его преиму­ществ перед обычными маятниковыми гирокомпасами:

       конструкция торсионно-жидкостного подвеса ЧЭ, который представляет собой астатический поплавковый гироскоп, обеспе­чивает гидростатическую разгрузку подвеса и отсутствие сухого трения в его осях, что уменьшает возмущения, вызываемые си­лами инерции;

       электрическая схема управления параметрами гирокомпаса (периодом, степенью демпфирования) и режимами работы прибора позволяет, переключая электрические цепи, изменять параметры гирокомпаса и режимы работы в зависимости от условий пла­вания и эксплуатационных требований;

в гирокомпасе с электрической схемой управления сравни­тельно простыми средствами обеспечивается полная компенсация скоростной девиации для больших скоростей движения судна при условии ввода в прибор данных скорости и широты с достаточной точностью. При этом методе компенсации скоростной девиации существенно, что сам гироскоп практически все время остается в меридиане;

электрическая схема управления создает практическую воз­можность полной компенсации баллистических девиаций гиро­компаса пр-и маневрировании судна. Для этого может использо­ваться индикатор горизонта с коррекционньш датчиком момента и несложный электромеханический прибор, вырабатывающий нужный сигнал коррекции. При указанном способе компенсации баллистических девиаций нет необходимости изменять парамет­ры гирокомпаса в зависимости от широты и выключать демпфи­рование на время действия ускорений;

конструкция и схема двухрежимного гироскопического курсоуказателя обеспечивает его работу в режиме гирокомпаса или гироазимута, а также в режиме гиромагнитного компаса. Это расширяет сферу применения приборов такого типа.

Основной прибор ВГ-1А.


 Функцию гироскопического указа­теля меридиана выполняет прибор ВГ-1А (рис. 4). В корпусе прямоугольной формы 6 со сферическим колпаком 5 разме­щены трехстепенный поплавковый гироблок (ТПГ), элементы следящих систем стабилизации, детали схем терморегулирова­ния и управления.

ТПГ выполнен в виде герметичной камеры (следящей сферы), заполненной специальной вязкой жидкостью (рис. 5). В этой камере с помощью вертикальных и горизонтальных тор-сионов подвешен поплавок с гиромотором. На гироблоке по ли­нии N—3 установлены роторы индукционных датчиков углов / (ДУ) рассогласования гиросферы со следящей сферой (ста­торы ДУ находятся на гиросфере). Сверху и снизу на камере в кольцевых пазах 2 установлены дополнительные обогрева­тели для интенсивного разогрева жидкости при пуске компаса. Их включением управляет термореле 4 (Т/--003). На кронштей­нах к крышке гироблока приспособлены штепсельные разъемы 5 для подачи питания на гироблок и снятия информации с дат­чиков углов. Снизу к камере подвешен груз 6 для придания маятниковости гироблоку в кардановом подвесе. Гироблок че­тырьмя приливами 3 с отверстиями для крепежных винтов укладывается на установочное кольцо. С западной стороны ка­меры на установочном кольце находится индикатор горизонта (ИГ), с северной—пузырьковый уровень для визуального конт- роля за балансировкой установочного кольца при сборке (уро­вень находится под колпаком). На двух цапфах, параллельных главной оси гироблока, установочное кольцо укладывается в подшипники на внутреннем кардановом кольце 6 (рис. 8). Для гашения колебаний гироблока относительно оси подвеса установочного кольца предусмотрен  дисковый  масляный демпфер.

С южной стороны в месте крепления цапфы в кардановом подвесе вмонтирован плоский вращающийся трансформатор (ПТ-003). Статор его неподвижен, а роторная обмотка связана с цапфой и поворачивается вместе с ней. Этот вращающийся трансформатор называют координатным преобразователем. Его включение в схему вызвано тем, что при повороте гироблока вокруг оси XX на угол ^ под воздействием внешних возму­щающих сил в связи с маятниковостью гироблока и отсутст­вием стабилизации относительно главной оси происходит вза­имное влияние горизонтной и азимутальной следящих систем (принцип работы следящих систем рассмотрен в § 18). Дей­ствительно, при выходе гироблока из отвесного положения мо­менты Ьгс и Ьтс, создаваемые торсионами, оказываются повер­нутыми в плоскости У02. на угол О. В таком случае горизон­тальный и вертикальный моменты будут состоять из суммы проекций указанных моментов на эти оси. В результате нор­мальная величина корректирующих моментов искажается и в показаниях прибора возникают погрешности. Для исключе­ния взаимного влияния следящих систем в схему управления подаются соответствующие сигналы, снимаемые с ротора преоб­разователя координат.

Внутреннее карданово кольцо 6 с гироблоком с помощью цапф и подшипников укладывается на наружное карданово кольцо, выполненное в виде вилки 7, ось которой установлена в подшипнике на основании 10 и может разворачиваться вокруг оси 2.2. на 360°. Сверху к вилке крепится шкала курсов 8 с це­ной деления 1°. .

Ось вилки через редуктор связана с азимутальным двигате­лем следящей системы стабилизации / и двумя синусно-коси-нусными вращающимися трансформаторами 2 и 11 (СКВТ), включенными в схему трансляции курса (на транспортных и промысловых судах задействован только один СКВТ). На ось вилки насажен токосъемник 13 с серебряными кольцами и стальными щетками, закрываемый пластмассовой крышкой.

На горизонтальном (внутреннем) кардановом кольце укреп­лен зубчатый сектор, который посредством механической пере­дачи связан с горизонтным двигателем следящей системы ста билизации, установленным в нижней части вилки. При враще­нии этого двигателя камера гироблока разворачивается вокруг оси УУ.

Рабочая температура (75 °С) в приборе поддерживается кольцевым нагревателем 5, прикрепленным к основанию че­тырьмя стойками 9. Управляет его работой термореле 3 (7У002), размещенное на основании 10. Рядом установлен биметалличе­ский термодатчик 4 (ГгООО), включающий аварийную сигналь­ную систему при достижении температурой жидкости верхнего предела (80°С).

На основании расположены три штепсельных разъема (два со стороны носа). Для работы с гиросекцией вне корпуса при­бора установлены четыре опорные ножки 12. Гиросекция своим основанием укладывается в корпус прибора.

Верхняя часть колпака 5 сделана из органического стекла, полярная шапка закрашена изнутри, оставлена прозрачной лишь кольцевая полоска напротив курсовой шкалы 3 (рис.65). Курсовая черта—красная полоска 4—нанесена на прозрач­ном кольце со стороны кормы. Колпак привинчивается к кор­пусу прибора четырьмя невыпадающими винтами 7.

В корпусе 6 установлены усилители следящих систем: слева азимутальный 2, справа горизонтный, рядом с усилителями под квадратными крышками размещены реле схемы управления 1 (слева) и регуляторы «дрейф» и «поправка».

На верхней панели 12 расположены четыре световых табло:

«пуск», «подготовка», «гирокомпас» и «гироазимут»; на перед­ней—переключатель 9 («подготовка»—«работа»} и ручка 8 регулировки «скорости приведения» (ускоренного в меридиан).

На задней стенке имеются три "штепсельных разъема, из них верхний предназначен для подключения контрольных приборов при регулировке приборов, через нижние осуществляется связь основного прибора с другими.

Корпус прибора на четырех амортизаторах крепится к уста­новочной плите 11с тремя овальными отверстиями для крепеж­ных шпилек (два с задней стороны и одно с передней), поэтому плиту (вместе с корпусом) можно поворачивать в пределах ±5° для устранения постоянной поправки в показаниях гиро­компаса. Для контроля за углом разворота прибора на устано­вочной плите с задней стороны нанесена шкала 10 с ценой деления 0,5°.





© 2012 Рефераты, доклады и дипломные работы, курсовые работы бесплатно.