рефераты
Главная

Рефераты по международному публичному праву

Рефераты по международному частному праву

Рефераты по международным отношениям

Рефераты по культуре и искусству

Рефераты по менеджменту

Рефераты по металлургии

Рефераты по муниципальному праву

Рефераты по налогообложению

Рефераты по оккультизму и уфологии

Рефераты по педагогике

Рефераты по политологии

Рефераты по праву

Биографии

Рефераты по предпринимательству

Рефераты по психологии

Рефераты по радиоэлектронике

Рефераты по риторике

Рефераты по социологии

Рефераты по статистике

Рефераты по страхованию

Рефераты по строительству

Рефераты по таможенной системе

Сочинения по литературе и русскому языку

Рефераты по теории государства и права

Рефераты по теории организации

Рефераты по теплотехнике

Рефераты по технологии

Рефераты по товароведению

Рефераты по транспорту

Рефераты по трудовому праву

Рефераты по туризму

Рефераты по уголовному праву и процессу

Рефераты по управлению

Курсовая работа: Диагностические и регулировочные работы по ходовой части грузового автомобиля

Курсовая работа: Диагностические и регулировочные работы по ходовой части грузового автомобиля

Федеральное агентство по образованию (Рособразование)

Архангельский государственный технический университет

Кафедра эксплуатации автомобилей и МЛК

КОНТРОЛЬНАЯ РАБОТА

По дисциплине

ТЕХНИЧЕСКАЯ ЭКСПЛУАТАЦИЯ АВТОМОБИЛЕЙ

На тему:

Диагностические и регулировочные работы по ходовой части грузового автомобиля

Сидоровский Денис Александрович

Факультет ЗФ

Руководитель:

ст. преподаватель Ю.Д. Кириллов

Архангельск 2009


ОГЛАВЛЕНИЕ

1. КОНТРОЛЬНО-ДИАГНОСТИЧЕСКИЕ, РЕГУЛИРОВОЧНЫЕ И ДРУГИЕ РАБОТЫ ПО ХОДОВОЙ ЧАСТИ АВТОМОБИЛЯ

1.1 Рама и подвеска

1.2 Передний мост

1.3 Шины

1.4 Колеса

СПИСОК ИСПОЛЬЗОВАННЫХ ИСТОЧНИКОВ


1. КОНТРОЛЬНО-ДИАГНОСТИЧЕСКИЕ, РЕГУЛИРОВОЧНЫЕ И

ДРУГИЕ РАБОТЫ ПО ХОДОВОЙ ЧАСТИ АВТОМОБИЛЯ

Ходовая часть автомобиля воспринимает ударные нагрузки и подвержена вибрации. В результате этого изменяются углы установки управляемых колес, ухудшается их стабилизация, что затрудняет управление автомобилем, увеличивается расход топлива и изнашивание шин. При ТО ходовой части выполняются работы по уходу за рамой, подвеской, передним мостом, шинами и колесами.

1.1 Рама и подвеска

Для профилактики раму периодически осматривают, проверяют крепление поперечин и кронштейнов, плотность заклепочных соединений. При необходимости красят.

В соответствии с техническими условиями к эксплуатации не допускаются автомобили, имеющие трещины или поломки хотя бы одного листа рессоры, неприлегание и расхождение листов, повреждения кронштейнов, резиновых втулок и подушек, ослабление затяжки пальцев и стопорных болтов, хомутиков и стремянок, а также течь жидкости из амортизаторов и ослабление их крепления.

Отказы рессорных подвесок автомобилей возникают главным образом из-за усталостных поломок листов рессор. Диагностирование состояния рессор должно определять степень усталостного повреждения листов. Для этой цели можно использовать методы и средства ультразвукового контроля, позволяющие определять местоположение и размеры усталостных трещин в листах. Ультразвуковой контроль проводят перед ТО-2. Автомобиль при этом должен быть порожним и хорошо вымытым. Для обеспечения хорошего доступа к рессоре автомобиль устанавливают на осмотровую канаву. Боковые поверхности рессорных листов со стороны рамы автомобиля очищают и наносят на них слой высоковязкой смазки (технического вазелина, солидола и др.). Искательную головку дефектоскопа перемещают вдоль листов, прижимая ее к ним, и наблюдают за экраном прибора. Обнаружив сигналы о дефекте, определяют их границы (появления и исчезновения) при помощи масштабной сетки экрана. Настройка чувствительности прибора должна сохраняться при этом постоянной. Протяженность зоны «видимости» сигнала от усталостной трещины соответствует ее длине и поврежденной площади сечения Sповр рессорного листа. Для оценки степени повреждения D удобно использовать отношение 5Повр к номинальной площади сечения Sном:

D = Sповр/Sном,(1)

Зависимости роста размеров трещин в листах по мере наработки рессор удобно представить в виде логарифмической функции

G = |lgD|,(2)

где (G - критерий сопротивления усталости.

Это позволяет прогнозировать долговечность рессоры до поломки по размерам усталостных повреждений в листах (рисунок 1).

Рисунок 1 – Прогнозирование остаточного ресурса рессоры МАЗ-503А графическим путем


При ТО подвески проверяют также взаимное положение мостов. Для обеспечения нормального качения колеса автомобиля на дороге необходимо строго соблюдать заданную геометрию элементов ходовой части автомобиля. В данном случае под термином «геометрия» подразумевается геометрия не формы, а взаимного положения механизмов и агрегатов. Взаимное положение элементов ходовой части существенно влияет на энергетику движения автомобиля, стабилизацию его на дороге, износ шин, расход топлива и т. д. Взаимное положение мостов можно определить с помощью специальных стендов. Время диагностики 30—35 с.

Для диагностирования горизонтального перекоса мостов автомобилей можно использовать ориентировочную линию, которую наносят белой краской на проезжей части со стороны водителя (рисунок 2). Ориентировочную линию располагают вдоль всей длины канавы. Расстояние а/2 от оси симметрии канавы до линии выбирается в зависимости от модели автомобиля. Толщина ориентировочной линии должна равняться полуразности (b - a)/2 расстояний между наружными кромками протектора задних и передних колес. Например, для ЗИЛ-130 и его модификаций толщина линии равна 150 мм, а расстояние от оси симметрии до внутренней кромки линии — 995 мм. Если параллельность мостов автомобиля не нарушена, то переднее колесо катиться наружной кромкой протектора по внутренней кромке линии, а наружная кромка протектора заднего колеса – по наружной кромке линии.

Для диагностирования автомобилей с различной шириной колеи наносят несколько разноцветных линий.


Рисунок 2 – Обнаружение перекоса мостов автомобилей

Важной задачей диагностики подвески автомобиля является оценка правильности геометрических размеров и сопряжений, упругих свойств и параметров колебаний подвески.

Правильность геометрических размеров и сопряжений (например, высота буфера, люфт в сопряжениях рычагов, амортизаторов, рессор, определяют при помощи линеек, штангенциркулей, шаблонов). Перспективны кратковременно-контактные датчики с регистрацией перемещений на шкале прибора.

Упругость подвесок определяют прямым и косвенным методами. При прямом методе снимают упругую характеристику подвески путем измерения ее вертикальных деформаций под действием переменной вертикальной нагрузки и по характеристике определяют коэффициент жесткости и внутреннее трение.

Косвенный метод основан на замере условной длины пружины или стрелы прогиба рессоры при нагрузке на ось, указанной в технической характеристике, для автомобиля в снаряженном состоянии.

Характеристику упругости снимают при помощи нагружателей и измерителей перемещений. Нагружатель оборудуют устройством для регистрации усилия нагружения. В качестве же измерителей перемещений используют упомянутые уже устройства для определения его геометрических размеров.

Параметры колебаний (амплитуды, частоты), свидетельствующие -о техническом состоянии амортизаторов и упругих элементов подвески, можно определить по записям вынужденных колебаний подрессоренных и неподрессоренных масс и свободных колебаний подрессоренных масс автомобиля. Вызывают эти колебания, приподнимая (подтягивая) автомобиль и затем сбрасывая его.

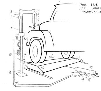
Имеются устройства, основанные на методах подтягивания и сбрасывания автомобиля механическим способом с использованием мускульной энергии оператора (применяются для диагностики подвески легковых автомобилей) и без использования специального подъемного приспособления (применяются для диагностики подвески автомобилей любой грузоподъемности). Последнее устройство разработано в Горьковском политехническом институте. Оно позволяет автоматизировать диагностику подвески, сократить потребность в обслуживающем персонале, уменьшить время диагностирования.

Принципиальная схема устройства представлена на рисунке 3. Башмак 9 устройства имеет заходную и опорную поверхности. Опорная поверхность составляет с горизонталью 0—0 угол а. К башмаку прикреплены четыре ролика. Они установлены на неподвижных направляющих. С башмаком 9 соединен механизм перемещения с пневмоцилиндром. Передняя и задняя полости пневмоцилиндра 10 посредством трубопроводов 11 и 14 могут быть соединены через клапан управления 13 или с атмосферой, или с воздушной магистралью (трубопровод 12).

диагностический автомобиль шина колесо рессора


Рисунок 3 – Устройство для диагностирования подвески автомобилей

Рядом с башмаком 9 неподвижно расположена стойка 15 с смонтированным на ней механизмом 17 подъема и опускания регистратора колебаний 3. Подвижная часть 5 датчика регистрации колебаний прикреплена к подвижному в вертикальном направлении следящему стержню 6, снабженному наконечником 18 и пружиной 8, а неподвижная часть 7 датчика жестко закреплена на корпусе регистратора.

Стержень 6 в крайнем верхнем положении взаимодействует с концевым датчиком 4, который посредством электрических цепей соединен с механизмом 17 подъема и опускания регистратора 3, с краном управления 13 и реле времени 2. Концевой датчик 4 электропроводами связан с клапаном управления 13 я с реле времени 2, которое соединено проводом 1 и механизмом 17.

Диагностическое устройство снабжено переносным двухкнопочным пультом управления 16. Нижняя кнопка служит для подачи электрического сигнала к крану управления УЗ для включения подачи воздуха из магистрали 12 по трубопроводу // в заднюю полость цилиндра 10 и перемещения башмака 9 в крайнее переднее положение по направлению стрелки А. Верхняя кнопка на пульте предназначена для включения в работу всего устройства.

Стойка 15 регистратора колебаний имеет направляющую (на рисунке не показана) такой конфигурации, которая при подходе регистратора 3 к крайнему верхнему положению обеспечивает его поворот из рабочего положения на 90° вокруг вертикальной оси, освобождая тем самым проезд автомобилю. В рабочее положение регистратор возвращается в обратном порядке. Имеются специальные упоры для колес.

Порядок диагностирования подвески следующий. Оператор, нажимая на нижнюю кнопку пульта управления 16, перемещает башмак 9 в крайнее переднее положение в направлении стрелки А. Затем автомобиль въезжает колесами одной- оси сначала на заходную, а потом на опорную поверхность башмака и в этом положении останавливается. После этого оператор нажимает на верхнюю кнопку пульта, включая механизм 17 и опуская регистратор 3. После соприкосновения наконечника 18 с крылом автомобиля пружина 8 сжимается до тех пор, пока стержень 6 не соприкоснется с концевым датчиком 4. В этот момент датчик 4 подает электрический сигнал, который, проходя по проводам, минуя реле времени 2, выключает механизм 17. Одновременно он включает клапан управления 13, подающий воздух из магистрали 12 по трубопроводу 14 в переднюю полость пневмоцилиндра 10, соединяя заднюю его полость с атмосферой.

Башмак 9 при этом перемещается в крайнее заднее положение (в направлении, противоположном стрелке А), сбрасывая колеса автомобиля и вызывая тем самым свободные колебания его кузова. Вертикальные перемещения кузова передаются на взаимодействующие между собой части 5 и 7 датчика регистратора колебаний через следящий стержень 6, наконечник 18 которого прижимается к кузову пружиной 8. Реле времени 2 через несколько секунд после затухания колебаний подает сигнал механизму 17, регистратор 3 поднимается вверх и поворачивается в нерабочее положение. Оператору при диагностике нет необходимости отходить от пульта управления. Для подготовки устройства к следующему замеру оператору достаточно нажать на нижнюю кнопку пульта управления, а после въезда колес автомобиля на башмак нажать на верхнюю. В дальнейшем процесс диагностирования протекает автоматически.

1.2 Передний мост

Основные неисправности передних мостов: деформация балки, износ шкворневых соединений, подшипников, ступиц колес, разработка отверстий под шкворни в кулаках балки и гнезд под подшипники в ступицах установки передних колес, что затрудняет управляемость, резко повышает износ шин, приводит к повышенному расходу топлива и т. д.

Техническое обслуживание передних мостов заключается в определении указанных неисправностей и проведении необходимых регулировочных и других работ по предупреждению и устранению обнаруженных дефектов. При диагностировании передних мостов определяют радиальный и осевой зазор в шкворневых соединениях, зазор между кольцом подшипника и его гнездом в ступице, степень затяжки подшипника ступицы, а также углы установки управляемых колес (углы развала колес, поперечного и продольного наклона шкворня, схождение колес).

Радиальный и осевой зазоры в шкворневых соединениях проверяют перемещением цапфы относительно бобышки передней оси. Для определения радиального зазора применяют индикаторный прибор КИ-4892 или приспособление НИИАТ Т-1 (рисунок 4). Домкратом 2 вывешивают переднее колесо, закрепляют стойку индикатора 1 прибора на балке переднего моста, а ножку индикатора располагают горизонтально и упирают в нижнюю часть опорного диска тормоза. Затем опускают колесо на пол и по отклонению стрелки индикатора определяют величину зазора l. Осевой зазор h замеряют плоским щупом, вставляемым между верхней проушиной поворотной цапфы и бобышкой передней оси (колеса вывешивают). При необходимости величину зазора регулируют прокладками, сменой втулок, шкворней, поворотом шкворней и т. д.

Зазор между кольцом подшипника и его гнездом в ступице, а также степень затяжки подшипника ступицы определяют покачиванием колес в поперечной плоскости после устранения люфта в шкворневом соединении. Если колесо вращается туго и тормозные колодки не заедают или при покачивании колеса чувствуется зазор, необходимо отрегулировать затяжку подшипников ступицы. Зазор регулируют, затягивая гайку подшипника ступицы до начала затрудненного вращения колеса в вывешенном состоянии, а затем отпускают до совмещения ее штифта с отверстием в замковой шайбе. При правильной регулировке колесо должно легко вращаться от усилия руки. Осевые перемещения не допускаются.

а) колесо вывешено; б) колесо опущено на пол

Рисунок 4 – Замер зазора в шкворневом соединении

Углы установки управляемых колес диагностируют и регулируют после устранения люфта в шкворневых соединениях и подшипниках ступиц колес при нормальном давлении воздуха в шинах и креплении дисков колес. Диагностируют эти углы на стационарных стендах с помощью переносных приборов. Стенды бывают механические, оптические, оптико-электрические и электрические, а переносные приборы — механические, жидкостные и оптико-электрические.

Из применяющихся стендов для проверки углов установки управляемых колес наибольшее распространение за последние годы получили оптические (рисунок 5), как наиболее точные. На этих стендах углы развала, схождения, продольного наклона шкворня и соотношение углов поворота колес измеряются оптическим методом, а угол поперечного наклона шкворня — по уровню, смонтированному на зеркальном отражателе. Измерение углов установки колес на оптическом стенде заключается в определении углов наклона зеркального отражателя, установленного параллельно плоскости вращения колеса и регистрации изменения этих углов при повороте колеса на 20° (для замера продольного наклона шкворня и соотношения углов поворота колес). При отсутствии развала и схождения колес изображение шкалы стойки, наблюдаемое через измерительный микроскоп, после отражения в зеркалах, закрепленных на колесе и стойке, точно накладывается на неподвижное перекрестие окуляра. Так, если колесо имеет развал, то шкала сместится относительно неподвижного перекрестия окуляра по вертикали (вверх или вниз), а при наличии схождения — по горизонтали (вправо или влево). Величины этих смещений. Дают соответственно углы развала и схождения колес.


а) определение схождения колес; б) определение развала колес; в) определение соотношения углов поворота колес; I – плоскость вращения колеса;

II – плоскость зеркала колеса; III – плоскость шкалы;

1, 2, 3 – зеркало, окуляр и шкала микроскопа соответственно.

Рисунок 5 – Проверка углов установки колес автомобиля при помощи оптического стенда

У автомобилей с неразрезной передней осью углы развала колес и наклона шкворней не регулируются. У автомобилей с независимой подвеской углы развала регулируют поворотом эксцентриковых втулок. Максимальные углы поворота передних колес регулируют ограничительными болтами, которые ввернуты в поворотные рычаги и упираются при зависимой подвеске в кулаки переднего моста, а при независимой — в выступы стоек подвески.

Схождение передних колес автомобиля диагностируют с помощью специальных линеек. При замере схождения линейку устанавливают спереди колес так, как показано на рисунке 6. Затем автомобиль перекатывают вперед до тех пор, пока линейка не займет симметричное положение за передней осью. Перемещение стрелки укажет на величину схождения колес. При проверке схождения колес автомобиль должен быть ненагружен, а положение колес должно соответствовать движению по прямой. На автомобилях с неразрезной поперечной тягой схождение колес регулируют изменением длины поперечной тяги, а с разрезной осью (при независимой передней подвеске) — изменением длины боковых рулевых тяг.

1 – линейка; 2 – отвесы; 3 и 4 – шкала и движок линейки

Рисунок 6 – Проверка схождения передних колес

1.3 Шины

При движении автомобиля шина работает в очень сложных условиях. В процессе качения на шину действуют различные по величине и направлению нагрузки: внутреннее давление воздуха, силы динамические, а также силы, вызванные весом автомобиля и перераспределением его между колесами.

Силы, действующие на шину, изменяются по величине, а иногда и направлению в зависимости от скорости движения, состояния дорожного покрытия, температуры окружающего воздуха, уклона, характера поворота дороги и т. д. При качении колеса автомобильная шина в различных зонах непрерывно изменяет свою форму, причем отдельные ее части изгибаются, сжимаются и растягиваются. При продолжительном движении шина нагревается, что приводит к повышению внутреннего давления воздуха в ней и снижению прочности отдельных ее элементов, особенно резиновых. Под действием многократно действующих сил и повышенной температуры материал шины постепенно «утомляется», т. е. теряет свою прочность, протектор изнашивается.

По данным НИИ шинной промышленности, около половины покрышек в АТП преждевременно выходят из строя вследствие нарушения правил эксплуатации и ТО шин. К основным причинам неисправностей шин относятся: отклонение величины внутреннего давления воздуха в шине от нормального, перегрузка шин, нарушение правил вождения автомобиля, неисправности автомобиля, неправильный подбор шин для конкретных условий эксплуатации, нарушение правил ТО шин.

Практика показывает, что эксплуатационные дефекты шин (неравномерный износ, разрушения, повреждения и т. п.), которые преждевременно выводят шины из строя, чаще всего возникают вследствие несоблюдения установленных норм и низкого контроля за давлением воздуха в шинах. Повышенное против нормы давление воздуха в шине вызывает неравномерный и повышенный износ протектора покрышки (средних беговых дорожек); вызывает перенапряжения нитей корда, вследствие чего наступает разрыв каркаса. В сдвоенных колесах шина, у которой внутреннее давление воздуха завышено, испытывает большие весовые нагрузки, поскольку ее наружный диаметр больше. Это вызывает неравномерный износ протектора соседней разгруженной шины; снижается комфортабельность езды; такие шины хуже амортизируют удары, снижая долговечность деталей подвесок и мостов автомобилей. Шина больше подвержена различным порезам, разрывам нитей корда при наезде на препятствия. По данным многолетних наблюдений установлено, что повышение давления воздуха в шинах на 10—20 % снижает их пробег на 5—10 %.


Рисунок 7 – Влияние внутреннего давления воздуха на пробег шины

1 – нормальная нагрузка на шину; 2 – нормальный пробег шины; 3 – пробег шины при ненормированных нагрузках

Рисунок 8 – Пробег шины в зависимости от нагрузки

Значительное влияние на пробег шины оказывает пониженное против нормы давление воздуха в ней (рисунок 7). У протектора при этом интенсивно изнашиваются крайние беговые дорожки, повреждается каркас покрышки. Начавшееся разрушение каркаса сопровождается появлением темного кольца вдоль боковых стенок внутри покрышки и на стенках камеры. Затем нити корда отслаиваются от резины, перетираются и рвутся. Происходит кольцевой излом каркаса. Шина с таким дефектом не подлежит восстановлению. Недостаточное давление воздуха в шине может также вызвать и расслоение каркаса, отслоение протектора и боковин покрышки. Перечисленные дефекты, а также повышенный износ протектора при пониженном давлении воздуха в шине возникают вследствие изменения профиля шины во время движения, повышения напряжений в ее материале, теплообразования. Наибольший вред пониженное давление наносит шинам ведущих колес. Каркасы обеих сдвоенных покрышек разрушаются за счет соприкосновения и трения их боковин. Крайне вредна даже кратковременная эксплуатация шин с пониженным внутренним давлением. Это можно объяснить тем, что начавшийся процесс разрушения каркаса практически никак не проявляется внешне. Со временем же он приведет к преждевременному износу и выходу покрышек из строя. Пониженное давление воздуха в шинах вызывает перерасход топлива.

На срок службы шин влияют неправильные углы установки передних колес, повышенный люфт в рулевом управлении, повреждения рулевых тяг, прогиб или перекос мостов, течь масла, выступающие детали кабин, кузова. Отрицательный развал передних колес, прогиб балок мостов вызывают ступенчатый износ внутренних дорожек протектора шин. Повышенное схождение управляемых колес приводит к износу наружной части протектора. Кромки истертых дорожек в этом случае острые. Такой же износ, но только внутренних дорожек, будет наблюдаться при отрицательном угле схождения колес. Причиной волнистого неравномерного износа протектора могут стать изношенные или ослабленные подшипники передних колес, поврежденные поворотные кулаки, погнутые рулевые тяги, неотрегулированное рулевое управление. Перекос мостов вызывает интенсивное истирание протектора. Причины местного пятнистого износа шин — дисбаланс колес, неисправные амортизаторы (у легковых автомобилей), затяжное торможение с заблокированными колесами.

На долговечности шин сказываются и механические их повреждения, сопутствующие чаще всего неаккуратной езде. К механическим повреждениям относятся потертости, порезы, пробои покрышек о бордюрный камень, выступающие острые кромки горных пород, битых камней, кирпича и даже о выступающие поврежденные детали ходовой части и оперения кабины.

На практике автомобили и шины часто перегружают. Это приводит к снижению долговечности шин (рисунок 8) вследствие повреждения каркаса практически таким же образом, как и при эксплуатации шин с пониженным давлением воздуха. Кроме того, на боковинах покрышки со временем появляются характерные прямые или извилистые довольно крупные разрывы. В зоне же боковой дорожки перегруженная шина хуже противостоит пробоям от наезда на дорожные препятствия и другим механическим повреждениям.

Увеличивает нагрузку и износ шин ведущих колес также тяговое усилие, передаваемое на ведущие колеса. На дорогах с усовершенствованным покрытием износ примерно на 20 % выше, чем износ шин ведомых колес. На практике диспропорции такого износа можно избежать предварительной обкаткой шин на ведомых колесах (рисунок 9).

На долговечность шин влияет и скорость движения автомобиля. Езда на высоких скоростях приводит к быстрому истиранию протектора, выкрашиванию резины, повышает температуру шины.

Шины устанавливают на автомобили в строгом соответствии с их назначением. Например, шины с дорожным рисунком протектора следует применять только при эксплуатации автомобилей на дорогах с твердым покрытием. Периодически проверяют зазор между сдвоенными шинами. Визуально осматривают и определяют износ протектора и другие неисправности. Давление воздуха в шинах измеряют шинными манометрами. При необходимости подкачивают шины сжатым воздухом на воздухораздаточных колонках, снабженных регулятором давления.

В соответствии с ГОСТ 25478—82 (раздел «Требования к техническому состоянию шин и колес») регламентируется минимально допустимое значение остаточной высоты рисунка протектора шин: 1 мм для грузовых и 1,6 мм для легковых автомобилей; 2 мм для автобусов, Высота рисунка протектора проверяется не по центру беговой дорожки, а по зоне предельного износа. Она имеет следующие размеры: ширина — не более половины ширины беговой дорожки, длина — не более 1/6 длины окружности. Для упрощения замера отметим, что 1/6 длины окружности шины численно равна ее радиусу. Осуществляют его измерительным инструментом, обеспечивающим погрешность не более + 0,1 мм.

В настоящее время шины легковых автомобилей выпускаются с индикаторами предельного износа протектора. На них допускаемое значение остаточной высоты рисунка протектора определяют: при равномерном износе беговой дорожки — по появлению одного индикатора, при неравномерном — по появлению индикаторов в двух местах (по два индикатора в каждом).

1 – эксплуатация шины на ведущих колесах без обкатки; 2 – обкатка на передних колесах; 3 – дальнейшая эксплуатация шин на ведущих колесах после обкатки

Рисунок 9 – Влияние предварительной обкатки шин на их износ и пробег


Стандарт оговаривает, что шины не должны иметь порезов или разрывов, которые обнажают корд. Причем даже при небольших размерах эти повреждения в процессе эксплуатации могут привести к опасным последствиям. Не допускается также расслоение каркаса, отслоение протектора, наличие инородных предметов (стекла, камней и т. п.) в протекторе и между сдвоенными колесами.

В последние годы для диагностирования давления воздуха в шинах находит применение вибрационный метод. Сущность этого метода состоит в том, что если к шине приложить внешнюю периодически возмущающую силу, то ее колебания будут зависеть от внутреннего давления. С изменением внутреннего давления изменяется собственная частота колебаний, а следовательно, и все параметры колебаний: перемещение, скорость, ускорение, резкость, угол сдвига фаз и др. В производственных условиях при известных зависимостях между параметрами колебаний и внутренним давлением после измерения величин параметров, служащих диагностическим симптомом, можно судить о внутреннем давлении в шинах автомобилей.

При осмотре шин удаляют застрявшие острые предметы. Изношенные шины следует периодически переставлять по мере их износа. Шины с изношенным протектором сдают в ремонт для наваривания нового протектора. Операции, связанные с заменой шин, перестановкой их на автомобиле, а также демонтаж и монтаж покрышек относятся к трудоемким работам, занимающим значительный объем в ТО. Поэтому механизации этих работ в условиях АТП следует уделять большое внимание.

На АТП применяют универсальные механизированные посты для демонтажа и монтажа автомобильных шин. Они входят в состав шиномонтажных участков и размещаются вблизи от поста смены колес и шиноремонтного отделения. Установленное на посту оборудование обеспечивает комплексную механизацию трудоемких операций по демонтажу и транспортировке покрышек, дисков и колес, установку и снятие их со стенда демонтажа шин, демонтаж и монтаж шин и накачивание их сжатым воздухом.

Универсальный механизированный пост (рисунок 10) оборудован электромеханическим стендом для демонтажа шин, краном-укосиной с электротельфером, захватным устройством, навешенным на крюк электротельфера, воздухораздаточной колонкой, предохранительными регистрами, используемыми при накачке шин воздухом; стеллажами для колес, покрышек и вешалками для камер.

Рисунок 10 – Универсальный механизированный пост для демонтажа и монтажа шин

При поступлении колеса на пост колесо захватывают захватным устройством 2, поднимают на высоту 1—1,5 м, транспортируют и при помощи крана-укосины и электротельфера / устанавливают его на стенд демонтажа шин, где диск колеса фиксируется специальными флажками 4 и штифтами, которые входят в отверстие диска колеса. После этого закрывают балку отжимного устройства 3, которая шарнирно установлена на опорах 8 рамы стенда и при установке колес отведена в сторону. Включив электродвигатель, освобождают замочное кольцо колеса путем перемещения силового винта 6 вверх до сдвига бортового кольца диска колеса дугообразными упорами 9 отжимного устройства 3.

Затем снимают замочное кольцо и демонтируют покрышку колеса путем перемещения силового винта 6 с колесом вниз и обкатывания при этом борта покрышки катками 7 стенда, которые отжимают борт от закраины обода колеса. Когда шина демонтирована, выключают электродвигатель, отводят в сторону балку отжимного устройства 3, открывают флажки 4 опорного диска 5 и снимают со стенда покрышку и диск колеса с помощью крана-укосины с электротельфером 1 и захватным устройством.

Демонтированную покрышку внешне осматривают и производят необходимое ТО.

Монтаж шин выполняют на специальной площадке перед стендом демонтажа шин в зоне действия крана-укосины. Накачивают шины сжатым воздухом в специальной предохранительной решетке с применением специального наконечника с манометром к воздухораздаточному шлангу и воздухораздаточной колонке.

Применение на АТП рассмотренных постов позволяет снизить трудоемкость шиномонтажных работ в 2,5—3 раза, улучшить условия и культуру производства, исключить производственный травматизм.

Одной из наиболее трудных операций при монтаже и демонтаже шины с ободом типа «трилекс» бездисковых колес тяжелых грузовых автомобилей и автобусов особо большой вместимости по праву считается установка и снятие сегментов обода, выполнение которой при помощи ручных монтажных лопаток занимает много времени. Для механизации этой операции применяется приспособление (рисунок 11), представляющее собой гидравлический цилиндр со сменными наконечниками. Этот цилиндр устанавливают внутрь обода колеса и подают в него под высоким давлением жидкость. В зависимости от операции (разборка или сборка) соответствующие наконечники, упираясь с усилием до 6 т в два смежных сегмента, либо освобождают и третий сегмент, либо вводят его в замкнутое состояние. Жидкость в цилиндр может поступать от насоса с электро-, пневмо- или ручным приводом. Демонтированную покрышку осматривают с помощью борторасширителей с различными приводами.

Рисунок 11 – Приспособление для разборки и сборки шин с ободами «трилекс»

1.4 Колеса

Основные неисправности колес: разработка отверстий в дисках под шпильки крепления колес к ступице, деформирование дисков, трещины около отверстий в дисках колес, механические повреждения и коррозия ободов, бортовых замочных колец, срыв резьбы на шпильках и гайках и др. ТО колес заключается в визуальной проверке колес, обнаружении указанных неисправностей и их устранении.

При современных высоких скоростях движения автомобилей большое значение приобретает уравновешивание колес. Это можно объяснить тем, что большой удельный вес материала, значительное удаление масс от оси и неравномерное распределение массы шин при больших скоростях может привести к возникновению больших неуравновешенных сил и моментов. Действие этого явления особенно неблагоприятно для управляемых колес, так как возникающие нагрузки не только вызывают износ деталей ходовой части, но и могут нарушить устойчивость движения. Неуравновешенность колес возникает как при их изготовлении, так и при неравномерном изнашивании. Это говорит о том, что уравновешенность колес следует проверять систематически. При независимой подвеске неуравновешенность вращающихся масс может вызвать вертикальные колебания колес или горизонтальные колебания вокруг шкворней.

Уравновешивание колес является органической частью технологического процесса ТО автомобилей. Существует динамическое и статическое (применяется редко) уравновешивание колес. Для устойчивого движения колеса необходимо, чтобы ось его инерции совпадала с осью вращения. Этого можно добиться динамическим уравновешиванием.

При статическом уравновешивании стремятся к тому, чтобы колесо, установленное на исправных подшипниках, в любом положении оставалось неподвижным, что свидетельствует о равенстве масс, находящихся по обе стороны оси вращения. Для этого колесо закрепляют на валу, установленном на подшипниках или призмах. Затем добиваются с помощью противовесов (свинцовых грузиков) такого положения, чтобы колесо, повернутое в любое положение, оставалось неподвижным. При этом абсолютно безразлично, на какую сторону обода устанавливается противовес. Например, если избыточный вес помещается в точке Л (рисунок 12), то для выполнения условия статического равновесия противовес может быть установлен в точке В или С. Противовес, установленный в точке В, уравновешивает систему. Однако при вращении колеса наличие избыточных масс, расположенных в точках А и В, влечет за собой возникновение центробежных сил, равных по величине, но действующих не по одной прямой. Это создает момент, вызывающий колебания управляемых колес. Таким образом, статическое уравновешивание колес позволяет установить лишь радиальное положение неуравновешенной массы. Определить осевое положение нельзя. Поэтому лишь случайно может увеличиться динамическая неуравновешенность при установке противовеса на наружную или внутреннюю сторону обода.

Рисунок 12 – Статическая неуравновешенность автомобильного колеса

Динамическое уравновешивание колес полностью уравновешивает все свободные силы и моменты. Существует два способа динамического уравновешивания колес: при снятом колесе с автомобиля и непосредственно на автомобиле. Каждый метод имеет свои недостатки и преимущества, поэтому при выборе способа уравновешивания колес необходимо принимать во внимание конкретные условия.

Основными преимуществами уравновешивания колес вне автомобиля являются: высокая точность измерений, малая потребность в площадях, независимость операций от положения автомобиля. К недостаткам уравновешивания колес вне автомобиля следует отнести возможность устранения неуравновешенности ходовой части автомобиля, а также то, что неправильное центрирование колес на автомобиле (а его очень трудно выдержать, гайки колес не позволяют получить точное центрирование) может нарушить их уравновешенность. Кроме этого, для выполнения работы необходимо затрачивать много времени на снятие и установку колес. Оборудование, применяемое для уравновешивания колес вне автомобиля, имеет большую стоимость по сравнению с тем, которое применяется для уравновешивания на автомобиле.

Уравновешивая колеса на автомобиле, можно уравновешивать и другие вращающиеся детали (тормозной барабан, диск и т. д.), что позволяет устранить дефекты, которые не могут быть обнаружены другими методами. Для выполнения этой работы затрачивается значительно меньше времени и труда, так как нет необходимости снимать колеса. Недостаток уравновешивания колес на автомобиле — невозможность точного определения массы необходимого грузика.

Для обнаружения динамического неуравновешивания колес применяют специальные станки (стационарные и передвижные), например стационарные станки модели К-121 с горизонтальным положением оси вращения уравновешиваемого колеса. Динамическое уравновешивание производится при вращении вала станка с закрепленным на нем колесом. Неуравновешенная масса колеса вызывает механические колебания вала, которые после преобразования электронными устройствами, регистрируются приборами, указывающими величину неуравновешенной массы и место установки компенсационных грузиков.

Передвижные станки (рисунок 13) позволяют определить неуравновешенность колес прямо на автомобиле. Измерительный датчик этих станков представляет собой отдельный узел, устанавливаемый под переднюю подвеску автомобиля. Датчик соединен с электронным блоком. Вывешенное колесо автомобиля раскручивается шкивом приводного устройства до скорости, соответствующей обычным условиям движения. Неуравновешенная масса колеса и других вращающихся частей передает колебания на датчик. Прибор со стробоскопом определяет величину и место грузика. По такому принципу работает станок модели К-125.


Рисунок 13 – Прибор для балансировки


СПИСОК ИСПОЛЬЗОВАННЫХ ИСТОЧНИКОВ

1 Богатырев, А.В. Автомобили [Текст] : учебник для вузов / А.В. Богатырев, Ю.К. Есеновский-Лашков, М.Л. Насоновский, В.А. Чернышев. – М.: КолосС, 2005 – 496 с.

2 Власов, В.М. Техническое обслуживание и ремонт автомобилей [Текст] : учебник для учреждений СПО / В.М. Власов, С.В. Жанказиев, С.М. Круглов и др. – М.: Издательский центр «Академия», 2003. – 480 с.

3 Кузнецов, Е.С. Техническая эксплуатация автомобилей [Текст] : учебник для вузов / Е.С. Кузнецов, В.П. Воронов, А.П. Болдин и др. – М.: Транспорт, 1991. – 413 с.

4 Кузнецов, Е.С. Техническая эксплуатация автомобилей [Текст] : учебник для вузов / Е.С. Кузнецов, В.П. Воронов, А.П. Болдин и др. – М.: Транспорт, 2004. – 413 с.

5 Лудченко, А.А. Основы технического обслуживания автомобилей [Текст] : учебник для вузов / А.А. Лудченко. – Киев: Вища шк. Головное изд-во, 1987. – 399 с.


© 2012 Рефераты, доклады и дипломные работы, курсовые работы бесплатно.