рефераты
Главная

Рефераты по международному публичному праву

Рефераты по международному частному праву

Рефераты по международным отношениям

Рефераты по культуре и искусству

Рефераты по менеджменту

Рефераты по металлургии

Рефераты по муниципальному праву

Рефераты по налогообложению

Рефераты по оккультизму и уфологии

Рефераты по педагогике

Рефераты по политологии

Рефераты по праву

Биографии

Рефераты по предпринимательству

Рефераты по психологии

Рефераты по радиоэлектронике

Рефераты по риторике

Рефераты по социологии

Рефераты по статистике

Рефераты по страхованию

Рефераты по строительству

Рефераты по таможенной системе

Сочинения по литературе и русскому языку

Рефераты по теории государства и права

Рефераты по теории организации

Рефераты по теплотехнике

Рефераты по технологии

Рефераты по товароведению

Рефераты по транспорту

Рефераты по трудовому праву

Рефераты по туризму

Рефераты по уголовному праву и процессу

Рефераты по управлению

Курсовая работа: Анализ условий и организации движения на улице Речицкое Шоссе

Курсовая работа: Анализ условий и организации движения на улице Речицкое Шоссе

Анализ условий и организации движения на улице Речицкое Шоссе


1. Анализ условий и организации движения на объекте улично-дорожной сети

Объектом анализа условий и организации движения выбрана улица Речицкое Шоссе, которая пересекает улицу Косарева.

Данный участок дорожной сети проходит в месте жилой застройки. Дорога на этой улице имеет длину - 1080 метров, ширина которой - 15 метров (вблизи перекрестка 18,25 метров).

Движение по данной дороге двухстороннее, каждое направление имеет по две полосе движения (вблизи перекрестков - две полосы движения в одном направлении и три полосы движения в противоположном направлении). Проезжая часть находится в удовлетворительном состоянии.

Тротуары находятся по обе стороны проезжей части, и их ширина составляет 3 метра. Состояние тротуаров и бордюрного камня можно охарактеризовать как хорошее.

Для разделения потоков движения используется горизонтальная разметка 1.3 и 1.5 Для обозначения пешеходных переходов используется горизонтальная разметка 1.14.1 и 1.14.3 На данном участке улицы установлено 44 дорожных знака.

Для посадки-высадки пассажиров имеются остановочные пункты (4 остановочных пункта), которые не создают помех движению.

Для повышения безопасности перевозочного процесса и улучшения технического состояния дороги необходимо:

Ø  постоянно поддерживать горизонтальную разметку в надлежащем состоянии;

Ø  на перекрестке с улицей Косарева оборудовать светофорное регулирование;

Ø  укрепить дорожное полотно в районе остановок транспортных средств общего пользования и у границ перекрестков, т.к. регулярное движение транспортных средств общего пользования вызывает в этих местах образование "колеи";

План участка дороги по улице Речицкое Шоссе изображен на рисунке в Приложении А.

светофорное регулирование транспортный поток

2. Анализ интенсивности и состава транспортного потока

Под интенсивностью транспортного потока понимается число транспортных средств, проходящих через сечение дороги в единицу времени. Интенсивность движения - величина неравномерная и в пространстве (на различных дорогах или на различных участках одной и той же дороги), и во времени.

Для обоснования мероприятий по совершенствованию организации дорожного движения необходимо выявить интенсивность транспортных потоков в наиболее напряженные периоды суток.

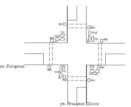
Возможные направления движения автомобилей и пешеходов на перекрестке ул. Речицкое Шоссе - ул. Косарева представлены на рисунке 2.1.

Рисунок 2.1 - Возможные направления движения автомобилей и пешеходов на перекрестке ул. Речицкое Шоссе - ул. Косарева

На этом рисунке арабскими цифрами указаны посты наблюдения на перекрестке ул. Речицкое Шоссе - ул. Косарева, на каждом из них были проведены хронометражные измерения в течении 10 минут с пятиминутным перерывом в утренний час пик. Все полученные данные сведены в таблицы 2.1 - 2.2.

Таблица 2.1 - Протокол наблюдения интенсивности транспортных потоков

Таблица 2.2 - Протокол наблюдения интенсивности пешеходных потоков

Интенсивность транспортного потока:

по главной дороге - 1221 ед/ч;

по второстепенной дороге - 624 ед/ч.

Интенсивность пешеходного потока:

по главной дороге - 522 чел/ч;

по второстепенной дороге - 192 чел/ч.

Состав транспортного потока характеризуется отношением в нем транспортных средств различного типа. Так как в транспортном потоке преобладают легковые транспортные средства (78 %), то данный транспортный поток относится к группе - преимущественно легковой поток.

3. Исследование и расчет задержек подвижного состава на перекрестке

На основе выполненных наблюдений составим таблицу задержек подвижного состава на перекрестке.

Таблица 3.1 - Протокол измерений продолжительности задержек транспортных средств

На основании данной таблицы определяется средняя задержка одного остановившегося автомобиля и условная задержка каждого проехавшего через пересечение автомобиля. Для этого рассчитываются суммарные автомобиле-секунды задержек транспортных средств на перекрестке по формуле 3.1:

 (3.1)

где  - общее число автомобилей, находившихся в очереди на проезд;

 - интервал, через который фиксируются автомобили, стоящие в очереди на проезд.

Тогда суммарные автомобиле-секунды будут равны:

Средняя величина задержки одного остановившегося автомобиля определяется по формуле 3.2:

 (3.2)

где  - суммарное количество остановившихся на перекрестке автомобилей за весь период наблюдений.

с.

Условная задержка каждого проехавшего через пересечение автомобиля определяется по формуле 3.3:

 (3.3)

где  - количество автомобилей, проехавших перекресток без остановки.

с.

Полученные результаты исследований используются для обоснования эффективности введения светофорного регулирования на перекрестке.

4. Выбор типа светофорного регулирования

По полученным в предыдущих пунктах значениям интенсивности движения транспортных средств и пешеходов проверяется необходимость введения светофорного регулирования. Светофор на перекрестке необходимо установить т.к. выполняются следующие условия:

в течение любых 8 ч. рабочего дня недели интенсивность движения по главной дороге в двух направлениях - 1221 ед/ч, по второстепенной дороге - 372 ед/ч (по нормативу по главной дороге - 900 ед/ч, по второстепенной дороге - 100 ед/ч);

в течение любых 8 ч. рабочего дня недели интенсивность движения составляет по главной дороге в двух направлениях 1239 ед/час (по нормативу по главной дороге - 900 ед/ч) и 330 пешеходов пересекают проезжую часть в одном, наиболее загруженном направлении (по нормативу 150 пешеходов) в каждый из тех же 8 ч.

определяется числом ДТП. За последние 12 месяцев на перекрестке произошло 4 ДТП, число погибших в ДТП - 1 человек, количество человек, получивших ранения в ДТП - 3 человека.

На данном перекрестке необходимо применить трех фазное светофорное регулирование (рисунок 4.1 - 4.2), т.к. интенсивность левоповоротного потока более 120 авт. /ч ( ед. /ч).

Рисунок 4.1 - Схема светофорного регулирования (фаза I)

Рисунок 4.2 - Схема светофорного регулирования (фаза II и фаза III)

Условные обозначения:


5. Расчет длительности цикла светофорного регулирования

В случае неравномерного прибытия транспортных средств к перекрестку длительность цикла регулирования можно рассчитать по формуле Вебстера:

, (5.1)

где  - величина промежуточного такта в i-ой фазе, с;

 - количество фаз светофорного регулирования;

 - фазовый коэффициент i-ой фазы.

По соображениям безопасности длительность цикла более 120 секунд считается недопустимой. В этом случае необходимо добиться снижения длительности цикла путем увеличения числа полос, запрещения отдельных маневров, снижение количества фаз регулирования. Также нецелесообразно принимать длительность цикла менее 25 секунд.

Длительность промежуточного такта должна быть достаточной, чтобы автомобиль, подходящий к перекрестку на зеленый сигнал, при смене сигнала мог либо остановиться у стоп-линии, либо покинуть пределы перекрестка. Величина промежуточного такта определяется по формуле:

 (5.2)

где  - скорость автомобиля на подходе к перекрестку, км/ч;

aT - среднее замедление транспортного средства при включении

запрещающего сигнала, принимается равным 3,5 м/с2;

 - расстояние от стоп-линии до самой дальней конфликтной точки, м;

 - габаритная длина автомобиля, принимается равной 6 м;

Длительность переходного такта проверяется на обеспечение возможности пешеходам пересечь ¼ ширины проезжей части:

 (5.3)

где  - ширина проезжей части, м;

 - скорость пешеходного потока (1,3 м/с).

В качестве промежуточного такта выбирают наибольшее значение из tпi и tпi (пш).

Фазовый коэффициент i-ой фазы регулирования равен:

, (5.4)

где  - приведенная интенсивность движения в i-м направлении, обслуживаемом в данной фазе;

 - поток насыщения, количественно представляющий собой максимальную интенсивность движения в данном направлении при включенном зеленом сигнале светофора.

Аналитически поток насыщения определяется следующим образом:

для случаев движения транспортных средств прямо, а также налево и (или) направо по одним и тем же полосам движения, если интенсивность лево - и правоповоротного потоков составляет более 10% от общей интенсивности движения в рассматриваемом направлении данной фазы, то приближенная оценка потока насыщения может быть найдена следующим образом:

, (5.5)

где  - интенсивность движения транспортных средств, соответственно, прямо, налево и направо.

для случаев движения транспортных средств только налево или направо по специально выделенным полосам:

, (5.6)

где  - радиус поворота, м;

для случаев движения в прямом направлении по дороге без продольных уклонов если выполняется равенство 5,4Впч 18 м:

Мнiпрямо =525Впч, (5.7)

где Впч - ширина проезжей части в данном направлении движения, м;

для случаев движения в прямом направлении, если Впч<5,4 тогда используется таблица зависимости потока насыщения от ширины проезжей части [1, c.11].

После расчета длительности светофорного цикла определяется длительность основных тактов всех фаз по следующей формуле:

. (5.8)

По соображениям безопасности длительность основных тактов должна быть не менее 7 секунд. Основные такты необходимо проверить на возможность пропуска пешеходов. Время необходимое для пересечения пешеходами проезжей части рассчитывается по следующей формуле:

, (5.9)

Произведем расчет потоков насыщения:

фаза 1

ед. /ч;

ед. /ч;

ед. /ч;

фаза 2

ед. /ч;

ед. /ч;

фаза 3

ед. /ч;

ед. /ч;

ед. /с

ед. /ч;

ед. /ч.

В приведенных расчетах число 1981 - поток насыщения одной полосы шириной 3,75м при движении только прямо, полученный путем интерполяции из таблицы зависимости потока насыщения от ширины проезжей части [1, с.11].

Рассчитаем фазовые коэффициенты:

фаза 1

;

;

;

фаза 2

;

;

фаза 3

;

;

;

;

.

Таким образом, фазовый коэффициент для первой фазы принимаем равным 0,146, для второй - 0,115, для третьей - 0,146.

Рассчитаем длительность промежуточного такта:

фаза 1

с; с;

фаза 2

с; с;

фаза 3

с; с;

Так как  и  то корректировка значений  требуется. В результате принимаем длительность промежуточного такта первой и третьей фаз регулирования составляет 3,6 с., а длительность промежуточного такта второй фазы составляет 3,15 с.

с.

.

Рассчитаем длительность цикла светофорного регулирования:

с.

Произведем расчет длительности основных тактов и времени необходимого для пропуска пешеходов:

фаза 1

с;

с;

фаза 2

с;

с;

фаза 3

с;

с.

Так как длительность основного такта в первой и третьей фазах существенно меньше соответствующего времени пропуска пешеходов, то необходимо произвести корректировку цикла.

Скорректируем время цикла регулирования по следующей формуле:

, (5.12)

где В = 2,5Тп - Тпун + То*+5;

А = 1 - ун;

С = (Тп - То*) (1,5Тп+5).

Далее определяют скорректированный суммарный фазовый коэффициент:

. (5.13)

Произведем корректировку:

с;

А=1 - 0,407=0,593;

;

С= (10,35+55) (1,5·10,35+5) =1341,309;

с;

Произведем поправки фазовых коэффициентов:

;

;

.

Произведем поправки времени основных тактов:

с;

с;

с.

Результаты расчетов оформляются в виде схемы пофазного разъезда (рисунок 5.2) и графика режима светофорной сигнализации (рисунок 5.3).

На рисунке 5.1 приведен пример применения средств светофорного регулирования.

Рисунок 5.1 - Пример применения средств светофорного регулирования

Рисунок 5.2 - Схема пофазного разъезда

Условные обозначения:

1п,2п,5п,6п,3п,4п,7п,8п - пешеходные светофоры;

1,2,3,4,5,6,7,8,9,10,11,12 - транспортные светофоры.

Рисунок 5.3 - График режима работы светофорной сигнализации на пересечении улицы Косарева и улицы Речицкое Шоссе


6. Обоснование экономической эффективности введения светофорного регулирования на перекрестке

6.1 Определение затрат, связанных с потерей времени транспортными средствами на нерегулируемом перекрестке

Стоимость потерь времени транспортными средствами на нерегулируемом перекрестке определяется по формуле:

, (6.1)

где  - потери времени за год транспортными средствами на нерегулируемом перекрестке, ч;

 - стоимость часа простоя автомобиля i-ой категории;

 - доля автомобилей i-ой категории в транспортном потоке.

Потери времени автомобилем за год на нерегулируемом перекрестке:

, (6.2)

где  - интенсивность движения в час пик по второстепенной дороге (в обоих направлениях), /ч;

 - средняя задержка одного автомобиля, с;

 - коэффициент неравномерности движения в течение суток.

Средняя задержка одного автомобиля проверяется по формуле:

, (6.3)

где  - интенсивность движения по главной дороге в обоих направлениях в физических единицах, авт/с;

 - граничный интервал между следующими в попутном направлении по главной дороге автомобилями, за который автомобиль, следующий по второстепенной дороге, может проехать перекресток (принимаем 9 с);

 - интенсивность движения (в среднем на одну полосу) в физических единицах по второстепенной дороге, авт/с.

Произведем расчет затрат, связанных с потерей времени транспортных средств на нерегулируемом перекрестке:

с,

 ч,

э. д. е.

6.2 Определение затрат, связанных с потерей времени транспортными средствами на регулируемом перекрестке

Стоимость потерь времени транспортными средствами на регулируемом перекрестке определяется по формуле:

, (6.4)

где  - потери времени за год транспортными средствами на регулируемом перекрестке, ч.

Потери времени автомобилем за год на регулируемом перекрестке:

, (6.5)

где  - интенсивность движения автомобилей, соответственно по главной и второстепенной дорогам, ед. /ч.

Средняя задержка одного автомобиля в i-ой фазе находится по формуле:

, (6.6)

где  - отношение длительности разрешающего сигнала к циклу;

-степень насыщения направления движения;

 - приведенная интенсивность движения автомобилей в i-ой фазе.

Средняя задержка автомобилей на регулируемом перекрестке определяется как средневзвешенная величина из рассчитанных для каждой фазы:

, (6.7)

где  - число фаз регулирования.

Произведем расчет затрат, связанных с потерей времени транспортных средств на регулируемом перекрестке:

с;

с;

с;

с.

ч,

 э. д. е.

6.3 Определение затрат, связанных с потерей времени пассажирами общественного и личного транспорта

Стоимость потерь времени пассажирами на нерегулируемом и регулируемом перекрестках определяется по формуле:

, (6.8)

где  - потери времени транспортными средствами на регулируемом и нерегулируемом перекрестках;

 - экономическая оценка одного пассажиро-часа;

 - доля автобусов и легковых автомобилей в транспортном потоке;

 - вместимость автобуса (100 чел) и легкового автомобиля (5 чел);

 - коэффициент использования вместимости автобуса (0,75) и легкового автомобиля (0,4);

Экономическую оценку одного пассажиро-часа можно определить исходя из средней заработной платы, которая составляет 998018 руб. Тогда часовая ее составляющая будет равна 998018/ (24·8) =5198 руб.

Произведем расчет затрат, связанных с потерей времени пассажиров на нерегулируемом и регулируемом перекрестках:

руб. = 1436386,4 э. д. е.

руб. = 1372764,53 э. д. е.

6.4 Определение затрат, связанных с потерей времени пешеходами на перекрестке

Стоимость потерь времени пешеходами на нерегулируемом и регулируемом перекрестках определяется по формуле:

, (6.9)

Потери времени за год на нерегулируемом перекрестке определяется по формуле:

, (6.10)

где  - среднесуточная интенсивность пересечения пешеходами, соответственно главной и второстепенной дорог;

 - средняя задержка пешехода при пересечении, соответственно главной (19 с) и второстепенной (17 с) дорог.

Потери времени за год на регулируемом перекрестке определяется по формуле:

, (6.11)

Произведем расчет затрат, связанных с потерей времени пешеходов при пересечении дороги на нерегулируемом и регулируемом перекрестках:

ч,

ч,

руб. = 23470,02 э. д. е.

руб. = 35630,89 э. д. е.

6.5 Определение ущерба от дорожно-транспортных происшествий

Ущерб от дорожно-транспортных происшествий на нерегулируемом перекрестке может быть приближенно определен из выражения:

, (6.12)

где  - количество дорожно-транспортных происшествий;

 - средняя оценка потерь в одном ДТП. По данным страховой компании 970000 руб.

Потери от ДТП после введения светофорного регулирования и установки ограждения составляет 16% от потерь на нерегулируемом перекрестке.

Рассчитаем ущерб от ДТП на нерегулируемом и регулируемом перекрестках:

руб. =1310,81 э. д. е.

руб. = 209,73 э. д. е.

6.6 Определение затрат по эксплуатации светофорного объекта

Общие затраты по эксплуатации светофорного объекта складываются:

из затрат на техобслуживание и текущий ремонт светофорного объекта

, (6.13)

где  - балансовая стоимость светофорного объекта и пешеходных ограждений (принимается 70% от стоимости установки светофора и ограждений);

 - норма отчислений на техобслуживание и текущий ремонт светофорного объекта (5%);

из затрат на электроэнергию:

, (6.14)

где  - стоимость одного киловатт-часа электроэнергии (173 руб.);

 - коэффициент использования установленной мощности светофорного объекта (принимаем 0,5);

 - установленная мощность (принимаем 60 кВт);

 - время работы светофорного объекта в течении года; (принимаем равным 6570 ч);

из амортизационных отчислений

, (6.15)

где  - норма амортизационных отчислений (12 %).

Определим затраты по эксплуатации светофорного объекта:

э. д. е.

руб. = 11,52 э. д. е.

э. д. е.

э. д. е.

6.7 Расчет показателей экономической эффективности

Для решения вопроса об экономической целесообразности введения светофорного регулирования определяют коэффициент экономический эффективности , срок окупаемости , годовой экономический эффект.

Суммарные текущие затраты до осуществления мероприятий, т.е. на нерегулируемом перекрестке, определяют по формуле:

, (6.16)

Суммарные текущие затраты после осуществления мероприятий, т.е. на регулируемом перекрестке, определяют по формуле:

, (6.17)

Годовой экономический эффект представляет собой разность затрат по двум вариантам организации движения на перекрестке:

, (6.18)

Коэффициент экономической эффективности капитальных вложений:

, (6.19)

где  - капитальные вложения в оборудование перекрестка светофорным регулированием.

Срок окупаемости капитальных затрат:

, (6.20)

Произведем расчет показателей экономической эффективности:

 э. д. е.

э. д. е.

 э. д. е.

;

года.

Так как  и , то мероприятия по вводу светофорного регулирования экономически целесообразны.


© 2012 Рефераты, доклады и дипломные работы, курсовые работы бесплатно.