рефераты
Главная

Рефераты по международному публичному праву

Рефераты по международному частному праву

Рефераты по международным отношениям

Рефераты по культуре и искусству

Рефераты по менеджменту

Рефераты по металлургии

Рефераты по муниципальному праву

Рефераты по налогообложению

Рефераты по оккультизму и уфологии

Рефераты по педагогике

Рефераты по политологии

Рефераты по праву

Биографии

Рефераты по предпринимательству

Рефераты по психологии

Рефераты по радиоэлектронике

Рефераты по риторике

Рефераты по социологии

Рефераты по статистике

Рефераты по страхованию

Рефераты по строительству

Рефераты по таможенной системе

Сочинения по литературе и русскому языку

Рефераты по теории государства и права

Рефераты по теории организации

Рефераты по теплотехнике

Рефераты по технологии

Рефераты по товароведению

Рефераты по транспорту

Рефераты по трудовому праву

Рефераты по туризму

Рефераты по уголовному праву и процессу

Рефераты по управлению

Дипломная работа: Проектирование автомобиля с бензиновым двигателем

Дипломная работа: Проектирование автомобиля с бензиновым двигателем

Федеральное агентство по образованию

Государственное образовательное учреждение

высшего профессионального образования

Ярославский государственный технический университет

Кафедра "Автомобильный транспорт"

Проектирование автомобиля с бензиновым двигателем

Расчетно-пояснительная записка к курсовому проекту

по дисциплине: " Автомобили "

ЯГТУ 190601.65-033 КП

Нормоконтролер д.т.н, профессор Б.С. Антропов

Проект выполнил

студент гр. АТ-43

К.Ю. Смородин

2007


Ярославский государственный технический университет

Кафедра "Автомобильный транспорт"

ЗАДАНИЕ по проектированию

студенту Смородину К.Ю.

факультет Автомеханический курс IV группа АТ - 43

I. Тема проекта и исходные данные

Проектирование автомобиля класса 31 с бензиновым двигателем.

Число мест – 5. Максимальная скорость движения Vmax=160 км/ч.

II.  Представить следующие материалы:

1)  текстовые

а) Расчетно- пояснительная записка:

·  компоновочная схема автомобиля

·  расчет параметров трансмиссии

·  расчет параметров двигателя

·  тяговый расчет и топливно-экономическая хар-ка

·  расчет сцепления

2)  графические

а) Компоновочная схема автомобиля

б) Схема конструкций сцеплений

в) Чертеж сцепления

г) Деталировка

III.  Рекомендуемая литература и материал:

1. Блаженов Е.И., Долецкий В.А. Основы тягового – динамического расчета автомобиля. Определение параметров двигателя: Учебное пособие -2-е изд., исправл./ЯГТУ – Ярославль, 1996 -80с

2. Осепчугов В.В., Фрумкин А.К. Автомобиль: Анализ конструкций, элементы расчета: Учебник для студентов вузов по специальности "автомобили и автомобильное хозяйство". – М. Машиностроение, 1989 – 304с.

IV.  Дата выдачи задания ___._________. 2007

V.  Срок сдачи законченного проекта___________

VI.  Отметка о явке на консультацию:

1)_________________ 2) __________________ 3)___________________

4)_________________ 5)__________________ 6)____________________

Руководитель проекта Корнев В.Д. _______

Зав. Кафедрой______________

Задание принял к исполнению "___" ________ студент___________


Дипломная работа.

Автомобиль, Определение паРаметров двс, Разгон, топливная экономичность, тормозной механизм.

Объектом исследования является легковой автомобиль среднего класса.

Цель работы - ознакомление с методикой проектирования автомобиля.

В процессе работы были произведены: расчет параметров ДВС, передаточных чисел трансмиссии и тяговой динамики автомобиля, изучение разгона и топливной экономичности автомобиля, исследование сцепления.

В результате проведенной работы был разработан современный автомобиль класса 31.

Основные конструктивные параметры максимальная скорость 160 км/ч и пассажировместимость 5 человек.

Разработано сцепление однодисковое, сухое, с гидравлическим приводом выключения.


Содержание

Введение

1. Определение исходных данных

2. Расчет параметров двигателя

3. Расчет передаточных чисел трансмиссии

4. Тяговая характеристика автомобиля

5. Тяговая динамика автомобиля

6. Разгон автомобиля

7. Характеристика топливной экономичности автомобиля

8. Проверочный (прочностной) расчет сцепления

Заключение

Список использованных источников


Введение

Автомобильный транспорт играет существенную роль в общем грузовом и пассажирообороте нашей страны. От всех других видов транспорта он выгодно отличается мобильностью и меньшими капиталовложениями в его создании.

В последнее время автомобильный транспорт достиг нового уровня развития, заключающегося в специализации подвижного состава по назначению. Это вызвано в первую очередь экономической целесообразностью. Так для перевозок пассажиров по междугородним и международным маршрутам на автомобильном транспорте целесообразно применять автомобили большого класса. На внутригородских перевозках экономически рентабельно осуществлять перевозки пассажиров на автомобилях среднего и малого класса, имеющих более экономичный расход топлива, большую скорость перевозки, более высокую маневренность.

В городских условиях автомобили малого и среднего класса уже давно стали жизненно необходимыми, для передвижения населения в нашей стране. Для эксплуатационников необходимым становится и экономичность автомобильного транспорта. Таким образом, важной проблемой стоит создание автомобилей малого класса, обладающих низким расходом топлива, хорошими эксплуатационными свойствами.


1. Определение исходных данных

Уточнение задания на тягово-динамический расчет

Тип и класс автомобиля: легковой автомобиль среднего класса (31).

Максимальная скорость движения на высшей передаче: 160 км/ч.

Тип двигателя: 4-х цилиндровый, 4-х тактный, рядный, карбюраторный.

Коробка передач: механическая четырехступенчатая;

Колесная формула: 4х2.

Количество мест в автомобиле: 5.

Максимальное сопротивление, преодолеваемое автомобилем на первой передаче – ψмах=0,27.

Коэффициент сопротивлению качению колес выбираем для сухого асфальта, то есть f0 =0,02.

Массу водителя и пассажира принимаем равной 80 кг.

Максимальная частота вращения двигателя по внешней скоростной характеристике равна номинальной частоте вращения.

Масса груза в багажнике 50 кг.

Коэффициент сцепления ведущих колес с дорогой φ=0,7.

Определение массы автомобиля, выбор размера и радиуса качения шин

Для выбора размера шины необходимо определить нагрузку, приходящуюся на одно колесо автомобиля. Исходя из исходных данных, аналогом выбираем автомобиль ГАЗ-3102. Распределение силы веса по осям для него выполняется:

на переднюю ось 52%

на заднюю ось 48%.

Полная масса автомобиля Ga автомобиля складывается из массы полезной нагрузки МГ и собственной массы автомобиля М0.

Для определения собственной массы автомобиля принимают коэффициент использования массы автомобиля ηм, для данного класса автомобиля принимаем ηм= 0,32 ([1], страница 6), следовательно,

; (1)

.

Собственная масса:

; (2)

.

Определяю нагрузку на переднюю Ga1 и заднюю Ga2 оси автомобиля:

Ga1 = 0,52∙1850∙9,81/1000 = 9,44 кН;

Ga2 = 0,48∙1850∙9,81/1000 = 8,71 кН.

Максимальная нагрузка, приходящаяся на шину:

Ра1= Ga1/2; (3)

Ра1= 9,44/2 = 4,72 кН;

Pa2= Ga2/2; (4)

Pa2=8,71 /2 = 4,355 кН.

Шины выбираем в зависимости от максимально приходящейся нагрузки на шину и по заданному внутреннему давлению в шине. Так как нагрузка на колесо передней оси больше, то по ней производим подбор шин. Примем давление в шине равное 200 кПа.

По справочнику выбираем шины: 165R15 радиальные бескамерные с допустимой нагрузкой 4,90 кН.

Статический радиус колеса:

; (5)

где d – посадочный диаметр обода;

∆ - отношение высоты Н к ширине В обода;

λсм – коэффициент, учитывающий смятие шины под нагрузкой.

;

∆=0,80 ([1], страница 8); В=165 мм.

Т.к. шины радиальные, то примем λсм=0,96 ([1], страница 5).

.

Радиус качения колеса:

; (6)

.

2. Расчет параметров двигателя

Вычисление мощности двигателя при максимальной скорости автомобиля

Максимальная мощность двигателя определяют по заданной уравнению максимальной мощности:


 (7)

где GA – вес автомобиля в снаряженном состоянии;

 – коэффициент сопротивление преодолеваемый на скорости V=160 км/ч автомобилем по прямой, без подъема;

 – коэффициент аэродинамического сопротивления, т.к. проектируемый автомобиль легковой среднего класса ([1], таблица 3);

 – лобовая площадь автомобиля;

 - КПД трансмиссии на прямой (четвертой) передаче ([1], таблица 2).

Т.к. автомобиль движется по прямой, без подъема, то коэффициент  будет равен коэффициенту сопротивления качению .

Коэффициент сопротивления качению определяется по формуле:

, (8)

где f0=0,02 – коэффициент сопротивления качению при движении со скоростью до 50 км/ч;

 - скорость автомобиля, м/сек.

.

Примем лобовую площадь автомобиля по рекомендации ([1], таблица 3) F=2,15 м² ; Тогда получаем:


=103 л.с.

На основании накопленного опыта отечественного и зарубежного двигателестроения принимаем частоту вращения коленчатого вала ДВС (nN), соответствующую, максимальной мощности nN = 4500 об/мин.

По выбранному числу оборотов nN и рассчитанной максимальной мощности ДВС определяется его рабочий объем по формуле:

 (9)

где Nеmax - максимальная мощность в л.с.;

Рф - среднее эффективное давление, бар.

Среднее эффективное давление принимают: для карбюраторных ДВС легковых автомобилей Рф =8,0 Бар.

Расчет и построение внешней скоростной характеристики двигателя

При проектировании рекомендуется один из методов расчета и воспроизведения скоростной характеристики ДВС по координатам одной точки (Nemax, nN) ( метод профессора С.Р. Лейдермана ).

Изменение мощности ДВС можно представить в виде функциональной зависимости:


 (10)

где a=b=c=1 для карбюраторных ДВС.

Наименее устойчивое число оборотов коленчатого вала двигателя (nemin) принимаем nemin =0,13nN=0,13*4500=585 об/мин.

Равномерно разбив диапазон чисел оборотов в котором работает ДВС (nemin-nemax) на 7 частей, воспроизводим всю кривую внешней скоростной характеристики.

Одновременно с мощностной характеристикой получаем характеристику изменения крутящего момента на валу ДВС (Ме), значение которого получаем по формуле, в кг*м:

 (11)

где Ne – эффективная мощность, л.с.;

ne – частота вращения коленчатого вала, соответствующая Ne.

Или, в Н*м:

 (12)

где Ne – эффективная мощность, кВт.

Расчёт заносим в таблицу 1.

Таблица 1 – Параметры внешней скоростной характеристики

Параметры Число оборотов коленчатого вала
585 1000 1500 2500 3500 4500 5500
Ne, кВт 10,98 19,78 30,92 52,58 69,24 75,90 67,57
Me, Н*м 179,28 188,90 196,86 200,83 188,90 161,06 117,32
Ne, л.с. 14,94 26,90 42,05 71,51 94,16 103,00 91,90
Me, кг*м 18,28 19,26 20,07 20,47 19,26 16,42 11,96

По данным таблицы 1 строим график внешней скоростной характеристики (рисунок 1).

Рисунок 1 – Внешняя скоростная характеристика.

3. Расчет передаточных чисел трансмиссии

Передаточное число трансмиссии автомобиля определяется выражением:

iTP=ik* io, (13)

где iK и io - передаточные числа соответственно КПП и главной передачи.

Следовательно, для определения передаточного числа трансмиссии автомобиля необходимо отдельно определить передаточное число главной передачи (io) и передаточное число коробки передач (ik).

Расчёт передаточного числа главной передачи

Передаточное главной передачи равно:

, (14)

где rk - радиус качения колеса;

nN – число оборотов вала ДВС, соответствующие максимальной мощности;

vN – скорость автомобиля, соответствующие максимальной мощности.

Расчёт передаточного числа первой передачи

Определение передаточного числа первой передачи производится по условиям:

1. Преодоление максимальных сопротивлений движению.

2. Сцепление колес с дорогой.

Выполнение первого условия обеспечивает неравенство:

, (15)

где Memax - максимальный крутящий момент на валу ДВС, определяемый по внешней скоростной характеристике; ψmax - максимальная величина коэффициента дорожного сопротивления.

При работе двигателя с полной нагрузкой можно считать, что

ηтр~χ,

где χ – коэффициент влияния нагрузки.

, (16)

где с, к, n – число пар цилиндрических, конических и количество карданов, передающих крутящий момент двигателя на ведущие колеса автомобиля.

По кинематической схеме автомобиля:

с=2; к=1; n=2,

Для легкового автомобиля примем ψmax=0,27:

Второе условие требует выполнения неравенства:

, (17)

где Gсц - вес приходящийся на ведущие колёса автомобиля;

mp - коэффициент перераспределения реакций при разгоне автомобиля.

Так как проектируемый автомобиль заднеприводной, то mp=1,2.

С учетом обоих условий примем i1=3,5 , как у аналога.

Расчёт передаточных чисел промежуточных передач

Количество ступеней (передач) в коробке передач и соотношения передаточных чисел определяют величину ускорений при разгоне автомобиля. Но главное - это использование мощности ДВС. Чем больше число ступеней, тем лучше использование мощности, но при этом увеличиваются вес и габаритные параметры коробки передач и осложняются условия управления ей. Именно поэтому количество передач в коробке принимаем равным 5. С целью лучшего использования мощности ДВС передаточные числа коробки подбирают так, чтобы разгон на каждой передаче начинать при одинаковой скорости вращения коленчатого вала ДВС и заканчивать при скорости коленчатого вала, соответствующей максимальной мощности ДВС. С учетом всех требований передаточные числа равны:

 (18)

4. Тяговая характеристика автомобиля

Тяговой характеристикой называют зависимость силы тяги от скорости автомобиля на определенной передаче при полной подаче топлива.

При движении автомобиля на первой передаче при ne=585об/мин и Мe=179,28 Н*м со скоростью:

, (19)

сила тяги будет равна:

, (20)

Расчеты скоростей движения автомобиля на передачах и величины силы тяги РТ им соответствующие сводим в таблицу 2 и строим график тяговой характеристики (рисунок 2).

Таблица 2 - Скорости движения и сила тяги на передачах

Параметры Число оборотов коленчатого вала, об/мин
585 1000 1500 2500 3500 4500 5500
Ne, кВт 10,98 19,78 30,92 52,58 69,24 75,90 67,57
Me, Н*м 179,28 188,90 196,86 200,83 188,90 161,06 117,32
V1, км/ч 6,00 10,26 15,39 25,64 35,90 46,16 56,42
V2, км/ч 9,13 15,61 23,41 39,02 54,63 70,24 85,85
V3, км/ч 13,82 23,62 35,43 59,05 82,67 106,29 129,91
V4, км/ч 21,00 35,90 53,85 89,75 125,65 161,56 197,46
Pт1, Н; η1=0,9 5379,74 5668,46 5907,14 6026,47 5668,46 4833,11 3520,42
Pт2, Н; η1=0,91 3574,54 3766,38 3924,96 4004,26 3766,38 3211,33 2339,12
Pт3, Н; η1=0,92 2388,26 2516,44 2622,39 2675,37 2516,44 2145,59 1562,84
Pт4, Н; η1=0,93 1588,30 1673,55 1744,01 1779,24 1673,55 1426,92 1039,36

Длины шкал чисел оборотов при движении на третьей, второй и первой передачах соответственно равны:

;;; (21)

Рисунок 2 – Скоростные характеристика тяговой силы.

5. Тяговая динамика автомобиля

Силовой баланс автомобиля

Уравнение силового баланса имеет вид:

 (22)

При движении автомобиля без ускорения:


 (23)

Сила сопротивления дороги равна:

 (24)

Примем, что автомобиль движется по ровной дороги (i=0).

Зависимость силы дорожного сопротивления от скорости представлена в таблице 3.

Сила сопротивления воздуха равна

 (25)

Зависимость силы сопротивления воздуха от скорости представлена в таблице 3.

Таблица 3 - Зависимость силы дорожного сопротивления и сила сопротивления воздуха от скорости

V, км/ч 21,00 35,90 53,85 89,75 125,65 161,56 197,46
ν, м/c 5,83 9,97 14,96 24,93 34,90 44,88 54,85
Pд, Н 371,21 387,04 417,12 513,38 657,77 850,30 1090,95
Pв, Н 10,94 31,97 71,94 199,84 391,69 647,49 967,24
ΣP, Н 382,15 419,01 489,06 713,22 1049,46 1497,79 2058,19

Силовой баланс автомобиля приведен на рисунке 3.


Рисунок 3 – Силовой баланс автомобиля.

Мощностной баланс автомобиля

Мощностной баланс автомобиля на высшей передачи

Уравнение мощностного баланса можно записать следующим образом:

 (26)

где Nк – мощность, затрачиваемая на преодоление сил сопротивления качению; NП – мощность, затрачиваемая на преодоление подъёма; Nв – мощность, затрачиваемая на преодоление сил сопротивления воздуха. NИ – мощность, затрачиваемая на преодоление сил инерции.

При движении автомобили по ровной дороге NП =0; NД =Nк.

Мощность, затрачиваемая на преодоление сопротивления дороги:

. (27)

 (28)

Зависимость мощности, затрачиваемой на преодоление сопротивления дороги, от скорости приведена в таблице 4.

Мощность, затрачиваемая на преодоление сил сопротивления воздуха:

 (29)

Тяговая мощность автомобиля:

 (30)

Зависимости мощности, затрачиваемой на преодоление сопротивления дороги, на преодоление сил сопротивления воздуха, тяговой мощности автомобиля от скорости приведена в таблице 4.

Таблица 4 – Мощности автомобиля

V, км/ч 21,00 35,90 53,85 89,75 125,65 161,56 197,46
ν, м/c 5,83 9,97 14,96 24,93 34,90 44,88 54,85
Nд, кВт 2,17 3,86 6,24 12,80 22,96 38,16 59,84
Nв, кВт 0,06 0,32 1,08 4,98 13,67 29,06 53,05
Nт, кВт 10,21 18,40 28,76 48,90 64,39 70,59 62,84
Nд+Nв, кВт 2,23 4,18 7,32 17,78 36,63 67,22 112,89

На рисунке 4 представлен мощностной баланс на высшей передаче.

Мощностной баланс автомобиля на всех передачах.

Мощностной баланс на всех передачах обычно используем для деления степени использования мощности при движении на разных передачах по дорогам разных типов с различными скоростями. На рисунке 4 представлен мощностной баланс для всех передач.

Рисунок 4 – Мощностной баланс на высшей передаче.

Рисунок 5 – Мощностной баланс для всех передач


Динамическая характеристика

Зависимость динамического фактора автомобиля с полной нагрузкой Да от скорости его движения на разных передачах называют динамической характеристикой автомобиля.

 (31)

Для построения динамической характеристики используются данные из силового баланса автомобиля.

Данные для построения динамической характеристики сведены в таблицу 5.

Таблица 5 –Данные для построения динамической характеристики

V1, км/ч 6,00 10,26 15,39 25,64 35,90 46,16 56,42
РТ1, Н 5379,74 5668,46 5907,14 6026,47 5668,46 4833,11 3520,42
РВ1, Н 0,89 2,61 5,87 16,31 31,97 52,86 78,96
Д 0,2964 0,3122 0,3252 0,3312 0,3106 0,2634 0,1896
V2, км/ч 9,13 15,61 23,41 39,02 54,63 70,24 85,85
РТ2, Н 3574,54 3766,38 3924,96 4004,26 3766,38 3211,33 2339,12
РВ2, Н 2,07 6,04 13,60 37,78 74,04 122,40 182,84
Д 0,1968 0,2072 0,2155 0,2186 0,2035 0,1702 0,1188
V3, км/ч 13,82 23,62 35,43 59,05 82,67 106,29 129,91
РТ3, Н 2388,26 2516,44 2622,39 2675,37 2516,44 2145,59 1562,84
РВ3, Н 4,74 13,84 31,14 86,50 169,53 280,25 418,64
Д 0,1313 0,1379 0,1428 0,1426 0,1293 0,1028 0,0630
V4, км/ч 21,00 35,90 53,85 89,75 125,65 161,56 197,46
РТ4, Н 1588,30 1673,55 1744,01 1779,24 1673,55 1426,92 1039,36
РВ4, Н 10,94 31,97 71,94 199,84 391,69 647,49 967,24
Д 0,0869 0,0905 0,0921 0,0870 0,0706 0,0429 0,0040

Поскольку динамический фактор при полной нагрузке автомобиля Д определяется отношением свободной силы тяги, т.е. разности (РТ - РВ) к полному весу автомобиля Gа , то очевидно, что характер изменения кривых на графике будет иметь такой же вид, как и тяговая характеристика (смотри рисунок 2).

Рисунок 6 – Динамическая характеристика и баланс

6. Разгон автомобиля

Построение графика ускорения

Ускорение при разгоне определяют для случая движения автомобиля по горизонтальной дороге с твердым покрытием хорошего качества при максимальном использовании мощности двигателя и отсутствии буксования ведущих колес. Величину ускорения (в м/с2) находим по формуле:

 (32)

Наметив на графике динамической характеристики для каждой передачи семь значений скорости, находим соответствующие им значения Д и по приведенной формуле определяем ускорения j.

Коэффициент влияния вращающихся масс (δвр) следует рассчитывать по эмпирической формуле:

 (33)

где iк – передаточное число соответствующей передачи коробки передач.

Примем δ1 = 0,03; δ2 = 0,04 (по рекомендациям), Ga=G.

Результаты расчета сводят в таблицу 6. По полученным расчетом значениям ускорения и скорости строят график.  (смотри рисунок 7) при разгоне.

Рисунок 7 – График ускорений

Таблица 6 – Результаты расчета характеристик разгона

Первая передача
V1, км/ч 6,00 10,26 15,39 25,64 35,90 46,16 56,42
V1, м/с 1,67 2,85 4,27 7,12 9,97 12,82 15,67
Д 0,2964 0,3122 0,3252 0,3312 0,3106 0,2634 0,1896
f 0,0200 0,0201 0,0202 0,0207 0,0213 0,0222 0,0233
δвр 1,520
j1, м/с² 1,783 1,884 1,967 2,003 1,866 1,556 1,073
Вторая передача
V2, км/ч 9,13 15,61 23,41 39,02 54,63 70,24 85,85
V2, м/с 2,54 4,34 6,50 10,84 15,18 19,51 23,85
Д 0,1968 0,2072 0,2155 0,2186 0,2035 0,1702 0,1188
f 0,0201 0,0203 0,0206 0,0216 0,0231 0,0251 0,0276
δвр 1,242
j2, м/с² 1,396 1,477 1,540 1,556 1,425 1,146 0,721
Третья передача
V3, км/ч 13,82 23,62 35,43 59,05 82,67 106,29 129,91
V3, м/с 3,84 6,56 9,84 16,40 22,96 29,52 36,09
Д 0,1313 0,1379 0,1428 0,1426 0,1293 0,1028 0,0630
f 0,0202 0,0206 0,0213 0,0236 0,0270 0,0316 0,0374
δвр 1,122
j3, м/с² 0,971 1,025 1,061 1,040 0,894 0,622 0,224
Четвертая передача
V4, км/ч 21,00 35,90 53,85 89,75 125,65 161,56 197,46
V4, м/с 5,83 9,97 14,96 24,93 34,90 44,88 54,85
Д 0,0869 0,0905 0,0921 0,0870 0,0706 0,0429 0,0040
f 0,0205 0,0213 0,0230 0,0283 0,0362 0,0469 0,0601
δвр 1,070
j4, м/с² 0,609 0,634 0,634 0,538 0,315 -0,036 -0,515

Время и путь разгона

Поскольку отсутствует аналитическая связь между ускорением и скоростью, то время разгона определяют графоаналитическим путем.

Для этого на графике ускорений (рисунок 7) скорость для каждой кривой ускорений соответствующей передачи (например I), разбиваем на 7 интервалов. При этом считаем, что разгон в каждом (j-ом) интервале, например для первой передачи происходит с одинаковым ускорением jср..

Среднее ускорение в интервалах

 (34)


Определим приращение скоростей на интервалах:

Вычислим  на интервале:

. (35)

Определим время разгона до каждой расчётной скорости:

 

По величинам времени, определенным для каждого интервала скорости каждой передачи вычерчивают график времени разгона.

Принимаем время переключения передачи tп=0,35с. Скорость автомобиля во время переключения передач уменьшается на величину:

VП = 9,3ψ x tП, м/с. (36)

При скоростях:

 

При построении графика пути разгона условно считают, что в каждом интервале скоростей (выполненное раннее деление ускорений при движении автомобиля на разных передачах на интервалы сохраняется) автомобиль движется равномерно со средней скоростью Vcp:

двигатель трансмиссия разгон сцепление


. (37)

Приращение пути (в м) в каждом из интервалов скоростей будет составлять:

. (38)

Путь, пройденный автомобилем за время переключения передач, определяют по формуле:

, (39)

где Vп – средняя скорость автомобиля за время переключения передач, м/с. Vп определяют по формуле:

, м/с,

где Vн – начальная скорость переключения передач, определяется по графику ускорений;

Vк – конечная скорость переключения передач, определяется по формуле:

;

Скорость в конце переключения передач:

с первой на вторую:

со второй на третью:

с третьей на четвёртую:

Путь за время переключения равен:

Результаты расчетов параметров разгона автомобиля сводим в таблицу 7. На рисунке 8 построены графики времени и пути разгона.

Рисунок 8 – График времени и пути разгона.

Таблица 7 – Результаты расчета времени и пути разгона.

V, м/с j, м/с² jср, м/с² ΔV, м/с Δt, с t,с Vср, м/с ΔS, м S, м
1,667 1,783       0     0
    1,834 1,182 0,645 0,645 2,258 1,456 1,456
2,849 1,884              
    1,926 1,425 0,740 1,385 3,562 4,931 6,388
4,274 1,967              
    1,985 2,849 1,435 2,820 5,699 16,069 22,457
7,123 2,003              
    1,935 2,849 1,473 4,293 8,548 36,693 59,150
9,973 1,866              
    1,711 2,849 1,665 5,958 11,397 67,902 127,052
12,822 1,556              
    1,315 2,849 2,167 8,125 14,247 115,753 242,804
15,671 1,073              
    1,110 3,840 3,461 11,585 17,591 203,805 446,609
19,512 1,146              
    0,933 4,336 4,645 16,231 21,680 351,873 798,482
23,848 0,721              
    0,671 5,677 8,458 24,689 26,686 658,837 1457,319
29,524 0,622              
    0,423 6,561 15,508 40,197 32,805 1318,630 2775,949
36,085 0,224              
    0,112 8,359 74,502 114,698 40,265 4618,295 7394,244
44,444 0              

Для характеристики свойств автомобиля во время обгона и параметров, характеризующих обгон, строят график интенсивности разгона в координатах время разгона (t) ÷ путь разгона (S)(рисунок 9).

Рисунок 9 – График интенсивности разгона.


7. Характеристика топливной экономичности автомобиля

1. Диапазон скоростей на внешней скоростной характеристике от Vmin до Vmax делят на 7 интервалов.

2. Задаемся несколькими значениями ψ: ψ=0,052; ψ=0,065; ψ=0,075.

3. Рассчитывают NД для разных значений ψ и скорости (с учетом ее деления на интервалы):

при ;

4. Рассчитывают Nв(см. выше):

 кВт;

5. Рассчитывают NД + NВ для разных ψ:

при ;;.

Все рассчитанные данные сведены в таблицу 9.

Таблица 9 – Результаты расчета

V, км/ч 21,00 35,90 53,85 89,75 125,65 161,56 197,46
V, м/с 5,83 9,97 14,96 24,93 34,90 44,87 54,85
Nд1, кВт 5,506 9,411 14,117 23,528 32,940 42,345 51,763
Nд2, кВт 6,882 11,764 17,646 29,410 41,175 52,931 64,704
Nд3, кВт 7,941 13,574 20,361 33,935 47,509 61,074 74,658
Nв, кВт 0,064 0,319 1,076 4,982 13,672 29,057 53,052
Nт, кВт 10,214 18,397 28,758 48,898 64,390 70,587 62,841
Nд1+ Nв, кВт 5,569 9,730 15,193 28,511 46,611 71,402 104,815
Nд2+Nв, кВт 6,946 12,083 18,722 34,393 54,846 81,988 117,756
Nд3+ Nв, кВт 8,005 13,893 21,437 38,918 61,181 90,131 127,711

На внешней скоростной характеристике вычерчивают положение кривых NДi + NB для каждого значения ψ (ψ1; ψ2; ψ3).

6. Для каждого значения скорость (Vmin, V1, Vmax) определяем отношение  равные  и для каждого отношения определяем Kne (рисунок 10).

7. Для каждого значения скорости (Vmin, V1 Vmax) определяем отношение  и по полученному Ni определяем Ku.

Рисунок 10 а. - График изменения коэффициента Ku; б - график изменения коэффициента Kne.

8. Подставляют полученные цифровые значения Kne, Ku, gN, ρT, ηTP, PД и PВ в выражение для определения удельного путевого расхода

, (40)

gN=330 г/кВт*ч


определяем qП в л/100км для каждого значения ψ (ψ1 : ψ2 : ψ3) и строим кривые qП для ψ1, ψ2 и ψ3.(рисунок 11 )

Все данные для построения сведены в таблицу 10

Таблица 10 – Результаты расчета топливно-экономической характеристики

V, км/ч 21,002 35,901 53,852 89,753 125,655 160
Vi/Vn 0,130 0,222 0,333 0,556 0,778 0,990
Kne 1,150 1,100 1,050 0,970 0,950 1,025
И1 0,545 0,529 0,528 0,583 0,724 1,000
И2 0,680 0,657 0,651 0,703 0,852 1,000
И3 0,784 0,755 0,745 0,796 0,950 1,000
Ки1 0,925 0,925 0,925 0,950 0,875 1,000
Ки2 0,900 0,900 0,900 0,875 0,900 1,000
Ки3 0,900 0,900 0,900 0,850 0,950 1,000
qП1, л/100км 13,527 13,223 13,139 13,105 14,786 21,811
qП2, л/100км 16,414 15,977 15,754 15,595 17,895 25,032
qП3, л/100км 18,915 18,370 18,038 17,973 21,071 27,510

Показателем топливной экономичности автомобиля служит минимальный путевой расход топлива, соответствующий скорости υэк при испытаниях автомобиля с полной нагрузкой на горизонтальном участке дороги с твердым покрытием. Указываемый в технических характеристиках автомобилей контрольный расход топлива практически мало отличается от минимального расхода. На рисунке 11 приведена топливно-экономическая характеристика автомобиля.


Рисунок 11 – Топливно-экономическая характеристика автомобиля

8. Проверочный (прочностной) расчет сцепления

Описание основных видов сцепления

Назначение сцепления - разъединять двигатель и коробку передач во время переключения передач и вновь плавно соединять их, не допуская резкого приложения нагрузки, а также обеспечивать плавное трогание автомобиля с места и его остановку без остановки двигателя. При резком торможении без выключения сцепления оно, пробуксовывая, предохраняет трансмиссию от перегрузок инерционным моментом. Во включенном состоянии сцепление должно надежно соединять двигатель с трансмиссией, не пробуксовывая. При анализе и оценке конструкций сцеплений, как и других механизмов, следует руководствоваться предъявляемыми к ним требованиями:

1  надежная передача крутящего момента от двигателя к трансмиссии; плавность и полнота включения; чистота выключения;

2  минимальный момент инерции ведомых элементов;

3  хороший отвод теплоты от поверхностей трения;

4  предохранение трансмиссии от динамических нагрузок;

5  поддержание нажимного усилия в заданных пределах в процессе эксплуатации;

6  минимальные затраты физических усилий на управление;

7  хорошая уравновешенность.

Кроме того, к сцеплению, как и ко всем механизмам автомобиля, предъявляют такие общие требования: обеспечение минимальных размеров и массы, простота устройства и обслуживания, технологичность, ремонтопригодность, низкий уровень шума. Классификация сцеплений приведена на схеме (рисунок 12). На большинстве автомобилей устанавливают постоянно замкнутые сцепления, т. е. постоянно включенные и выключаемые водителем при трогании, переключении передач и торможении. Постоянно разомкнутые сцепления, выключенные при малой угловой скорости коленчатого вала двигателя и автоматически включающиеся при ее увеличении, применяются сравнительно редко, главным образом при автоматическом управлении. На легковых автомобилях и грузовых автомобилях малой и средней грузоподъемности устанавливаются однодисковые сухие сцепления. Двухдисковые сцепления применяют для грузовых автомобилей повышенной грузоподъемности (КамАЗ, КрАЗ, МАЗ), но иногда с целью упрощения конструкции и для них используют однодисковое сцепление ("Магирус-290"). Многодисковые сцепления применяются крайне редко и только на автомоби-лях большой грузоподъемности.


Рисунок 12 - Классификация сцеплений

Гидравлические сцепления (гидромуфты) применялись на отечественных автомобилях ЗИМ (ГАЗ-12) и МАЗ-525. В настоящее время гидромуфты в качестве отдельного агрегата не применяют. В некоторых гидромеханических передачах в определенных условиях гидротрансформатор переходит на режим гидромуфты.

Электромагнитные порошковые сцепления и сцепления с электромагнитным созданием нажимного усилия в 40—50-е годы получили некоторое применение благодаря хорошей приспособленности к автоматизации управления. Однако широкого распространения, так же как и автоматические сцепления других типов, они не получили, что главным образом обусловлено их сложностью. В нашей стране электромагнитные порошковые сцепления устанавливались на автомобилях ЗАЗ для инвалидов.

Для грузовых автомобилей малой и средней грузоподъемности используют механический или гидравлический привод, иногда с сервопружиной. На грузовых автомобилях большой грузоподъемности устанавливают комбинированный привод: механический с пневмоусилителем (МАЗ) или гидравлический с пневмоусилителем.

Расчет сцепления легкового автомобиля

Выбор вида сцепления

В процессе курсового проекта требуется спроектировать сцепление для установки на легковой автомобиль среднего класса. В качестве прототипа конструкции принимаем фрикционное сцепление, которое отличается от других типов сцеплений простотой конструкции, надежностью, "чистотой" выключения и плавностью включения, а также удобством при эксплуатации и ремонте. Схема сцепления приведена на рисунке 13.

Рисунок 13 – Схема сцепления

Для поддержания нажимного усилия, которое должно равномерно распределяться по нажимному диску, в сцеплении используем периферийные двойные цилиндрические пружины. Двойные цилиндрические пружины имеют предпочтительное применение, т.к. для размещения одиночной пружины малой жесткости, обеспечивающей требуемое нажимное усилие, необходимо значительно увеличить размеры сцепления. А для проектируемого нами легкового автомобиля это не приемлемо.


Надежная передача крутящего момента от двигателя к трансмиссии

Сцепление автомобиля должно обеспечивать возможность передачи крутящего момента, превышающего крутящий момент двигателя. При износе фрикционных пар, когда сила нажатия пружины ослабевает, сцепление может пробуксовывать. Длительное пробуксовывание сцепления приводит к выводу его из строя.

Максимальный момент, передаваемый сцеплением:

, (41)

где  – максимальный крутящий момент двигателя;

 – коэффициент запаса.

.

Расчет двойной цилиндрической пружины

Размеры наружного D и внутреннего d диаметров ведомого диска примем как у прототипа cцепления (ГАЗ-3102 D=225мм, и d= 150мм)

Усилие пружины:

 , (42)

где  - усилия первой и второй пружины соответственно.

, , (43)


где - напряжение цилиндрической пружины (принимаем согласно рекомендации ([2], страница 50) =700 МПа);

- диаметр проволоки (принимаем как у аналога =3 мм);

,  - средний диаметр витка первой и второй пружины соответственно (примем как у аналога = 28,5 мм, = 22,5 мм).

,

,

Остальные параметры пружины принимаем как у аналога. Коэффициент жесткости cпр = 6,2+10,7 Н/мм; число рабочих витков nр.в. = 7+9,5. Количество двойных пружин zпр = 9.

Расчёт фрикционного диска

Давление:

, (44)

Допустимое давление [P0] = 0,25 для легковых автомобилей ([2], страница 52)

Пружины гасителя крутильных колебаний

Выбираем 6 пружин гасителя колебаний (ZПР.Г). Параметры пружины: диаметр проволоки dПР = 4 мм. Средний диаметр витка: ДВ = 16 мм. Полное число витков – 6.

Максимальное усилие сжимающее одну пружину гасителя:

, (45)

где rпр г – радиус приложения усилия пружине (принимаем 1,7 мм).

.

Коэффициент:

, (46)

,

Коэффициент, учитывающий кривизну витка пружины:

, (47)

Напряжение пружины:

, (48)

,

Допустимое напряжение пружины .

Расчет ступицы ведомого диска

Шлицы испытывают смятие и изгиб.

Напряжение смятия:

, (49)

где  – длина шлицев; *  - число шлицев;  – коэффициент точности прилегания шлицев, dH и dB— соответственно наружный и внутренний диаметр шлицев.

Принимаем dH =26 мм и dB =18 мм, =46 мм, *=12.

МПа. <[]

Допустимое напряжение смятия []=15 МПа. ([2], страница 53)

Напряжение среза:

, (50)

где  – ширина шлица.

<[]

Допустимое напряжение среза []=15 МПа ([2], страница 53)

Расчет работы буксования сцепления

Работа буксования сцепления:


, (51)

где  – момент сопротивления движению при трогании, приведенный к ведущему валу коробки передач;  – момент инерции автомобиля (автопоезда), приведенный к ведущему валу коробки передач;  – для карбюраторных двигателей; b=1,23 – для карбюраторных двигателей.

Для легковых автомобилей расчет производится на первой передаче.

 (52)

где rД – динамический радиус колеса (принимаем rД = rК = 304,5 мм);

iТР - передаточное число трансмиссии;

iТР = iТР * i0, (53)

iТР = 3,5*3,223=11,2805.

, (54)

где δ-коэффициент, учитывающий вращающиеся массы автомобиля.

 (55)

;

;

Удельная работа буксования сцепления:

 , (56)

где FHC – суммарная площадь накладок сцепления (примем 500 см²)

;

Допустимая удельная работа буксования:

Нагрев деталей сцепления

Чрезмерный нагрев деталей сцепления при буксовании может вывести его из строя.

Нагрев деталей сцепления за одно включение при трогании с места:

, (57)

где γ- коэффициент перераспределения теплоты между деталями; Сдет – теплоемкость детали; Mдет – масса детали.


;

Расчет привода сцепления

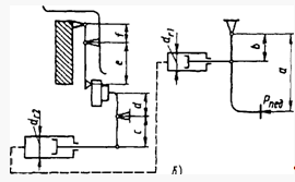
Выбираю гидравлический привод сцепления. Схема гидравлического привода приведена на рисунке 16 .

Рисунок 14 - Схема гидравлического привода сцепления.

Принимаем размеры f и e равными 20 мм и 70 мм соответственно. Вычислим передаточное отношение рычагов выключения сцепления:

, (58)

где U2 – передаточное число рычагов выключения сцепления.

Вычислим передаточное отношение педального привода, т.е. предварительно приняв общее передаточное число равным 50.

; (59)

Исходя из условия обеспечения требуемого передаточного отношения педального привода, примем размер a,c,d равными 170мм, 110мм, 60 мм соответственно, а также диаметры рабочего dг2 = 25,1 мм и главного цилиндра dг1 = 22,2 мм

Вычисляем значение размера b:

; (60)

Вычислим ход педали:

; (61)

где s = 1,5 мм – величина отвода нажимного диска;

Δ2 =4 - зазор между рычагами сцепления и выжимного подшипника.

.

Вычислим усилие на педаль:

; (62)


где Rср – средний радиус диска,

ηПС – КПД привода сцепления (принимаем 0,9)

μ – коэффициент трения. (μ=0,4)

i – число пар трения. (i=2)

; (63)

 для легковых автомобилей. ([2], страница 44).

Таким образом мы спроектировали сцепление и привод сцепления, отвечающие основным требованиям:

надежная передача крутящего момента от двигателя к трансмиссии; плавность и полнота включения; чистота выключения;

минимальный момент инерции ведомых элементов;

хороший отвод теплоты от поверхностей трения;

предохранение трансмиссии от динамических нагрузок;

поддержание нажимного усилия в заданных пределах в процессе эксплуатации;

минимальные затраты физических усилий на управление;

хорошая уравновешенность.

Кроме того, выполняется и такие требования как обеспечение минимальных размеров и массы, простота устройства и обслуживания, технологичность, ремонтопригодность, низкий уровень шума.


Заключение

Техническая характеристика автомобиля

1.

Полная масса автомобиля, кг

В том числе на переднюю ось

- на заднюю

1850

962

888

2. Собственная масса автомобиля, кг 1400
3.

Полный вес автомобиля, Н

В том числе на переднюю ось

- на заднюю

18148,5

9440

8708,5

4. Длина автомобиля, мм 4960
5. Ширина, мм 1820
6. Максимальная мощность двигателя, кВт (л.с.) 75,9 (103)
7. Частота вращения коленчатого вала при максимальной мощности, об/мин 4500
8. Максимальный крутящий момент, Н*м 200,83
9. Частота вращения коленчатого вала при максимальном крутящем моменте, об/мин 2500
10. Рабочий объем двигателя, л 2,5
11. Размер шин 165 R15
12.

Давление воздуха в шинах, кПа:

передней оси.

- задней оси

200

200

13.

Передаточные числа основной коробки передач:

1-я передача

2-я передача

3-я передача

4-я передача

3,5

2,3

1,52

1

14. Передаточное число главной передачи 3,223
15. Удельная мощность двигателя автомобиля, кВт/т. 41,03
16.

Время разгона автомобиля до скорости, с:

80

100 км/ч

14

22

17. Максимальная скорость автомобиля, км/ч 160
18. Контрольный расход топлива, л/100км 13

Список использованных источников

1. Блаженнов Е.И., Долецкий В.А. Основы тягового – динамического расчета автомобиля. Определение параметров двигателя: Учебное пособие -2-е изд., исправл./ЯГТУ – Ярославль, 1996 -80с

2. Осепчугов В.В., Фрумкин А.К. Автомобиль: Анализ конструкций, элементы расчета: Учебник для студентов вузов по специальности "автомобили и автомобильное хозяйство". – М. Машиностроение, 1989 – 304с.

3. Королёв В. А. Автомобили: методические указания по выполнению курсового проекта для специальностей 150200 – "Автомобили и автомобильное хозяйство": Ярославль 1999 г. 17 с.

4. Конструирование и расчёт автомобиля: Учебник для студентов вузов, обучающихся по специальности "Автомобили и транспорт" - М.: Машиностроение 1984 г. 376 с.

5. Бухарин Н. А., Щукин М. М. Автомобили. Конструкция, нагрузочные режимы, рабочие процессы, прочность агрегатов автомобиля. Учебное пособие для вузов. М.: Машиностроение, 1973 г. 504 с.


© 2012 Рефераты, доклады и дипломные работы, курсовые работы бесплатно.