рефераты
Главная

Рефераты по международному публичному праву

Рефераты по международному частному праву

Рефераты по международным отношениям

Рефераты по культуре и искусству

Рефераты по менеджменту

Рефераты по металлургии

Рефераты по муниципальному праву

Рефераты по налогообложению

Рефераты по оккультизму и уфологии

Рефераты по педагогике

Рефераты по политологии

Рефераты по праву

Биографии

Рефераты по предпринимательству

Рефераты по психологии

Рефераты по радиоэлектронике

Рефераты по риторике

Рефераты по социологии

Рефераты по статистике

Рефераты по страхованию

Рефераты по строительству

Рефераты по таможенной системе

Сочинения по литературе и русскому языку

Рефераты по теории государства и права

Рефераты по теории организации

Рефераты по теплотехнике

Рефераты по технологии

Рефераты по товароведению

Рефераты по транспорту

Рефераты по трудовому праву

Рефераты по туризму

Рефераты по уголовному праву и процессу

Рефераты по управлению

Лабораторная работа: Разработка технологической операции механической обработки детали на токарном станке с ЧПУ 16Б16Т1

Лабораторная работа: Разработка технологической операции механической обработки детали на токарном станке с ЧПУ 16Б16Т1

Лабораторная работа №1

Разработка технологической операции механической обработки детали на токарном станке с ЧПУ 16Б16Т1

Цель работы: приобретение практических навыков назначения режимов резания, механической обработки детали и составлении программы для изготовления детали на токарном станке с ЧПУ 16Б16Т1.

Исходные данные:

Вариант №6.

Материал заготовки – Чугун СЧ 20.

режим резание деталь инструмент

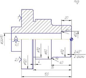
Рисунок 1.1. Чертеж детали

Ход работы:

Материал заготовки СЧ20 (технологичный материал, обладающий высокими литейными свойствами – хорошей жидкотекучестью, малой склонностью к усадке, НВ=170). Выбираем вид заготовки – отливка, получаемая литьем в кокиль (предполагая, что производство крупносерийное). Экономический эффект достигается благодаря устранению формовочной смеси, повышению качества отливок, их точности, уменьшению припусков на обработку, снижению трудоемкости очистки отливок.

Общий припуск на сторону элементов отливки в данном случае принимаем 1,5 мм. Ввиду незначительной экономии материала и с целью упрощения конструкции кокиля, получаем заготовку без отверстия.

Методом литья в кокиль обеспечивается точность порядка 15-го квалитета, высота неровностей профиля не более Rz 80 мкм.

Для обработки поверхностей втулки составим последовательность переходов с назначением режущих инструментов:

1) Сверлить отверстие диаметром 22 мм, так как в сплошном металле получить отверстие другим способом невозможно. Инструмент Т1 – сверло диаметром 22 мм (ГОСТ 886–67). Материал режущей части сверла – быстрорежущая сталь нормальной производительности Р6М5 (для обработки чугунов НВ<220).

С помощью таблиц точности обработки установили: обеспечиваемый квалитет допуска размера – 12, высота неровностей профиля Rz 40 мкм. Для достижения требуемого10-го квалитета точности применим черновое зенкерование.

Произведем расчет режимов резания при сверлении.

Глубина резания:

Выбираем подачу, максимально допустимую по прочности сверла:

Скорость резания:

V=Cv Dq Kv/(Tm sy)=17,1∙220,25∙1,15/(1000,125∙10,4)=23,9 м/мин.


Значения коэффициентов Сv и показателей степени приведены для сверления в [1], табл. 28.

Общий поправочный коэффициент на скорость резания, учитывающий фактические условия резания:

Кv = Кмv Киv Кlv=1,15,

где Кмv =(190/170)1,3 =1,15коэффициент на обрабатываемый материал (см. табл. 1–4);

Киv=1 – коэффициент на инструментальный материал (см. [1], табл. 6)

Кlv=1 – коэффициент, учитывающий глубину сверления ([1], табл. 31).

Частота вращения шпинделя:

n=1000v/(пD)=1000∙23,9/(3,14∙22)=346 мин -1.

Принимаем n=355 мин -1, ближайшую частоту по станку.

2) Зенкеровать диаметром 24 мм. Инструмент Т2 – зенкеп диаметром 24 мм (ГОСТ 12489–71). Материал режущей части сверла – быстрорежущая сталь нормальной производительности Р6М5 (для обработки чугунов НВ<220).

С помощью таблиц точности обработки установили: обеспечиваемый квалитет допуска размера – 10, высота неровностей профиля Rz 40 мкм.

Произведем расчет режимов резания при сверлении.

Глубина резания:

t=1 мм

Выбираем подачу, максимально допустимую по прочности зенкера:

Скорость резания:

V=Cv Dq Kv/(Tm tx sy)=17,1∙240,25∙1,15/(750,12510,1 ∙10,5)=25,4 м/мин.


Значения коэффициентов Сv и показателей степени приведены для сверления в [1], табл. 28.

Общий поправочный коэффициент на скорость резания, учитывающий фактические условия резания:

Кv = Кмv Киv Кlv=1,15;

где Кмv =(190/170)1,3 =1,15коэффициент на обрабатываемый материал (см. табл. 1–4);

Киv=1 – коэффициент на инструментальный материал (см. [1], табл. 6)

Кlv=1 – коэффициент, учитывающий глубину сверления ([1], табл. 31).

Частота вращения шпинделя:

n=1000v/(пD)=1000∙25,4/(3,14∙24)=337 мин -1.

Принимаем n=355 мин -1, ближайшую частоту по станку.

3) Обточить поверхности наружного контура. Инструмент Т3 – проходной резец (ГОСТ 24996–81). Выбираем отогнутый проходной резец вследствие его повышенной жесткости и возможности вести не только обтачивание поверху, но и подрезку торцов и снятие фасок.

Главный угол в плане выбираем таким образом, чтобы инструмент имел возможность вести обработку в нескольких направлениях. Это обеспечивает ему универсальность, и как следствие сокращение числа необходимого инструмента.

Выбираем марку твердого сплава для ВК8 для черновой обработки (обрабатываемый материал серый чугун, НВ<240).

С помощью таблиц точности обработки установили: черновым точением обеспечивается квалитет допуска 14 и высота неровностей профиля Rz 40, следовательно для обеспечения точности наружной поверхности втулки достаточно однократного чернового прохода.

Произведем расчет режимов резания при черновом точении.

Глубину резания принимаем равной величине припуска на обработку:

.

Подача s: при черновом точении принимается максимально допустимой по мощности оборудования, жесткости системы, прочности режущей пластины и прочности державки. Рекомендуемые подачи при черновом наружном точении приведены в [1], табл. 11:

Скорость резания v, м/мин, при наружном точении:

V=Cv∙Kv /(Tm tx sy)=292∙1∙/(400,15 1,50,2 0,60,2)=171,48 м/мин.

Значения коэффициентов Сv и показателей степени приведены для точения в [1], табл. 17. Общий поправочный коэффициент Кv на скорость резания, учитывающий фактические условия резания условно принимаем равным 1.

Частота вращения шпинделя:

n=1000v/(пD)=1000∙171,48/(3,14∙120)=455 мин -1.

Принимаем n=500 мин -1, ближайшую частоту по станку.

4) Обработать канавку диаметром 72 мм. Инструмент Т4 – канавочный резец. Выбираем марку твердого сплава для ВК8 для черновой обработки (обрабатываемый материал серый чугун, НВ<240).

С помощью таблиц точности обработки установили: черновым растачиванием обеспечивается квалитет допуска 13 и высота неровностей профиля Rz 40, следовательно для обеспечения точности канавки достаточно однократного чернового прохода.

Произведем расчет режимов резания при черновом растачивании.

Глубину резания принимаем равной величине припуска на обработку:

t=4 мм.

Подачу s принимаем прочности режущей пластины и прочности державки. Рекомендуемые подачи при черновом точении приведены в [1], табл. 12:

Скорость резания v, м/мин, при растачивании:

V=Cv∙Kv /(Tm tx sy)=292∙1∙/(400,15 40,2 0,60,2) ∙0,9=140,9 м/мин.

Значения коэффициентов Сv и показателей степени приведены для точения в [1], табл. 17. Общий поправочный коэффициент Кv на скорость резания, учитывающий фактические условия резания условно принимаем равным 1.

Частота вращения шпинделя:

n=1000v/(пD)=1000∙140,9/(3,14∙72)=623,2 мин -1.

Принимаем n=710 мин -1, ближайшую частоту по станку.

5) Расточить отверстие диаметром 32. Инструмент Т3 – расточной резец (ГОСТ 20874–75). Выбираем марку твердого сплава ВК4 для чистовой обработки, так как обрабатываемый материал серый чугун, НВ<240. С помощью таблиц точности обработки установили: черновым точением обеспечивается квалитет допуска 10 и высота неровностей профиля Rz 25.

Произведем расчет режимов резания при чистовом растачивании.

Глубину резания принимаем равной величине припуска на обработку:

t=2 мм

Подачу s принимаем прочности режущей пластины и прочности державки.

Рекомендуемые подачи при черновом растачивании приведены в [1], табл. 14.

S=0,6 мм/об

Скорость резания v, м/мин, при растачивании:

V=Cv∙Kv /(Tm tx sy)=292∙1∙/(400,15 20,2 0,60,2) ∙0,9=161,34 м/мин.

Значения коэффициентов Сv и показателей степени приведены для точения в [1], табл. 17. Общий поправочный коэффициент Кv на скорость резания, учитывающий фактические условия резания условно принимаем равным 1.

Частота вращения шпинделя:

n=1000v/(пD)=1000∙161,34/(3,14∙32)=1605,7 мин -1.

Принимаем n=1400 мин -1, ближайшую частоту по станку.

Чтобы при составлении программы пользоваться размерами, указанными на чертеже, нулевую точку выбираем на расстоянии 100 мм вправо от пересечения технологических баз вдоль оси детали

Принимаем исходную точку относительно начала координат с Х=140 Z=200 мм. Последовательность выполнения каждого перехода представим в виде схем обработки заготовки, представляющей траектории движения центра инструмента (см рисунок 1.2).

Далее составим управляющую программу с выбором частоты вращения шпинделя и рабочей подачи в зависимости от выполняемого перехода.


Рисунок 1.2 – Схема обработки заготовки

Составляем управляющую программу с выбором частоты вращения шпинделя и рабочей подачи в зависимости от вида выполняемого перехода:

N0     T1              (сверло диаметром 22 мм)

N1     M3             (вращение шпинделя по часовой стрелке)

N2     M44           (IV – диапазон скорости вращения шпинделя)

N3     S04             (код скорости вращения шпинделя – 355 мин-1)

N4     G95            (задание подачи, мм/об)       

N5     F100           (задание подачи 1 мм/об)

N6     ~X0*          (быстрый ход в точку с Х=0 мм)

N7     ~Z200         (быстрый ход в точку с Z=2 мм)

N8     Z-5000       (перемещение инструмента в точку с Z=-50 мм)      

N9     ~Z200         (быстрый ход в точку с Z=2 мм)

N10   Z-10000     (перемещение инструмента в точку с Z=-100 мм)    

N11   ~Z200         (быстрый ход в точку с Z=2 мм)

N12   ~X14000*  (быстрый ход в исходную точку)

N13   ~Z20000

N14   T2              (зенкер диаметром 24 мм)

N15   M3             (вращение шпинделя по часовой стрелке)

N16   M44           (IV – диапазон скорости вращения шпинделя)

N17   S04             (код скорости вращения шпинделя – 355 мин-1)

N18   G95            (задание подачи, мм/об)

N19   F100           (задание подачи 1 мм/об)

N20   ~X0*          (быстрый ход в точку с Х=0 мм)

N21   ~Z200         (быстрый ход в точку с Z=2 мм)

N22   Z-5000       (перемещение инструмента в точку с Z=-50 мм)      

N23   ~Z200         (быстрый ход в точку с Z=2 мм)

N24   Z-10000     (перемещение инструмента в точку с Z=-100 мм)    

N25   ~Z200         (быстрый ход в точку с Z=2 мм)

N26   ~X14000*  (быстрый ход в исходную точку)

N27   ~Z20000

N28   T3              (проходной резец)

N29   M3

N30   M44           (IV – диапазон скорости вращения шпинделя)

N31   S05             (код скорости вращения шпинделя – 500 мин-1)

N32   G95            (задание подачи, мм/об)

N33   F60             (рабочая подача 0,6 мм/об)

N34   ~X7600*    (быстрый ход в точку с Х=38 мм)

N35   ~Z0            (быстрый ход в точку с Z=0 мм)

N36   Х2000       

N37   ~Х6800     

N38   Х7200–45  (обработка фаски 2х45 на диаметре 72 мм)             

N39   Z-3600      

N40   G13*          (движение по окружности против часовой стрелки)

N41   Х400*

N42   Z400*        

N43   Х5800*

N44   Z-7600

N45   Х200

N46   Z11600               

N47   Х12000–45         (обработка фаски 2х45 на диаметре 120 мм)           

N48   Z-10000    

N49   ~X12200

N50   ~X14000*  (быстрый ход в исходную точку)

N51   ~Z20000

N52   T4              (канавочный резец)

N53   M3

N54   M44          

N55   S06             (код скорости вращения шпинделя – 800 мин-1)

N56   G95            (задание подачи, мм/об)

N57   F600           (рабочая подача 0,6 мм/об)

N58   ~Х8200*   

N59   ~Z200

N60   ~Z-7600

N61   X7200

N62   X8200

N63   ~Х8200*   

N64   ~Z200

N65   ~X14000*  (быстрый ход в исходную точку)

N66   ~Z20000

N67   T5              (расточной резец)

N68   M3

N69   M44           (IV – диапазон скорости вращения шпинделя)

N70   S08             (код скорости вращения шпинделя – 1400 мин-1)

N71   G95            (задание подачи, мм/об)

N72   F60             (рабочая подача 0,1 мм/об)

N73   ~X2800*    (быстрый ход в точку с Х=14 мм)

N74   ~Z0             (быстрый ход в точку с Z=0 мм)

N75   Z-2000      

N76   Z200

N77   ~X3200*

N78   Z-1900      

N79   G12

N80   X3000

N81   Z-2000

N82   X2200

N83   ~X2200*

N84   ~Z200*

N85   ~X14000*  (быстрый ход в исходную точку)

N87   M30           (конец управляющей программы)

Вывод: приобрели практические навыки назначения режимов резания, механической обработки детали и составили программы для изготовления детали на токарном станке с ЧПУ 16Б16Т1.


© 2012 Рефераты, доклады и дипломные работы, курсовые работы бесплатно.