Курсовая работа: Система управления электроприводом БТУ 3601
Курсовая работа: Система управления электроприводом БТУ 3601
Введение
Основная цель
данного курсового проекта это разработка тиристорного электропривода на базе
комплектного электропривода БТУ 3601, в процессе выполнения будет необходимо:
рассчитать и выбрать элементы силовой части электропривода, построить
статические характеристики разомкнутого электропривода, синтезировать и
рассчитать параметры регуляторов и смоделировать переходных процессов скорости
и тока электропривода с помощью программного пакета MATLAB 6.5. Это позволит
приобрести навыки самостоятельного принятия инженерных решений на базе
современной полупроводниковой техники при расчете и проектирование систем
автоматического управления.
1.
Система
электропривода и его функциональная схема
По заданию на курсовой проект был выбрана система
электропривода по схеме «тиристорный преобразователь – двигатель» которая,
реализована комплектным тиристорным электроприводом БТУ-3601
2.
Расчет
и выбор элементов силовой части электропривода
2.1
Выбор
силового трансформатора тиристорного преобразователя
Приведем сопротивление
обмоток двигателя к нагретому состоянию учтя, что максимальная рабочая
температура для изоляции класс B = 90 C:
Сопротивление
обмотки возбуждения:

Сопротивление
якорной цепи:
Рассчитаем номинальную скорость двигателя:

Трансформатор
в управляемом вентильном электроприводе необходим для согласования напряжения
сети с напряжением двигателя [1].
Фазное напряжение вторичной обмотки трансформатора определяется
выражением:

где – коэффициент
запаса по напряжению сети, – коэффициент
запаса по напряжению, учитывающий неполное открытие вентилей при максимальном
управляющем сигнале, – коэффициент
запаса по напряжению, учитывающий падение напряжения в вентиле, в обмотках
трансформатора, – коэффициент
пропорциональности между средневыпрямленным напряжением и действующим значением
фазного напряжения вторичной обмотки для трехфазной мостовой схемы выпрямления,
– номинальное напряжение
двигателя
Коэффициент трансформации трансформатора:

Так, как коэффициент трансформации равен единице воспользуемся
бестрансформаторным варианте схемы, где силовые цепи преобразователя
тиристорного электропривода подключаются к сети через анодный реактор. Анодный
реактор выбирают по действующему значению номинального тока фазы
преобразователя , где коэффициент b схемы выпрямления (b=0,817 для мостовой схемы), и номинальному напряжению сети.
Номинальный ток двигателя равен:

электропривод силовой регулятор matlab
где – номинальная мощность
двигателя, – номинальное напряжение
обмотки возбуждения, – номинальный
КПД двигателя, – сопротивление
обмотки возбуждения в нагретом состоянии.
Ток фазы
первичной обмотки трансформатора:

Ток фазы
вторичной обмотки трансформатора:

Выбираем
анодный реактор типа РС 40/1,4 [2]. Его параметры, взятые из справочных
данных:

.
2.2
Проверка
и выбор тиристоров
Выбор и проверка тиристоров, принятых к установке в
преобразователе, производятся, по трем параметрам: по среднему току,
максимальному амплитудному значении напряжения на тиристоре и ударному току
внутреннего короткого замыкания [2].
Среднее значение тока, протекающего через тиристор:

где: – допустимый ток
двигателя, для общепромышленной серии машин – = , для серии двигателей
2ПФ; – для трехфазной мостовой схемы.
Значение
тока, приведенное к классификационным параметрам тиристоров:

где – коэффициент запаса по
току, – коэффициент, зависящий
от схемы выпрямления, угла проводимости и от формы тока, – коэффициент, учитывающий
условия охлаждения.
Найденный ток
должен быть меньше
действующего значения прямого тока:

Максимальное
амплитудное напряжение на тиристоре:

где – коэффициент запаса по
напряжению, учитывающий возможность перенапряжений на тиристорах; – линейное действующее
значение напряжения вторичной обмотки трансформатора, . должно быть меньше
повторяющегося напряжения тиристора.
Для
нахождения ударного тока внутреннего короткого замыкания (КЗ на стороне
постоянного тока, якорная цепь двигателя и реактора вне цепи) определяется
амплитуда базового тока:

где - амплитуда фазного
напряжения вторичной обмотки трансформатора.
Ударный ток
внутреннего короткого замыкания находится по формуле:

где , определяется по кривым
[3, рис. 1.128, с. 106] в зависимости от в зависимости от при .

Тиристор
будет удовлетворять требованиям, если ток внутреннего короткого замыкания в
преобразователе будет меньше ударного
тока тиристора, то есть:

По выше
найденным соотношениям выбираем тип тиристора [2], типа Т171–200 с техническими
данными представленными в табл. 1.
Таблица 1
| Тип |
Uпор, В
|
Umax, В
|
Imax cp, A
|
Iyд, kA
|
I2tтир, A2c
|
(du/dt), мкс |
| Т171–200 |
1,15 |
500…1200 |
200 |
5,2 |
135000 |
160 |
2.3
Выбор
катодного дросселя
Так, как
пульсации выпрямленного тока существенно ухудшают режим коммутации в двигателе
и увеличивают его нагрев, для их сглаживания в схему добавляют катодный
дроссель. Для этого необходимо найти амплитудные значения выпрямленного
напряжения основной гармоники:


где – средневыпрямленное
напряжение при угле регулирования, равном нулю; р = 6 – для трехфазной
мостовой; k = 1 – кратность гармоники, т.е. отношение порядкового номера
гармоники к числу пульсации. В симметричной мостовой и нулевых схемах
наибольшую амплитуду имеет основная гармоника k = 1. Гармоники более высокой
кратности имеют малую амплитуду, и действие дросселя на них эффективнее,
поэтому расчет индуктивности дросселя ведется только по первой гармонике.
По известной амплитуде переменной составляющей и допустимому действующему
значению основной гармоники тока н1 (1)% необходимая величина
индуктивности цепи выпрямленного тока рассчитывается по формуле:

где – для машин без
компенсационной обмотки; – номинальный ток двигателя.
Индуктивность
сглаживающего ректора:


где – индуктивность анодного
реактора,

Так, как по расчету получилась отрицательная величина , то это свидетельствует о
том, что при принятом уровне пульсации тока катодный дроссель не нужен. Тогда
действительный уровень пульсации тока первой гармоники с учетом приведенной
индуктивности трансформатора или анодного реактора можно определить по формуле:


Значение гранично-непрерывного тока якоря двигателя в этом случае
можно найти, используя соотношение:

где – граничное значение
коэффициента:


Рассчитаем
максимальный угол регулирования :


где – конструктивная постоянная на номинальный поток:

Рассчитаем скорость двигателя при максимальном угле
управления:

При угле регулирования значение
гранично-непрерывного тока больше, чем ,
значит влиянием прерывистого режима тока электроприводе нельзя пренебречь.
3.
Расчет
параметров силовой цепи электропривода

Эквивалентная индуктивность якорной цепи двигатель –
преобразователь:

d – Коэффициент из табл. 1
[2].
Напряжение преобразователя при работе
электропривода в номинальном режиме

Угол регулирования, соответствующий номинальному режиму работы:

Минимальный угол регулирования должен превышать для надежного включения
вентиля, значит запас напряжения доступный преобразователю равен отношению: 
Электромагнитная постоянная времени якорной цепи двигатель –
преобразователь:

Электромеханическая постоянная времени электропривода:

где: –приведенное
значение момента инерция привода;
4.
Построение
статических характеристик разомкнутого электропривода
4.1
Естественные
характеристики двигателя
Найдем номинальное значение момента двигателя:

Естественная
механическая характеристика двигателя постоянного тока описывается выражением
[3]:

Естественную
характеристику построим по двум точкам:
1. Точка
идеального холостого хода при :

2. Точка
работы при номинальной частоте вращения .
4.2
Основные
характеристики электропривода
Основная
механическая характеристика электропривода описывается уравнением:

Основную характеристику построим по двум точкам:
1. Точка
идеального холостого хода при :

2. Точка
работы при номинальной частоте вращения .
4.3
Характеристики,
обеспечивающие минимальную скорость работы электропривода
Минимальную скорость работы электропривода будет обеспечивать
напряжение преобразователя равное:



1. Точка
идеального холостого хода при :

2. Точка
работы при минимальной частоте вращения .
4.4
Характеристики
аварийного динамического торможения
Механическая характеристика динамического торможения
описывается выражением:

где – добавочное сопротивление якоря
двигателя при динамическом торможении.

Все полученные характеристики построены на рис. 2 и рис. 3.

Рис. 2

Рис. 3
5.
Синтез
и расчет параметров регуляторов в линеализованных системах управления частотой
вращения электропривода
5.1
Структурная
схема автоматизированного электропривода
При
проектировании электропривода двухконтурной схемой с контурами регулирования
скорости и тока, линеаризованная структурная схема двухконтурного автоматизированного
электропривода регулирования частоты вращения представлена на рис. 4.

Рис. 4
Где передаточные
функции звеньев двигателя: W1(р), W2(р), W3(р); преобразователя WП(p) и передаточные функции
фильтров WОС(p), WОТ(p), положительная обратная
связь с передаточной функцией W4(р) служит для компенсация
внутренней обратной связи по ЭДС двигателя, передаточные функции регуляторов WРС(p), WРТ(p) и их параметры будут
определен в процессе синтеза методом подчиненного регулирования.
Тиристорный
преобразователь является звеном, передаточная функция которого:

где – коэффициент усиления управляемого
вентильного преобразователя, который определяется выбранной точкой
линеаризации; Тn = 0,009 с – постоянная времени системы управления
преобразователем.
Коэффициент
обратной связи по току:

где – напряжение насыщения
выхода регулятора скорости.
Расчетное значение коэффициента обратной связи по скорости
определяется выражением:

где – максимальное значение
напряжения задания.
Синтез
начинаем с внутреннего контура – контура тока.
5.2
Синтез
контура регулирования тока (КРТ) якоря двигателя
Структурная схема контура тока представлена на рис. 5,
на которой: kТ – коэффициент обратной связи по току; WРТ(р) – передаточная функция
регулятора тока, которая подлежит определению.

Рис. 5
При синтезе
прими следующие допущения:
·
Пренебрежем
влиянием ЭДС вращения в контуре тока якоря.
·
Не
учитывается влияние внутренней обратной связи по ЭДС двигателя
Настройку
регулятора тока будем осуществлять на технический оптимум, следовательно, разомкнутый
контур тока должен имеет передаточную функцию:

Следовательно,
передаточная функция регулятора тока по схеме рис 4 определится из условия:

и при получим
передаточную функцию регулятора тока:

где - коэффициент передачи
пропорциональной части регулятора тока, – постоянная времени
интегральной части регулятора тока.
5.3
Синтез
контура регулирования скорости (КРС) электропривода
Контур скорости будем настраивать на симметричный оптимум для
обеспечения астатизма САУ.
Контур скорости является внешним по отношению к контуру тока.
Структурная схема контура скорости электропривода при тех же допущениях
показана на риc. 6.

Рис. 6
Примем некомпенсируемую постоянную времени в контуре скорости:

При настройке
на симметричный оптимум, разомкнутый контур скорости должен имеет передаточную
функцию:

Следовательно,
передаточная функция регулятора скорости определится из условия:

Следовательно,
передаточная функция регулятора скорости при настройке контура скорости на
симметричный оптимум:

где – коэффициент передачи
пропорциональной части регулятора скорости при настройке контура скорости на
симметричный оптимум, – постоянная
времени интегральной части регулятора скорости при настройке контура скорости
на симметричный оптимум


При настройке
на симметричный оптимум для уменьшения перерегулирования на вход системы
необходимо установить фильтр с передаточной функцией:

Частота
пропускания системы подчиненного регулирования скорости электропривода при
настройке его на симметричный оптимум и наличии фильтра на входе равна 
6.
Моделирование
переходных процессов скорости и тока электропривода на ЭВМ с помощью пакета
MATLAB
Для проверки расчетов регуляторов делаем моделирование
системы электропривода в прикладном пакете программ MATLAB6.5.
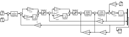
Структурная схема электропривода представлена на рис. 7.

Рис. 7
Переходные процессы по скорости и току при пуске вхолостую,
разгоне до минимальной скорости, с последующим разгоном до номинальной
скорости, далее торможением до минимальной скорости и остановкой на рис. 8.

Рис. 8
Переходные процессы по скорости и току при пуске вхолостую с
последующим реверсом и остановкой на рис. 9.

Рис. 9
Переходные
процессы по скорости и току при разгоне до номинальной скорости с последующими
набросом и сбросом нагрузки на рис. 10.

Рис. 10
7.
Расчет
параметров регуляторов тока, скорости, и выбор их элементов
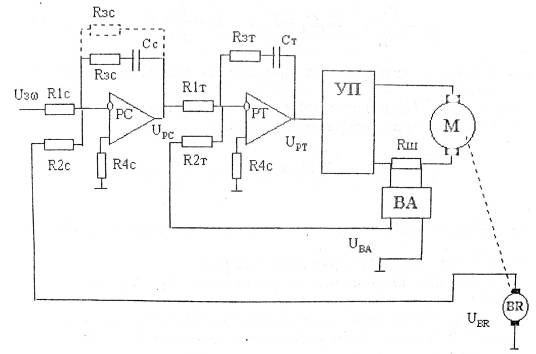
Расчёт параметров регуляторов тока, скорости в системе
подчиненного регулирования выполняется по расчетной схеме рис. 11 и
передаточным функциям регуляторов. В расчётной схеме рис. 6.1 приняты
следующие обозначения: ВА – датчик тока, (UВА=kВАI); BR – датчик скорости
вращения (UBR=kBRщ); УП – управляемый преобразователь совместно с
системой управления им; kВА, kBR – коэффициенты передачи датчиков тока и
скорости; R’зс
– сопротивление в обратной связи усилителя при реализации на нем П-регулятора
скорости.

Рис. 11
Принимая
величину сопротивления , и kba =1 [2], находим
остальные величины:



Сопротивление
по не инвертирующему входу
усилителя выбирается из условия равенства нулю напряжения смещения на выходе от
входных токов усилителя [2]:


По расчетным
значениям выбираем типовые резисторы и конденсаторы [4]. Выбираем резистор С5–42В
соответственно ряду Е96 на 4.99 кОм, 787 Ом, 69,8 кОм и 681 Ом. Выбираем
конденсатор типа К73–1б емкостью 0.15 мкФ [5].
Полностью
аналогично для регулятора скорости:
Принимая
величину сопротивления , и kbr =1 [2], находим
остальные величины:



Сопротивление
по неинвертирующему входу
усилителя выбирается из условия равенства нулю напряжения смещения на выходе от
входных токов усилителя [2]:


По расчетным
значениям выбираем типовые резисторы и конденсаторы [4]. Выбираем резистор С5–42В
соответственно ряду Е96 на 4.99 кОм, 16,9 кОм, 78,7 кОм и 370 Ом. Выбираем
конденсатор типа К73–1б емкостью 3,9 мкФ [5].
8.
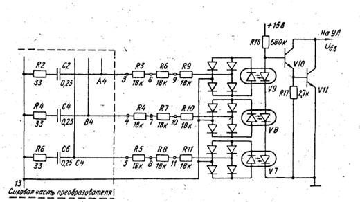
Описание
датчика проводимости вентилей БТУ-3601
Поскольку в
мостовой схеме выпрямления для протекания тока в проводящем состоянии должны
находиться минимум два тиристора из разных групп (один из анодный и другой из
катодный), достаточно контролировать проводящее состояние тиристоров какой либо
группы. В преобразователе осуществляется контроль состояния тиристоров катодной
группы комплекта «Н» (соответственно – анодной группы комплекта «В»).
Принципиальная схема ДПВ приведена на рис. 12.

Рис. 12
В
непроводящем состоянии на переходах анод – катод тиристоров существует
переменное напряжение, равное фазному напряжению вторичной обмотки силового
трансформатора. Параллельно тиристорам подключены RC-цепочки, выполняющие
функцию защиты тиристоров от перенапряжений. Величина сопротивления RC-цепочки при указанных на
схеме номиналах R и С составляет около 13 кОм на частоте сети, т.е. оказывается
вполне достаточной, чтобы обеспечить входной ток оптрону. Напряжение каждой RC-цепочки через
согласующие резисторы подается на диодные мосты V4, V5, V6, нагруженные на
светодиоды оптронов V7, V8, V9. непроводящее состояние тиристоров соответствует засвеченному
состоянию фотодиодов в оптронах, имеющих в этом случае малую величину сопротивления,
достаточную для того, чтобы транзисторы V10, V11 находились в закрытом
состоянии, т.е. ДПВ вырабатывает логический сигнал единичного уровня Uб.а.=1.
Если
какой-либо из тиристоров находится в проводящем состоянии, падение напряжения
на соответствующей RC-цепочке равно нулю, поэтому через светодиод одного из оптронов не
будет проходить ток. Фотодиод этого оптрона будет иметь большую величину
сопротивления, приводящую к открытию транзисторов V10 и V11. Таким образом, во
время проводящего состояния какого-либо из тиристоров ДПВ формирует логический
сигнал нулевого уровня Uб.в.=0.
В зависимости
от номинального выпрямленного напряжения преобразователя (напряжения вторичной
обмотки силового трансформатора) на сопротивлениях, согласующих силовое
напряжение на тиристорах с входным токов оптронов, устанавливаются следующие
перемычки: для номинального выпрямленного напряжения 115 В 3–9, 4–10, 5–11; для
номинального выпрямленного напряжения 230 В 3–6, 4–7, 5–8.
Практически
ДПВ имеет зону нечувствительности, проявляющуюся в виде провалов в сигнале Uб.в. в моменты перехода через
нуль напряжений на RC-цепочках. Поэтому в случае, если ни один тиристор моста не
проводит, в сигнале Uб.в все равно имеются короткие импульсы нулевого уровня [1].
Заключение
В процесс выполнения курсового проекта был разработан
тиристорный электропривод на базе комплектного электропривода подачи БТУ-3601.
Были рассчитаны и выбраны по справочной литературе силовые элементы привода.
Осуществлен синтез регуляторов на основе метода подчиненного регулирования и
выполнено проверочное моделирование. Проверка показала, что система отвечает
заданным требованиям по диапазону регулирования и относительной погрешности
регулирования на малой скорости. В заключении был описан процесс работы датчика
проводимости вентилей.
Литература
1) Чернов Е.А.,
Кузьмин В, П., Синичкин С Г. Электроприводы подач станков с ЧПУ:
Справочное пособие. – Горький: Волго-Вятское книжн. изд-во, 1986. – 234 с.
2) Симаков Г.М., Гринкевич Д.Я. Системы
управления электроприводами: метод пособие. – Новосибирск: Изд-во НГТУ, 2001. –
78 с
3) Справочник по
проектированию автоматизированного электропривода и систем управления
технологическими процессами / Под ред. В.И. Круповича, Ю.Г. Барыбина,
М.Л. Самовера. – 3-е изд., перераб. и доп. – М.: Энергоиздат, 1982 – 416 с.
4) Резисторы:
Справочник / Ю.Н. Андреев. А.И, Антонян, Д.М. Иванов и др.; Под ред. И.И. Четверткова.
– М.: Энергоиздат, 1981. –352 с.
5) Справочник по
электрическим конденсаторам / М.Н. Дьяков, В.И. Каратанов, В.И. Присняков
и др.; Под ред. И.И. Четверткова и В.Ф, Смирнова. – М.: Радио и связь,
1983. – 576 с.
|