рефераты
Главная

Рефераты по международному публичному праву

Рефераты по международному частному праву

Рефераты по международным отношениям

Рефераты по культуре и искусству

Рефераты по менеджменту

Рефераты по металлургии

Рефераты по муниципальному праву

Рефераты по налогообложению

Рефераты по оккультизму и уфологии

Рефераты по педагогике

Рефераты по политологии

Рефераты по праву

Биографии

Рефераты по предпринимательству

Рефераты по психологии

Рефераты по радиоэлектронике

Рефераты по риторике

Рефераты по социологии

Рефераты по статистике

Рефераты по страхованию

Рефераты по строительству

Рефераты по таможенной системе

Сочинения по литературе и русскому языку

Рефераты по теории государства и права

Рефераты по теории организации

Рефераты по теплотехнике

Рефераты по технологии

Рефераты по товароведению

Рефераты по транспорту

Рефераты по трудовому праву

Рефераты по туризму

Рефераты по уголовному праву и процессу

Рефераты по управлению

Дипломная работа: Тепловая схема энергоблока

Дипломная работа: Тепловая схема энергоблока

СОДЕРЖАНИЕ

АННОТАЦИЯ

ВВЕДЕНИЕ

1. ТЕХНОЛОГИЧЕСКАЯ ЧАСТЬ

1.1 Расчет принципиальной тепловой схемы энергоблока

1.2 Расчет подогревателей высокого давления

1.3 Расчет турбины привода питательного насоса

1.4 Расчет деаэратора

1.5 Расчет подогревателей низкого давления

1.6 Материальный баланс пара и конденсата

1.7 Энергетический баланс и расход пара на турбоагрегат

1.8 Энергетические показатели турбоустановки и энергоблока

1.9 Расчет подогревателя низкого давления

2. ВЫБОР ОБОРУДОВАНИЯ

2.1 Расчет подогревателя высокого давления ПВД № 1 и выбор его типа

2.2 Выбор подогревателей низкого давления поверхностного типа

2.3 Выбор деаэратора

2.4 Выбор конденсатора

2.5 Выбор конденсатных насосов

2.6 Выбор питательного насоса

2.7 Выбор парогенератора

3. СПЕЦИАЛЬНАЯ ЧАСТЬ

3.1 Расчет принципиальной тепловой схемы энергоблока со смешивающими подогревателями

3.2 Материальный баланс пара и конденсата

3.3 Энергетические показатели турбоустановки и энергоблока. Энергетический баланс и расход пара на турбоагрегат

3.4 Тепловой и гидравлический расчет подогревателя смешивающего типа

4. ЭКОНОМИЧЕСКАЯ ЧАСТЬ

5 ЭКОЛОГИЯ

5.1 Золоулавливание

5.2 Золоудаление

6. ТЕХНИКА БЕЗОПАСНОСТИ ПРИ ОБСЛУЖИВАНИИ ОБОРУДОВАНИЯ ПАРОТУРБИННЫХ УСТАНОВОК

ВЫВОД

СПИСОК ЛИТЕРАТУРЫ


АННОТАЦИЯ

В данной дипломной работе была просчитана тепловая схема энергоблока с турбиной К-500-240, составлены балансы и определены показатели тепловой экономичности энергоблока. По результатам теплового расчета было выбрано основное и вспомогательное оборудование.

В технологической части был рассчитан подогреватель низкого давления поверхностного типа.

В специальной части был рассчитан подогреватель низкого давления смешивающего типа.

Работа включает в себя 116 страниц, 10 таблиц, 10 рисунков, 8 чертежей формата А1.


ВВЕДЕНИЕ

Принципиальная тепловая схема электростанции определяет основное содержание технологического процесса преобразования тепловой энергии на электростанции. Схема включает основное и вспомогательное оборудование, участвующее в осуществлении этого процесса и входящего в состав пароводяного тракта электростанции. Основная цель расчета конденсационной электростанции заключается в определении технических характеристик теплового оборудования, обеспечивающих заданный график электрической нагрузки и требуемый уровень энергетических и технико-экономических показателей электростанции.

Целью данной работы является расчет тепловой схемы.

Задачи работы:

1. Расчет тепловой схемы энергоблока с турбиной К-500-240.

2. Расчет гидравлический, тепловой и прочностной подогревателя низкого давления турбоустановки, с целью определения его основных показателей и характеристик работы, отвечающих современным требованиям при проектировании сооружений и эксплуатации основного и вспомогательного оборудования тепловых электрических станций.

3. Расчет подогревателя низкого давления смешивающего типа для замены им подогревателя низкого давления поверхностного типа с целью увеличения коэффициента полезного действия станции hнст и уменьшения расхода топлива на станцию.


1. ТЕХНОЛОГИЧЕСКАЯ ЧАСТЬ

1.1 Расчет принципиальной тепловой схемы энергоблока

Энергоблок 500 МВт имеет одновальную быстроходную конденсационную турбину ХТГЗ К-500-240. Первый образец этой турбины (К-500-240) несколько иной конструкции был выполнен в 1964 г. Турбина мощностью 500 МВт рассчитана на начальные параметры пара Р0=23,5МПа (240 кгс/см2), t0 =5400С и должна работать с промежуточным перегревом пара при Рпп=3,63 МПа до tпп=5400С. Давление в конденсаторе Рк =3,5 кПа. Частота вращения турбины n=50с-1. В турбине использованы некоторые конструктивные решения, принятые для модернизированного варианта турбины ХТГЗ К-300-240.

Предусмотрены девять регенеративных отборов пара: первый - из цилиндра высокого давления; второй - из линии отработавшего пара этого цилиндра до промежуточного перегрева; третий, четвертый, пятый, шестой - из цилиндра среднего давления; седьмой, восьмой, девятый - из цилиндров низкого давления.

Имеются три регенеративных подогревателя высокого давления ПВД № 1, 2, 3; деаэратор повышенного давления; пять регенеративных подогревателя низкого давления ПНД № 4, 5, 6, 7, 8. Турбина имеет три цилиндра.

Свежий пар Р=23,54 МПа, t=540 0С поступает в ЦВД. Первые ступени ЦВД размещены во внутреннем корпусе. ЦВД расположен таким образом, что поток пара направляется от генератора к переднему подшипнику. Пар к турбине подается по двум паропроводам. Паровпуск трехстенный - наружный корпус, внутренний корпус и сопловые коробки. Всего в ЦВД 10 ступеней активного типа, первая из которых регулирующая. За регулирующей ступенью давление пара равно 17,05 МПа, а температура - 4950С. За восьмой ступенью ЦВД производится отбор пара на регенерацию. После ЦВД при Р=4,13 МПа, t=2960С по двум трубам диаметром 500 мм пар направляется в парогенератор, где осуществляется промперегрев. Далее, пройдя отсечные и регулирующие клапаны, пар поступает в цилиндр среднего давления с Р=3,61 МПа и t=540 0С .

Первые четыре ступени ЦСД расположены во внутреннем корпусе; диафрагмы остальных устанавливаются в трех обоймах. Всего в ЦСД 11 ступеней. Первые пять из них имеют рабочие лопатки с цельнофрезерованным бандажом. Все рабочие лопатки ЦСД закрученные, переменного по высоте профиля. Ротор ЦСД цельнокованый, корпус сварно-литой. После ЦСД пар, при давлении Р= 0,311 МПа и t=230 0С, двумя ресиверными трубами, проходящими ниже плоскости горизонтального разъема, подается в два двухпоточных ЦНД. Из ЦСД в четвертом отборе пар отводится на деаэратор, и используется для турбины привода питательного насоса ТПН.

Из ЦНД пар направляется в два конденсатора. Роторы низкого давления жесткие, сварно-кованые с шейками под подшипники диаметром 520 мм. В каждом потоке ЦНД по пять ступеней. Последние ступени выполнены, как и в турбине К-300-240, с лопатками длиной L=1050 мм. Эти модернизированные лопатки имеют улучшенные профили, оптимальные в периферийной части относительные шаги и выполнены заодно с бандажом. В рассматриваемой турбине на один поток приходится мощность 125 МВт. В последней ступени организована внутриканальная сепарация влаги из сопловых лопаток. Некоторая разгрузка ступеней низкого давления достигается применением конденсационной турбины для привода питательного насоса. Эта турбина питается паром низкого давления из промежуточного отбора главной турбины, и отбираемый пар не возвращается в основной агрегат, а конденсируется в отдельном конденсаторе.

Все четыре ротора турбины соединены между собой жесткими муфтами. Каждый из роторов опирается на два опорных подшипника, выполненных самоустанавливающимися. Некоторые из них - сегментные. Упорный подшипник сегментного типа с одним упорным гребнем располагается между цилиндрами высокого и среднего давления. Несмотря на противоположное направление потоков пара в ЦВД и ЦСД и двухпоточные конструкции ЦНД в турбине предусмотрены разгрузочные диски, необходимые для уравновешивания осевых усилий во время переходных процессов. В крышках корпусов подшипников имеются масляные бачки, емкость которых рассчитана на обеспечение маслом подшипников при остановке турбоагрегата с отключенными масляными насосами. В турбине предусмотрено валоповоротное устройство, находящееся между двумя ЦНД.

Турбина имеет два фикс-пункта (мертвые точки) в точках пересечения вертикальной плоскости турбины, проходящей через продольные шпонки под осью агрегата, с линиями поперечных шпонок под боковыми опорами первого и третьего выходных патрубков ЦНД (под осями левых опорных подшипников ЦНД).

Рабочей жидкостью гидродинамической системы регулирования турбины является конденсат. Конденсат турбины подогревается в охладителе уплотнений ОУ, пяти регенеративных подогревателях низкого давления. После деаэратора конденсат питательным насосом прокачивается через три подогревателя высокого давления. Дренажи ПВД сливаются каскадно в деаэратор. Из ПНД № 4 дренаж сливается в ПНД № 5 и дренажным насосом подается в смеситель СМ. Дренаж ПНД № 6 сливается в ПНД № 7 и дренажным насосом ДН подается в СМ. Дренаж из ПНД № 8 и из охладителя уплотнений ОУ и эжектора ОЭ подается в конденсатор К.

Централизованная масляная система снабжает маслом подшипники турбины и генератора и состоит из масляного бака, двух главных и одного резервного насосов и маслоохладителей. Масляные насосы приводятся электродвигателями (основные электродвигатели переменного тока, аварийные - постоянного).

Общая длина турбины равна 29,5 м, а всего турбоагрегата с генератором и возбудителем - 46,3 м. Агрегат размещается поперек машинного зала.

Таблица 1.1 – Процесс расширения пара в турбине

Точка процесса Давление пара Р, МПа

Температура пара t, 0С

0 23,54000 540,0

0′

22,36000 536,0
РС 17,05000 495,0
1 5,53000 339,0
2 3,92000 296,0

2′

3,43000 540,0
3 1,64000 440,0

3′

1,60000 435,0
0,00523 34,0
4 0,70000 375,0
5 0,51000 295,0
6 0,29500 230,0
7 0,14300 168,0
8 0,08400 120,1
9 0,01670 60,0
К 0,00345 26,7

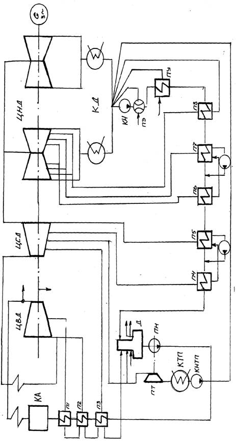
Подпись: Рисунок  1.1 – Схема расчетная принципиальная К-500-240
Таблица 1.3 – Параметры пара и воды регенеративных подогревателей высокого давления

Параметры Наименование параметров Единицы измерения ПВД1 ПВД2 ПВД3
Pотб Давление пара МПа 5,82 4,13 1,73
P″отб Давление пара с учетом потерь МПа 5,53 3,92 1,64

tп

Температура пара

С0

339 296 440

hп

Энтальпия пара кДЖ/кг 3037 2948 3344

ts

Температура воды перед подогревателем

С0

270 249 203

tпоп

Температура пара в охладителе пара

С0

280 259 213

hпоп

Энтальпия пара в охладителе пара кДЖ/кг 1236,7 1129,9 911,4

hsi

Энтальпия воды перед подогревателем кДЖ/кг 1080,8 865,9

tдрi

Температура дренажа

С0

257 211

hдрi

Энтальпия дренажа кДЖ/кг 1120,0 902,3 780,9

Θпв

Недогрев воды

С0

2 2 2

Рпвi

Давление воды перед подогревателем МПа 33,5 34 34,5

tпвi

Температура воды перед подогревателем

С0

247 201

Hпвi

Энтальпия воды перед подогревателем кДЖ/кг 1075,34 871,46

Р″пвi

Давление воды после подогревателя МПа 33 33,5 34

t″пвi

Температура воды после подогревателя

С0

268 247 201

h″пвi

Энтальпия воды после подогревателя кДЖ/кг 1172,36 1075,34 871,46

ri

Суммарный подогрев воды в ступени регенерации кДЖ/кг 97,02 203,88 128,41

qi

Тепло отдаваемое греющим паром в ступени регенерации кДЖ/кг 1800,3 1867,2 2478,1

Таблица 1.4 – Исходные данные турбоагрегата

1. Завод-изготовитель ХТГЗ
2. Тип агрегата К-500-240
3. Развиваемая мощность, МПа 500

4. Параметры свежего пара перед регулирующим клапаном турбины:

- давление, МПа

- температура, оС

23,54

540

5. Параметры свежего пара после регулирующего клапана:

- давление, МПа

- температура, оС

22,36

536

6. Параметры пара промперегрева перед стопорным клапаном ЦСД:

- давление, МПа

- температура, оС

3,43

540

7. Давление пара на выходе в конденсатор, МПа 0,00345

8. Внутренний относительный КПД турбины блока по отсекам, % :

- ηцвд

- ηцсд

- ηцнд

87,5

91,4

88,0

1.2 Расчет подогревателей высокого давления

Для расчета подогревателей высокого давления необходимо определить нагрев питательной воды в питательном насосе. Полагая механический коэффициент полезного действия насоса hмн = 0,975, определим его внутренний КПД:

hнi = hн / hмн (1.2.1)

где hн = 0,7869 – КПД насоса,

hнi = 0,7869 / 0,975

hнi = 0,805

Повышение энтальпии воды в насосе определяется по формуле:

Dhнi =  (1.2.2)

где Vср = 0,00112 м3/кг – средний удельный объем воды в насосе,

Давление питательной воды на нагнетании питательного насоса находим по формуле:

РПН = (РП + РПГ + Рнив + DРс – Рд)·j (1.2.3)

где РП = 25 МПа – давление свежего пара,

РПГ = 4 МПа – потеря давления в парогенераторе,

Рнив = H·g·r·10-6 (1.2.4)

где Н = 30 м,

g = 9,81 м/с2,

r = 0,0011068 м3/кг.

Рнив =

Рнив = 0,266 МПа – нивелирные потери,

DРс = 0,588 МПа – потери давления на гидравлическое сопротивление трубопроводов и теплообменников,

Рд = 0,7 МПа – давление в деаэраторе,

j = 1,05 – коэффициент запаса по давлению,

РПН = (25+4+0,266+0,588-0,7)·1,05

РПН = 34 МПа

Давление (подпор) на всасывающей стороне питательного насоса складывается из давления в деаэраторе Рд=0,7 МПа и гидростатического давления, определяемого разностью отметок деаэратора и всасывающего патрубка насоса. Давление на всасывающей стороне насоса можно считать постоянным и равным Рв = 0,9 МПа. Напор питательного насоса в номинальном режиме составит:

DРПН = Рно – Рв (1.2.5)

где Рно = 34 МПа – давление питательной воды,

Рв = 0,9 МПа – давление на всасывающей стороне насоса.

DРПН = 34 – 0,9

DРПН = 33,1 МПа

Повышение энтальпии воды в насосе:

Dhнi =

Dhнi = 46,052 кДж/кг

Расчет подогревателя высокого давления № 1

Для нахождения доли расхода пара на ПВД № 1 составим и решим уравнение теплового баланса:

a1(hп1 – hдр1) + aпр (hпр – hдр1) = aпв (hпв – hв2)· (1.2.6)

где a1 – доля расхода пара первого отбора,

a1 (3037-1115,34)+0,0008(3323-1115,34)=1,015(1172,36-1075,34)

a1 = 0,0506

hп1 = 3037 кДж/кг – энтальпия пара,

hдр1 = hв2 + 40 (1.2.7)

hдр1 = 1075,34+40

hдр1 = 1115,34 кДж/кг – энтальпия дренажа ПВД № 1,

aпр = 0,0008 – доля пара на протечки свежего пара,

hпр = h0 = 3323 кДж/кг – энтальпия свежего пара,

aпв = 1,015 – доля расхода питательной воды,

hпв = 1172,36 кДж/кг – энтальпия питательной воды,

hв2 = 1075,34 кДж/кг – энтальпия воды после подогревателя ПВД № 2,

hп = 0,995 – КПД пара.

Расчет подогревателя высокого давления № 2

Для нахождения доли расхода пара на ПВД № 2 составим и решим уравнение теплового баланса:


a2 (hп2 – hдр2) + a1 (hдр1 – hдр2) + aпр(hпр – hдр2) = aпв (hв2 – hв3)· (1.2.8)

где a2 – доля расхода пара второго отбора,

a2 (2948-911,46)+0,0506(1115,34-911,46)+0,0008(3323-911,46) =

1,015(1075,34-871,46)

a2 = 0,0961

hп2 = 2948 кДж/кг – энтальпия пара,

hдр2 = hв3 + 40 (1.2.7)

hдр2 = 871,46+40

hдр2 = 911,46 кДж/кг – энтальпия дренажа ПВД № 2,

a1 = 0,0506 – доля расхода пара первого отбора,

hдр1 = 1115,34 кДж/кг – энтальпия дренажа ПВД № 1,

aпр = 0,0008 – доля пара на протечки,

hпр = 3323 кДж/кг – энтальпия свежего пара,

aпв = 1,015 – доля расхода питательной воды,

hв2 = 1075,34 кДж/кг – энтальпия воды после подогревателя ПВД № 2,

hв3 = 871,46 кДж/кг – энтальпия воды после подогревателя ПВД № 3,

hп = 0,995 – КПД пара.

Расчет подогревателя высокого давления № 3

Для нахождения доли расхода пара на ПВД № 3 составим и решим уравнение теплового баланса:


 a3 (hп3 – hдр3) + (a1 +a2)(hдр2 – hдр3) + aпр(hпр – hдр3) = aпв (hв3 – hпн)· (1.2.10)

где a3 – доля расхода пара третьего отбора,

a3 (3344-783,052)+(0,0506+0,0961)(911,46-783,052)+0,0008(3323-783,052) =

1,015(871,46-743,052)

a3 = 0,0043

hп3 = 3344 кДж/кг – энтальпия пара,

hдр3 = hд + Dhнi = 40 (1.2.11)

hд = 697 кДж/кг – энтальпия воды в деаэраторе,

Dhнi = 46,052 кДж/кг – нагрев питательной воды в насосе,

hдр3 = 697+46,052+40

hдр3 = 783,052 кДж/кг – энтальпия дренажа ПВД № 3,

a1 = 0,0506 – доля расхода пара первого отбора,

a2 = 0,0961 – доля расхода пара второго отбора,

hдр2 = 911,46 кДж/кг – энтальпия дренажа ПВД № 2,

aпр = 0,0008 – доля пара на протечки,

hпр = 3323 кДж/кг – энтальпия свежего пара,

aпв = 1,015 – доля расхода питательной воды,

hв3 = 871,46 кДж/кг – энтальпия воды после подогревателя ПВД № 3,

hпн = hд + Dhнi (1.2.12)

hпн = 697 + 46,052

hпн = 743,052 кДж/кг – энтальпия воды после питательного насоса,

hп = 0,995 – КПД пара.

1.3 Расчет турбины привода питательного насоса

Требуется рассчитать долю расхода пара на турбину привода питательного насоса. Для этого составим уравнение:

aтп =  (1.3.1)

aтп =

aтп = 0,0618

где aпв = 1,015 – доля расхода питательной воды,

Dhнi = 46,052 кДж/кг – нагрев питательной воды в насосе,

Н0 = hп3 – hп3к (1.3.2)

hп3 = 3344 кДж/кг – энтальпия пара третьего отбора,

hп3к = 2358 кДж/кг – энтальпия пара отбора на конденсатор турбины привода питательного насоса,

Н0 = 3344 – 2358

Н0 = 986 кДж/кг – располагаемый теплоперепад турбины привода питательного насоса,

hн = 0,7869 – КПД насоса,

hмн = 0,975 – механический КПД насоса.

1.4 Расчет деаэратора

Составим уравнение теплового и материального баланса деаэратора.

Уравнение материального баланса

aшт + a + aд + aкд = aпв + aу + aэ (1.4.1)

Принимаем коэффициенты:

где aшт = 0,002 – доля расхода пара на утечки из штоков,

a – сумма долей расхода пара на подогреватели высокого давления,

a = a1 + a2 + a3 (1.4.2)

a1 = 0,0506 - доля расхода пара на ПВД № 1,

a2 = 0,0961 - доля расхода пара на ПВД № 2,

a3 = 0,043 - доля расхода пара на ПВД № 3,

a = 0,0506+0,0961+0,043

a = 0,1897

aд – доля расхода пара на деаэратор,

aкд – доля расхода основного конденсата, подведенного в деаэратор,

aпв = 1,015 – доля расхода питательной воды,

aу = 0,003 – доля расхода пара на протечки через уплотнения,

aэ = 0,003 – доля расхода пара на эжектор.

0,002+0,1897+aкд + aд = 1,015+0,003+0,003

aкд = 0,8293 - aд (1.4.3)

Уравнение теплового баланса

aшт hшт+ a hдр3 + aдhд + aкдhв4 = aу h¢д+ aэ h¢¢д + aпв h¢д (1.4.4)


где aшт = 0,002 – доля расхода пара на утечки из штоков,

hшт= 3323 кДж/кг – энтальпия свежего пара,

a = 0,1897 – сумма долей расхода пара на подогреватели высокого давления,

hдр3 = 783,052 кДж/кг – энтальпия дренажа ПВД № 3,

aд – доля расхода пара на деаэратор,

hд = 3212 кДж/кг – энтальпия пара в отборе на деаэратор,

aкд – доля расхода основного конденсата, подведенного в деаэратор,

hв4 = 626,79 кДж/кг – энтальпия воды на выходе ПНД № 4,

aу = 0,003 – доля расхода пара на протечки через уплотнения,

h¢д = 697 кДж/кг – энтальпия воды на выходе из деаэратора,

aэ = 0,003 – доля расхода пара на эжектор,

h¢¢д = 2762,7 кДж/кг – энтальпия пара на выходе из деаэратора,

aпв = 1,015 – доля расхода питательной воды,

0,002·3323+0,1897·783,052+3212aд +(0,8293 - aд)·626,79 =

0,003·697+0,003·2762,7+1,015·697

aд = 0,01657

aкд = 0,8293-0,01657

aкд = 0,81273

1.5 Расчет подогревателей низкого давления

Расчет подогревателей низкого давления № 4 и № 5 и смесителя СМ1

Для нахождения доли расхода пара на ПНД №4, ПНД № 5 и СМ1 составим и решим уравнения теплового баланса.

П4. a4 (hп4 – hн4 ) = aк (hв4 – hв см1)· (1.5.1)

СМ1.aк5 = aкд - a4 - a5 (1.5.2)

П5. a5·(hп5 – hн5)+a4 (hн4 – hн5)=aк5 (hв5 – hв6 )  (1.5.3)

Решаем систему уравнений:

где  - доля конденсата в ПНД № 5,

a4 – доля расхода пара на ПНД № 4,

a5 – доля расхода пара на ПНД № 5,

hв4 = 626,79 кДж/кг – энтальпия воды на выходе из ПНД № 4,

hп = 0,995 – КПД пара,

hп4 =3212 кДж/кг – энтальпия пара ПНД № 4,

hн4 = 645,2 кДж/кг – энтальпия насыщенного пара ПНД № 4,

hв5 = 542,95 кДж/кг – энтальпия воды на выходе из ПНД № 5,

hн5 = 559,2 кДж/кг – энтальпия насыщенного пара ПНД № 5,

aкд = 0,81273 – доля расхода основного конденсата, подведенного в деаэратор,

(0,81273 - a4 - a5 + a4 + a5)·626,79 – 0,995·(a4·(3212 – 645,2) =

= 0,995·((0,81273 - a4 - a5)·542,95 + (a4 + a5)·559,2)

a4 = 0,0274 – 0,00629·a5 (1.5.4)

h·((a5·( hп5 – hн5 )+(0,0274 – 0,00629·a5)( hн4 - hп5 )) =

=( hв5 – hв6)(0,81273 – 0,0274 + 0,00629·a5 - a5) (1.5.5)

где hв6 = 445,82 кДж/кг – энтальпия воды на выходе из ПНД № 6,

0,995 (a5(2918 – 559,2)+(0,0274 – 0,00629·a5)(645,2 – 559,2) =

=(542,95 – 445,82)(0,81273 – 0,0274 + 0,00629·a5 - a5)

a5 = 0,03025

a4 = 0,0274 -0,00629·0,03025

a4 = 0,02721

aк5 = 0,81273 – 0,02721 – 0,03025

aк5 = 0,75527

Расчет энтальпии смесителя СМ1

hСМ1 =  (1.5.6)

где hСМ1 – энтальпия конденсата в СМ1,

hСМ1 =

hСМ1 = 541,38 кДж/кг

Расчет подогревателей низкого давления № 6 и № 7 и смесителя СМ2

Для нахождения доли расхода пара на ПНД № 6, ПНД № 7 и СМ2 составим и решим уравнение теплового баланса.

П6. a6 (hп6 – hн6) = aк5 (hв6 – hсм2)· (1.5.7)

СМ2.aк5 · hсм2 ·= aк7 hв7 + (a6 + a7) hн7 (1.5.8)

П7. a7·(hп7 – hн7)+a6 (hн6 – hн7)=aк7 (hв7 – hв8 )  (1.5.9)

aк7 = aк5 - a6 - a7 (1.5.10)

Решаем систему уравнений:

 

где hп = 0,995 – КПД пара,

a6 - доля конденсата в ПНД № 6,

hп6 = 2812 кДж/кг – энтальпия пара ПНД № 6,

hн6 = 461,36 кДж/кг – энтальпия воды на выходе из ПНД № 6,

aк5 = 0,75527 – доля конденсата в ПНД № 5,

hв6 = 445,82 кДж/кг – энтальпия воды на выходе из ПНД № 6,

hСМ2 – энтальпия конденсата в СМ2,

aк7 – доля конденсата в ПНД № 7,

hв7 = 383,01 кДж/кг – энтальпия воды на выходе из ПНД № 7,

a7 – доля расхода пара на ПНД № 7,

hн7 = 398,02 кДж/кг – энтальпия насыщенного пара ПНД № 7.

 

aк7 = -7,1765·a6 – 1,03919·a7 + 0,88354 (1.5.14)

Подставим выражение (1.5.14) в формулу (1.5.9).

a7·(hп7 – hн7)+a6 (hн6 – hн7) = (-7,1765·a6 – 1,03919·a7 + 0,88354)х

х(hв7 – hв8 )  (1.5.15)

где a7 – доля расхода пара на ПНД № 7,

hп7 = 2720 кДж/кг – энтальпия пара ПНД № 7,

hн7 = 398,02 кДж/кг – энтальпия насыщенного пара ПНД № 7,

a6 – доля расхода пара на ПНД № 6,

hн6 = 461,36 кДж/кг – энтальпия пара ПНД № 6,

hв7 = 383,01 кДж/кг – энтальпия воды на выходе из ПНД № 7,

hв8 = 219,84 кДж/кг – энтальпия воды на выходе из ПНД № 8,

hп = 0,995 – КПД пара.

0,995(a7(2720-398,02)+a6(461,36-398,02))=

= (-7,1765a6 – 1,03919a7 + 0,88354)(383,01 – 219,84)

a6 = -2,0097a7 + 0,11683 (1.5.16)

aк7 = 0,63844 + 1,0097a7 (1.5.17)

Подставим (1.5.16) и (1.5.17) в систему уравнения (1.5.13) и решим ее:

-2338,887(-2,0097a7 + 0,11683)+336,714 = 381,095(0,63844 + 1,0097a7) +

+396,0299(-2,0097a7 + 0,11683) + 396,0299a7

a7 = 0,047951

a6 = 0,020463

aк7 = 0,686856

Расчет энтальпии смесителя СМ2:

hСМ2 =  (1.5.18)

hСМ2 =

hСМ2 = 382,448 кДж/кг

Расчет подогревателя низкого давления № 8, охладителя уплотнений ОУ, смесителя СМ3

Для нахождения доли расхода пара на ПНД № 8, смесителе СМ2 и охладителе уплотнений ОУ составим и решим уравнение теплового баланса:

П8. a8q8 = aк7 (hв8 – hОУ)· (1.5.19)

ОУ.(aОУ +aэ)(hОУ - h)= aк7 (hОУ – hСМ3) (1.5.20)

СМ3. aк7hСМ3 = a8hн8 + (aэ +aОУ ) h +aтпhтп +ah+aдвhдв (1.5.21)

aк8 = aк7 - a8 – (a7 + aОУ) - aтп - aдв (1.5.22)

Решаем систему уравнений:

 

где a8 – доля расхода пара ПНД № 8,

hн8 = 234,42 кДж/кг – энтальпия насыщенного пара ПНД № 8,

aэ = 0,004 – доля расхода пара на эжектор,

aОУ = 0,0018 – доля расхода пара на охладитель уплотнений,

 =  + Dh (1.5.24)

= 217,7 кДж/кг – энтальпия воды в конденсаторе,

Dh = 40 кДж/кг – нагрев воды в ОУ,

 = 217,7 + 40

 = 257,7 кДж/кг

aтп = 0,0618 – доля расхода пара на турбину привода питательного насоса,

h= 142,47 кДж/кг – энтальпия насыщенного пара в турбине привода,

a- доля пропуска воды через конденсатор,

aдв = 0,02 – доля расхода добавочной воды,

hдв = 125,75 кДж/кг – энтальпия добавочной воды.

aк7 = 0,686856 – доля расхода конденсата на ПНД № 7,

hСМ3 – энтальпия воды в смесителе СМ3,

hОУ – энтальпия пара в охладителе уплотнений ОУ.

0,681056hОУ + 1,49466 = 234,42a8 + 1,49466 + 8,8 + 217,7a+ 2,515

hОУ = 208,166 + 24,55 a8 (1.5.25)

Подставим (1.5.25) в формулу (1.5.19):

a8q8 = aк7 (hв8 – 208,166 + 24,55 a8)· (1.5.26)

2277,58a8 = (0,686856·219,84 – 0,686856(208,166 + 24,55a8)

a8 = 0,00351

hОУ = 208,155 + 24,55·0,00351

hОУ = 208,252 кДж/кг

Подставим это значение в формулу (1.5.23).

aк7hСМ3 = aк7 hОУ - (aОУ + aэ)(hОУ - )

0,686856 hСМ3 = 0,681056·208,252 + 1,49466

hСМ3 = 208,669 кДж/кг

1.6 Материальный баланс пара и конденсата

Доли отборов пара из турбины:

a1 = aп1 + aшт = 0,0506 + 0,002 = 0,0526

a2 = aп2 = 0,0961

a3 = aп3 + aтп = 0,043 + 0,0618 = 0,1048

a4 = aд = 0,01657

a5 = aп4 = 0,02721

a6 = aп5 = 0,03025

a7 = aп6 = 0,020463

a8 = aп7 = 0,047951

a9 = aп8 = 0,00351

Пропуск пара в конденсатор турбины:

a= a0 - ΣaI - aу - aупл - aОУ (1.6.1)

где a0 = 1 – весь пар,

ΣaI = 0,399454 – сумма всех долей расходов пара,

aу = 0,002 – доля расхода пара на утечки,

aупл = 0,002 – доля расхода пара на уплотнение,

aОУ = 0,001 – доля расхода пара на охладитель уплотнений.

a= 1 – 0,399454 – 0,002 – 0,002 – 0,001

a= 0,595546

Количество конденсата в конденсаторе:

a= aк7 - a8 - aэ - aОУ - aтп - aдв (1.6.2)

где aк7 = 0,686856 – доля расхода конденсата на ПНД № 7,

a8 = 0,00351 – доля расхода конденсата на ПНД № 8,

aэ = 0,004 – доля расхода конденсата на эжектор,

aОУ = 0,0018 – доля расхода конденсата на охладитель уплотнений,

aтп = 0,0618 – доля расхода конденсата на турбину привода,

aдв = 0,02 – доля расхода конденсата на добавочную воду,

a= 0,686856 – 0,00351 – 0,004 – 0,0018 – 0,0618 – 0,02

a= 0,595746

Определим погрешность материального баланса:

D =


D =

D = 0,034%, что меньше 0,2%, следовательно, погрешность удовлетворяет условию.

1.7 Энергетический баланс и расход пара на турбоагрегат

Данные, необходимые для расчета энергетического баланса и расхода пара на турбоагрегат, сведены в таблицу.

Таблица 1.7.1 – Суммарная работа пара в отдельных отсеках турбины

Отсек турбины Давление пара, МПа

aj

Внутреннее теплопадение Нij, кДж/кг

Внутренняя работа на 1 кг свежего пара ajНij, кДж/кг

0'-1 23,54-5,82

a0-aшт=1-0,002=0,998=a0'1

286 285,43
1-2° 5,82-4,13

a1-2=a0'1-a1=0,998-0,0506=0,9474

89 84,32
2'-3 3,61-1,73

a2'-3=a12-a2=0,9474-0,0961=0,8513

196 166,85
3-Д 1,73-0,7

a3-Д=a2'-3-a3-aтп=

=0,8513-0,043-0,0618=0,7465

132 98,54
Д-4 0,7-0,537

aД-4=a3-Д-a4=

=0,7465-0,01657=0,72993

156 113,87
4-5 0,537-0,311

a4-5=aД-4-a4=

0,72993-0,02721=0,70272

138 96,98
5-6 0,311-0,15

a5-6=a4-5-a5=

=0,70272-0,03025=0,67247

106 71,28
6-7 0,15-0,088

a6-7=a5-6-a6=

0,67247-0,020463=0,652007

92 59,58
7-8 0,088-0,0176

a7-8=a6-7-a7=

=0,652007-0,047951=0,604056

208 125,64
8-К 0,0176-0,00363

a8-К=a7-8-a8=

=0,604056-0,00351=0,600546

174 104,5

Определяем расход пара на турбину:


Д0 =  (1.7.1)

где Д0 – расход пара на турбину, кг/с,

WЭ = 500 МВ – номинальная мощность турбоустановки,

= 1207,39 кДж/кг – сумма внутренней работы на 1 кг свежего пара,

hМ = 0,994 – механический КПД,

hГ = 0,99 – КПД генератора.

Д0 =

Д0 = 420,82 кг/с

Удельный расход пара на турбину:

d0 =  (1.7.2)

где d0 - удельный расход пара на турбину, кг/кВт·ч;

Д0 = 420,82 кг/с – расход пара на турбину;

WЭ = 500 МВт – мощность турбины;

WТП=  (1.7.3)

где aПВ = 1,015 – доля расхода питательной воды,

Vср = 0,0011 м3/кг – удельный объем пара,

РН = 34,5 МПа – давление питательного насоса,

РВ = 0,7 МПа – давление в деаэраторе,

hН = 0,805 – внутренний КПД насоса.


WТП=

WТП= 19727,68 кВт

a0 =

a0 = 2,915 кг/кВт·ч

Расходы пара и воды:

Дi = ai·Д0 (1.7.4)

где Дi – расход пара или воды, кг/с;

aI – доля расхода пара или воды,

Д0 = 420,82 кг/с – расход пара на турбину.

Д1 = a1·Д0 (1.7.5)

Д1 = 0,0526·420,82

Д1 = 22,14 кг/с

ДП1 = aП1·Д0 (1.7.6)

ДП1 = 0,0506·420,82

ДП1 = 21,29 кг/с

Д2 = a2·Д0 (1.7.7)

Д2 = 0,0961·420,82

Д1 = 40,44 кг/с

Д3 = a3·Д0 (1.7.8)

Д3 = 0,1048·420,82

Д3 = 44,1 кг/с

ДП3 = aП3·Д0 (1.7.9)

ДП3 = 0,043·420,82

ДП3 = 18,095 кг/с

Дд = aд·Д0 (1.7.10)

Дд = 0,01657·420,82

Дд = 6,97 кг/с

Д4 = a4·Д0 (1.7.11)

Д4 = 0,02721·420,82

Д4 = 11,45 кг/с

Д5 = a5·Д0 (1.7.12)

Д5 = 0,03025·420,82

Д5 = 12,73 кг/с

Д6 = a6·Д0 (1.7.13)

Д6 = 0,020463·420,82

Д6 = 8,61 кг/с

Д7 = a7·Д0 (1.7.14)


Д7 = 0,047951·420,82

Д7 = 20,18 кг/с

Д8 = a8·Д0 (1.7.15)

Д8 = 0,00351·420,82

Д8 = 1

Д= a ·Д0 (1.7.16)

Д= 0,595546·420,82

Д= 250,62 кг/с

Количество пара, поступившего на промежуточный перегрев:

Дпп = aпп·Д0 (1.7.17)

где Дпп – количество пара, поступившего на промежуточный перегрев, кг/с;

aпп= 0,8513 – доля расхода пара на промежуточный перегрев;

Д0 = 420,82 кг/с – расход пара на турбину.

Дпп = 0,8513·420,82

Дпп = 358,24 кг/с

Паровая нагрузка парогенератора:

Дпг = aпг·Д0 (1.7.18)

где Дпг – паровая нагрузка парогенератора, кг/с;

aпг = 1,015 – доля расхода;

Д0 = 420,82 кг/с – расход пара на турбину.

Дпг = 1,015·420,82

Дпг = 427,13 кг/с

Расход пара на турбопривод:

Дтп = aтп·Д0 (1.7.19)

где Дтп – расход пара на турбопривод, кг/с;

aтп= 0,0618 – доля расхода пара;

Д0 = 420,82 кг/с – расход пара на турбину.

Дтп = 0,0618·420,82

Дтп = 26,01 кг/с

Расход добавочной воды:

Ддв = aдв·Д0 (1.7.20)

где Ддв – расход добавочной воды, кг/с;

aдв= 0,02 – доля расхода добавочной воды;

Д0 = 420,82 кг/с – расход пара на турбину.

Ддв = 0,02·420,82

Ддв = 8,42 кг/с

1.8 Энергетические показатели турбоустановки и энергоблока

Полный расход тепла на турбоустановку:

Qту = Д0 (h0 - hпв)+Дпп(h - h°) (1.8.1)

где Д0 = 420,82 кг/с – расход пара на турбину,

h0 = 3323 кДж/кг – энтальпия свежего пара,

hпв= 1172,36 кДж/кг – энтальпия питательной воды,

Дпп = 358,24 кг/с – количество пара, поступившего на промежуточный перегрев,

h = 3540 кДж/кг – энтальпия пара в пароперегревателе,

= 2948 кДж/кг – энтальпия пара перед пароперегревателем.

Qту = 420,82 (3323-1172,36) + 358,24 (3540-2948)

Qту = 1117110,405 кВт

Расход тепла турбоустановки на производство электроэнергии:

Q= Qту – Ддв (hпв – hдв) (1.8.2)

где Qту = 1117110,405 кВт – полный расход тепла на турбоустановку,

Ддв = 8,42 кг/с – расход добавочной воды,

hпв = 1172,36 кДж/кг – энтальпия питательной воды,

hдв = 125,75 кДж/кг – энтальпия добавочной воды,

Q= 1117110,405-8,42·(1172,36-125,75)

Q= 1108297,949 кВт

Удельный расход тепла турбоустановки на производство электроэнергии (без учета собственного расхода электроэнергии и с учетом расхода тепла на турбопривод):

q=  (1.8.3)

где Q= 1108297,949 кВт – расход тепла турбоустановкой на производство электроэнергии,

WЭ = 500 МВт – мощность турбоустановки,

WТП = 19,72768 МВт – мощность турбопривода.

q=

q= 2,132 кДж/кВт

Коэффициент полезного действия турбоустановки на производство электроэнергии:

h =  (1.8.4)

h =

h = 0,469

Тепловая нагрузка парогенератора:

Qпг= Дпг(hпг – hпв)+Дпп(h – h) (1.8.5)

где Дпг = 427,13 кг/с – расход пара на парогенератор,

hпг = 3322,95 кДж/кг – энтальпия свежего пара,

hпв = 1172,36 кДж/кг – энтальпия питательной воды,

Дпп = 358,24 кг/с – расход пара на пароперегреватель,

h = 3554,5 кДж/кг – энтальпия пара в парогенераторе,

h= 2956,64 кДж/кг – энтальпия пара перед парогенератором.

Qпг= 427,13 (3322,95-1172,36)+358,24(3554,5-2956,64)

Qпг= 1132758,873 кВт

Коэффициент полезного действия транспорта тепла:

hтр =  (1.8.6)

hтр =

hтр = 0,986

Расход тепла топлива:


Qс =  (1.8.7)

где hпг = 0,925 – коэффициент полезного действия парогенератора,

Qс =

Qс = 1224604,187 кВт

Коэффициент полезного действия энергоблока (брутто):

hэс =  (1.8.8)

hэс =

hэс = 0,424

Удельный расход тепла на энергоблок:

qэс =  (1.8.9)

qэс =

qэс = 2,358 кДж/кВт

Коэффициент полезного действия энергоблока (нетто):

h= hэс (1-Эсн) (1.8.10)

где Эсн = 0,03 – собственный удельный расход электроэнергии.

h= 0,424 (1-0,03)

h= 0,411


Удельный расход условного топлива (нетто) на энергоблок:

b=  (1.8.11)

b=

b= 83,02 г/МДж = 300,58 г/кВт·ч

Коэффициент полезного действия станции:

hст = h·hтр · hпг (1.8.12)

где h= 0,411 – коэффициент полезного действия энергоблока (нетто),

hтр = 0,986 – коэффициент полезного действия транспорта,

hпг = 0,925 – коэффициент полезного действия парогенератора.

hст = 0,411·0,986·0,925

hст = 0,377

Удельный расход условного топлива на станцию (нетто):

b=  (1.8.13)

b=

b= 326,26 г/кВт·ч

1.9 Расчет подогревателя низкого давления

Произведем тепловой, гидравлический и прочностной расчет подогревателя низкого давления ПНД № 4.

Тепловой расчет ПНД № 4

Расход греющего пара:

Д0 = Gк  (1.9.1.1)

где Gк = aкд·Д0 (1.9.1.2)

где aкд = 0,81273 – доля расхода конденсата в деаэраторе,

Д0 = 420,82 кг/с – расход греющего пара на турбину,

Gк = 0,81273·420,82

Gк = 342 кг/с

hвых = 626,79 кДж/кг – энтальпия воды на выходе,

hвх = 542,95 кДж/кг – энтальпия воды на входе,

hп = 3056 кДж/кг – энтальпия пара (см. таблицу 1.1),

hн = 645,2 кДж/кг – энтальпия насыщенного пара (см. таблицу 1.1),

hп = 0,98 – коэффициент полезного действия.

Д0 = 342·

Д0 = 12,14 кг/с

Количество теплоты, передаваемое греющим паром в подогревателе:

Q = Д0 (hп - hн) hп (1.9.1.3)

где Д0 = 12,14 кг/с – расход греющего пара в подогревателе,

hп = 3056 кДж/кг – энтальпия пара (см. таблицу 1.1),

hн = 645,2 кДж/кг – энтальпия насыщенного пара (см. таблицу 1.1),

hп = 0,98 – коэффициент полезного действия.

Q = 12,14 (3056 – 645,2) 0,98

Q = 28681,8 кВт


Значение температурного напора:

Dt =  (1.9.1.4)

где  = tн4 – tн5

 = 153-133

 = 20°С

 = tн4 – t"в4

 = 4°С

Dt =

Dt = 9,9°С

Для расчета принимаем коэффициент теплопередачи К=4,668 кВт/м2·°С.

Требуемая поверхность в этом случае составит:

F =  (1.9.1.5)

где Q = 28681,8 кВт – количество теплоты, передаваемое греющим паром в подогревателе,

К = 4,668 кВт/м2·°С – коэффициент теплопередачи,

Dt = 9,9°С – температурный напор,

F =

F = 620,6 м2

С учетом принятой поверхности предварительно принимаются основные размеры подогревателя. Подогреватель выполняется с одной трубной доской и U-образными латунными трубками диаметром 16х0,75 мм. Приняв шахматное расположение труб (S1 = 22 мм и S2 = 19 мм) с коэффициентом заполнения трубной доски h = 0,48 и скорость движения воды в трубах wв = 1,2 м/с, можно определить число параллельных труб по ходу воды:

Z1 =  (1.9.1.6)

где Gк = 342 кг/с – расход конденсата,

Vк = 0,00107 м3/кг – удельный объем конденсата,

wв = 1,2 м/с – скорость движения воды в трубах,

dв = 0,0145 м – внутренний диаметр трубки.

Z1 =

Z1 = 1848 шт.

Площадь трубной доски, занятая трубами:

Fтр = Z  (1.9.1.7)

где Z = 2Z1 = 3696 шт. – количество трубок в трубной доске,

dн = 0,016 м – наружный диаметр трубки,

h = 0,48 – коэффициент заполнения трубной доски.

Fтр = 3696·

Fтр = 1,547 м2

Средняя длина труб:


l =  (1.9.1.8)

где F = 620,6 м2 – требуемая поверхность для теплопередачи,

Z1 = 1848 шт. – количество трубок,

dн = 0,016 м – наружный диаметр трубки.

l =

l = 3,34 м

Средняя активная длина труб для отдельных отсеков подогревателя:

Накт =  (1.9.1.9)

где ΣНi = 1+1,1+1,24 – сумма длины отдельных отсеков,

Накт =

Накт =1,122 м

Удельное количество теплоты, передаваемое греющим паром в подогреватель:

q =  (1.9.1.10)

где Q = 28681,8 кВт – количество теплоты, передаваемое греющим паром в подогреватель,

F= 620,6 м2 – требуемая поверхность,

q =

q = 46,22 кВт/м2

Для определения коэффициента теплоотдачи от конденсирующегося пара к стенке труб необходимо вначале установить режим движения пленки конденсата.

Значение числа Рейнольдса для пленки конденсата на нижней кромке поверхности:

Re =  (1.9.1.11)

где q = 46,22 кВт/м2 – удельное количество теплоты,

l = 3,34 м – средняя длина труб,

r = 2104,3 кДж/кг – удельная теплота испарения,

r = 914,12 кг/м3 – плотность среды,

ν = 0,1994·10-6 м2/с – кинетическая вязкость.

Re =

Re = 402

Так как Re = 402 > Reкр = 100, то средний коэффициент теплоотдачи от конденсирующегося пара к стенкам труб:

a1 = l  (1.9.1.12)

где l = 0,6837 Вт/м·°С – теплопроводность,

g = 9,81 м/с2 – ускорение свободного падения,

ν = 0,1994·10-6 м2/с – кинетическая вязкость,

Pr = 1,149 – число Прандтля,

Re = 402 – число Рейнольдса.

a1 = 0,6837

a1 = 9542 Вт/м2·°С

Физические параметры конденсата, движущегося внутри труб, принимаются при значении температуры, равном:

tср =  (1.9.1.13)

где tвх = 129°С – температура конденсата на входе,

tвых = 149°С – температура конденсата на выходе,

tср =

tср = 139°С

Число Рейнольдса в этом случае:

Reж =  (1.9.1.14)

где wв = 1,2 м/с – скорость движения воды в трубах,

dв = 0,0145 м – внутренний диаметр трубки,

ν = 0,2186·10-6 м2/с – кинетическая вязкость жидкости.

Reж =

Reж = 79597

Reж > Reкр, то есть режим движения конденсата турбулентный. При tж ≈ tст ≈139°С, Рr ж = 1,27, а eв = 1, тогда

 (1.9.1.15)

где  - число Нуссельта,

Reж = 79597 – число Рейнольдса для жидкости,

Prж = 1,27 – число Прандтля для жидкости,

Prст = 1,27 – число Прандтля для стенки.

 = 194

Средний коэффициент теплоотдачи от стенки труб к конденсату:

 (1.9.1.16)

где  = 194 – число Нуссельта,

lж = 0,6837 Вт/м·°С – теплопроводность,

dв = 0,0145 м – внутренний диаметр трубки.

 = 9147 Вт/м2·°С

Определяем коэффициент теплопередачи:

К =  (1.9.1.17)

К =

К = 4,67 Вт/м2·°С

Отличие полученного значения К составляет:

DК = 4,67-4,668=0,2% < 2%, что допустимо.

Принимаем это значение К.

Гидравлический расчет поверхностного подогревателя низкого давления

Задачей гидравлического расчета подогревателя является определение его гидравлического сопротивления.

Для любого элемента или участка подогревателя гидравлическое сопротивление определяется выражением:

D Р =  (1.9.2.1)

где Σ – гидравлические потери, возникающие при движении теплоносителя за счет трения о стенки труб;

 - гидравлические потери при движении теплоносителя, вызванные местными сопротивлениями;

lакт = 1,122 м – длина активной части труб.

Коэффициент сопротивления трения:

l = 0,1  (1.9.2.2)

где D = 0,01·10-3 м – шероховатость стенок труб,

dэ = 0,0145 м – внутренний диаметр трубки,

Re= 79597 – число Рейнольдса.

l = 0,1

l = 0,0218

Gм = 4,5 – коэффициент местного сопротивления.

Подставим значение в формулу (1.9.2.1):

D Р =

D Р = 4,45·103 Па

Прочностной расчет подогревателя низкого давления поверхностного типа

Расчет цилиндрических элементов (корпуса)

Номинальная толщина S стенки (мм) цилиндрического элемента, нагруженного внутренним давлением среды, определяется по формуле:

S1 ³  (1.9.3.1)

где Р = 0,516 МПа – расчетное избыточное давление;

dв = 1404 мм – номинальный внутренний диаметр цилиндрического элемента,

σ = 122,3 МПа – номинальное допускаемое напряжение;

j = 1 – коэффициент прочности;

С = 1 мм – прибавка к расчетной толщине стенки.

S1 ³

S1 ³ 3,97 мм

Из конструктивных соображений принимаем толщину стенки корпуса S1=10 мм.

Расчет на прочность днищ (эллиптического)

Толщина стенки эллиптического днища, нагруженного внутренним давлением, определяется по формуле:

S2 ³  (1.9.3.2)

где Р = 0,516 МПа – расчетное избыточное давление.


Rв =  (1.9.3.3)

где dв = 1404 мм – номинальный внутренний диаметр.

0,2 £ £ 0,5 (1.9.3.4)

0,2 £ Н £ 0,5

Принимаем = 300 мм – высота нецилиндрической части днища.

Rв =

Rв = 1643 мм – радиус кривизны в вершине днища,

j = 1 – коэффициент прочности,

σ = 122,3 МПа – номинальное допускаемое напряжение,

С = 1 мм – прибавка к расчетной толщине стенки,

S2 ³

S2 ³ 4,47 мм

Из конструктивных соображений принимаем толщину стенки эллиптического днища S2 = 20 мм.

Расчет трубной доски

Толщина трубной доски, находящейся под предельно-допустимым растягивающим напряжением, определяется по формуле:

Sт.д. = 0,393·К·dТ.Д.в. (1.9.3.5)

где К = 1 – коэффициент, учитывающий способ закрепления трубной доски,

dТ.Д.в. = 1404 мм – внутренний диаметр трубной доски,

j = С1 – С2· d/t (1.9.3.6)

где j - коэффициент прочности,

С1 = 0,935 – постоянная, принимается в зависимости от способа разбивки отверстий,

С2 = 0,65 – постоянная. принимается в зависимости от способа разбивки отверстий,

d = 1,02dтр.н. (1.9.3.7)

d = 1,02·16

d = 16,32 мм – диаметр отверстий в трубной доске,

t = 1,4 dтр.н. (1.9.3.8)

t = 1,4·16

t = 22,4 мм – шаг отверстий в трубной доске,

j = 0,46

σТ.Д. = 90 МПа – допускаемое напряжение для материала трубной доски,

Р = 0,516 МПа – расчетное избыточное давление,

σа.с. = 40 МПа – допускаемое напряжение для материала анкерной связи,

nа.с. = 6 – количество анкерных связей,

fа.с. = πR2 (1.9.3.9)

где R = 22,5 – радиус анкерной связи,

fа.с. = 3,14·22,52

fа.с. = 1590 мм2

dа.с. = 0,5 dТ.Д.в. (1.9.3.10)

dа.с. = 0,5·1404

dа.с. = 702 мм

Sт.д. = 0,393·1·1404·

Sт.д. = 32 мм

Из конструктивных соображений принимаем толщину трубной доски Sт.д. = 40 мм.


2. ВЫБОР ОБОРУДОВАНИЯ

Выбор теплообменников заключается в расчете поверхности нагрева для определения типа подогревателя.

Подогреватель высокого давления, подогреватель низкого давления поверхностного типа, деаэратор повышенного давления, конденсатор.

2.1 Расчет подогревателя высокого давления ПВД № 1 и выбор его

типа

Произведем расчет подогревателя высокого давления ПВД № 1 и выберем его тип.

Найдем перегрев воды в охладителе пара ОП, собственно подогревателя СП, охладителя дренажа ОД.

ОП:

qОП = hП1 – h"П1 (2.1.1)

где hП1 = 3037 кДж/кг – энтальпия пара первого отбора,

h"П1 = 2791,3 кДж/кг – энтальпия пара на выходе из подогревателя высокого давления ПВД № 1.

qОП = 3037 – 2791,3

qОП = 245,7 кДж/кг

СП:

qСП = h"П1 – h'в (2.1.2)

где h"П1 = 2791,3 кДж/кг – энтальпия пара на выходе из подогревателя высокого давления ПВД № 1,

h'в = 1174,9 кДж/кг – энтальпия воды перед подогревателем высокого давления ПВД № 1.

qСП = 2791,3 – 1174,9

qСП = 1616,4 кДж/кг

ОД:

qОД = h'в - hд (2.1.3)

где h'в = 1174,9 кДж/кг – энтальпия воды перед подогревателем высокого давления ПВД № 1,

hд = 1120 кДж/кг – энтальпия дренажа подогревателя высокого давления ПВД № 1.

qОД = 1174,9 – 1120

qОД = 54,9 кДж/кг

Определим количество теплоты, передаваемое греющим паром в подогревателе.

Qi = ДП·qi (2.1.4)

где ДП = 22,14 кг/с – расход пара на турбину.

Для ОП:

QОП = ДП·qОП (2.1.5)QОП = 22,14·245,7

QОП = 54,39 Вт

Для СП:

QСП = ДП·qСП (2.1.6)QСП = 22,14·1616,4

QСП = 35787,1 Вт

Для ОД:

QОД = ДП·qОД (2.1.7) QОД = 22,14·54,9

QОД = 1215,5 Вт

Определяем поверхность охладителя пара ОП.

Принимаем коэффициент теплопередачи К = 2 кВт/м2·°С.

FОП =  (2.1.8)

где  = 5439,8 Вт – количество теплоты, передаваемое греющим паром в охладителе пара ОП.

К = 2 кВт/м2·°С – коэффициент теплопередачи,

- температурный напор в охладителе пара.

=  (2.1.9)

где Dtб = tП1 – tв2 (2.1.10)

где tП1 = 339°С – температура пара в охладителе пара ОП (см.таблицу 1.2),

tв2 = 268°С – температура воды за охладителем пара (см. таблицу 1.2).

Dtб = 339-268

Dtб = 71°С

Dtм = tн – t'в.ОП (2.1.11)

где tн = 270°С – температура насыщенного пара в ОП (см. таблицу 1.2),

t'в.ОП = 263°С – температура воды на входе в ОП (см. таблицу 1.2).

=

= 27,62°С

FОП =

FОП = 98,5 м2

Определяем поверхность собственно подогревателя СП.

Значение температурного напора СП:

=  (2.1.12)

где Dtб = tн – t'в.СП (2.1.13)

где tн = 270°С – температура насыщенного пара,

t'в.СП = 252°С – температура воды на входе в СП,

Dtб = 270-252

Dtб = 18°С

Dtм = tн – t'в.ОП (2.1.14)

где t'в.ОП = 263°С – температура воды на входе в ОП.

Dtм = 270-263

Dtм = 7°С

=

= 11,65°С

FСП =  (2.1.15)

где QСП = 35787,1 Вт – количество теплоты, передаваемое греющим паром в СП,

К = 2 кВт/м2·°С – коэффициент теплопередачи,

= 11,65°С – температурный напор в СП.

FСП =

FСП = 1535,93 м2

Значение температурного напора ОД:

=  (2.1.16)

где Dtб = tн – t'в.СП (2.1.17)

где tн = 270°С – температура насыщенного пара,

t'в.СП = 252°С – температура воды на входе в СП,

Dtм = tд – tв1 (2.1.18)

где tд = 257°С – температура дренажа ОД (см. таблицу 1.2),

tв1 = 247°С – температура воды перед ОД (см. таблицу 1.2),

Dtм = 257-247

Dtм = 10°С

=

= 13,61°С

Определяем поверхность ОД:

FОД =  (2.1.19)


где QОД = 1215,5 Вт – количество теплоты, передаваемое греющим паром в ОД.

FОД =

FОД = 44,65 м2

Для определения типа ПВД находим общую теплопередающую поверхность подогревателя:

F = FОП + FСП + FОД , (2.1.20)

где FОП = 98,5 м2 – поверхность ОП,

FСП = 1535,93 м2 – поверхность СП,

FОД = 44,65 м2 – поверхность ОД.

F = 98,5 + 1535,93 + 44,65

F = 1679,08 м2

Так как тепловая мощность первого подогревателя высокого давления ПВД № 1 больше, чем у остальных ПВД, то принимаем группу ПВД с одинаковой поверхностью из стандартных теплообменников. Выбираем группу ПВД равнопрочностных:

ПВД № 1 ПВ-2300-380-66,

ПВД № 2 ПВ-2300-380-66,

ПВД № 3 ПВ-2300-380-66.

 

2.2 Выбор подогревателей низкого давления поверхностного типа

Исходя из расчета, проделанного в разделе 1.9, выбираем по площади теплообмена подогревателей ряд ПНД для данной турбоустановки:

принимаем группу ПНД с подогревателями типа ПН-900-29-6.


2.3 Выбор деаэратора

Выбираем деаэраторы повышенного давления 0,7 МПа для деаэрации воды следующего типа: 2хДСП-800 с расходом воды на выходе, равным расходу конденсата турбоагрегатом и равным 1600 т/ч. В схеме задействовано два деаэратора производительностью по 800 т/ч каждый. Имеется запас воды на случай аварийной ситуации с обеспечением работы турбоагрегата на 15 минут.

2.4 Выбор конденсатора

Конденсатор выбирают по максимальному расходу пара в конденсатор, температуре охлаждающей воды, давлению в конденсаторе, расходу охлаждающей воды.

Определим поверхность охлаждения конденсатора:

Fк =  (2.4.1)

где Д = 250,62 кг/с – расход пара в конденсатор,

hк = 2338 кДж/кг – энтальпия пара (см. таблицу 1.1),

h'в = 111,11 кДж/кг – энтальпия воды перед конденсатором (см. таблицу 1.1),

К = 3 кВт/м2·°С – коэффициент теплопередачи.

=  (2.4.2)

где Dtб = tп8 – t'пк (2.4.3)

где tп8 = 60°С – температура пара 8-го отбора (см. таблицу 1.1),

tпк = 26,7°С – температура пара конденсатора (см. таблицу 1.1),

Dtб = 60-26,7

Dtб = 33,3°С

Dtм = 4°С

=

= 13,8°С – температурный напор конденсатора.

Fк =

Fк = 13480,75 м2

По площади охлаждение выбираем два конденсатора К-11520х2.

2.5 Выбор конденсатных насосов

Расход конденсата турбоустановки:

Gк = Д0 · 0,78 (2.5.1)

где Д0= 420,82 кг/с – расход пара на турбину,

Gк = 420,82 · 0,78

Gк = 328,24 кг/с = 1181,66 т/ч

Выбираем две ступени конденсатных насосов:

первая ступень КЭН I-2хКСВ-1600-90,

вторая ступень КЭН II-2хЦН-1600-220/

2.6 Выбор питательного насоса

Выбор осуществляется по обеспечению парогенератора заданным давлением среды на входе и максимального расхода.

Выбираем два насоса 2хПН-950-350.

2.7 Выбор парогенератора

Выбор осуществляется по максимальному расходу пара на турбину. Выбираем парогенератор П-49-2. Исходные данные парогенератора занесены в таблицу 2.1.

Таблица 2.1 – Исходные данные парогенератора

1. Завод-изготовитель ЗИО
2. Тип агрегата П-49-2
3. Производительность, т/ч 1600

4. Параметры пара:

- давление, МПа

- температура, °С

25

540

5. Параметры пара промперегрева:

- давление, МПа

- температура, °С

3,3

545

6. Температура питательной воды, °С 240
7. КПД парогенератора, % 90

Таким образом, рассчитанная схема энергоблока имеет неплохие показатели тепловой экономичности. а именно полученный коэффициент полезного действия (нетто) составил 41,1%, что является выше КПД некоторых действующих конденсационных электростанций.

Рабочая среда движется под действием 2 конденсатных и 2 питательных насосов.

Выбранное оборудование соответствует параметрам схемы, что обеспечивает его надежную работу в течение всего гарантийного срока.


3. СПЕЦИАЛЬНАЯ ЧАСТЬ

3.1 Расчет принципиальной тепловой схемы энергоблока со

смешивающими подогревателями

При замене подогревателей ПНД № 1 и ПНД № 2 поверхностного типа на подогреватели смешивающего типа необходимо произвести новый расчет ряда ПНД.

Расчет подогревателей низкого давления ПНД № 4 и ПНД № 5 и смесителя СМ1

Для нахождения доли расхода пара на ПНД № 4, ПНД № 5 и СМ1 составим и решим уравнение теплового баланса.

П4. a4 (hп4 – hн4) = aк(hв4 – hв СМ1) (3.1.1.1)

СМ1.a5 = aкд - a4 - a5 (3.1.1.2)

П5.a5(hп5 – hн5) + a4 (hн4 – hн5) = aк5(hв5 – hв6) (3.1.1.3)

Решаем систему уравнений:

где aк5 – доля конденсата в ПНД № 5,

a4 – доля расхода пара в ПНД № 4,

a5 – доля расхода пара в ПНД № 5,

hв4 = 626,79 кДж/кг – энтальпия воды на выходе из ПНД № 4,

hп = 0,995 – КПД пара,

hп4 = 3212 кДж/кг – энтальпия пара ПНД № 4,

hн4 = 645,2 кДж/кг – энтальпия насыщенного пара ПНД № 4,

hв5 = 542,95 кДж/кг – энтальпия воды на выходе из ПНД № 5,

hн5 = 559,2 кДж/кг – энтальпия насыщенного пара ПНД № 5,

aкд = 0,81273 – доля расхода основного конденсата, подведенного в деаэратор.

(0,81273-a4-a5+a4+a5)626,79-0,992(a4(3212-645,2))=

=0,995((0,81273-a4-a5)542,95+(a4+a5)559,2)

a4 = 0,0274-0,00629a5 (3.1.1.4)

h ((a5(hв5 – hв6)(0,81273-0,0274+0,00629a5-a5) (3.1.1.5)

где hв6 = 445,82 кДж/кг – энтальпия воды на выходе из ПНД № 6.

0,995(a5(2918-559,2)+(0,0274-0,00629a5)(645,2-559,2))=

=(542,95-445,82)(0,81273-0,0274+0,00629a5-a5)

a5 = 0,03025

a4 = 0,0274-0,00629·0,03025

a4 = 0,02721

aк5 = 0,81273-0,02721-0,03025

aк5 = 0,75527

Расчет энтальпии смесителя СМ1

hСМ1 =  (3.1.1.6)

где hСМ1 – энтальпия конденсата в СМ1.

hСМ1 =

hСМ1 = 541,38 кДж/кг

Расчет подогревателей низкого давления № 6 и № 7

Для нахождения доли расхода пара на ПНД № 6, ПНД № 7 составим и решим уравнение теплового баланса.


П6. a6 (hп6 – hн6) = aк5(hв6 – hпн) (3.1.2.1)

П7.a7 (hп7 – hн7)+a6(hн6 – hн7)= aк7(hв7 – hв8) (3.1.2.2)

где a6 – доля расхода пара на ПНД № 6,

hп6 = 2812 кДж/кг – энтальпия пара ПНД № 6,

hн6 = 461,36 кДж/кг – энтальпия воды на выходе ПНД № 6,

aк5 = 0,75527 – доля конденсата в ПНД № 5,

hв6 = 445,82 кДж/кг – энтальпия воды на выходе из ПНД № 6,

hпн = 438,02 кДж/кг – энтальпия питательного насоса,

a7 – доля расхода пара на ПНД № 7,

hп7 = 2720 кДж/кг – энтальпия пара ПНД № 7,

hн7 = 398,02 кДж/кг – энтальпия насыщенного пара ПНД № 7,

aк7 – доля расхода конденсата в ПНД № 7,

hв7 = 383,01 кДж/кг – энтальпия воды на выходе из ПНД № 7,

hв8 = 219,84 кДж/кг – энтальпия воды на выходе из ПНД № 8.

Подставим значение в (3.1.2.1):

a6(2812-461,36) = 0,75527(445,82-438,02)

a6 = 0,00251

Подставим значение в (3.1.2.2):

a7(2720-398,02)+0,00251(461,36-398,02) = aк7(398,02-234,42)

a7 = 0,04642

Расчет подогревателя низкого давления № 8, охладителя уплотнений ОУ, смесителя СМ2

Для нахождения доли расхода пара на ПНД № 8, смесителя СМ2 и охладителя уплотнений ОУ составим и решим уравнения теплового баланса.

П.8 aп8 (hп8 – hн8)+aп7(hп7 – hн7) = aк7(hн8 – h"ОУ) (3.1.3.1)

ОУaОУ (hОУ – h) = aк7(h – hСМ2) (3.1.3.2)

СМ2.aк7 hСМ2 = a'к7 – hк +(aп7 +aп8)hн8 +aОУh"ОУ (3.1.3.3)

a'к7 = aк7 - (aп7 + aп8 + aОУ) (3.1.3.4)

где aп8 – доля расхода пара на ПНД № 8,

hп8 = 2512 кДж/кг – энтальпия пара ПНД № 8,

hн8 = 234,12 кДж/кг – энтальпия насыщенного пара ПНД № 8,

aп7 – доля расхода пара на ПНД № 7,

hн7 = 398,02 кДж/кг – энтальпия насыщенного пара ПНД № 7,

aк7 – доля расхода конденсата на ПНД № 7,

h= 188,44 кДж/кг – энтальпия дренажа ОУ,

h = 2582,5 кДж/кг – энтальпия пара в ОУ,

aОУ = 0,0018 – доля расхода пара на ОУ,

h"ОУ - энтальпия пара после ОУ,

hСМ2 – энтальпия воды в смесителе СМ2,

a'к7 – доля расхода конденсата,

hк = 111,11 кДж/кг – энтальпия конденсата.

Решаем систему уравнений:

h"ОУ = 125,51+174,58a8 (3.1.3.5)

Подставляем (3.1.3.5) в уравнение (3.1.3.1)

2277,58a8 + 7,594 = 165,58 – 0,70634(125,51 + 174,58a8)

a8 = 0,028878

h"ОУ = 125,51+174,58·0,028878

h"ОУ = 130,55 кДж/кг

hСМ2 = 124,45 кДж/кг


3.2 Материальный баланс пара и конденсата

Доли отборов пара из турбины:

a1 = aп1 + aшт = 0,0506+0,002 = 0,0526

a2 = aп2 = 0,0961

a3 = aп3 + aтп = 0,043+0,0618 = 0,1048

a4 = aд = 0,01657

a5 = aп4 = 0,02721

a6 = aп5 = 0,03025

a7 = aп6 = 0,00251

a8 = aп7 = 0,04642

a9 = aп8 = 0,028878

Пропуск пара в конденсатор турбины:

a = a0 - Σai - aу - aупл - aОУ (3.2.1)

где a0 = 1 – весь пар,

Σai = 0,405338 – сумма всех долей расходов пара,

aу = 0,002 – доля расхода пара на утечки,

aупл = 0,002 – доля расхода пара на уплотнения,

aОУ = 0,001 – доля расхода пара на охладитель уплотнений,

a = 1 – 0,405338 – 0,002 – 0,002 – 0,001

a = 0,589662

Количество конденсата в конденсаторе:

a = aк7 - a8 - aэ - aОУ - aтп - aдв (3.2.2)

где aк7 = 0,70634 – доля расхода конденсата на ПНД № 7,

a8 = 0,28878 – доля расхода конденсата на ПНД № 8,

aэ = 0,004 – доля расхода конденсата на эжектор,

aОУ = 0,0018 – доля расхода конденсата на охладитель уплотнений,

aтп = 0,0618 – доля расхода конденсата на турбину привода,

aдв = 0,02 – доля расхода конденсата на добавочную воду.

a = 0,70634 – 0,028878 – 0,001 – 0,0618 – 0,02 – 0,004

a = 0,590662

Определим погрешность материального баланса.

D =  (3.2.3)

D =

D = 0,1696%, что меньше 0,2%, следовательно, погрешность удовлетворяет условию.

3.3 Энергетические показатели турбоустановки и энергоблока.

Энергетический баланс и расход пара на турбоагрегат

Для того, чтобы посчитать энергетический баланс, составим таблицу.

Таблица 3.1 Суммарная работа пара в отдельных отсеках турбины

Отсек турбины Давление пара, МПа

aj

Внутреннее теплопадение Нij, кДж/кг

Внутренняя работа на 1 кг свежего пара ajНij, кДж/кг

0'-1 23,54-5,82

a0-aшт=1-0,002=0,998=a0'1

286 285,43
1-2 5,82-4,13

a1-2=a0'1-a1=0,998-0,0506=0,9474

89 84,32
2'-3 3,61-1,73

a2'-3=a12-a2=0,9474-0,0961=0,8513

196 166,85
3-Д 1,73-0,7

a3-Д=a2'-3-a3-aтп=

=0,8513-0,043-0,0618=0,7465

132 98,54
Д-4 0,7-0,537

aД-4=a3-Д-a4=

=0,7465-0,01657=0,72993

156 113,87
4-5 0,537-0,311

a4-5=aД-4-a4=

0,72993-0,02721=0,70272

138 96,98
5-6 0,311-0,15

a5-6=a4-5-a5=

=0,70272-0,03025=0,67247

106 71,28
6-7 0,15-0,088

a6-7=a5-6-a6=

0,67247-0,00251=0,66996

92 61,64
7-8 0,088-0,0176

a7-8=a6-7-a7=

=0,66996-0,04642=0,62354

208 129,7
8-К 0,0176-0,00363

a8-К=a7-8-a8=

=0,62354-0,028878=0,594662

174 103,47

Определяем расход пара на турбину:

Д0 =  (3.3.1)

гдеWЭ = 500 МПа – мощность энергоблока,

= 1212.08 кДж/кг – сумма внутренней работы на 1 кг свежего пара,

hМ = 0,994 – КПД механический,

hГ = 0,99 – КПД генератора.

Д0 =

Д0 = 419,196 кг/с = 1509,11 т/ч

Удельный расход пара на турбину:

d0 =  (3.3.2)

где WЭ = 500 МПа – мощность энергоблока;

WТП=  (3.3.3)

где aПВ = 1,015 – доля расхода питательной воды,

Д0 = 419,196 кг/с – расход пара на турбину,

Vср = 0,0011 м3/кг – удельный объем,

РН = 34,5 МПа – давление в насосе,

РВ = 0,7 МПа – давление в деаэраторе,

hН = 0,805 – КПД турбопривода.

WТП=

WТП= 19651,54 кВт

a0 =

a0 = 2,904 кг/кВт·ч

Расходы пара и воды, кг/с:

Д1 = a1·Д0 = 0,0526·419,196 = 22,05 (3.3.4)

ДП1 = aП1· Д0 = 0,0506·419,196 = 21,21 (3.3.5)

Д2 = a2·Д0 = 0,0961·419,196 = 40,28 (3.3.6)

Д3 = a3·Д0 =0,1048·419,196 = 43,93 (3.3.7)

ДП3 = aП3·Д0 =0,043·419,196 = 18,03 (3.3.8)

Дд = aд·Д0 = 0,01657·419,196 = 6,95 (3.3.9)

Д4 = a4·Д0 = 0,02721·419,196 = 11,41 (3.3.10)

Д5 = a5·Д0 = 0,03025·419,196 = 12,68 (3.3.11)

Д6 = a6·Д0 =0,00251·419,196 = 1,052 (3.3.12)

Д7 = a7·Д0 = 0,04642·419,196 = 19,46 (3.3.13)

Д8 = a8·Д0 = 0,0028878·419,196 = 12,11 (3.3.14)

Д= a ·Д0 = 0,589662·419,196 = 247,18 (3.3.15)

Количество пара, поступившего на промежуточный перегрев:


Дпп = aпп·Д0 (3.3.16)

где aпп= 0,8513 – доля пара, поступившего на промежуточный перегрев;

Дпп = 0,8513·419,196

Дпп = 356,86 кг/с

Паровая нагрузка парогенератора:

Дпг = aпг·Д0 (3.3.17)

где aпг = 1,015 – доля пара, поступившего на парогенератор,

Дпг = 1,015·419,196

Дпг = 425,48 кг/с

Расход пара на турбопривод:

Дтп = aтп·Д0 (3.3.18)

где aтп= 0,0618 – доля пара, поступившего на турбопривод;

Дтп = 0,0618·419,196

Дтп = 25,91 кг/с

Расход добавочной воды:

Ддв = aдв·Д0 (3.3.19)

где aдв= 0,02 – доля добавочной воды;

Ддв = 0,02·419,196

Ддв = 8,38 кг/с

Энергетические показатели энергоблока и турбоустановки:


Полный расход тепла на турбоустановку:

Qту = Д0 (h0 - hпв)+Дпп(h - h°) (3.3.20)

где Д0 = 419,196 кг/с – расход пара на турбину,

h0 = 3323 кДж/кг – энтальпия свежего пара,

hпв= 1172,36 кДж/кг – энтальпия питательной воды,

Дпп = 356,86 кг/с – расход пара на промперегрев,

h = 3540 кДж/кг – энтальпия перегретого пара в парогенераторе,

h° = 2948 кДж/кг – энтальпия перегретого пара до парогенератора.

Qту = 419,196 (3323-1172,36) + 356,86 (3540-2948)

Qту = 1112800,805 кВт

Расход тепла турбоустановки на производство электроэнергии:

Q= Qту – Ддв (hпв – hдв) (3.3.21)

где Ддв = 8,38 кг/с – расход добавочной воды,

hпв = 1172,36 кДж/кг – энтальпия питательной воды,

hдв = 125,75 кДж/кг – энтальпия добавочной воды,

Q= 1112800,805-8,38·(1172,36-125,75)

Q= 1104030,213 кВт

Удельный расход тепла турбоустановки на производство электроэнергии (без учета собственного расхода электроэнергии и с учетом расхода тепла на турбопривод):

q=  (3.3.22)

где WЭ = 500 МВт – мощность энергоблока,

WТП = 19,65154 МВт – мощность турбопривода.

q=

q= 2,125 кДж/кВт

Коэффициент полезного действия турбоустановки на производство электроэнергии:

h =  (3.3.23)

h =

h = 0,471

Тепловая нагрузка парогенератора:

Qпг= Дпг(hпг – hпв)+Дпп(h – h) (3.3.24)

где Дпг = 425,48 кг/с – паровая нагрузка парогенератора,

hпг = 3322,95 кДж/кг – энтальпия пара в парогенераторе,

hпв = 1172,36 кДж/кг – энтальпия питательной воды,

Дпп = 356,86 кг/с – количество пара, поступившего на промперегрев,

h = 3554,5 кДж/кг – энтальпия пара после промперегрева,

h= 2956,64 кДж/кг – энтальпия пара до промперегрева.

Qпг= 425,48 (3322,95-1172,36)+356,86(3554,5-2956,64)

Qпг= 1128385,353 кВт

Коэффициент полезного действия транспорта тепла:

hтр =  (3.3.25)


hтр =

hтр = 0,986

Расход тепла топлива:

Qс =  (3.3.26)

где hпг = 0,925 – КПД парогенератора,

Qс =

Qс = 1219876,057 кВт

Коэффициент полезного действия энергоблока (брутто):

hэс =  (3.3.27)

hэс =

hэс = 0,426

Удельный расход тепла на энергоблок:

qэс =  (3.3.28)

qэс =

qэс = 2,347 кДж/кВт

Коэффициент полезного действия энергоблока (нетто):


h= hэс (1-Эсн) (3.3.29)

где Эсн = 0,03 – собственный удельный расход электроэнергии.

h= 0,426 (1-0,03)

h= 0,41322

Удельный расход условного топлива на энергоблок (нетто):

b=  (3.3.30)

b=

b= 82,571 г/МДж = 297,256 г/кВт·ч

Коэффициент полезного действия станции (нетто):

hст = h·hтр · hкотла (3.3.31)

hст = 0,41322·0,986·0,93

hст = 0,379

3.4 Тепловой и гидравлический расчет подогревателя смешивающего

типа

Рассчитаем подогреватель низкого давления смешивающего типа №8.

Количество теплоты, воспринимаемое основным конденсатом:

Qк = Gк (hвых - hвх)(3.1)

где Gк = aкд · Д0 – расход конденсата, кг/с,

Gк = 0,81273 · 419,196

Gк = 340,69 кг/с

hвых = 234,4 кДж/кг – энтальпия конденсата на выходе, при условии полного отсутствия недогрева конденсата до температуры насыщения пара;

hвх = h"оу = 130,6 кДж/кг

Qк = 340,69 (234,4 – 130,6 )·10-3

Qк = 35,364 МВт

Расход пара на подогреватель определяем при условии, что выпар его составляет 0,5 кг/т основного конденсата, при этом теплота выпара ПНД № 7 используется в ПНД № 8.

Теплота выпара ПНД № 7

Qв7 = 0,0005 · Gк · hп7 (3.2)

где Qк = 340,69 кг/с – расход конденсата

hп7 = 2720 кДж/кг – энтальпия пара

Qв7 = 0,0005 · 340,69 · 2720 · 10-3

Qв7 = 0,463 МВт

Теплота выпара ПНД № 8 составляет:

Qв8 = 0,0005·Gк· hп (3.3)

где Gк = 340,69 кг/с – расход конденсата

hп8 = 2512 кДж/кг – энтальпия пара

Qв8 = 0,0005·340,69·2512·10-3

Qв8 = 0,428 МВт

Тогда расход греющего пара на подогреватель


Дп = (3.4)

где Qк = 35,364 МВт – количество теплоты, воспринимаемое основным конденсатом

Qв8 = 0,428 МВт – теплота выпара ПНД № 8

Qв7 = 0,463 МВт – теплота выпара ПНД № 7

hп8 = 2512 кДж/кг – энтальпия пара

hн8 = 234,4 кДж/кг – энтальпия воды перед подогревателем

Дп =

Дп = 15,512 кг/с

При принятой конструктивной схеме подогревателя принимаем расстояние между тарелками l1 = 0,38 м, l2 = 0,5 м и l3 = 0,48 м, высоту подпора воды на тарелках при расчетной нагрузке h = 0,125 м и диаметр отверстий 8 мм.

Скорость истечения воды из отверстий верхней тарелки:

vв1 = а· (3.5)

где а = 0,6

g = 9,81 м/с2

h = 0,125 м

vв1 = 0,6·

vв1 = 0,94 м/с

Необходимое число отверстий в тарелке:

n = (3.6)


где Gк = 340,69 кг/с – расход конденсата

Vк = 0,00101 м3/кг – удельный объем конденсата при его температуре tк=45°С.

n =

n = 7286

При шахматном расположении отверстий с шагом S1 = S2 = 2,5d = 0,02 м необходимая площадь тарелки составит:

F = n· S1 · S2 · sin 60°(3.7)

F = 7286·0,022·0,866

F = 2,52 м2

Из конструктивных соображений принимаем, что ширина струйного пучка первого отсека на входе и выходе потока пара одинакова и равна Lвх=Lвых=4 м.

Предварительно принимаем, что нагрев конденсата в первом струйном отсеке составит 6,08°С. Тогда температура конденсата на входе во второй отсек равна t2=45+6,08=51,08°С (энтальпия h2 = 213,52 кДж/кг).

Количество сконденсированного пара в первом отсеке в этом случае составит:

Дп1 = (3.8)

где G = 340,69 кг/с – расход конденсата

h2 = 213,52 кДж/кг – энтальпия конденсата на входе во второй отсек.

hвх8 = 130,6 кДж/кг – энтальпия конденсата на входе,

hп8 = 2512 кДж/кг – энтальпия пара.

Дп1 =

Дп1 = 12,29 кг/с

Скорость пара на входе в струйный отсек:

vп вх = (3.9)

где u" = 11,482 м3/кг – удельный объем пара,

Дп1 = 12,29 кг/с – сконденсированный пар в первом отсеке.

Дв1 = 0,0005·Gк

Дв1 = 0,0005·340,69

Дв1 = 0,17 кг/с

l1= 0,38 м – расстояние между тарелками,

hвх = 4 м – ширина струйного пучка первого отсека на входе.

vп вх =

vп вх = 94,12 м/с

Скорость пара на выходе из отсека:

vп вх =  (3.10)

где Дв1 = 0,17 кг/с

u" = 11,482 м3/кг – удельный объем пара,

l1= 0,38 м – расстояние между тарелками,

Lвых = 4 м – ширина струйного пучка первого отсека на выходе,

vп вых = 1,284 м/с

Средняя скорость пара в струйном отсеке:


vп ср =  (3.11)

где vп вх = 94,12 м/с – скорость пара на выходе в струйный отсек,

vп вых = 1,284 м/с – скорость пара на выходе из отсека,

vп ср =

vп ср = 21,617 м/с

С учетом опыта эксплуатации принимаем, что расход воздуха в первом отсеке составляет 0,0055 кг/с. Тогда расход паровоздушной смеси на входе в отсек Дсм вх = Дп1 + Дв1 + 0,0055 = 12,19+0,17+0,0055=12,4695 кг/с, а на выходе из отсека Дсм вых = Дв1 + 0,0055 =0,1755 кг/с.

Относительное содержание неконденсирующихся газов в паровоздушной смеси на входе и выходе из отсека будет равно:

Пвх =  (3.12)

где Gвозд = 0,0055 кг/с – расход воздуха в первом отсеке,

Дсм вх = 12,4655 кг/с – расход паровоздушной смеси на входе в отсек.

Пвх =

Пвх = 0,000441

Пвых =  (3.13)

где Дсм возд = Дсм вых = 0,1755 кг/с

Пвых =

Пвых = 0,031339

Среднее относительное содержание неконденсирующихся газов:

Пср =  (3.14)

где Пвых = 0,031339

Пвх = 0,000441

Пср =

Пср = 0,00725

При значении tвх = 45°С число Рr = 3,925, а коэффициент поверхностного натяжения s = 68,77·10-4 кг/м = 0,00688 кг/м

Находим значение t2 из уравнения:

lg  (3.15)

где l = 0,38 м – длина струй,

d = 0,008 м – диаметр отверстий в тарелке,

П =

где vп = 21,617 м/с – скорость пара,

vв = 0,94 м/с – скорость истечения воды из отверстий,

Pr = 3,31 – число Прандтля,

s = 669,55·10-4 = 0,06696 кг/м – поверхностное натяжение,

rп = 985,65 кг/м3 – плотность пара,

tн = 56°С – температура насыщения пара,

t1 = 45°С – температура конденсата в начале струи,

t2 - температура конденсата в конце струи, °С.

lg

t2 = 51,1°С, что весьма близко к принятому ранее значению.

Расход конденсата, поступающего во второй отсек:

Gк2 = Gк + Дп1 (3.16)

где Gк = 340,69 кг/с – расход конденсата,

Дп1 = 12,29 кг/с – сконденсировавшийся пар в первом отсеке.

Gк2 = 340,69 + 12,29

Gк2 = 352,98 кг/с.

Скорость истечения воды из отверстий второй тарелки при высоте подпора 0,065 м.

vв2 = а· (3.17)

vв2 = 0,6·

vв2 = 0,678 м/с

Число отверстий в тарелке:

n =  (3.18)

где Gк2 = 352,98 кг/с – расход конденсата, поступающего во второй отсек.

Vк = 0,00101 м2/кг – удельный объем конденсата,

d = 0,008 м – диаметр отверстий,

vв2 = 0,678 м/с – скорость истечения воды из отверстий второй тарелки.

n =

n = 10466

Необходимая площадь тарелки составит:

F2 = n· S1 · S2 · sin 60° (3.19)

F2 = 10466·0,022·0,866

F2 = 3,626 м2

Предварительно принимаем подогрев основного конденсата во втором отсеке равным 10°С. Тогда температура конденсата в конце второго отсека tк2=tк1+Dtк2 = 51,1+10=61,1°С (энтальпия конденсата hк2=255,5 кДж/кг и Dhк2=42 кДж/кг).

Количество пара, сконденсированного в отсеке:

Дп2 =  (3.20)

где Gк2 = 352,98 кг/с – расход конденсата, поступающего во второй отсек,

Dhк2 = 42 кДж/кг – разность энтальпий,

hп = 2512 кДж/кг – энтальпия пара,

hк2 = 255,5 кДж/кг – энтальпия конденсата.

Дп2 =

Дп2 = 6,57 кг/с

В соответствии с рекомендациями расход пара на выходе из отсека следует принимать равным 30% расхода пара в первый отсек, то есть


Д вых п2= 0,3 Д вх п1 (3.21)

где Д вх п1 = 12,29 кг/с – сконденсировавшийся пар в первом отсеке.

vвых п2 =

vвых п2 = 23,52 м/с

Средняя скорость в отсеке:

v ср п2 =  (3.22)

где = 45,296 м/с – скорость пара на входе,

 = 23,52 м/с – скорость пара на выходе.

v ср п2 =

v ср п2 = 33,227 м/с.

По формуле находим расчетное значение tк2:

lg  (3.23)

где Pr = 3,31 – число Прандтля,

s = 675,283·10-4 кг/м2 – поверхностное натяжение конденсата,

rп = 975,6 кг/м3 – плотность пара,

v = 33,227 м/с – средняя скорость пара в отсеке,

vв = 0,678 м/с – скорость воды,

d = 0,008 м – диаметр отверстий,

l = 0,5 м – расстояние между тарелками,

tн = 56°С – температура насыщения,

tк1 = 51,1°С – температура конденсата в первом отсеке.

Д вых п2= 0,3·12,29

Д вых п2= 3,687 кг/с

Расход пара на входе в отсек:

Д = Д вых п2+ Дп2 (3.24)

где Дп2 = 6,57 кг/с – пар, сконденсировавшийся в отсеке,

Д = 3,687 + 6,57

Д = 10,257 кг/с

Скорость пара при ширине струйного пучка на входе hвх2 = 5,2 м.

v =  (3.25)

где Д = 10,257 кг/с

u" = 11,482 м3/кг – удельный объем,

l2 = 0,5 м – расстояние между тарелками,

hвх2 = 5,2 м

v =

v = 45,296 м/с

Ширина струйного пучка на выходе пара из отсека равна 3,6 м. Тогда скорость пара на выходе из отсека:


 =  (3.26)

где Д вых п2= 3,687 кг/с – расход пара на выходе из отсека,

u" = 11,482 м3/кг – удельный объем,

l2 = 0,5 м – расстояние между тарелками.

Значение отношения П для второго и третьего отсеков может быть принято равным 1.

lg

tк2 = 54,36°С

С учетом конденсации пара во втором отсеке расход конденсата через третью тарелку составит:

Gк3 = Gк2 + Дп2 (3.27)

где Gк2 = 352,98 кг/с – расход конденсата, поступающего во второй отсек.

Дп2 = 6,57 кг/с – количество пара, сконденсированного в отсеке.

Gк3 = 352,98 + 6,57

Gк3 = 359,55 кг/с

Принимаем высоту слоя воды над третьей тарелкой h = 0,06 м, тогда скорость истечения конденсата через отверстия:

vв3 = а· (3.28)

vв3 = 0,6·

vв3 = 0,65 м/с


Число отверстий в тарелке:

n =  (3.29)

где Gк3 = 359,55 кг/с – расход конденсата в третьем отсеке,

Vк = 0,00101 м3/кг – удельный объем конденсата,

d = 0,008 м – диаметр отверстий,

vв3 = 0,65 м/с – скорость истечения конденсата через отверстия,

n =

n = 11120

Предварительно принимаем, что подогрев основного конденсата в подогревателе 0,1°С, то есть подогрев в третьем отсеке составляет 1,4°С, тогда tк3=tк2+Dtк3 = 54,36+1,4=55,76°С (hк3 =244,29 кДж/кг).

Количество пара, сконденсированного в третьем отсеке:

Дп3 =  (3.30)

где Gк3 = 359,55 кг/с – расход конденсата в третьем отсеке,

Dhк3 = hк3 – hк2

Dhк3 = 244,29 – 227,56

hк2 = 227,56 кДж/кг – энтальпия конденсата во втором отсеке,

Dhк3 = 16,73 кДж/кг,

hп = 2512 кДж/кг – энтальпия пара,

hк3 = 244,29 кДж/кг – энтальпия конденсата в третьем отсеке.

Дп3 =

Дп3 = 2,653 кг/с


Расход пара на входе в отсек:

Д = Дп3 + Д (3.31)

где расход пара на выходе принимается равным 70% расхода пара на входе в первый отсек:

Д = 0,7 Д  (3.32)

где Д = 12,29 кг/с – расход паровоздушной смеси на входе в отсек.

Д = 0,7·12,29

Д = 8,603 кг/с

Д = Дп3 + Д  (3.33)

где Дп3 = 2,653 кг/с – количество пара, сконденсированного в третьем отсеке.

Д = 2,653+8,603

Д = 11,256 кг/с – расход пара на входе в третий отсек.

Из конструктивных соображений принимаем ширину струйного пучка третьего отсека на входе Lвх3 = 5,2 м и на выходе Lвых = 3,35 м. В этом случае скорость пара на входе в отсек:

v =  (3.34)

где Д = 11,256 кг/с – расход пара на входе в третий отсек,

u" = 11,482 м3/кг – удельный объем пара,

l3 = 0,48 м – расстояние между тарелками.

v =

v = 51,78 м/с

Скорость пара на выходе:

v=  (3.35)

где = 8,603 кг/с – расход пара на выходе из третьего отсека,

u" = 11,482 м3/кг – удельный объем пара,

l3 = 0,48 м – расстояние между тарелками.

v=

v= 61,43 м/с

Средняя скорость пара в струйном пучке

v=  (3.36)

где v= 51,78 м/с – скорость пара на входе,

v= 61,43 м/с – скорость пара на выходе.

v=

v= 56,61 м/с

Расчетное значение температуры конденсата на выходе из отсека:

lg  (3.37)

де tн = 56°С – температура насыщения,

tк2 = 54,36°С – температура конденсата первого отсека,

l = 0,48 м – расстояние между тарелками,

Pr = 3,264 – число Прандтля,

v= 56,61 м/с – средняя скорость пара в струйном пучке.

vв = 0,65 м/с – скорость истечения конденсата через отверстия.

rп = 985,16 кг/м3 – плотность смеси,

s = 668,08·10-4 кг/м2 – поверхностное натяжение,

lg

tк3 = 55,52°С

Общий нагрев конденсата в подогревателе:

D t = tк3 – tвх (3.38)

где tк3 = 55,52°С – температура конденсата на выходе из отсека,

tвх = 45°С – температура конденсата на входе в подогреватель,

D t = 55,52 – 45

D t = 10,52°С

Общий расход пара:

Дп = Дп1 + Дп2 + Дп3 + Дв1 (3.39)

где Дп1 = 12,29 кг/с – количество сконденсированного пара в первом отсеке,

Дп2 = 6,57 кг/с – количество пара, сконденсированного во втором отсеке,

Дп3 = 2,653 кг/с – количество сконденсированного пара в третьем отсеке,

Дв1 = 0,17 кг/с.

Дп = 12,29 + 6,57 + 2,653 + 0,17

Дп = 21,683 кг/с


4. ЭКОНОМИЧЕСКАЯ ЧАСТЬ

Задача экономического расчета заключается в определении экономии себестоимости в результате изменения схемы производства электрической энергии.

В технической части в схеме выработки электрической энергии произведена замена подогревателя низкого давления поверхностного типа на подогреватель низкого давления смешивающего типа. Задача экономического расчета замены заключается в следующем:

1) провести сравнительный расчет для определения разницы удельных расходов топлива в связи заменой подогревателя низкого давления поверхностного типа на подогреватель низкого давления смешенного типа;

2) определить экономию себестоимости;

3) сопоставить величину экономии себестоимости и затрат на покупку и монтаж подогревателя низкого давления смешивающего типа, демонтаж подогревателя низкого давления поверхностного типа.

При расчете будут использоваться цены этого года, полученные на тепловой электрической станции.

Цель расчета заключатся в определении срока окупаемости затрат на приобретение и замену подогревателя.

Определение путей сокращения отдельных статей текущих затрат можно проследить, анализируя удельные издержки производства, то есть статьи себестоимости продукции. Основную статью себестоимости – сырьевую (материальную) – можно раскрыть и проанализировать в зависимости от производственных факторов.

Снизить материальную составляющую себестоимости продукции (для материалоемких производств – самую значительную) можно либо путем приобретения более дешевых сырья и материалов, либо снижая материалоемкость продукции. Цены на сырье и материалы диктуются рыночной конъюнктурой, так что от потребителя практически не зависят. Поэтому основным путем является снижение материалоемкости производства, всемерная экономия сырья и материалов.

В качестве основного материала при производстве энергии выступает топливо, и основная часть себестоимости – топливная составляющая – зависит от удельного расхода топлива ву, т у.т/тыс. кВт.ч., цены топлива Цт, руб./т у.т. или руб./т н.т. (на тонну натурального топлива), и объема производства W, тыс. кВт.ч/год:

Sn =  (руб/тыс. кВт·ч), (4.1.)

где bт = В/W (т у.т/тыс. кВт·ч) – удельный расход топлива на производство электроэнергии.

Удельные расходы топлива на производство электроэнергии были рассчитаны в первом разделе.

В случае с поверхностным подогревателем низкого давлении удельный расход топлива на энергоблок (нетго):

bт = 300,58 г/кВт·ч

Удельный расход топлива на станцию:

b = (4.2.)

b =

b = 326,26 г/кВт.ч,

где 7000 – теплота сгорания условного топлива, тыс. ккал/т у.т;

860 – коэффициент перевода, кВт ч/Гкал;

123 – удельный расход топлива на производство электроэнергии, т у.т/тыс. кВт·ч;

hст = 0,377 – коэффициент полезного действия станции.

В случае со смешивающим подогревателем низкого давления удельный расход топлива на энергоблок (нетто):

b  = 297,256 г/кВт·ч

Удельный расход топлива на станцию:

b =

b =

b = 324,54 г/кВт·ч

где hст = 0,379 - коэффициент полезного действия станции.

Разница удельных расходов топлива на станцию:

D b  = b – b (4.3)

D b  = 326,26 – 324,54

D b  = 1,72 ч/кВт·ч

где b - удельный расход условного топлива в случае с поверхностным, г/кВт ч,

b  - удельный расход условного топлива в случае со смешанным подогревателем, г/кВт ч.

Процентное соотношение разницы удельных расходов топлива на станцию к большему расходу:

= , %(4.4)

= 0,527

Обобщим проведенные расчеты в таблицу 4.1.

Таблица 4.1 – Сравнительный анализ удельных расходов условного топлива станции

Показатель Подогреватель низкого давления поверхностного типа Подогреватель низкого давления смешивающего типа

Изменения

, г/кВт·ч

Удельный расход условного топлива станции,

в, г/кВт·ч

326,26 324,54 1,72

Принимаем время работы подогревателя низкого давления, который подлежит замене, равное времени работы станции в год:

Т = 7200 часов в год.

Выработанная станцией электрическая энергия по мощности за год:

Nг = Т · Nст (4.5)

Nг = 7200 · 50 · 103

где Nг = 3,6 · 109 кВт/ч – годовая выработка электрической энергии станцией.

Nст = 500 · 103 кВт – мощность станции.

Годовая экономия условного топлива на станции:

Э г в = (4.6.)

Э г в =

где Э г в = 6192, тонны в год условного топлива,

NГ – годовая выработка электрической энергии, кВт/ч,

D b ст у - разница удельных расходов топлива на станцию, ч/кВт ч,

106 – перевод из грамм в тонны.

Станция работает на двух видах топлива: мазуте и газе. Следовательно, необходимо посчитать экономию при работе на каждом топливе отдельно.

Цена одной тонны мазута равна 2245 рублей, цена 1000 м3 газа равна 898 рублей.

Теплота сгорания мазута

Q р н = 9800 ккал/кг

Найдем коэффициент перевода мазута в условное топливо:

Км = (4.7)

Км =

где Км = 1,4

 =29300 кДж/кг – теплота сгорания условного топлива,

4,19 – коэффициент перевода ккал в кДж.

Экономия в рублях при использовании мазута:

Ээ = Э г в · Км · Цм , (4.8)

Ээ = 6192 · 1,4 · 2245

Ээ = 19461456 рублей в год.

где Э г в – годовая экономия условного топлива, тонн;

Км – коэффициент перевода мазута в условное топливо, тонн;

Цм = 2245 рублей – цена одной тонны мазута.

Теплота сгорания газа:

Q р н = 8000 ккал/кг

Найдем коэффициент перевода газа в условное топливо:

Кг = (4.9)

Кг =

Кг = 1,14

где  =29300 кДж/кг – теплота сгорания условного топлива,

4,19 – коэффициент перевода ккал в кДж.

Экономия в рублях при использовании газа:

Ээ = Э г в · Кг · Цг , (4.10)

Ээ = 6192 · 1,14 · 898

Ээ = 6338874 рублей в год.

где Э г в – годовая экономия условного топлива, тонн;

Кг – коэффициент перевода газа в условное топливо;

Цг = 898 рублей – цена 1000 м3 газа

Сведем расчет экономии себестоимости в таблицу 4.2.

Таблица 4.2 – Расчет экономии себестоимости

Показатель Формула расчета Расчет

Экономия Ээ, рублей в год

Мазут

Ээ = Э·Км·Цм

Ээ = 6192·1,4·2245

19461456
Газ

Ээ = Э·Кг·Цг

Ээ = 6192·1,14·898

6338874

Сопоставим расходы и прибыль от данной реконструкции:

Подогреватель низкого давления смешивающего типа стоит 550 тысяч рублей;

демонтаж подогревателя низкого давления поверхностного типа обойдется в 300 тысяч рублей;

монтаж подогревателя низкого давления смешивающего типа обойдется в 500 тысяч рублей;

сумма затрат на замену подогревателя равна 550000 + 500000 + 300000 = 1350000 рублей.

Экономия при работе станции на мазуте в год:

Ээ – Σ = 19461456 – 1350000 = 18111456 рублей в год.

Срок окупаемости:

 года

0,069 · 365=25 дней.

Экономия при работе станции на газе в год:

Ээ – Σ = 6338874 – 1350000 = 4988874 рублей в год.

Срок окупаемости:

 года

0,213 · 365 = 78 дней.

Обобщим расчеты в таблицу 4.3.

Таблица 4.3 – Расчет срока окупаемости капиталовложений

Единовременные затраты на замену, рублей Размер экономии, рублей в год Срок окупаемости, дней
газ мазут газ мазут
1 350 000 4 988 874 18 111 456 78 25

Таким образом, средства, вложенные на замену подогревателя низкого давления поверхностного типа на подогреватель низкого давления смешивающего типа окупятся в течение квартала.


5. ЭКОЛОГИЯ

5.1 Золоулавливание

Сжигание топлива на ТЭС связано с образованием продуктов сгорания, содержащих летучую золу, частицы недогоревшего пылевидного топлива, оксид азота, газообразные продукты неполного сгорания. В золе некоторых видов топлив также имеются вредные соединения. В связи с этим, при эксплуатации энергоблоков большое значение уделяется вопросам отчистки дымовых газов от вредных продуктов сгорания и золоулавливанию.

Проектирование и сооружение электростанций ведутся с соблюдением требованием по предельно допустимым концентрациям основных вредных выбросов, загрязняющих атмосферу отходящими газами на уровне дыхания человека. Это обеспечивается установкой эффективных золоуловителей и сооружением дымовых труб, позволяющих рассеивать дымовые газы на большие расстояния, снижая тем самым локальные концентрации вредных веществ.

Золоуловители должны иметь коэффициент золоулавливания не менее 99% для конденсационных электрических станций мощностью до 240 МВт и выше и тепловых электрических станций мощностью 500 МВт и выше при приведенной зольности топлива не более 4%, при большой зольности коэффициент золоулавливания должен быть не менее 99,5%.

В качестве золоуловителей, как правило, применяют электрофильтры, мокрые золоуловители и батарейные циклоны.

5.2 Золоудаление

Система удаления и складирования золы и шлака на современных крупных электрических станций, называемая золоудалением, представляет собой сложный комплекс, включающий специальное оборудование и устройства, а также многочисленные инженерные сооружения.

Ее назначением является удаление шлака, образующегося в топках, и золы, уловленной золоуловителями парогенераторов, транспортировка их за пределы электрической станции, часто на значительные расстояния (до 10 километров и более), и организации на золошлакоотвалах.

На действующих электрических станциях страны преобладает гидравлическое золоудаление.

Различают следующие системы гидравлического золоудаления:

- эжекторными гидроаппаратами шлака, а золовую пульпу - центросовместный гидротранспорт шлака и золы центробежными насосами,

- центробежными насосами, либо шлак и золу транспортируют по отдельным самотечным каналам.

Гидротранспорт золы и шлака по самотечным каналам или трубам является более простым, надежным и экономичным, но его возможно осуществлять лишь в редких случаях, когда имеется благоприятный рельеф местности, и золошлакоотвал располагается на значительно более низком уровне, чем главное здание электрической станции.


6 ТЕХНИКА БЕЗОПАСНОСТИ ПРИ ОБСЛУЖИВАНИИ

ОБОРУДОВАНИЯ ПАРОТУРБИННЫХ УСТАНОВОК

1. Участки маслопроводов, расположенные у корпусов цилиндров турбины и их фундаментов, должны быть заключены в специальные короба из листовой стали. дно короба должно быть выполнено с уклоном для стока масла к специальной сбросной трубе достаточного сечения, направленной в бак слива масла. Короб при капитальных ремонтах должен проверяться на плотность заполнением водой.

2. Маслопроводы, расположенные вне короба, должны быть отделены от горячих поверхностей металлическими защитными экранами, а их фланцы заключены в специальные кожухи со сливом из них масла в безопасное место. Кожухи фланцевых соединений должны охватывать фланцы, а также расположенные рядом сварные швы и участок трубы длиной 100-120 мм от шва.

3. Запрещается при испытании автомата безопасности находиться на площадке обслуживания турбины лицам, непосредственно не участвующим в испытании.

Проверка автомата безопасности увеличением частоты вращения ротора должна производиться по программе испытаний, утвержденной главным инженером электростанции.

До испытания автомата безопасности должен быть проведен инструктаж персонала, участвующего в испытаниях, с записью об этом в журнале инструктажей.

Испытанием должен непосредственно руководить начальник цеха или его заместитель, наблюдающий за частотой вращения ротора турбины по тахометру. Остальной персонал, участвующий в испытании, должен быть расставлен так, чтобы в нужный момент можно было быстро отключить агрегат.

При наличии у главной паровой задвижки байпаса проверка автомата безопасности должна производиться при закрытой задвижке через байпас.

4. Перед проверкой автомата безопасности увеличением частоты вращения ротора должны быть произведены его ручное выключение при номинальной частоте ращения и проверка посадки стопорных и регулирующих клапанов. При неудовлетворительной посадке стопорного или регулирующего клапана проверять работу автомата безопасности увеличением частоты вращения запрещается.

5. В случае, если при проверке автомата безопасности частота вращения ротора турбины повысилась до нормального уровня, а автомат не сработал, турбина должна быть немедленно остановлена ручным выключателем. При отказе ручного выключателя турбина должна быть остановлена быстрым закрытием регулирующих клапанов и главной паровой задвижки (байпаса).

Повторное испытание автомата безопасности с увеличением частоты вращения допускается в этом случае только после выявления и устранения дефектов.

6. Запрещается пуск турбины при дефектах в системе регулирования и парораспределения.

7. Остановленная на ремонт турбина должна быть отключена от общих паропроводов в соответствии с требованиями Правил.

8. Заводские приспособления для подъема крышек цилиндров и роторов турбин перед началом производства работ должны быть осмотрены. После ремонта приспособлений на них должна быть указана дата технического освидетельствования.

9. Снимаемые с турбины тяжелые детали (ротор, крышка цилиндра) должны укладываться на козлы и подкладки, исключающие их соскальзывание, в соответствии с планом размещения деталей с учетом требований Правил. Запрещается использовать для подкладки шпалы, пропитанные антисептиками.

10. При вскрытии и подъеме крышки цилиндра необходимо:

пользоваться для подъема имеющимся приспособлением (например, балансиром);

отрывать верхнюю половину цилиндра (крышки) от нижней с помощью отжимных болтов;

убеждаться, что перед подъемом крышка тщательно застроплена;

поднимать крышку после тщательной выверки ее при установленных направляющих болтах (свечах) по команде ответственного лица;

проверять при подъеме равномерность перемещения крышки относительно фланца разъема нижней половины цилиндра. При проверке равномерности перемещения крышки, а также при ее подъеме класть руки на фланец разъема под поднимаемую крышку запрещается.

11. Разболчивание и затяжка гаек фланцевых соединений разъемов цилиндров турбин должны производиться по инструкции завода-изготовителя турбин.

12. Если при подъеме крышки обнаружен перекос или заедание, крышка должна быть опущена и ее крепление к крюку вновь выверено путем подтягивания или ослабления тросов. Длина тросов должна регулироваться гайками или талрепами подъемного приспособления.

13. При подъеме крышки цилиндра необходимо следить за тем, чтобы с нею не поднимались уплотнительные обоймы, если они по конструкции не крепятся к крышке цилиндра и если не исключена возможность их падения от толчков при дальнейшем подъеме. В том случае, если при незначительной высоте подъема крышки обоймы не могут быть выбиты ударами свинцовой кувалды по крышке, ее необходимо выставить на подкладки и закрепить обоймы за крышку.

14. В том случае, когда диафрагмы конструктивно крепятся в крышке цилиндра и при незначительной высоте подъема обнаруживается обрыв шурупов, крепящих верхние половины диафрагмы, дальнейший подъем должен быть прекращен.

В этом случае крышка цилиндра должна быть приподнята только на высоту, необходимую для укрепления диафрагмы, и установлена на выкладку. После укрепления диафрагмы могут быть продолжены подъем и транспортирование крышки цилиндра турбины.

15. Запрещается зачищать и смазывать посадочные места диафрагм под поднятой диафрагмой, а также диафрагм на весу.

16. Запрещается шабрить нижнюю половину цилиндра турбины под подвешенной крышкой цилиндра. Эту работу следует производить при отведенной в безопасное место или выставленной на подкладки крышке цилиндра.

17. Перекантовку крышки цилиндра разрешается производить только под непосредственным руководством руководителя работ. Перед кантовкой необходимо убедиться в отсутствии на крышке незакрепленных деталей (гаек, болтов, заглушек, инструмента и т. п.).

18. Все отверстия паропроводов и дренажей, присоединенных к цилиндру турбины, после его вскрытия должны быть сразу же закрыты деревянными пробками и крышками, а отверстия горловины конденсатора заложены прочными деревянными щитами.

19. Электронагреватели типа ТЭН, применяемые для нагрева крепежных резьбовых соединений турбин высокого давления, должны быть заземлены и иметь сопротивления изоляции между корпусом нагревателя и токоведущими частями не менее 2 МОм. Работать с электронагревателем необходимо в резиновых диэлектрических перчатках.

К работе с электронагревателями допускается персонал, имеющий группу по электробезопасности не ниже III.

При работе с электронагревателем запрещается:

разбирать его, не отсоединив токоподводящий кабель от питающей сети;

изгибать или деформировать защитную трубку корпуса нагревателя;

устанавливать электронагреватель в отверстие шпильки с применением ударов или значительного усилия;

нагревать шпильку с глухим центральным отверстием, длина которого меньше рабочей длины электронагревателя;

переходить с одного резьбового соединения на другое с включенным электронагревателем;

производить разъем цанговых контактов токоведущих кабелей на работающем электронагревателе;

оставлять без надзора электронагреватель в рабочем состоянии.

20. При работе с эжекционным нагревателем крепежа цилиндра турбин многопламенная горелка должна работать без хлопков и обратных ударов. Все соединения и каналы горелки, включая уплотнительные устройства, должны быть герметичными.

Перед началом работ с применением эжекционного нагревателя все работы на проточной части турбины должны быть прекращены и персонал удален. На месте работ должен иметься листовой асбест, огнетушитель и металлический лист для регулирования пламени горелки.

Горелку эжекционного нагревателя следует зажигать от пламени в противне. Запрещается использовать для этой цели спички.

Запрещается при работе с эжекционным нагревателем стоять против пламени, а также работать в замасленных одежде и рукавицах.

21. При использовании для прогрева шпилек разъемов цилиндров турбины воздушных нагревателей ввод в отверстие шпильки штуцера для подачи горячего воздуха и удаление его после нагрева должны производиться при закрытом вентиле подачи воздуха. Работающие должны быть в рукавицах и защитных очках.

Прогрев шпилек открытым пламенем газовой горелки запрещается.

22. При разлопачивании дефектных лопаток турбин с применением электросварки ротор должен быть заземлен. Вынимать дефектные лопатки турбины с помощью грузоподъемного крана запрещается.

23. При вскрытии и закрытии подшипников необходимо:

крышки и вкладыши стропить стропами за ввернутые полностью (до отказа) рым-болты, плотно прилегающие к поверхности крышки;

при выкатывании нижнего вкладыша подшипника во время центровки по полумуфтам для небольшого подъема ротора использовать скобу, установленную на разъеме подшипника. Вывертывать вкладыш следует с помощью ломика и рым-болтов. Браться за края вкладыша руками запрещается. Протирать расточку корпуса разрешается только после того, как будут приняты меры против соскальзывания вкладыша. Менять прокладки под вкладышем опорного подшипника без надлежащего укрепления вкладыша запрещается.

24. При перезаливке вкладышей подшипников баббитом формы должны быть просушены.

Работу следует выполнять в защитных очках, прорезиненном фартуке и рукавицах.

При обезжиривании вкладышей каустической содой и травлении их кислотой необходимо соблюдать соответствующие требования.

25. Выемку и установку ротора турбины следует производить специальным приспособлением. До начала подъема полумуфты соседних роторов должны быть раздвинуты настолько, чтобы выступ одной половины вышел из заточки другой.

Положение ротора при подъеме после натяжения краном тросов должно быть горизонтальным, что определяется в начале подъема по одновременности отрыва шеек ротора от вкладышей, а после незначительного подъема – по уровню, устанавливаемому на одну из шеек вала.

При перекосах, заеданиях и задеваниях подъем ротора должен быть немедленно прекращен.

26. При разборке устройств регулирования и защиты необходимо:

при разборке автоматического стопорного клапана отвернуть два диаметрально противоположных болта на разъеме колонки, установить вместо них две удлиненные линейные шпильки с нарезкой по всей длине и только после этого отвертывать остальные болты, осторожно распуская пружину длинными шпильками с нарезкой;

вынимать дроссельный клапан после строповки его за навернутую до отказа соединительную полумуфту; держать клапан за шток и края запрещается;

ослаблять пружины центробежного регулятора при его разборке равномерно с двух сторон.

27. При посадке деталей турбин с натягом методом глубокого охлаждения необходимо надевать рукавицы и работать с помощью специальных приспособлений. При использовании жидкого азота для охлаждения деталей следует учитывать возможность образования взрывоопасной смеси (жидкая азотно-кислородная смесь с содержанием более 30% кислорода).

Для предупреждения образования взрывоопасных смесей необходимо предварительно проводить тщательную очистку охлаждаемых деталей и ванны от масла и жировых загрязнений и осуществлять в процессе охлаждения контроль за повышением концентрации кислорода в азоте.

28. Прорезку и зачистку гребней у концевых или диафрагменных уплотнений, следует производить в рукавицах.

29. Перед началом проворачивания ротора турбины вручную (при центровке) необходимо встать ногами на горизонтальный разъем турбины или на площадку, установленную на уровне горизонтального разъема. Проворачивание ротора вручную должно выполняться по команде производителя работ или назначенного им лица из состава бригады.

Перед проворотом ротора турбины краном ремонтные работы на ее проточной части должны быть прекращены, а персонал удален в безопасное место. При проворачивании ротора краном находиться в районе натягивающего троса запрещается. Наматывать трос следует равномерно, без набегов, избегая его защемления.

Палец, плотно вставляемый в соединительную полумуфту, должен иметь бурт, упирающийся в нее, и выемку (канавку) для наброса петли стропа. Длина пальца должна быть не менее двух толщин фланцев соединительной полумуфты.

30. Запрещается применять ременную передачу при балансировке роторов турбины на станке. Ротор двигателя должен быть соединен с балансируемым ротором через подвижную муфту, легко расцепляемую на ходу. Против мест крепления пробных грузов должны быть установлены оградительные щиты.

Во время балансировки роторов турбины на станке или в собственных подшипниках место балансировки должно быть ограждено.

31. Запрещается производить работы, связанные с заменой и ремонтом арматуры на маслопроводах и с разборкой деталей регулирования (за исключением замены манометров), при работающей турбине или работающем масляном насосе.

32. При проведении ремонтных работ на маслосистеме необходимо:

огневые работы выполнять с учетом требований Правил;

участки маслопроводов, на которых в период ремонта переварены сварные стыки фланцевых соединений штуцеров, отводов и т.п., подвергать гидравлическому испытанию;

пролитое масло немедленно убирать;

при химической очистке маслосистемы соблюдать требования Правил;

пропаривание труб масляной системы и маслоохладителя производить насыщенным паром давлением не выше 0,6 МПа (6 кгс/см2) на специально оборудованной площадке; вентиль подачи пара устанавливать непосредственно у рабочего места; применение для подвода пара резиновых шлангов запрещается;

работы внутри масляных баков производить только после очистки их от масла и шлама, пропаривания, вентиляции и с выполнением требований безопасности, предусмотренных Правилами.

33. Огневые работы на расстоянии менее 10 м от участков газомасляной системы, содержащих водород, должны производиться по наряду с выполнением мер, обеспечивающих безопасность работы (установка ограждений, проверка воздуха в помещении на отсутствие водорода и т. п.).

Огневые работы непосредственно на корпусе генератора, трубопровода и аппаратах газомасляной системы, заполненных водородом, запрещается.

Около генераторов и устройств газомасляной системы должны быть вывешены предупреждающие знаки безопасности «Осторожно! Опасность взрыва».

энергоблок турбина экономичность подогреватель


ВЫВОД

В ходе проведенной работы был рассмотрен энергоблок с турбиной К-500-240 мощностью 500 МВт. Были определены его основные энергетические показатели, показатели турбоустановки и энергоблока в целом, произведен выбор основного и вспомогательного оборудования. Результаты расчетов показали, что оборудование соответствует современным требованиям по проектированию, сооружению и эксплуатации тепловых электрических станций.

В технологической части был рассчитан подогреватель низкого давления по гидравлическому расчету, на прочность и его тепловой расчет. По данным понятно, что ПНД соответствует сегодняшним нормам.

В специальной части был рассчитан подогреватель низкого давления смешивающего типа по тепловому и гидравлическому расчету. По данным расчета понятно, что замена подогревателя низкого давления поверхностного типа на подогреватель низкого давления смешивающего типа повышает коэффициент полезного действия h и уменьшает расход топлива на станцию. Расчет показал, что подогреватель низкого давления смешивающего типа соответствует нормам.


СПИСОК ЛИТЕРАТУРЫ

1.  Александров А.А. Таблицы теплофизических свойств воды и водяного пара. – М.: МЭИ, 1999.

2.  Маликов Е.А. Методические указания по оформлению пояснительной записки выпускной работы на степень бакалавра. – Волжский: Изд-во ВФ МЭИ (ТУ), 2001.

3.  Маликов Е.А. Расчет ленточного конвейера. Методические указания. - Волжский, 2003.

4.  Рихтер Л.А., Елизаров Д.П., Лавыгин В.М. Вспомогательное оборудование тепловых электростанций. – М.: Энергоатомиздат, 1995.

5.  Рыжкин В.Я. Тепловые электрические станции. – М.: Энергоатомиздат, 1987.

6.  Шкловер Г.Г., Мильман О.О. Исследования и расчет конденсационных устройств паровых турбин. – М.: Энергоатомиздат, 1995.

7.  Щегляев А.В. Паровые турбины. – М.: Энергия, 1976.


© 2012 Рефераты, доклады и дипломные работы, курсовые работы бесплатно.