рефераты
Главная

Рефераты по международному публичному праву

Рефераты по международному частному праву

Рефераты по международным отношениям

Рефераты по культуре и искусству

Рефераты по менеджменту

Рефераты по металлургии

Рефераты по муниципальному праву

Рефераты по налогообложению

Рефераты по оккультизму и уфологии

Рефераты по педагогике

Рефераты по политологии

Рефераты по праву

Биографии

Рефераты по предпринимательству

Рефераты по психологии

Рефераты по радиоэлектронике

Рефераты по риторике

Рефераты по социологии

Рефераты по статистике

Рефераты по страхованию

Рефераты по строительству

Рефераты по таможенной системе

Сочинения по литературе и русскому языку

Рефераты по теории государства и права

Рефераты по теории организации

Рефераты по теплотехнике

Рефераты по технологии

Рефераты по товароведению

Рефераты по транспорту

Рефераты по трудовому праву

Рефераты по туризму

Рефераты по уголовному праву и процессу

Рефераты по управлению

Курсовая работа: Анализ технологий предотвращения фактической естественной убыли мяса и мясопродуктов при холодильной обработки

Курсовая работа: Анализ технологий предотвращения фактической естественной убыли мяса и мясопродуктов при холодильной обработки

Содержание

Введение

1.  Значение низких температур для сохранения мяса и мясопродуктов

2.  Характеристика термического состояния мяса и мясопродуктов

3.  Технологии холодильной обработки и применяемое оборудование

4.  Причины и методы предотвращения фактической естественной убыли мяса и мясопродуктов при холодильной обработки

5.  Структура холодоснабжения предприятия

6.  Экологические аспекты холодильной обработки мяса и мясопродуктов

Заключение

Список литературы

Приложение А

Приложение Б

Приложение В

Приложение Г

Приложение Д

Приложение Е

Приложение Ж

Приложение И

Приложение К

Приложение Л

Приложение М

Приложение Н

Приложение П

Приложение Р


Введение

Мясные продукты относятся к числу скоропортящихся пищевых продуктов, поскольку длительное их хранение в обычных условиях без специальной обработки невозможно.

Наряду с различными методами консервирования скоропортящихся пищевых продуктов в настоящее время наиболее эффективными являются методы холодильной обработки и хранения.

Применение методов холодильной технологии при обработке мясных продуктов, в отличие от других способов консервирования, оказывает значительно меньшее воздействие на естественные вкусовые и органолептические свойства мясных продуктов.

В настоящее время холодильная промышленность России переживает трудный период. Для решения основных проблем необходимо объединение усилий всех заинтересованных структур (производителей и потребителей холода, ученых, представителей власти) в разработке долгосрочной научно-технической программы развития холодильной промышленности.

Российским союзом предприятий холодильной промышленности (Россоюзхолодпром) предложено разработать такую программу под названием «Промышленный холод». Однако для этого на первом этапе требуется сформулировать концепцию развития холодильной промышленности в России.

Основными направлениями развития холодильной отрасли в настоящее время являются:

·  Возрождение и развитие отечественного, конкурентоспособного холодильного машиностроения.

·  Совершенствование технологий холодильной обработки и хранения пищевой продукции.

·  Повышение энергетической эффективности холодильных систем и производств, использующих искусственный холод в целом.

·  Обеспечение безопасности производства и оборота пищевых продуктов.

·  Повышение промышленной и экологической безопасности холодильного оборудования.

·  Защита окружающей среды.

·  Информирование потребителей о безопасности и качестве продукции, качестве оказываемых услуг (проектирование, поставка оборудования, монтаж и др.).

Именно эти направления могут дополняться, изменяться их порядок в ряду приоритетов, но они актуальны в настоящее время.

холодильная обработка температура мясо


1. Значение низких температур для сохранения мяса и мясопродуктов

Холодильная обработка мяса и субпродуктов и их хранение при соответствующих низких температурах являются одним из наиболее совершенных приемов предупреждения или замедления порчи этих продуктов. При холодильной обработке достигается наиболее полное сохранение первоначальных натуральных свойств мяса и субпродуктов. Хранение на холоде обеспечивает минимальные изменения пищевой ценности и вкуса мяса. Обработка холодом обусловливает подавление жизнедеятельности микроорганизмов, а также замедление химических и биохимических процессов, происходящих в продукте под действием собственных ферментов, кислорода воздуха, тепла и света.

В промышленной практике в основном пользуются следующими способами холодильной обработки и хранения мяса и субпродуктов при температуре:

·  на 1—4°С выше точки замерзания тканевой жидкости— это охлаждение и хранение охлажденного мяса;

·  на 1—2°С ниже точки замерзания тканевой жидкости— это подмораживание и хранение подмороженного мяса;

·  значительно ниже точки замерзания тканевой жидкости — это замораживание и хранение мороженого мяса.

Первоначальные натуральные свойства мяса наиболее полно сохраняются в охлажденном мясе, которое по качеству превосходит замороженное и подмороженное.

Мышцы здоровых животных непосредственно после убоя обычно обсеменены в небольшой степени. Вместе с тем мясо и субпродукты являются хорошей питательной средой для развития микробов, плесеней, дрожжей.

Охлаждение мяса до точки замерзания тканевой жидкости замедляет жизнедеятельность микроорганизмов, а также вносит качественное изменение в состав микрофлоры. Уменьшается доля термофилов и мезофилов до 2—5% от общего количества. При замораживании снижение температуры и отнятие влаги в результате кристаллообразования приводят к прекращению жизнедеятельности микроорганизмов. Психрофильные бактерии теряют способность к размножению при температуре ниже —5°С, психрофильные дрожжи — при —10°С; при— 18°С и ниже замороженное мясо не может подвергаться порче в результате развития микроорганизмов. Уже при —10°С рост психрофильных микроорганизмов отсутствует. Однако некоторые микроорганизмы способны развиваться и при отрицательных температурах. Так Achromobacter и Pseudomonas развиваются при -3 …5°С [3].

Различные возбудители порчи, плесневые грибки, дрожжи прекращают свою деятельность при температуре ниже —10°С. Наибольшей устойчивостью к низким температурам обладают плесени, в том числе вызывающие образование слизи на поверхности мяса. Некоторые из них развиваются при температуре —9 и —12°С.

Высокая жизнеспособность микроорганизмов обусловлена тем, что важнейшим фактором их развития является вода, без которой обмен веществ у микроорганизмов невозможен. При замораживании мяса и субпродуктов вода тканевой жидкости превращается в лед. Полное вымерзание воды происходит в мясе при —55…65°С. При недостаточно низкой температуре замораживания вода в мясе остается, а, следовательно, остаются главнейшие условия для жизнедеятельности микроорганизмов.

При замораживании продуктов наряду с замедлением или прекращением жизнедеятельности микроорганизмов происходит и их отмирание. Гибель микроорганизмов при замораживании вызывается существенным нарушением обмена веществ вследствие вымерзания влаги и существенным повреждением структуры клетки. Максимальная степень повреждения микробных клеток отмечается при медленном замораживании до температур от — 6ºС до — 12°С. При очень быстром замораживании около 10% клеток остаются живыми. Это объясняется образованием при быстром замораживании большого количества мельчайших кристаллов льда и вследствие этого меньшим повреждением структуры клетки. Однако процессы холодильной обработки мяса и субпродуктов следует вести ускоренно, так как чем быстрее понижается температура продукта, тем скорее подавляется жизнедеятельность микроорганизмов и активность ферментов и тем меньше структурные и химические изменения в продукте. При медленном снижении температуры рост микроорганизмов может происходить в течение продолжительного периода времени, что приводит к снижению стойкости продукта.

Мороженое мясо перед употреблением подвергается оттаиванию (дефростации). Процесс оттаивания считается законченным, когда температура в толще мышц достигает 0°С. Размножение микробов на оттаянном мясе происходит быстрее, чем на мясе не подвергавшемся замораживанию [8].

Микроорганизмы, выжившие в процессе хранения мороженого мяса, при его оттаивании начинают размножаться, так как происходят выделение мышечного сока и увлажнение поверхности т. е. создаются благоприятные условия. Интенсивность размножения микроорганизмов во многом зависит от способа замораживания. При медленном неглубоком замораживании в мышечной ткани образуются крупные кристаллы льда, что обусловливает разрыв оболочек большого количества клеток мышечных волокон и выделение значительного количества мышечного сока. В результате быстрого глубокого замораживании в мышечной ткани образуются мелкие кристаллы льда, которые не травмируют оболочек окружающих их клеток ткани. После оттаивания мышечный сок проникает обратно в мышечные волокна и почти не выделяется. На активность размножения микроорганизмов во время размораживания влияет также температура. Если размораживание проводят при повышенной температуре (20-25 °С), то к тому времени, когда оттают глубинные участки мышечной ткани, на поверхности туши происходит интенсивное размножение микробов. При медленном размораживании (низкой плюсовой температуре 1-8 °С и относительной влажности 75-90%) микроорганизмы размножаются на поверхности мясных туш менее активно.

Холодильная обработка может производиться в воздушной и жидкой среде. При обработке в жидкой охлаждающей среде мясо и субпродукты теряют часть ценных солерастворимых белков, обесцвечиваются и слегка просаливаются. Отрицательное влияние на мясо жидкой охлаждающей среды можно исключить посредством изолирования продукта в металлических формах или путем создания искусственной оболочки. Этот метод нашел широкое применение при замораживании мяса в блоках в скороморозильных аппаратах различных конструкций. При холодильной обработке продуктов в воздушной среде происходит подсушивание их поверхности; кислород воздуха вызывает изменение цвета мяса и окисление жиров. Воздушная среда в меньшей степени, чем жидкая, вызывает нежелательные изменения в мясе.

2. Характеристика термического состояния мяса и мясопродуктов

Выделяют следующие виды термического состояния мяса: парное, остывшее, охлажденное, подмороженное, замороженное, размороженное.

Парным называют мясо, полученное непосредственно после убоя, с температурой в толще мышц не ниже 35°С. Температура мяса измеряется в толще мышц на глубине не менее 6 см от поверхности бедра. Измерение температуры мяса производят электрическими полупроводниковыми термометрами, дистанционными термометрами сопротивления или же при помощи обычных термометров марки СП-7 вмонтированных в металлические оправы. В этом состоянии белки актомиозинового комплекса максимально диссоциированы. Мясо способно в наибольших количествах связывать воду, имеет высокие значения рН, ярко выраженную окраску и минимальную микробную обсемененность. Указанные свойства обусловливают возможность получения из такого мяса изделий наиболее высокого качества. Парное мясо охлаждают одно- или двухстаднйным методами в специально оборудованных камерах или туннелях. Существенным недостатком парного мяса является его быстрый (через 2...3 ч) переход в состояние окоченения. Биохимические процессы в мышечной ткани в стадии окоченения характеризуются в первую очередь распадом гликогена и АТФ. К 12-24 часам хранения говядины и баранины при температурах, близких к нулю указанные величины достигают соответственно своего максимума, образующаяся молочная кислота снижает рН мяса до 5,6-5,8, далее происходит созревание мяса [8].

Проблема использования парного мяса сводится, во-первых, к задаче стабилизации его свойств путем определенных воздействий (прижизненная адренализация, посол, электростимуляция и др.), во-вторых, к задаче сокращения длительности и числа операций по его обработке перед стабилизацией, что осо-бенно важно для надлежащей организации производственного потока. Сырьевые цеха, где производят операции разделки, обвалки, жиловки, должны находиться в непосредственной близости к цеху убоя скота и разделки туш.

Остывшим считают мясо после разделки туш, охлажденное до температуры не выше 12 °С, на его поверхности появляется корочка подсыхания.

Охлажденным является мясо после разделки туш, температура которого доведена до 0—4 ºС, оно характеризуется упругостью мышц, неувлажненной поверхностью и покрыто корочкой подсыхания.

При охлаждении в мясе происходят различные процессы: окислительные, микробиологические, автолитические изменения под действием ферментов, тепло- и влагообмен с окружающей средой. Характер и глубина изменений при охлаждении и последующем хранении зависят от вида и качества сырья, а также условий и режима холодильной обработки.

При охлаждении и последующем хранении происходят обесцвечивание мяса и мясопродуктов в результате окисления пигментов мышечной ткани — миоглобина и крови — гемоглобина. Миоглобин с кислородом воздуха образует оксимиоглобин, придающий мясу яркую окраску.

Процесс дальнейшего окисления связан с изменениями валентности железа, входящего в пигменты. При этом миоглобин превращается в метмиоглобин и мясо темнеет.

Жир подвергается также гидролизу и окислению с накоплением низкомолекулярных жирных кислот, пероксидов, альдегидов и ряда других веществ.

Для увеличения сроков хранения охлажденного мяса, мясопродуктов применяют различные упаковки с регулируемыми газовыми средами, ультрафиолетовое и ионизирующее излучения, упаковывание под вакуумом, а также электростимуляцию.

Использование полиэтиленовых, сарановых и вискозиновых полимерных пленочных покрытий предохраняет продукт от внешних воздействий, что улучшает санитарное состояние мяса, а также снижает потери массы, бактериальную обсемененность, способствует сохранению окраски и предотвращает окисление жиров. Разработаны способы хранения мяса в упаковке под вакуумом; этот способ связан с тем, что при понижении парциального давления кислорода мясо меньше окисляется. Электростимуляцию применяют в основном при холодильном хранении мяса для предотвращения так называемой холодной контрактации (сокращения).

Перспективным является хранение мяса в газовых средах с регулируемым составом. Так, срок хранения мяса в среде, содержащей 10% СО, при температуре -1…1,5°С и относительной влажности 90—95% увеличивается в 2 раза по сравнению с хранением в обычной атмосфере, а в смеси азота (70 %), диоксида углерода (25 %) и кислорода (5 %) срок хранения увеличивается в 2,5—3 раза. Положительно оценивается введение в состав газовой смеси оксида углерода, поскольку диоксид и оксид углерода оказывают не только угнетающее, но и губительное действие на микроорганизмы. Правильное соотношение компонентов регулируемых газовых сред также обеспечивает стабильность окраски и тормозит развитие окислительной порчи жира [8].

Для увеличения срока хранения охлажденной говядины предлагается проводить озонирование: первые 4 сут по 4 ч ежедневно при концентрации озона 10—20 мг/м, затем по 3 ч через каждые 2 сут при концентрации озона 4—6 мг/м . Однако при использовании озона следует иметь в виду возможность конденсации между белковыми компонентами клеточных мембран и продуктами распада мальозонида, а также окисления тиоловых групп ферментов, в результате которых образуются токсичные вещества. Применение озона не получило распространения при хранении охлажденного мяса.

Увеличить сроки хранения охлажденного мяса можно при использовании ионизирующего излучения, под влиянием которого развитие микроорганизмов подавляется. При интенсивности облучения 3—5 кГр срок хранения охлажденного мяса при -1…5ºС увеличивается до 2 мес. При более высоких дозах облучения происходит большая гибель микроорганизмов, однако в продуктах появляется посторонний запах.

На срок хранения охлажденного мяса влияют способ охлаждения и относительная влажность воздуха.

Подмороженным называется мясо после холодильной обработки температура в толще бедра на глубине 1 см -3…5ºС, на глубине 6 см 0—2 °С. В процессе хранения температура подмороженного мяса (туши, полутуши, четвертины) по всему объему должна быть -2…3ºС.

В подмороженном мясе автолитические процессы замедляются, но не останавливаются. В первые сутки хранения при -2ºС в мясе интенсивно протекают биохимические процессы вследствие изменения концентрации солей, вызванного частичным вымораживанием воды. В дальнейшем основное влияние оказывает понижение температуры, в результате чего в мышечной ткани протекают те же автолитические изменения, что и при хранении охлажденного мяса, но несколько медленнее. Состояние окоченения при 0ºС вместо 24 ч отодвигается на 10—12 сут, а созревает мясо через 15—20 сут. При хранении подмороженного мяса значительно снижается его микробиальная порча и первые признаки ослизнения поверхности появляются через 35—40 сут [8].

В процессе хранения при -2ºС в течение 10—12 сут сорбционная способность мяса снижается и наблюдаемое в этот период понижение сорбционной способности совпадает с наступлением окоченения. После окончания окоченения сорбционная способность возрастает и через 12—14 сут хранения увеличивается на протяжении всего срока дальнейшего хранения.

При хранении в подмороженном мясе происходит интенсивное накопление свободных аминокислот, и суммарное содержание свободных аминокислот через 12 сут хранения мяса при -2°С достигает примерно такого же уровня, как и в мясе, хранившемся при 2 °С в течение 7 сут. Помимо свободных аминокислот образуются летучие ароматические вещества (высшие спирты, неолы, сульфиты, альдегиды, кетоны, эфиры, жирные кислоты, амины и сложные смеси этих веществ). Однако изменение ароматических веществ при -2ºС происходит с меньшей скоростью, чем при 2 °С. При хранении мяса в условиях низких положительных температур наибольшее содержание летучих ароматических веществ наблюдается через 6—7 сут, а при температуре, близкой к криоскопической через 14—16 сут. Состав ароматических веществ в охлажденном и подмороженном мясе одинаков.

Электростимуляция мяса перед подмораживанием позволяет значительно сократить сроки созревания и использования мяса в производстве. Электростимуляция приводит к быстрому снижению рН мяса, что вызывает более быстрое наступление окоченения. После электростимуляции максимальное посмертное окоченение мяса наблюдается через 24 ч. Гистологические исследования мышечных волокон мяса, подверженного электростимуляции в разные периоды автолиза, показали, что такая обработка ускоряет созревание мяса.

В мясе птицы биохимические процессы происходят с большей интенсивностью и ферментация заканчивается быстрее. Процесс посмертного окоченения в подмороженном мясе птицы наступает на 2—3-и сутки хранения; а при температуре 0-2ºС водоудерживающая способность становится минимальной через 2-3 сут. По окончании окоченения водоудерживающая способность увеличивается и достигает максимума через 10-15 сут.

Замороженное мясо имеет температуру в толще мышц не выше -8 °С.

После прекращения жизни животного в мясе происходит сложный комплекс изменений под воздействием ферментов — автолиз. Замораживание мяса приводит к изменению его физико-химических и морфологических свойств, а также гибели микроорганизмов. Особенности изменения мясных систем при замораживании определяются фазовым переходов воды в лед и повышением концентрации веществ, растворенных в жидкой фазе. В отличие от чистой воды температура начала замерзания (т. е. криоскопическая точка) такого раствора должна быть ниже 0°С, что соответствует его ионной и молекулярной концентрации. Мясной сок начинает замерзать при температуре -0,6…1,2ºС. При температуре замерзания в водном растворе начинается кристаллизация воды, и по мере вымораживания воды остаточная концентрация раствора возрастает и температура замерзания еще больше понижается. Понижение температуры замерзания растворов происходит в соответствии с законом Рауля, согласно которому снижение температура замерзания жидких растворов по отношению к чистой воде пропорционально концентрации растворенною в ней вещества.

Ввиду того что замерзание сопровождается уменьшением количества воды в растворе, концентрация остаточного раствора постоянно растет, пока не достигнет концентрации самой низкой температурной точки — так называемой эвтектической точки замерзания. Эвтектическая точка мышечной ткани лежит в интервале -59…64ºС. У продуктов, обладающих тканевой структурой, содержание растворенных веществ во влаге межклеточного пространства обычно ниже, чем в клеточной влаге. В связи с этим при замораживании кристаллики льда начинают образовываться в межклеточном пространстве и концентрация раствора в межклеточном пространстве возрастает. Если замораживание происходит медленно, то благодаря разнице концентраций внутри и вне клеток вода из клеток частично диффундирует в межклеточное пространство. Поскольку размеры образовавшихся в межклеточном пространстве кристалликов льда увеличиваются за счет уменьшения массовой доли влаги, клетки высыхают. Этому способствует также то, что во время замерзания объем воды увеличивается примерно на 10 % и образовавшиеся в межклеточном пространстве кристаллики оказывают на клетки механическое давление.

Во время быстрого замораживания кристаллизация также начинается в межклеточном пространстве, но отвод теплоты совершается быстрее, чем диффузия влаги из клеток. И прежде чем начинается диффузия молекул воды через стенки клеток, происходит замерзание внутри клеток. Именно поэтому из медленно замороженных животных тканей после их оттаивания уходит много клеточной влаги. При быстром замораживании потери капиллярной влаги минимальны [8].

Раньше считали, что преобладающая часть потерь сока связана с механическим разрушением клеток под давлением больших кристалликов льда, которые образуются при медленном замораживании мяса. На самом деле большая часть потерь сока происходит не из-за механического разрушения клеток, а из-за диффузии клеточной влаги в межклеточное пространство при медленном замораживании клеток.

При быстром замораживании наиболее существенно, чтобы температура продукта как можно быстрее проходила через область так называемого максимального кристаллообразования (-1…5°С), когда вымерзает основная часть имеющейся воды.

Изменение структуры тканей при замораживании заключается в следующем.

Мышечная ткань обладает наибольшей пищевой ценностью. Влияние скорости замораживания на мышечную ткань проявляется не только в изменении гистологии ткани. От нее зависит также протекание процесса при оттаивании замороженного мяса.

При этом наиболее важной задачей является уменьшение вытекания сока, который содержит белки, пептиды, аминокислоты, молочную кислоту, витамины и минеральные вещества. Количество вытекающего сока зависит в первую очередь от того, медленно или быстро проводится замораживание. При медленном замораживании количество вытекшего сока больше, так как вследствие дегидратации клеток возрастает ионная концентрация, и белки повреждаются. Способность к набуханию и удерживанию воды в денатурированных белках понижена, поэтому после оттаивания мышечные волокна не могут адсорбировать освободившуюся жидкость.

Количество вытекающего сока зависит не только от скорости замораживания. Так, различные мышцы теряют разное количество сока, а в пределах мышц одной группы потери сока тем меньше, чем больше рН. Кроме того, длительное холодильное хранение мяса перед замораживанием препятствует вытеканию из него сока. При этом в процессе созревания мяса высвобождаются новые ионы кальция и натрия, которые адсорбируются миофибриллярными белками. Количество вытекающего сока сильно зависит от того, наступило ли окоченение мышц перед замораживанием.

От скорости замораживания зависит также водоудерживающая способность мяса после оттаивания: при медленном замораживании эта способность намного меньше.

Могут произойти изменения структуры ткани. При испарении концентрация раствора в поверхностном слое может увеличиться до такой степени, что произойдут необратимые процессы денатурации белков, усадки клеток, образования корочки на поверхности. Вследствие выделения воды наблюдаются агрегация и дезагрегация белковых частиц, что приводит к снижению водосвязывающей способности белковых веществ и изменению консистенции и вязкости.

Изменения, вызываемые перераспределением воды при замораживании, носят преимущественно физический характер, и их интенсивность зависит в решающей степени от скорости охлаждения. Если скорость низкая, то в продуктах животного происхождения сначала кристаллизуется внутриклеточный тканевый сок, концентрация которого относительно невысока. Кристаллы льда группируются вокруг клеток, где находится клеточный сок высокой концентрации, имеющий низкую точку замерзания.

Повышенное давление пара в переохлажденной, но еще незастывшей жидкости внутри клетки вызывает диффузию водяного пара через стенки клеток. При небольшой скорости замораживания количество диффундирующей воды оказывается достаточным для образования льда внутри клетки. Этот процесс заканчивается тогда, когда после достижения криогидратной точки клеточный сок полностью затвердевает и через некоторое время после прекращения замораживания парциальное давление водяного пара внутри клетки и в межклеточном пространстве уравнивается. Усадка клетки является следствием процесса замораживания. Она вызвана увеличением концентрации клеточного сока, что, в свою очередь, способствует химическим изменениям. Кроме того, в межклеточных пространствах образуются крупные кристаллы льда, которые деформируют и разрушают ткань. Чем выше скорость замораживания, тем меньше повреждения клеток и ткани.

Замороженное мясо хранят в камерах, оборудованных, как правило, батареями непосредственного испарения аммиака. При продолжительном хранении вследствие высыхания поверхности мяса мышечная ткань вдавливается и консистенция мяса уплотняется. Жир приобретает зернистую структуру и крошится. При увеличении продолжительности хранения мясо становится более темным в результате высушивания, увеличения концентрации кровяных пигментов и перехода гемоглобина в метгемоглобин. По мере увеличения длительности хранения изменяется мышечная ткань вплоть до исчезновения поперечной полосатости мышц.

Конец хранения устанавливает ветеринарно-санитарная экспертиза в зависимости от степени высыхания поверхности, внешнего вида, потери характерных для мяса запаха и вкуса, прогоркания жира и плесневения мяса.

У размороженного мяса температура в толще мышц повышается до 1 °С и более в зависимости от условий размораживания и предполагаемого использования.

При размораживании температуру в толще мяса доводят до близкой к криоскопической или выше ее в зависимости от дальнейшего использования мяса. Размораживание мяса применяют при производстве колбас, соленых изделий, консервов и полуфабрикатов.

На качество размороженных пищевых продуктов влияют их свойства до замораживания, скорость замораживания, а также условия и продолжительность хранения.

Лучшими качественными показателями обладает мясо, размороженное при 20°С и относительной влажности воздуха 95 %. Поверхность мяса после размораживания влажная, цвет розовый, консистенция удовлетворительная, запах свежий. Скорость размораживания при высоком качестве продукта можно повысить, используя специальные установки, в которых в соответствии с особенностями объекта размораживания в ходе процесса изменяются температура, относительная влажность и скорость циркуляции воздуха.


3. Технологии холодильной обработки и применяемое оборудование

Мясо и мясопродукты охлаждают в воздушной среде или в жидкостях (воде или рассолах). Охлаждение говяжьего и свиного мяса в полутушах в бараньего мяса в тушах производят в помещениях камерного или туннельного типа. Туши и полутуши подвешивают к троллеям подвесных путей, по которым их передвигают вручную или с помощью конвейеров. Камеры (туннели) для холодильной обработки мяса могут быть цикличного или непрерывного действия, в них смонтированы охлаждающие устройства.

Важнейшими регулируемыми параметрами охлаждения продуктов в воздушной среде являются температура, скорость движения воздушной среды и ее влажность. Быстрое охлаждение продукта до температуры, неблагоприятной для развития микрофлоры, обеспечивает повышение его стабильности и экономически выгодно, так как при этом уменьшается усушка и увеличивается коэффициент использования холодильных мощностей. Интенсивность теплоотдачи во внешнюю среду зависит от размеров и конфигурации охлаждаемого объекта.

В настоящее время применяют одно- и двухстадийные методы охлаждения. При одностадийном охлаждении устанавливают температуру, близкую к криоскопическому значению. Интенсификация процесса достигается за счет увеличения скорости движения воздуха от 0,1 до 2,0 м/с и понижения температуры в камере до -3…5°С (таблица 1).

Температура и скорость движения воздуха в холодильных камерах должны быть одинаковы во всех точках. Расстояние между полутушами и тушами на подвесных путях 30—50 мм; нагрузка на 1 погонный метр подвесного пути для говядины составляет 250 кг, для свинины и баранины — 200 кг [8].

Двухстадийное охлаждение проводят при температуре на первом этапе -4…15ºС скорости движения воздуха 1—2 м/с: на втором этапе (период доохлаждения) температура воздуха -1…1,5ºС, скорость его движения 0,1—0,2 м/с (таблица 2).

Потери массы при двухстадийном способе охлаждения мясных полутуш сокращаются на 20—30 %.

Во ВНИИМПе разработан метод гидроаэрозольного охлаждения говяжьих и свиных полутуш. Он заключается в том, что полутуши, имеющие температуру в толще бедра 35—37°С и на поверхности 20—25ºС, орошаются через форсунки тонкодиспергированной водой при температуре 9ºС; скорость подачи воды 1—2 м/с. Через 3 ч охлаждения температура в толще бедра и на поверхности становится соответственно 22—24 и 10—12 °С, после чего мясо доохлаждают в камерах при 0…-1°С в течение 10—13 ч. Общая продолжительность охлаждения не превышает 16 ч. При гидроаэрозольном охлаждении снижаются потери массы, однако происходит увлажнение поверхности, что значительно сокращает срок хранения продукта, а также ухудшаются товарный вид и качество мяса. Для сохранения качества мясо и мясопродукты желательно упаковывать в полимерные материалы, что дает возможность применять контактное охлаждение [9].

Медленное охлаждение парного мяса имеет ряд недостатков. Прежде всего из-за значительных потерь влаги поверхность туш покрывается сплошной толстой корочкой подсыхания, которая в дальнейшем может набухать, что снижает устойчивость мяса к микробиологической порче при хранении.

Быстрое охлаждение обеспечивает хороший товарный вид (цвет) за счет быстрого образования корочки подсыхания, позволяет уменьшить потери массы мяса и увеличить срок хранения. Кроме того, значительно сокращается продолжительность процесса и увеличивается оборачиваемость камер охлаждения. Быстрое охлаждение мяса выгодно и с санитарно-гигиенической точки зрения, так как при быстром снижении температуры поверхности до 0-1ºС замедляется или полностью прекращается развитие микрофлоры.

Предложены также трехстадийный способ охлаждения мясных туш и охлаждение по определенной программе. Оба способа предусматривают переменные параметры воздушной среды. При трехстадийном способе температура воздуха на первой стадии охлаждения -10…12°С, на второй -5…7 °С при скорости движения воздуха 1—2 м/с в течение соответственно 1,5 и 2 ч. Третий этап — доохлаждение — проводят при температуре около 0°С и скорости движения воздуха не более 0,5 м/с.

Программное охлаждение говяжьих полутуш осуществляют вначале при -4…5ºС и скорости движения воздуха 4—5 м/с, затем при 0°С и переменной скорости движения воздуха. Последняя изменяется по определенной программе в пределах от 5 до 0,5 м/с.

В зависимости от условий теплоотвода и конструкции приборов охлаждения различают батарейное, воздушное и смешанное охлаждение.

При батарейном охлаждении в камерах устанавливают батареи, в которые подают жидкий хладагент или теплоноситель. Если охлаждение воздуха происходит вследствие кипения хладагента в батареях, расположенных непосредственно в охлаждаемой камере, то такой способ называют непосредственным охлаждением, а камерные приборы охлаждения — батареями непосредственного охлаждения.

Воздух может охлаждаться благодаря нагреванию теплоносителя, поступающего в батарею температурой на 8—10°С ниже, чем температура охлаждаемого воздуха. Распространенными теплоносителями являются рассолы — водные растворы хлоридов натрия и кальция. Такое охлаждение называют рассольным, а камерные приборы охлаждения — рассольными батареями.

Воздушное охлаждение камер осуществляется воздухом. Холодный воздух из воздухоохладителя нагнетается вентилятором в камеру, соприкасаясь с мясом, отепляется, увлажняется и вновь поступает в воздухоохладитель, при воздушном охлаждении в отличие от батарейного, когда в камерах происходит естественная циркуляция воздуха со скоростью 0,05—0,15 м/с, циркуляция воздуха принудительная со скоростью до 2,5 м/с.

Смешанное охлаждение сочетает батарейное и воздушное охлаждение. Этот вид охлаждения на предприятиях мясной промышленности не нашел распространения.

В настоящее время непосредственное охлаждение применяют чаще, чем рассольное, как более экономичное. Для его реализации не нужны теплоносители и, следовательно, не требуется создания более низкой температуры кипения хладагента, как при рассольном охлаждении, что приводит к увеличению холодопроизводителъности машины и уменьшению удельного расхода электроэнергии. Кроме того, не расходуется электроэнергия на работу насосов и вентиляторов, следовательно, нет дополнительной нагрузки на компрессор; не требуется дополнительного оборудования (испарители, рассольные насосы, вентиляторы). При установке камер непосредственного охлаждения площадь компрессорного цеха уменьшается, сокращается коррозия металла, а сама система охлаждения более долговечна.

Несмотря на эти преимущества, в ряде случаев все же пользуются рассольным охлаждением: во-первых, для кондиционирования воздуха в помещениях, где по правилам техники безопасности и противопожарной безопасности нельзя применять непосредственное охлаждение; во-вторых, в установках, в которых трудно обеспечить плотное соединение узлов, а также когда по условиям эксплуатации требуется периодическое разъединение трубопроводов (например, в холодильной установке изотермического поезда); в-третьих, в установках, расположенных на большом расстоянии от компрессорного цеха.

Воздушное охлаждение, несмотря на такие недостатки, как энергозатраты на работу вентиляторов, необходимость установки воздухоохладителей, воздуховодов и вентиляторов, а также большая усушка продукта при длительном хранении без упаковки, находит широкое применение. К преимуществам воздушного охлаждения относятся: более равномерное распределение температуры и влажности воздуха по объему камеры, чем при батарейном охлаждении; интенсификация процессов охлаждения и замораживания; возможность вентилировать камеры и регулировать влажность воздуха благодаря большой скорости движения воздуха, влажность воздуха, что невозможно при батарейном охлаждении. Системы воздушного охлаждения менее металлоемкие, их можно полностью автоматизировать [8].

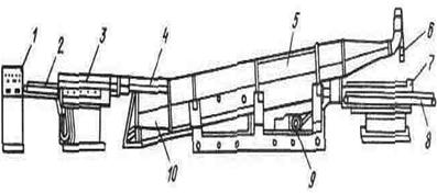
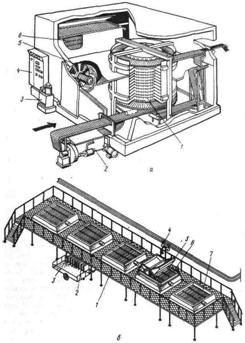
Поддержание необходимых температуры и скорости движения воздуха в холодильных камерах зависит от правильного размещения оборудования. Различают камеры охлаждения с пристенными и потолочными батареями, когда воздухоохладители размещают соответственно на стенках и под потолком (рис.1). На рис. 2 показана схема размещения воздухоохладителей в камере сверхбыстрого охлаждения мяса (воздухоохладители расположены над подвесным потолком). В помещениях туннельного типа охлаждающий воздух движется в продольном или поперечном направлении. В камерах с бесканальной системой воздухораспределения и ложным потолком применяют напольные, подвесные и потолочные воздухоохладители.

Равномерные условия охлаждения полутуш могут быть обеспечены при системе воздушного душирования, когда струйная подача воздуха сверху вниз создает наиболее низкие температуры и высокие скорости движения воздуха в зоне бедренной части полутуш.

Усушку и продолжительность процесса охлаждения мяса можно снизить, если использовать воздух, перенасыщенный влагой и циркулирующий с большой скоростью (около 30 м/с). Однако из-за высокой стоимости оборудования широкого распространения данный метод не нашел.

Субпродукты охлаждают в отдельных камерах, в тазиках слоем толщиной не более 10 см, которые размещают на стеллажах, рамах или этажерках. Длительность охлаждения субпродуктов при 0—1°С составляет 18—24 ч. При использовании рассола температурой -4ºС охлаждение субпродуктов сокращается до 10—12 ч; в этом случае субпродукты помещают в металлические формы с крышками.

Птицу охлаждают в аппаратах туннельного типа с поперечным движением воздуха, на многоярусных тележках. При температуре воздуха —8°С и скорости движения 2—3 м/с кур охлаждают до температуры 2—3 °С в течение 4—5 ч, гусей и индеек — 6—8 ч. Птицу можно охлаждать, погружая ее в льдоводяную смесь. Тушки, снятые с конвейера, попадают в ванну, заполняя равномерно каждую зону, образующуюся между двумя соседними решетками конвейера. Продолжительность хранения охлажденного мяса зависит от температуры, относительной влажности и циркуляции воздуха в камере, так и от начальной бактериальной обсемененности поверхности мяса.

Температура в камере должна быть 0-1°С, относительная влажность воздуха — 85—90 %, скорость его движения — 0,1—0,2 м/с.

Туши в камерах холодильного хранения должны быть подвешены так, чтобы они не соприкасались между собой и омывались потоком холодного воздуха. На 1 м площади охлаждающей камеры должно находиться не более 200кг мяса в тушах или полутушах.

Мясо, охлажденное медленным способом, может храниться 15—20 сут при 0-1°С и относительной влажности воздуха 85—90 %, а охлажденное быстрым способом — до 4 нед при температуре -1°С и относительной влажности воздуха 90—95 %.

Допускается холодильное хранение говядины в корабельных трюмах при температуре воздуха 0…-2ºС, содержании СО 10—11% и относительной влажности воздуха 91% в течение 45 сут. Потери массы при этом в среднем 0,14% в сутки.

Подмораживание — один из способов увеличения сроков хранения мяса. Рекомендуется подмораживать мясо, предназначенное для транспортирования на небольшие расстояния. При подмораживании уменьшается усушка и улучшаются санитарно-гигиенические условия транспортирования. Подмороженное мясо можно хранить и транспортировать в подвешенном состоянии или штабелях при температуре -2…3°С в течение 15—20 сут. Подмораживают в основном парное мясо. Режимы подмораживания мяса различных видов различаются только по продолжительности. Так, при температуре воздуха -30…35°С и скорости его движения 1—2 м/с длительность подмораживания говядины 6—8 ч, свинины 6—10 ч [8].

Замораживание – один из методов низкотемпературного консервирования мяса и мясопродуктов. Способ, условия и технические свойства замораживания определяют, исходя из вида, состава, свойств, формы и размеров продукта. В зависимости от состояния мяса применяют одно- или двухфазное замораживание. Парное мясо, поступающее непосредственно после первичной переработки, замораживают однофазным способом. Преимущества однофазного замораживания — сокращение продолжительности процесса, уменьшение потерь массы, более высокое качество мяса, сокращение затрат труда и. транспортирования, эффективное использование производственных площадей. В последние годы широкое распространение получило замораживание мяса и субпродуктов в блоках, которые формуют после обвалки мяса.

Мясо и мясопродукты замораживают в воздухе, в растворах солей или некоторых органических соединений, в кипящих хладагентах, при контакте с охлаждаемыми металлическими пластинами. Самый старый способ охлаждения — с помощью тающего или сухого льда. В холодильных устройствах для замораживания продуктов наиболее часто используют теплоту испарения, необходимую для перехода из жидкого состояния в пар. Если давление над поверхностью жидкости уменьшается, то она начинает испаряться или закипать, а ее температура стремится сравняться с температурой, соответствующей давлению пара. Необходимая для испарения теплота отбирается у жидкости и сосуда, в котором она находится, или от окружающей среды. Если пониженное давление над паром будет поддерживаться постоянно, а потеря испаряющейся жидкости — все время возмещаться, то жидкость будет кипеть и непрерывно отбирать теплоту. При этом реализуется так называемый замкнутый холодильный цикл. Часть хладагента непосредственно соприкасается с продуктами. Однако еще чаще хладагент соприкасается не непосредственно с продуктами, а с одной промежуточной средой (твердой, жидкой или газообразной) или с несколькими средами. По этому признаку способы замораживания делят на две группы: основанные на непосредственном соприкосновении продукта с испаряющимся хладагентом и основанные на косвенном контакте хладагента и продукта через промежуточную твердую, жидкую, газообразную среду или их комбинацию [7].

Замораживание продуктов в воздухе. Воздух — наиболее распространенная и промежуточная среда для отвода теплоты от продукта при замораживании. При замораживании воздухом скорость замерзания зависит от размера продукта, температуры воздуха и скорости его циркуляции. Интенсифицировать процесс замораживания можно путем понижения температуры, повышения скорости движения воздуха и уменьшения толщины продукта.

Экспериментальные исследования показали, что снижать температуру воздуха в туннельных установках ниже —35°С и увеличивать скорость движения воздуха выше б—8 м/с неэкономично и нецелесообразно с точки зрения повышения скорости замораживания. Продолжительность одно- и двухфазного замораживания говяжьих и свиных полутуш, а также бараньих туш приведена в таблице 3.

Потери массы при однофазном замораживании в зависимости от категории упитанности 1,58—2, %, при двухфазном замораживании они увеличиваются на 30—40%. Органолептические показатели мяса, замороженного в парном состоянии, выше, чем замороженного после охлаждения.

Тушки птицы замораживают в воздухе при тех же, режимах, что и мясо животных; продолжительность процесса в зависимости от вида птицы, упитанности тушек и режимов замораживания 24—27 ч.

Замораживание в жидких кипящих средах. Основное требование при реализации этого способа замораживания — полная индифферентность хладагента и отсутствие каких бы то ни было реакций между ним и компонентами замораживаемых продуктов. В качестве хладагентов используют сжиженные азот, диоксид углерода и фреон. С помощью данного способа осуществляют охлаждение тушек птицы и упакованных кусков мяса. Сжатый газ после компрессора холодильной установки подается в конденсатор, а из него в жидком виде через специальный регулировочный клапан поступает в морозильную камеру, где орошает продукт. В последние годы получает распространение замораживание продуктов жидким фреоном, имеющим температуру —30ºС.

Данный способ отличается быстротой замораживания продукта, простотой регулирования продолжительности замораживания, возможностью включить установку в линию обработки с нормальной температурой рабочего помещения и отсутствием потерь при замораживании. К его недостатку можно отнести низкую экономичность процесса.

Разрабатывается способ замораживания продуктов с помощью жидкого азота, причем в настоящее время находит применение замораживание продукта путем опрыскивания азотом (рис.3). Продукты укладывают на ленту конвейера и сначала охлаждают холодным газообразным азотом, а затем опрыскивают жидким азотом. Продукты, имеющие начальную температуру 20—21 °С, замораживаются до —18 °С в течение 1—5 мин в зависимости от размеров. На замораживание 1 кг продуктов расходуется 1 —1,5 кг жидкого азота. Продукт, замороженный: в жидком азоте, имеет высокие качества, во время размораживания из него меньше вытекает мясного сока. Однако жидкий азот дорого стоит.

Замораживание в жидких некипящих средах. В качестве жидких охлаждающих сред используют водные растворы хлорида натрия или кальция определенной концентрации, а также смесь воды с пропиленгликолем при температуре не выше —20ºС. Для предохранения от воздействия растворов продукт герметично упаковывают в полимерные материалы, плотно прилетающие к поверхности. После замораживания растворы удаляют водой. Средняя продолжительность замораживания тушек птицы в растворе хлорида кальция при -26…30ºС составляет 20—30 мин. Быстрый теплоотвод позволяет получить высокое качество продукта [8].

Замораживание между металлическими плитами. Контактное взаимодействие продукта с низкотемпературной поверхностью обеспечивает сокращение процесса по сравнению с процессом замораживания в воздухе в 1,5—2,0 раза. Наиболее распространено замораживание мясных блоков между металлическими пластинами. Сформированные блоки направляют в плиточный морозильный: аппарат. Продолжительность замораживания блока бескостного мяса массой 25 кг при —35ºС до температуры в толще —8°С составляет 4—5 ч. Этот способ позволяет при быстром замораживании лучше сохранить исходные качества продукта и снизить потери массы.

Для замораживания мяса в блоках и птицы используют различные упаковочные материалы, в частности синтетические полимерные пленки с низкой газо- и паропроницаемостыо, устойчивые к действию хладагента и компонентов пищевых продуктов (воды а жира), обладающие необходимой механической прочностью в широком диапазоне температур. Для упаковывания продукта сложной формы применяют усадочные пленки, обеспечивающие плотное облегание продукта.

При замораживании вторых блюд используют алюминиевую фольгу в комбинации с полимерными материалами, из которой делают емкости различной формы. В настоящее время широко применяют картонные подложки, покрытые пластическим материалом, устойчивые к воздействию высоких и низких температур.

Мясо и мясопродукты хранят при —18 °С и относительной влажности воздуха 92—98 %. Продолжительность хранения мяса зависит от его вида, температуры и наличия упаковки.

Замороженное мясо, сортированное по видам и упитанности, хранят в плотносформированных штабелях на напольных решетках или в стоячных поддонах, которые устанавливают в 2—4 яруса с помощью электропогрузчика. Загрузка 1м грузового объема камеры замороженным мясом для говядины в четвертинах 400 кг, в полутушах — 300, для свинины в полутушах — 450, для баранины — 300 кг. Потери массы (усушка) при хранении мороженого мяса зависят от упитанности сырья, этажности и емкости холодильников, географической зоны и времени года; они составляют 0,05—0,3% за один месяц. Для снижения потерь мясо упаковывают в полиэтиленовые и другие материалы. В этом случае усушка сокращается в 5—8 раз. При температуре ниже —18ºС продолжительность хранения всех видов мяса увеличивается до 18—24 мес.

Замороженное мясо хранят в камерах, оборудованных, как правило, батареями непосредственного испарения аммиака. При продолжительном хранении вследствие высыхания поверхности мяса мышечная ткань вдавливается и консистенция мяса уплотняется.

Мясо и мясопродукты замораживают в помещениях камерного и туннельного типа, а также в морозильных аппаратах. Камеры оборудованы пристенными или потолочными батареями, в которых циркулирует хладагент. Серьезными недостатками камер являются большая продолжительность процесса, неравномерность замораживания и высокая усушка мяса. Интенсифицировать процесс можно в туннелях быстрого замораживания, где батареи охлаждения размещены между рядами подвесных путей. Скорость замораживания регулируется за счет принудительной циркуляции воздуха.

В НПО «Агрохолодпром» разработаны универсальные морозильные камеры для сверхбыстрого охлаждения или быстрого замораживаний парного мяса, в которых можно регулировать температуру от —10 до —35 °С. Между колоннами здания устроены четыре туннеля, вдоль каждого туннеля установлены пристенные батареи непосредственного испарения аммиака. Температура в туннеле —35ºС, скорость движения воздуха до 3 м/с; продолжительность замораживания мясных полутуш 14—16 ч.

В камерах туннельного типа можно реализовать непрерывный технологический процесс, осуществить его автоматизацию и программирование. Использование туннелей для замораживания свиных и говяжьих полутуш, а также бараньих туш позволяет уменьшить усушку мяса на 40—50%.

Блочное мясо, субпродукты, полуфабрикаты, готовые блюда, эндокринно-ферментное сырье можно замораживать в морозильных аппаратах. Продукты помещают на ленточный транспортер (рис. 4) тележки или на этажерки, движущиеся по рельсу. На установке быстрого замораживания можно замораживать пельмени, кнели, котлеты и другие полуфабрикаты.

В морозильном аппарате для замораживания штучных изделий ленточно-спирального типа (рис. 5) вокруг вращающегося цилиндра смонтирована спираль, по которой перемещается ленточный конвейер. Продукт с помощью загрузочного устройства попадает на ленту и перемещается по спирали вверх к разгрузочному устройству. Поток холодного воздуха направлен сверху вниз, перпендикулярно к ленте, т. е. движется противоточно по отношению к продукту, что обеспечивает повышение скорости замораживания и уменьшение усушки. Аппарат оборудован автоматическим устройством для мойки и сушки ленты.

Наряду с воздушными морозильными аппаратами используют плиточные аппараты, в которых замораживают мясо в блоках, субпродукты, фарши и эндокринно-ферментное сырье. Замороженные в этих аппаратах продукты имеют правильную форму, что облегчает их упаковывание и дает возможность эффективно использовать объем камер хранения. В плиточных аппаратах продукт размещают между подвижными морозильными плитами. В результате перемещения плит происходит подпрессовывание продукта, что обеспечивает хороший контакт с охлаждаемой поверхностью и способствует интенсификации теплообмена.

Горизонтально-плиточные аппараты в большинстве случаев являются устройствами периодического действия: загрузка и выгрузка продукта может быть ручная или механизированная [3].

К вертикально-плиточным относятся мембранные морозильные аппараты, в которых происходит формирование и замораживание блоков. Они представляют собой прямоугольную емкость с подвижным дном, в которой установлены вертикальные морозильные плиты, состоящие из двух стальных мембран. Аппарат загружают с помощью питателя, из которого мясо в упаковке поступает в формы. После загрузки в пространство между мембранами подается хладоноситель, под давлением которого стальные пластины раздвигаются и плотно прижимаются к продукту. После окончания замораживания хладоноситель отключается, и за счет разности давлений стальные мембраны отходят от блоков. Замороженные блоки после открывания подвижного дна выгружаются из аппарата на ленточный конвейер и направляются в камеры хранения. В модернизированных аппаратах мембранные камеры заменены на цельнометаллические перемещающиеся морозильные плиты [8].

Рядом преимуществ обладают роторные морозильные аппараты пульсирующего действия с заданным циклом. Температура замораживания в них -30…49ºС. Ротор состоит из радиально расположенных секций, укрепленных на пустотелом валу, через который хладагент поступает в морозильные плиты. Загрузка и выгрузка продуктов механизированы. В этих аппаратах замораживают упакованные жилованное мясо, субпродукты. В роторных морозильных аппаратах сокращена продолжительность замораживания в 1,5—2 раза по сравнению с воздушными морозильными аппаратами, обеспечиваются непрерывность процесса, механизация загрузки и выгрузки, возможность автоматического регу-лирования режима работы, хорошие санитарно-гигиенические условия.

Для замораживания субпродуктов и неупакованных мясных продуктов используют гравитационно-ленточные конвейерные морозильные аппараты ГКА-2 и ГКА-4 производительностью 860—900 кг/ч. Температура замораживания в них -39…35°С, скорость движения воздуха 3 м/с.

Уменьшение потерь массы и сохранение качества продуктов при замораживании можно достичь в аппаратах с использованием жидкого азота. В этих аппаратах продукт замораживают путем погружения в хладагент (рис.6).

Размораживание осуществляют в воде, воздухе, с использованием различных растворов или паровоздушной смеси. В зависимости от температуры и скорости движения воздуха процесс размораживания может быть медленным, ускоренным или быстрым. При медленном размораживании температуру воздуха вначале поддерживают в пределах 0—3ºС, затем повышают до 8°С; при этом относительная влажность воздуха 90—95 % и скорость его движения 0,2—0,3 м/с. Продолжительность размораживания при таких параметрах 3—5 сут.

Ускоренное размораживание проводят при температуре воздуха 16—20°С, относительной влажности 90—95 % и скорости его движения 0,2—0,5 м/с. В этих условиях размораживание длится 24—30 ч.

Быстрое размораживание осуществляют в паровоздушной среде при ее температуре 20—25°С, относительной влажности 85—90 % и скорости движения 1—2 м/с. Продолжительность размораживание в этом случае 12—16 ч.

Наиболее прогрессивным способом размораживания мяса является применение СВЧ-нагрева. На Московском мясокомбинате замороженные блоки говядины и свинины размораживают в агрегате А1-ФДВ (рис.7). Он состоит из технологического устройства (шлюзов загрузки и выгрузки, рабочей камеры и конвейеров) и генератора сверхвысокой частоты. Размораживание мяса в поле СВЧ сокращает потери массы, и продолжительность технологического процесса (от 24 ч до нескольких минут) способствует сохранению качества и снижению бактериальной обсемененности мяса.

4. Причины и методы предотвращения фактической естественной убыли мяса и мясопродуктов при холодильной обработки

Термическая обработка мяса на холодильниках является одним из важнейших процессов на мясокомбинатах, основное назначение которого - способствовать сохранению качества в течение продолжительного времени. При этом решающее значение имеет применение таких режимов термической обработки, которые сводили бы к минимуму потери этого ценного сырья. Потери мяса в процессе холодильной обработки еще достаточно велики.. Так, при охлаждении парного мяса до 4-0 °С в камерах холодильника в течение 16 ч потери достигают 1,4-1,89 % (в зависимости от упитанности говядины), субпродуктов 1,44 % первоначальной массы; при замораживании говядины - от 1,58 до 2,1 % массы парной туши. Существенны потери мясного сырья при хранении и транспортировании. Анализ показывает, что из обшей величины потерь на холодильную обработку мяса приходится 89 %, в том числе 65 % на охлаждение и 24 % на замораживание, при хранении - 4,при транспортировании - 7 %.

Уровень потерь мяса зависит от продолжительности хранения и этажносги холодильников (при одноэтажном холодильнике они выше, чем при многоэтажном). В общем потери составляют в среднем около 2 % общего объема производства мяса и резко увеличиваются при его транспортировании на холодильники различных ведомств, перерабатывающие предприятия и в торговую сеть [10].

Величина потерь при обработке и хранении мясопродуктов связана с тепловлажностными режимами холодильных камер. Повышение температуры хранения мяса и мясных продуктов на 1°С вызывает увеличение усушки на 0,03%. При термической обработке повышение температуры влияет на продолжительность замораживания и потери.

Потери мясного сырья можно значительно сократить за счет более широкого внедрения прогрессивных способов охлаждения и замораживания, совершенствования условий хранения, применения паровлагонепроницаемых упаковок при производстве и хранении охлажденного и замороженного мяса, субпродуктов, перевода камер для неупакованного замороженного мяса на более низкие температуры в пределах -25…30°С или их экранирование, разработки новой технологии и оборудования, разделки парного мяса на полуфабрикаты с упаковыванием их в полимерные пленки, применения аппаратных способов охлаждения и замораживания, хранения и транспортирования с использованием азотной системы охлаждения.

Повышение интенсивности охлаждения при прочих равных условиях способствует сокращению потерь мяса. Так, при медленном охлаждении от 16 до 24 ч потери в результате усушки говядины составляют от 1,6 до 2,1 % (в зависимости от ее упитанности), а при обработке до 16 ч - 1,4-1,89 %. Процесс охлаждения можно интенсифицировать, увеличивая перепад температуры продукта и среды, а также скорость ее движения. В практике предприятий намечается для охлаждения мяса использовать воздух температурой значительно более низкой по сравнению с криоскопической точкой. Воздействие этих температур ограничено и для предотвращения льдообразования производится в начале охлаждения мяса. После достижения на поверхности мяса криоскопической температуры последующее доохлаждение осуществляется при температуре, близкой к криоскопической. Повышение интенсивности процесса достигается за счет увеличения скорости движения воздуха с 0,1 до 2,0 м/с и понижения его температуры с 2 до -3 °С.

Двухстадийное охлаждение в зависимости от интенсивности проводят на первом этапе при температурах от -4 до -15°С при скорости движения воздуха 1-2 м/с. В период доохлаждения температура воздуха составляет -1...1,5°С, скорость движения воздуха 0,1-0,2 м/с.

Продолжительность первой стадии охлаждения рекомендуется ограничить 2 ч и на доохлаждение отправлять говяжьи полутуши температурой в толще бедра около 20 °С. Первый этап двухстадийного охлаждения можно проводить на конвейерных линиях туннельного типа, работающих синхронно с конвейерами цеха убоя скота и разделки туш, или осуществлять в камерах с помощью направленного воздействия охлажденного воздуха методом воздушного душирования, разработайного ВНИКИМПом. Туши доохлаждают в камерах хранения. Использование двухстадийного способа охлаждения мясных туш позволяет сократить усушку мяса на 20—30 %.

Для снижения потерь важное значение имеет внедрение в производство эффективного метода однофазного замораживания парного мяса.

По сравнении процессов замораживания охлажденного и парного мяса установлено, что охлаждение протекает в принципиально различных условиях тепло- и массообмена. При обычном охлаждении окончание процесса наступает тогда, когда значения температур в толще бедренной части туши и на ее поверхности уравниваются и приближаются к температуре воздуха в камере, равной или больше 0°С. При замораживании парного мяса охлаждение при обычном понимании этого процесса, когда влага находится в жидком агрегатном состоянии, фактически заканчивается в тот момент, когда на его поверхности появляется первый пограничный слой твердой фазы, т. е. происходит начало замораживания поверхности туши. При этом температура в толще бедренной части остается еще достаточно высокой - около 10ºС.

Потери мяса при охлаждении зависят главным образом от агрегатного состояния воды на поверхности туши — жидкого или твердого в виде льда. Это вызвано тем, что жидкость с поверхности испаряется значительно интенсивнее, чем при сублимации [10].

Для снижения потерь массы необходимо интенсифицировать процесс замораживания, резко сократив продолжительность достижения криоскопической температуры в мясе и в первую очередь на его поверхности.

Существенные преимущества замораживания парного мяса по сравнению с охлажденным заключаются в том, что в среднем на 40% ускоряется процесс холодильной обработки, на 30—40% снижаются потери, повышается качество мяса, сокращаются транспортные работы, до 50% повышается производительность труда и уменьшается потребность в производственных площадях. Учитывая эти положительные факторы, позволяющие на тех же холодильных площадях предприятия значительно увеличить пропускную способность и тем самым увеличить мощность по заморозке мяса и субпродуктов, мощности по проведению процесса термической обработки таким методом предполагается в ближайшие годы довести до 60 % имеющихся в мясной промышленности.

Повсеместный переход на замораживание парного мяса вместо охлажденного позволит дополнительно снизить его потери на десятки тысяч тонн в год.

Вместе с тем следует отметить, что даже при использовании такого прогрессивного метода, каким является однофазное замораживание, потери мяса при усушке выше, чем при проведении процесса его охлаждения и последующей реализации в охлажденном виде (таблица 4).

Таким образом, с точки зрения сокращения потерь целесообразнее реализовать мясо в охлажденном виде, чем отпускать мороженое мясо, что позволит увеличить ресурсы этого ценного продукта для снабжения населения.

Наиболее эффективным методом снижения потерь мяса и мясных продуктов при термической обработке является внедрение технологии, предусматривающей выработку замороженных мясокостных и бескостных блоков. Применение данной технологии наряду со снижением потерь позволяет значительно сократить трудоемкость за счет механизации погрузочно-разгрузочных и транспортно-складских работ, повысить степень использования холодильных емкостей, охлаждаемых транспортных средств в результате большей плотности укладки грузов по сравнению с холодильной обработкой и транспортированием мяса в тушах, полутушах и четвертинах [10].

В этой связи заслуживает внимания применение морозильных аппаратов для интенсификации процесса замораживания бескостного мяса и мякотных субпродуктов в блоках в упакованном виде. Эффективным является применение роторных морозильных аппаратов. Ротор в этих аппаратах состоит из радиально расположенных секций, которые крепят на валу. Пустотелый вал ротора используют для подачи хладагента в морозильные плиты. Загрузка и выгрузка продуктов механизированы. Перед размещением в секции бескостное мясо и субпродукты укладывают в мешки из полимерного материала. Таким образом, замораживают продукцию в упакованном виде, что способствует сокращению усушки. Наряду с этим использование роторных морозильных ап-паратов позволяет в 1,5-2 раза по сравнению с воздушными морозильными камерами сократить продолжительность замораживания, осуществлять непрерывную обработку, автоматическое регулирование режимов работы, механизировать загрузку и выгрузку. Несомненным преимуществом таких аппаратов является снижение энергозатрат на 30—40% по сравнению с воздушными морозильными камерами.

В роторном морозильном аппарате блок-форма представляет собой пустотелые, шарнирно закрепленные на валу ротора плиты, в которых циркулирует хладагент. В рабочем положении блок-формы образуют гнезда прямоугольной формы (рис.8). Во время загрузки и выгрузки они раскрываются и гнезда принимают пирамидальную форму. Хладагент циркулирует через полости плит блок-форм, поступая в них через отверстия, имеющиеся у вала ротора [10].

Сырье, подлежащее заморозке, конвейером подается в бункера дозатора, откуда перегружается в кассеты, смонтированные на раме загрузочного устройства. Под воздействием гидравлического привода рама загрузочного устройства вталкивает кассеты с сырьем в приоткрытые морозильные блок-формы ротора.

Рама с порожними кассетами возвращается в исходное положение, а сырье, удерживаемое в это время особыми поршнями, остается в блок-формах. Плиты блок-форм сжимаются, спрессовывают сырье в блоки, и начинается его замораживание. При окончании загрузки одного ряда блок-форм ротор поворачивается особым гидроустройством на величину, необходимую для установки под загрузку следующего ряда блок-форм, и т. д. Одновременно к месту разгрузки подходит ряд блок-форм с уже замороженным сырьем. Специальный клиновой механизм раскрывает половинки блок-форм, и замороженные блоки выпадают из них.

В нашей стране наиболее распространено производство блоков из жилованного мяса. При этом значительный интерес с точки зрения сокращения потерь представляет поставка бескостных блоков жилованного мяса в охлажденном виде. Вместе с тем остается нерешенным вопрос о потерях, имеющих место в результате усушки мяса в процессе охлаждения туш от 35 до 0-4°С. Наиболее эффективным в этом отношении являются разделка и обвалка парного мяса, упаковывание его под вакуумом в пакеты из полимерных материалов и размещение в короба из гофрированного картона, а затем термическая обработка коробов с мясом путем охлаждения или замораживания. Аналогичный положительный результат достигается при обработке таким образом парного мяса в виде мясокостных отрубов.

Представляет интерес опыт фирмы «Iowa Beefprocess» (США), являющейся ведущей в мире по убою крупного рогатого скота и переработке говядины. С 1980 г. фирма еженедельно перерабатывает для производства охлажденных бескостных и мясокостных отрубов более 100 тыс. голов крупного рогатого скота. Для этой цели отбирают полновесный скот высокого качества, средняя масса туши составляет 294 кг. Получаемые отрубы упаковывают в пленку, а затем в картонные короба. Благодаря такому производству мяса фирма получает дополнительную прибыль в сумме 60,8 дол. за каждую разделанную тушу. Прибыль достигается в результате снижения потерь мяса при производстве отрубов, сокращения его усушки при хранении на холодильниках, при транспортировании и торговле, а также благодаря снижению погрузочно-разгрузочных операций. Наряду с этим сокращается потребность в холодильных емкостях для хранения мяса. Срок хранения говяжьих отрубов в охлажденном состоянии составляет 21-28 сут. В целях сокращения потерь при технологической обработке на предприятиях фирмы поддерживают температурные и влажностные режимы под строгим контролем со стороны инспекторов предприятия и инспекции министерства сельского хозяйства США.

С учетом этого опыта необходимо принять меры по исключению или сокращению до минимума потерь холода в цехах мясоперерабатывающих предприятий и мясокомбинатов, а также на холодильниках. Одним из методов устранения таких недостатков является применение таких эффективных изоляционных материалов, как многослойные клеевые конструкции из полистирола ПСБ-С с фольгозольным покрытием, монтируемые на наружной поверхности ограждений холодильников, а также материала «Рипор». Высокая эффективность предлагаемых решений подтверждена практической проверкой их использования на ряде предприятий мясной промышленности. Применение их в 2-2,5 раза сокращает сроки реконструкции холодильников и снижает стоимость этих работ на 40-45%, в 2 раза сокращает расход электроэнергии и уменьшает количество применяемого оборудования.

Этому же способствуют переход на воздухоохладители вместо пристенных батарей, широкое использование аппаратных методов термической обработки мяса и субпродуктов взамен камерных, что улучшает распределение холода н сокращает продолжительность замораживания.

Наряду с интенсификацией процессов охлаждения и замораживания мяса одним из эффективных методов увеличения сроков хранения и сокращения потерь его массы при холодильной обработке является применение защитных пленкообразующих составов.

Ассортимент веществ, используемых в качестве пленкообразующих составов для приготовления покрытий, широк: альгин, коллаген, желатин, парафин, целлюлоза, казеин, многоатомные спирты и жирные кислоты, моноглицериды и их производные. Наиболее перспективным направлением для сохранения качества и сокращения потерь массы мяса и мясных продуктов является применение композиции пищевых покрытий, получаемых на основе моноглицеридов и ацетилированных моноглицеридов пищевых жиров, поскольку эти соединения обладают бактерицидными свойствами и являются антиокислителями.

Пищевые покрытия применяют в зарубежных странах. В США разработано новое пищевое покрытие «Дермутекс», представляющее собой маслянистую жидкость, состоящую из дистиллированного и полностью ацетилированного моноглицерида, получаемого из растительного масла. Использование этого покрытия в сочетании с упаковкой отрубов в пленку "Крайовак" дает такие преимущества, как сохранение качества в течение длительного срока хранения: для говядины до 50 суток, свинины до 14 суток, баранины до 70 суток с одновременным сокращением усушки мяса.

Работы, проведенные на Фрунзенском и Токмакском мясокомбинатах, где в качестве пищевого покрытия использовали композицию на основе моноглицеридов, показали, что усушка сокращается в среднем на 30%, а срок хранения мяса увеличивается в 2 раза. При этом установлено торможение окислительных процессов жира и развитие микроорганизмов.

Наряду с этим было установлено, что проведение глицеролиза жиров в условиях мясокомбинатов из-за трудоемкости, энергоемкости и неудовлетворительных условий по безопасности в связи с использованием диоксида углерода нецелесообразно. Положение еще больше усугубляется нарушением требований промсанитарии при проведении ацетилирования глицеридов вследствие использования уксусного ангидрида и его сброса в канализацию. Одновременно было выявлено, что при таком методе обработки увеличивается микробиологическая обсемененность и уменьшается концентрация пищевого покрытия в процессе эксплуатации установки, пищевое покрытие стекает с поверхности полутуш после их выхода из камеры распыления.

С учетом отмеченных недостатков проведены исследования по разработке пищевого покрытия на основе серийно выпускаемых моноглицеридов с включением эмульгатора. Такое покрытие состоит из 5% (в пересчете на сухое вещество) указанной композиции и 95% воды. Другим видом является покрытие, включающее серийно выпускаемые моноглицериды и ацетилированные моноглицериды с добавлением крахмала. Уровень воды в таком покрытии составляет 86% [10].

ВНИКТИхолодпромом разработана технология и создана установка для приготовления и нанесения пищевого покрытия на мясо, которая состоит из участка приготовления эмульсии пищевого покрытия, включающего две пастеризационные ванны Г6-ОПА-600, два насоса, емкость для дезинфицирующего раствора, и установки Я10-ФНМ нанесения пищевого покрытия. Она состоит из камеры легкой металлоконструкции, снабженной системой трубопроводов с форсунками для распыления эмульсии на мясо, узлом фильтрации, системой приточной вентиляции и конвейером для транспортирования полутуш.

Установка работает следующим образом. Мясные туши и полутуши поступают в камеру, где на них наносится пищевое покрытие. Неосевшее на поверхности мяса покрытие стекает, собирается в накопителе камеры и насосом возвращается в ванны для термообработки и дальнейшего использования.

Бывшим Министерством здравоохранения СССР дано разрешение на использование разработанного пищевого покрытия и пленкообразующего состава для нанесения на парное мясо перед холодильной обработкой и хранением.

Пищевой пленкообразующий состав на основе серийно выпускаемых моноглицеридов и ацетилированных моноглицеридов с добавлением крахмала или с включением эмульгатора обеспечивает сокращение усушки при сохранении качества мяса.

Другим методом снижения потерь мяса за счет усушки при охлаждении является гидроаэрозольное орошение. Во ВНИКИМПе была разработана технология и создана установка Я8-ФОА для периодического орошения полутуш водой.

Сущность процесса заключается в том, что полутуши охлаждают на подвесных путях в обычных холодильных камерах по традиционной технологии, но с периодическим орошением их в начале обработки водопроводной водой, после испарения которой на поверхности полутуш образуется корочка подсыхания, препятствующая развитию нежелательной микрофлоры. На поверхность полутуш воду наносят с помощью разработанного устройства с вращающейся ворсистой поверхностью. Распылители помещают между рядами туш и с помощью индивидуальных приводов перемещают вдоль рядов и обратно. При перемещении распылители орошают полутуши тонким слоем воды при одновременном обдуве воздухом с помощью вентилятора. Каждый распылитель снабжен бачком, куда с помощью шланга заливают воду. Через 6 ч работы распылители отключаются, а процесс охлаждения продолжается до достижения в толще мышц бедра полутуши температуры 4°С.

Процесс охлаждения полутуш интенсифицируется на 10% по сравнению с их обработкой в условиях естественной конвекции воздуха. Усушка говяжьих полутуш I категории снизилась с 1,54% для контрольных образцов до 1,28% для орошаемых полутуш. Усушка полутуш II категории снизилась в среднем на 0,55%, а свинины II категории — на 0,64% по сравнению с контрольными образцами. Производительность установки, снабженной пятью распылителями, составляет 20 т мяса в сутки, суммарная установленная мощность 1,5 кВт.

Использование холода для охлаждения вареных колбас способствует снижению потерь готовой продукции и сохраняет ее качество. Заслуживает внимания гидроаэрозольный метод охлаждения вареных колбас, предложенный специалистами ВНИКТИхолодпрома, который позволяет снизить потери на этой стадии производства колбасных изделий. По традиционной технологии вареные колбасы после варки охлаждаются от температуры в центре батона 70 до 15ºС орошением водой. При этом расходуется большое количество воды, увеличивается время охлаждения, возможно накопление влаги под целлофановой оболочкой, что может привести к ее деформации и разрыву. В случае применения обработки холодным воздухом температурой -5…7ºС интенсифицируется процесс охлаждения и передача влаги как к поверхности батона, так и от нее к охлаждающей среде. При таком способе охлаждения усушка возрастает по сравнению с орошением водой.

Гидроаэрозольное охлаждение предусматривает орошение батонов колбас водой температурой не выше 18°С, подаваемой через специальные форсунки под давлением 294-490 кПа. Затем колбасы доохлаждают воздухом до температуры в центре батона не выше 15 С. Продолжительность только гидроаэрозольного охлаждения составляет 80-110 мин. Расход воды доходит до 200 кг/ч на одну раму.

Применение метода гидроаэрозольного охлаждения позволяет увеличить выход вареных колбас на 1% по сравнению с традиционными методами охлаждения, что значительно повышает экономическую эффективность производства.


5. Структура холодоснабжения предприятия

Холодильной машиной называют комплект оборудования, необходимый для осуществления холодильного цикла.

В зависимости от вида физического процесса, в результате которого получают холод, холодильные машины подразделяют на следующие типы: использующие процесс расширения воздуха (газовые, вихревые); использующие фазовый переход рабочего тела из жидкого в газообразное состояние (компрессионные паровые, абсорбционные, сорбционные, пароэжекторные).

В зависимости от вида потребляемой энергии различают холодильные машины на механической энергии (компрессионные паровые, газовые), теплоиспользующие (пароэжекторные, абсорбционные и сорбционные).

К холодильным машинам можно также отнести воздушные детандерные, использующие процесс расширения воздуха с производством внешней работы, и безмашинные термоэлектрические, потребляющие непосредственно электроэнергию на основе эффекта Пельтье. В системах холодоснабжения предприятий агропромышленного комплекса и торговли применяют как фреоновые холодильные машины, так и аммиачные холодильные установки непосредственного охлаждения или с использованием промежуточных хладоносителей. На предприятиях где требуется низкотемпературный холод, наибольшее распространение получили аммиачные установки непосредственного охлаждения [5].

Известны большие преимущества аммиачной системы с непосредственным кипением аммиака в охлаждающих устройствах, и прежде всего их высокая энергетическая эффективность.

В последнее время Гипрохолодом и японской фирмой MYCOM проводятся совместные работы. На сегодняшний день холодильные системы MYCOM являются одними из наименее аммиакоемких, а потому наиболее перспективными.

Результатом сотрудничества стала совместная работа по установлению чиллеров контейнерного типа, в которых воплощены новейшие инженерные идеи МYСОМ.

Принципиальная и компоновочная схемы чиллера была предложена в проекте реконструкции Московского хладокомбината № 14, приведены на рис. 9.

В состав чиллера входят компрессорный агрегат, испарительный конденсатор, пластинчатый испаритель, водяной насос, танк для воды, теплообменник для получения горячей воды (как дополнительная опция), щит управления и приборы автоматики, газоанализатор. Все комплектующие располагаются в едином корпусе. Для работы в условиях низкой температуры наружного воздуха, кроне подогрева масла в маслоотделителе, осуществляются также подогрев масляного трубопровода и щита управления, тепло изоляция и подогрев маслоотделителя.

При аварийной утечке аммиака срабатывает газоанализатор и включается подача воды на форсунки. В результате весь аммиак абсорбируется водой, которая из поддона отводится в отстойник, где аммиак нейтрализуется и удаляется из системы. Воды в системе достаточно как для функционирования испарительного конденсатора, так и для ликвидации утечки аммиака [6].

На конференции, организованной Российским союзом предприятий холодильной промышленности и ЗАО «Интер Экспо РСПП», прошедшей 14 сентября 2005г. в рамках выставки «Холодильное оборудование» было решено, что наиболее перспективным является создание низкотемпературных каскадных установок. Первый совместный проект был разработан Гипрохолодом и компанией York. Компания York International имеет большой опыт в проектировании и монтаже двухконтурных каскадных систем, в верхней ветви которых используется аммиак или Е22,а в нижней - диоксид углерода CO. Подобные системы уже более 10 лет успешно эксплуатируются во многих странах Европы.

Они обладают рядом уникальных возможностей, связанных с термодинамическими свойствами диоксида углерода:

·  достижение требуемой температуры в охлаждаемых объектах (до -52°С) при малых энергетических затратах;

·  существенно меньшая материалоемкосгь и гораздо более компактное исполнение по сравнению с системами, использующими традиционные хладагенты и хладоносители при прочих равных условиях;

·  высокая безопасность для окружающей среды и населения.

В настоящее время фирмой York International освоен полный спектр стандартизованного и сертифицированного холодильною оборудования, предназначенного для каскадных холодильных систем.

Наиболее ответственным элементом такой холодильной системы является компрессор для сжатия диоксида углерода, к которому предъявляются повышенные требования: надежная работа при повышенном давлении конденсации и низкой температуре кипения. Компанией York International разработаны серии поршневых и винтовых компрессоров, отличающихся усиленным исполнением корпуса, поршневых узлов, клапанной доски (для поршневых компрессоров), специальным исполнением всасывающей полости, наличием панели контроля и управления, оптимизированной для данного режима работы.

Следует особо отметить специально разработанный кожухотрубный теплообменник с межтрубным кипением, используемый в качестве испарителя-конденсатора в каскадных системах (рис.10). Такой теплообменник затопленного типа с плотным пучком труб малого диаметра (диоксид углерода находится в трубках теплообменника, аммиак или фреон - в межтрубном пространстве) позволяет существенно снизить емкость верхней ветви каскада по хладагенту.

Фирма York International смонтировала в Европе более 40 каскадных систем. Опыт их применения показал высокие эксплуатационные качества, безопасность и экономичность. Сегодня в России отмечается большой интерес предприятий различных отраслей промышленности к каскадным холодильным системам. Основными их потребителями являются мясная промышленность, фабрики мороженого, заводы по производству замороженных продуктов, крупные промышленные склады и др [1].

Многие предприятия России уже осознали преимущества каскадных систем.

ных на крыше контейнера, размешаются внутри 40-футовою контейнера размером

12192x2438x259 1мм.


ных на крыше контейнера, размешаются внутри 40-футовою контейнера размером

12192x2438x259 1мм.


ных на крыше контейнера, размешаются внутри 40-футовою контейнера размером

12192x2438x259 1мм.


Особенностью данной системы является контейнерное исполнение - все компоненты, за исключением отделителя жидкости и испарительного конденсатора, установленных на крыше контейнера, размещаются внутри 40 – футового контейнера размером 12192x2438x2591мм.

6. Экологические аспекты холодильной обработки мяса и мясопродуктов

Сегодня одной из основных задач нашей страны в области холодильных технологий является создание безопасных систем холодоснабжения, способных надежно и устойчиво работать в условиях чрезвычайных ситуации и возможных террористических актов.

Работы по реконструкции и строительству новых объектов повышенной опасности должны вестись в соответствии с требованиями научно-технической документации и с учетом законодательных актов по вопросам промышленной безопасности, принятых на правительственном уровне. В первую очередь следует руководствоваться Федеральным законом «О промышленной безопасности опасных производственных объектов» (принят в 1997 г.), а также «Основами государственной политики в области обеспечения химической и биологической безопасности» (утверждены 4 декабря 2003 г. Президентом Российской Федерации В.В. Путиным).

Значительная часть оборудования аммиачных холодильных установок (АХУ), эксплуатируемых на российских предприятиях, нуждается в замене. И уж если это делать, то нужно переходить на перспективные малоемкие аммиачные системы. В настоящее время примером таких систем являются системы фирмы MYCOM. МYСОМ основное внимание уделяет созданию холодильных систем, безопасных как для людей, проживающих вблизи объекта или работающих на нем, так и для окружающей среды. Наиболее значительным шагом в данном направлении стало создание систем с промежуточным хладоносителем. Специально для них были разработаны новые типы смазочных масел и теплоносителей. Благодаря ряду инноваций компании удалось добиться радикального сокращения количества аммиака в холодильной системе - в 30-50 раз по сравнению с прежними системами.

Вопросы, связанные с аммиаком, чрезвычайно сложны и ответственны, их решение можно доверять только опытным специалистам. Гипрохолод в своей технической политике исходит из того, что аммиак был, есть и будет наиболее -эффективным, дешевым и экологически чистым хладагентом XXI в. Специалисты института, накопившие значительный опыт работы с АХУ, владеют технологией перевода устаревших аммиачных систем холодоснабжения на безопасные малоаммиакоемкие холодильные системы.

Использование фреонов в крупных холодильных установках нецелесообразно как экономически, так и с точки зрения термодинамики, а также из-за ограничений, налагаемых международными соглашениями, подписанными Россией. Проблема осложняется еще и тем, что сегодня отечественные производители выпускают толъко один фреон – R22, имеющий ограничения по срокам использования, а все остальные фреоновыс хладагенты Россия импортирует.

Сегодня Гипрохолод - едва ли не единственная в стране организация, разрабатывающая проекты новых и реконструкции существующих АХУ в соответствии с требованиями упомянутых выше "Основ государственной политики в области обеспечения химической и биологической безопасности", Венской конвенции по охране озонового слоя, Монреальского протокола и Киотского соглашения по ограничению применения веществ, разрушающих озоновый слой и вызывающих парниковый эффект [6].

В ходе исследований «озоновых дыр» (значительного уменьшения содержания озона на высоте 20 —25км в земной атмосфере) было установлено, что промышленные и бытовые отходы, содержащие атомы хлора, в том числе хладоны, достигая атмосферы, высвобождают хлор, который участвует в разрушении озонового слоя. Известно, что озоновый экран (среднее содержание озона в атмосфере 0,001 %) защищает поверхность Земли от избыточных ультрафиолетовых лучей, большая доза которых способна уничтожить все живое. Поэтому Международной конвенцией в Вене в 1985 г., Протоколом в Монреале 1987 г. и последующими протоколами с участием представителей крупнейших стран мира были приняты решения о прекращении к 2000 г. производства и использования озоноопасных хладонов, в первую очередь К11, К12, КПЗ, К114, КП5. Хладагенты К22, К123, К124 К.141 и К.142 разрешены в качестве переходных для замены запрещаемых. Но и они должны быть исключены из использования к 2040 г., а по возможности и раньше (к 2020 г.)

Взамен вышеперечисленных хладонов предлагаются гидрофтор-углеводороды (ГФУ) и гидрохлорфторуглеводороды (ГХФУ), которые благодаря содержанию водорода разлагаются гораздо быстрее, чем хлорфторуглеводороды, в нижних слоях атмосферы, не достигая озонового слоя. На мировом рынке такие озонобезопасные хладоны предлагает, например, фирма «Дюпон» (США) под торговой маркой «СУВА». «Дюпон» поставляет на рынок хладагент НР62 (К404а), имеющий при давлении 0,1 МПа температуру кипения порядка -46°С, гидрофторуглеводород К134а и др. В России также освоен выпуск Я134а. Он может полностью заменить К12, хотя при его использовании несколько снижаются удельная холодопроизводительность установки (92 % от удельной холодопроизводительности К.12), холодильный коэффициент (98 % по сравнению с Е.12), увеличивается соотношение давлений конденсации и кипения (123%, если принять это соотношение для К.12 равным 100 %)- Для К134а подобраны и синтетические масла (ХС-22, ХФС-134). Температура кипения Я134а при давлении 0,1 МПа составляет -26,5ºС. В выпускаемых в России холодильниках и морозильниках «Стинол» используется преимущественно К134а [2].

Разработаны заменители и для других хладонов. Так, альтернативным для К22 может быть К407С или К290. Холодильный агент К407С представляет собой смесь К32/125/134а в соотношениях 23/25/52%. Хладон К502 может быть заменен на К125, имеющий температуру кипения -48,5°С. Для низкотемпературных машин (каскадных) может быть рекомендован озонобезопасный Я23.

Экологическая безопасность должна касаться всех производителей и потребителей холодильной техники, проектировщиков, машиностроителей.

Необходимо создать нормативно – правовую базу, регламентирующую применение в холодильных машинах в России рабочих веществ с учетом международных соглашений, но главное – с учетом интересов России. Нужно разработать правовые документы, способствующие продвижению на российском рынке прогрессивных технических решений в области холодильной техники и использования экологически безопасных термодинамически эффективных хладагентов и хладоносителей.


Заключение

Все скоропортящиеся продукты, в том числе мясные во время хранения подвергаются значительным изменениям. Если по отношению к ним не применить своевременно те или иные способы консервирования, то они относительно быстро придут в негодность. Следовательно, консервирование пищевых продуктов заключается в специальной их обработке для предохранения от порчи при хранении. Лучший способ консервирования – тот, который позволяет длительное время хранить продукт с наименьшими потерями их пищевой ценности и массы. Этим требованиям в наибольшей степени отвечает консервирование с помощью искусственного холода.

В курсовой работе рассматривались методы термообработки мяса, которые применяются на мясокомбинатах и определяются действующими в настоящее время нормативами. Однако развитие мясной индустрии, увеличение выработки мяса требуют совершенствования методов термообработки, их интенсификации и комплекса других мероприятий, способствующих уменьшению естественных потерь мяса при максимальном сохранении его качества. Энергетическое несоответствие между отдельными элементами холодильной установки, невысокая эффективность охлаждающих систем, устаревшее оборудование компрессорного цеха – недостатки, свидетельствующие о необходимости совершенствования холодильного оборудования всех предприятий. Изыскание новых технологических методов является актуальной народнохозяйственной и научной проблемой.


Список литературы

1.Белозеров Г.А. О концепции развития холодильной промышленности России//Холодильная техника. – 2005г. - №9.

2.Большаков С.А. Холодильная техника и технология. - М. 2000г.

3.Головкин Н.А. Холодильная технология пищевых продуктов. – М. 1984г.

4.Горбатов В.М. Справочник по оборудованию предприятий мясной промышленности. – М. 1965г.

5.Житенко П.В. Технология продуктов убоя животных. – М. 1984г.

6.Новиков И.В. Новые подходы к холодильным системам//Холодильная техника. – 2005г. - №7.

7.Полевая А.А. Проектирование холодильных установок//Холодильная техника. – 2005г. - №3.

8.Рогов И.А. Общая технология мяса и мясопродуктов. – М. 2000г.

9.Тихонов Б.С. Совершенствование холодильной техники и технологии. – М. 1992г.

10.Файвишевский М.Л. Малоотходные технологии на мясокомбинатах. – М. 1993г.


Приложение А

Таблица 1

Параметры охлаждения различных видов мяса.

Охлаждение,

вид мяса

Параметры охлаждающего воздуха Продолжительность, ч
температура, ºС скорость, м/с

Медленное, для

всех видов мяса

2 0,16-0,2 26-28

Ускоренное, для

всех видов мяса

0 0,3-0,5 20-24
Быстрое:
для говядины -3…5 1-2 12-16
для свинины -3…5 1-2 10-13
для баранины и козлятины -3…5 1-2 6-7

Приложение Б

Таблица 2

Параметры двухстадийного охлаждения.

Охлаждение, вид мяса Стадия Параметры охлаждающего воздуха Температура,ºС

Продолжи

тельность, ч

температура,

ºС

скорость,

м/с

Быстрое:
для говядины

1

2

-4…5

 -1…1,5

1-2

0,1-0,2

10

4

10-12

8-10

для свинины

1

2

-5…7

-1…1,5

1-3

0,1-0,2

10

4

6-8

6-8

Сверхбыст

рое:

для говядины

1

2

-10…11

-1..1,5

1-2

0,1-0,2

15-18

4

6-7

10-12

для свинины

1

2

-10…15

-1…1,5

1-3

0,1-0,2

18-22

4

4-5

10-15


Приложение В

А -А

Рис.1. Камера для охлаждения мяса с непосредственным воздушным душированием:

1—напольный двухходовой воздухоохладитель;

2 — пристенные батареи;

3— душирующий канал с соплами;

4 —осевой вентилятор


Приложение Г

Рис. 2. Камера для осаждения мяса с сухим воздухоохладителем и ложным потолком:

а—с постаментным воздухоохладителем: 1— постаментный воздухоохладитель;

2 — вентилятор с электродвигателем: 3 — подвесной путь; 4 — ложный потолок; 5 — охлаждаемая туша; 6 — с потолочными воздухоохладителями; 1 — потолочный воздухоохладитель с вентилятором; 2 — герметичный холодильный агрегат, 3— ложный потолок; 4 — подвесной путь (стрелками показано направление движения воздуха)


Приложение Д

Таблица 3

Параметры замораживания различных видов мяса.

Мясо

Темпера

тура воздуха в камере,ºС

Продолжительность замораживания, ч
Однофазный способ Двухфазный способ

Естест вен

ная циркуляция

Принудите

льная циркуляция

Естествен

ная циркуляция

Принудительная циркуляция
Говядина -23 36-44 29-35 29-35 23-28
Свинина -30 26-32 22-27 21-26 18-22
Баранина -35 22-27 19-23 18-22 15-18

Приложение Е

Рис.3. Схема установки для быстрого замораживания, действующая по принципу опрыскивания жидким азотом:

1—регулирующий клапан;

2 — опрыскивательная головка;

3 — вентилятор;

4— конвейер;

5 — выход продуктов;

6 — отсос газообразного азота;

7 — датчик температуры;

8 — ввод жидкого азота;

9 — загрузка


Приложение Ж

Рис. 4. Установка для быстрого замораживания:

1— испаритель;

2 — вентилятор;

3 — замораживаемый продукт;

4 - загрузка


Приложение И

Рис. 5. Морозильный аппарат:

а — со спиральным конвейером и одним барабаном для замораживания готовых блюд и кулинарных изделий: 1—грузовой конвейер; 2 —устройство для мойки транспортерной ленты; 3 — гидравлический агрегат: 4 — щит управления; 5 — вентилятор; 6 — охлаждающие батареи; б — линия с мембранными аппаратами ФМБ-2: 1—площадка для обслуживания; 2 — замороженный блок мяса; 3 — тележка; 4 — тельфер; 5 — загрузочный ковш; 6 — питатель; 7—мембранный аппарат


Приложение К

Рис, 4 Рис.6. Установка для быстрого замораживания, действующая по принципу погружения в жидкий азот:

1 — подача газообразного азота на сжижение;

2 —вытяжка;

3— варочный котел;

4 —автозаполнитель;

5 — замораживаемый продукт;

6 — трубопровод жидкого азота;

7 — морозильная установка;

8 — замороженный продукт;

9 — упаковочная линия


Приложение Л

Рис.7. Агрегат для размораживания мясных блоков А1-ФДВ:

1 — пульт управления;

2 — загрузочный конвейер;

3 — загрузочный шлюз;

4 —рабочая камера;

5 — СВЧ-тракт;

6 — подвод СВЧ-энергии;

7 — разгрузочный шлюз;

8— разгузочный конвейер;

9 — приводная станция;

10 — водяная нагрузка


Приложение М

Таблица 4

Нормы усушки парного мяса,%.

Мясо При охлаждении от 35-37 до 4-0ºС При замораживании от 35-37 до -8ºС
Говядина
1 категории 1,40 1,58
2 категории 1,57 1,85
тощая 1,89 2,10
Баранина и козлятина
1 категории 1,51 1,76
2 категории 1,57 1,96
тощая 1,78 2,20
Свинина
1 категории 1,30 1,60
2 категории
без шкуры 1,18 1,23
со снятым крупоном 1,15 1,48
обрезная 1,59 1,55
3 категории
без шкуры 0,97 1,13
со снятым крупоном 1,04 1,25

Приложение Н

Рис. 8. Роторный морозильный аппарат:

1 - кольцевые коллекторы подачи и отвода хладагента;

2 - щит подпрессовывающего устройства;

3 - морозильные плиты;

4 - лоток;

5 - весы;

6 - подпрессовывающее устройство;

7 - механизм передвижения стола;

8 - загрузочное устройство;

9 - механизм выгрузки замороженных блоков;

10 - конвейер;

11 - привод;

12 - вал ротора;

13 - бандаж ротора


Приложение П

Рис.9.Принципиальная (а) и компоновочная (б) схемы безнасосной малоаммиакоемкой холодильной машины – чиллера MYCOM


Приложение Р

Рис.10. Кожухотрубный каскадный испаритель – конденсатор


© 2012 Рефераты, доклады и дипломные работы, курсовые работы бесплатно.