рефераты
Главная

Рефераты по международному публичному праву

Рефераты по международному частному праву

Рефераты по международным отношениям

Рефераты по культуре и искусству

Рефераты по менеджменту

Рефераты по металлургии

Рефераты по муниципальному праву

Рефераты по налогообложению

Рефераты по оккультизму и уфологии

Рефераты по педагогике

Рефераты по политологии

Рефераты по праву

Биографии

Рефераты по предпринимательству

Рефераты по психологии

Рефераты по радиоэлектронике

Рефераты по риторике

Рефераты по социологии

Рефераты по статистике

Рефераты по страхованию

Рефераты по строительству

Рефераты по таможенной системе

Сочинения по литературе и русскому языку

Рефераты по теории государства и права

Рефераты по теории организации

Рефераты по теплотехнике

Рефераты по технологии

Рефераты по товароведению

Рефераты по транспорту

Рефераты по трудовому праву

Рефераты по туризму

Рефераты по уголовному праву и процессу

Рефераты по управлению

Реферат: Производство строительных малярных работ

Реферат: Производство строительных малярных работ

Содержание

1     Виды и состав малярных работ. 3

2     Технология окраски поверхностей. 5

2.1        Окраска масляными составами. 7

2.2        Окраска поливинилацетатными красочными составами. 8

2.3        Покрытие деревянных поверхностей лаками и восками. 10

3     Простейшие малярные отделки. 12

4     Склеивание поверхностей обоями и линкрустом. 17

5     Окраска фасадов. 23

6     Литература. 28

1     Виды и состав малярных работ

Малярные работы являются завершающим этапом всех строительных работ. К малярным работам относятся работы по окраске поверхностей помещений, фасадов различными красочными составами, которые защищают от преждевременного износа и увеличивают срок службы зданий и сооружений. Окраску производят для улучшения санитарно-гигиенических условий помещений, а также для декоративно-художественного оформления помещений и наружного вида зданий. В зависимости от назначения здания, а также от требований предъявляемых к отделке, окраска может быть по степени сложности и качеству выполнения простой, улучшенной, высокачественной. Категория окраски предусматривается в проектном решении.

Малярные работы состоят из нескольких операций, количество и характер которых зависит от вида окраски, применяемого окрасочного состава и от материала окрашиваемой поверхности (подложка). Вначале выполняют операции по подготовке окрашиваемых поверхностей, затем огрунтовка (проолифка), шпаклевка, шлифовка, вторая огрунтовка и окраска. При больших объемах работ выполняется комплекс операций по приготовлению малярных составов по подбору колеров.

Последовательность выполнения малярных работ для различных условий производства указывается в ЕНиРе и в СНиПе 3.04.01-87.

При производстве малярных работ применяют значительное Количество разнообразных материалов, особенно для приготовления окрасочных составов.

Основными компонентами для малярных составов служат: связующие (пленкообразующее вещество); пигменты и красители; наполнители, растворители (разбавители); добавки для улучшения технологических и эксплуатационных свойств красок (эмульгаторы гидрофобизаторы, пластификаторы, сиккативы, антисептики и др.)'

Связующим для водных составов служат известь, цемент, растворимое стекло, животный, растительный и синтетический клеи. Для неводных составов связующим являются олифа, растворы синтетических и натуральных смол в органических растворителях. Малярные покрытия, как правило, состоят: из нижнего (первого) слоя грунтовки; от одного до трех слоев шпаклевки с прослойками фунтового состава; верхнего слоя грунтовки по последней шпаклевке; и заключительных слоев (от одного до трех) окрасочного состава.

В состав малярных работ входят: подготовка поверхности под окраску; окраска поверхности; отделка окрашиваемой поверхности. Выполнение малярных работ контролируется нормами СНиП 3.04.01-87 «Изоляционные отделочные покрытия». В проекте на отделочные работы должен быть утвержден набор колеров и вид окраски, а до начала работ определен способ окраски. Малярные работы принимают только после высыхания водоразбавленных красок и не ранее образования прочной пленки (отлип) на поверхностях окрашенных водным и неводными составами, т. к. только на сухой поверхности видны все дефекты.

Поверхности, окрашенные неводными окрасочными составами, должны иметь однотонную глянцевую или матовую фактуру. Не допускаются просвечивание нижележащих слоев краски, следы соединения захваток и кисти, потеки, пятна, пузыри, песчинки, морщины, наплывы, шероховатость. Искривление линий филенок не должно превышать 2 мм, закраска поверхностей, окрашенных разными цветами не допустима при высококачественной окраске. При окраске деревянных и металлических деталей должны быть сохранены профили калевок, галтелей, плинтусов, фасок и других деталей рельефного профиля.

2     Технология окраски поверхностей

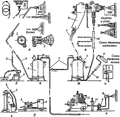
Для нанесения окрасочных составов используют различные кисти, валики, краскопульты, компрессорные окрасочные агрегаты с пистолетами-распылителями.

Кисти применяют при небольших объемах работ и для окраски труднодоступных мест. Более высокая производительность труда и качество работ достигаются при применении валиков с поролоновым или меховым чехлом.

Принцип работы краскопульта (рис. 11.1) заключается в том, что под давлением краска через отверстие в удочке равномерно распыляется по поверхности. Однако краскопульты можно использовать только для нанесения невязких окрасочных составов (известковые, клеевые, силикатные и т. п.).

Для нанесения малярных составов любой вязкости применяют компрессорные окрасочные агрегаты с пистолетами-распылителями (рис. 11.1). При малых объемах работ бачок для малярного состава подвешивают к пистолету-распылителю.

Наносить окрасочные составы удочкой с форсункой или пистолетом-распылителем следует плавными кругообразными движениями параллельно окрашиваемой поверхности. При этом надо следить, чтобы не было пропусков и повторных прохождений по одному месту. Для равномерного и плотного оседания состава на поверхность следует держать от окрашиваемой поверхности форсунку удочки на расстоянии 0,75 — 1 м, а головку пистолета — на расстоянии 25 — 30 см. Если расстояние будет больше указанного, краска не долетит до поверхности, а при меньшем расстоянии образуются потеки (рис. 11.1). Казеиновые составы пригодны как для внутренних, так и для окраски фасадов. Но в малярных работах их применяют редко, так как они допускают применение только ще-лочеустойчивых пигментов, чем ограничивается их цветовая палитра, а также из-за дефицитности связующего.

Известковые и цементные составы применяют для окраски сырых помещений, а также фасадов зданий, к отделке которых не предъявляют высоких требований.

Силикатные окраски могут использоваться для окраски внутренних помещений и фасадов. Краски обладают хорошей адгезией к поверхностям, поэтому впервые окрашиваемые поверхности можно не огрунтовывать.

Водно-дисперсионные краски предназначены для окраски потолков и стен.

Не допускается окрашивать этими красками оконные проемы, Двери, пластмассовые изделия.

При нанесении краски кистями поверхность получается штри-

Схема движения форсунки

Сжатый воздух от компрессора

Рис. 1. Схемы механизированной окраски водными и водно-клеевыми составами (левая сторона рисунка); масляными, эмалевыми и синтетическими красками (правая сторона):

а — работа универсальной удочки; б — подача состава к удочке электрокраскопультом; в — то же, от красконагнетательного бачка; г — то же, с использованием баллона со сжатым воздухом; д — агрегат для окраски потолков; е — работа пистолетом-распылителем; ж — подача состава к пистолету и валику от красконагнетательного бачка; и — работа пневматическим валиком; к — агрегат для масляной окраски; 1 — универсальная удочка с форсункой; 2 — крышка форсунки распылителя; 3 — корпус распылителя; 4 — бачки с малярным составом; 5 — шланги для подачи водно-клеевых малярных составов; 6 — электрокраскопульт; 7 — шланги (трубы) для подачи сжатого воздуха; 8 — растворонасос для подачи известковых составов; 9 — пистолеты-распылители; 10 — шланги для подачи масляных составов; 11 — поролоновый валик; 12 — воздухосборник; 13 — компрессор; 14 — масловодоочиститель.

кованной, поэтому при необходимости выполняют торцевание свежеокрашенной поверхности. Валики и механизированная окраска дают равномерно шероховатую фактуру. Окрасочные составы всех видов надо наносить тонким слоем. Если сквозь красочный слой проявляется подложка или предыдущий красочный слой, необходимо нанести еще один красочный слой до полного получения дан-10Й тональности. Последний окрасочный слой на потолки наносят 1о направлению к свету, на стены сверху вниз, а на дерево по направлению волокон.

2.1   Окраска масляными составами

Масляными красочными составами поверхности окрашивают в защитных и декоративных целях. В том случае, когда главным являются защитное назначение покрытия, применяют составы, образующие глянцевые пленки. При образовании глянцевых пленок пигменты погружаются в толщу красочного покрытия, поверх пигментов находится сплошной слой связующего, зеркально отражающего свет. При декоративной окраске поверхностей внутри здания примелют матовые покрытия. Эти покрытия смягчают цветовые тона краски, делают менее заметным дефекты штукатурки, бетона, древесины. Чаще всего матовые покрытия получают, снижая в пленке количество связующего и заменяя его испаряющимся растворителем или вводя в составы матирующие добавки — пчелиный и искусственный воск, разведенный в растворителе.

При матировании воском пластинки его всплывают и, располагаясь на поверхности покрытия под различными углами, также рассеянно отражают падающие на него лучи света.

Такие покрытия красивы, но прочность их невелика. Кроме того, пленки высыхают медленно, так как на поверхности образуется пленка, препятствующая испарению растворителя из толщи пленки и проникновению в нее кислорода для окисления масла. При подготовке под окрашивание матовыми неводными составами поверхности грунтуют олифой или краской и окрашивают в

•дин слой жирным масляным составом до глянца. При этом не должно быть матовых пятен и следов недостаточной жирности окраски, так как наличие пятен приводит к образованию более темных мест в матовой окраске и вызывает необходимость в переделке. Гак окрашивают штукатурку, бетон и иногда дерево.

При приготовлении матовых декоративных составов с большей насыщенностью пигментами, чем глянцевые, часть тертых на масле пигментов заменяют сухими, которые затирают на растворителе (табл.1).

Таблица 1.

Матовые декоративные составы

Компоненты Красочные составы
1-й 2-й 3-й 4-й
Белила тертые 4,0 3,2 5,0
Белила сухие цинковые 1,0 1,0 2,0 В необходимом количестве
Пигменты сухие 2,0 1,5 3,0
Олифа оксоль 2,0 1,0 3,0 3,0
Скипидар 3,0 3,0 1,0 6,0
Сиккатив 0,1 0,1 0,1 0,1

Примечание. Перечисленные в таблице матовые составы расположены, начиная с менее матового №1, кончая матовым предельной сухости №4.

Способ приготовления. Сухие белила и пигменты перетирают с растворителем до сметанообразной консистенции. Белила тертые разводят олифой и остатком скипидара, вводят в них перетертые в скипидаре сухие белила, пигменты и сиккатив. Состав перемешивают и процеживают на вибросите СО-3 с сеткой 0,25 — 0,2. Составы наносят на поверхности макловицей, валиком с меховым чехлом или кистью-ручником. Свежеокрашенную поверхность обрабатывают торцовкой.

При приготовлении восковых матовых покрытий готовят состав по рецепту:

Белила цинковые тертые   .......  2,0

Белила цинковые сухие   ........   1,0

Скипидар   ...................   1,0

Воск натуральный ............. 0,2

Олифа натуральная ............  0,15

Сиккатив жидкий  ............. 0,15

Пигменты сухие по потребности

Способ приготовления. Воск измельчают, заливают пятикратным количеством скипидара и выдерживают до полного растворения. Сухие цинковые белила и сухие пигменты разводят половинным количеством скипидара и перетирают на краскотерке.

Белила тертые разводят остатком скипидара и сиккативом, затем вводят в состав сухие пигменты и цинковые белила, перетертые на скипидаре. Состав хорошо перемешивают, затем вводят раствор пчелиного воска. Состав вновь перемешивают.

Состав наносят на поверхность кистью-ручником, растушевывая красочный слой и обрабатывая его жесткой щеткой-торцовкой с тщательно выровненным волосом. Выравнивание волоса щетки-торцовки производят обжигая ее на раскаленной плите. При работе щеткой-торцовкой необходимо следить за тем, чтобы не образовывать повторно проторцованную и уже несколько окрепшую поверхность. Это может привести к образованию более светлых мест, резко выделяющихся на общем фоне.

2.2   Окраска поливинилацетатными красочными составами

Поливинилацетатные водно-дисперсионные краски широко используются при декоративных отделках.

Эти составы готовят из поливинилацетатной эмульсии, пигментов с добавлением стабилизатора и пластификаторов. Краски предназначаются для внутренней отделки зданий по штукатурке (извес-тково-песчаной, известково-гипсовой, известково-цементной, цементной), листовому асбоцементу, бетону, гипсолиту, гипсу, дереву. По металлу окрасочные составы наносят только после предварительного грунтования поверхностей масляной или лаковой антикоррозионной краской.

Поливинилацетатные краски могут использоваться при стенной росписи, а также при альфрейных работах. Время высыхания этих красок непродолжительно — около 2 — 3 ч при температуре 18 — 22 °С, поэтому двух — трехслойную окраску можно закончить в течение одного дня.

Быстрое высыхание составов определяется временем испарения воды, которая находится в числе компонентов в количестве 39 — 40%. На долю смолы и пигментов приходится 60 — 61%   состава. Поливинилацетатные краски представляют собой эмульсию ша MB («масло в воде»). Это такой состав, в котором смола (святощее) и пигменты в виде отдельных частиц, перемешанные равномерно, плавают в водной среде. Если нужно понизить вязкость эстава, разводят его водой. При испарении воды частицы смолы размером 1 — 4 мк сначала сближаются, окружая плотным кольцом пигменты, а затем смыкаются и сливаются, образуя плотную пигментно-смоляную массу с некоторым количеством мельчайших пор на поверхности, через которые испарялась вода. Высохшая пленка занимает значительно меньший объем и по высоте равна примерно 60% от первоначальной. Так как поверхность красочной пленки пористая, она приобретает полуматовый шелковистый блеск, придавая окраске декоративность, и при соответствующей подготовке оснований и качественном выполнении самой окраски может с большим успехом заменить при отделке интерьеров матовые масляные покрытия.

Для подготовки поверхностей под окрашивание высококачественными составами пользуются безмасляной асбестомеловой шпаклевкой, приготовленной по рецепту (%):

Поливинилацетатная краска любого цвета   . .  10

Раствор животного клея (10%-ный)   ........ 30

Мел тонкомолотый   ..................... 30

Асбест 7   .............................. 30

Способ приготовления. Сухую смесь асбеста и мела затворяют 10%-ным раствором животного клея до пастообразного состояния, затем вводят поливинилацетатную краску, перемешивают состав и перетирают его на краскотерке. Состав пригоден для работы в течение 3 суток. Шпаклевку нужно хранить в плотно закрывающейся деревянной таре. При хранении в металлической таре внутренние поверхности ее необходимо предварительно окрашивать эмалевой или масляной краской. Асбестомеловую шпаклевку применяют для выравнивания поверхностей бетонных, оштукатуренных известково-песчаными, известково-гипсовыми, известково-цементными и цементными растворами, сухих гипсовых и древесно-волокнистых плит и конструкций из дерева. Эта шпаклевка при нанесении ее на бетонные и оштукатуренные поверхности в отличие от клеемасля-ных не требует грунтования. На дерево и древесноволокнистые плиты шпаклевку наносят после предварительного грунтования поверхностей олифой или масляной краской, разведенной олифой до вязкости 35 —- 40 с по вискозиметру ВЗ-4.

Для получения высококачественной окраски поверхности следует обрабатывать следующим образом:

— поверхности зачищают и удаляют пыль;

— огрунтовывают поверхности ;

— выбоины и неровности подмазывают и шлифуют;

— поверхности огрунтовывают;

— шпаклюют и шлифуют дважды;

— огрунтовывают поливинилацетатной грунтовкой;

— выправляют цветной шпаклевкой и зачищают;

— огрунтовывают поливинилацетатной грунтовкой;

— дважды окрашивают.

Огрунтовывают поверхности кистями и валиками, а окрашивают кистями, валиками и пневматическими краскораспылителями. Для первой окраски, которую производят кистями и валиками, поливинилацетатные краски вязкостью 80 с по вискозиметру ВЗ-4 разводят водой до вязкости 50 с. Для второй окраски кистями и валиками применяют составы вязкостью 80 с.

Для первой и второй окрасок ручным краскораспылителем поливинилацетатные краски разводят водой до вязкости 35 с. Гладкое покрытие с шелковистым блеском образуется при окраске ручным краскораспылителем СО-71. При окраске меховым валиком получают менее гладкую поверхность, чем при обработке свежеокрашенной пленки мягкой торцовкой. При окраске кистью может получиться некоторая штриховатость красочной пленки. Ее можно уменьшить быстрой растушевкой и торцеванием красочного слоя. При окраске поливинилацетатными красочными составами не следует наносить красочные составы на основания, покрытые ранее меловой побелкой, а также обработанные купоросными, квасцовыми и глиноземными грунтовками.

В первом случае пленка поливинилацетатной краски отстает от основания вместе с набелом, а во втором ложится неровно. Поэтому перед окраской с этих поверхностей удаляют набелы, а грунтовочные пленки очищают шкуркой, затем обрабатывают поверхности масляной краской или олифой с добавлением пигментов. Поверхности окрашивают поливинилацетатными составами при температуре не ниже 8"С. При более низкой температуре составы запустевают, распределяются по поверхностям неровным слоем, сроки высыхания их удлиняются.

2.3   Покрытие деревянных поверхностей лаками и восками

Поверхности конструкций и изделий из древесины различных пород покрывают лаками и восками для декоративной отделки, повышения санитарно-гигиенических условий эксплуатации и предохранения древесины от увлажнения и механических повреждений. Лаковые и восковые покрытия прозрачны и поэтому, изменяя характер отражения света, усиливают текстуру древесины и ее природный цвет. Под эти покрытия пригодны только совершенно ровные и гладкие поверхности без каких-либо изъянов. При недостаточной подготовке все изъяны после лакирования или вощения становятся еще более заметными из-за искаженного отражения света. Поэтому поверхности конструкций и изделий из дерева (перегородки, столярные изделия и т. п.), установленные на место, тщательно подготавливают, удаляя изъяны после монтажа и шлифуя поверхности мелкозернистой абразивной бумагой (3, 4 или 5). После шлифования удаляют ворс, предварительно смачивая поверхности водой и снимая ворс после просушивания мелкозернистой абразивной бумагой тех же номеров. С мягких пород ворс снимают не менее двух раз, каждый раз смачивая и просушивая поверхность.

Для усиления естественной окраски древесины и придания ей более глубокого цвета, для устранения дефектов в древесине ценных пород (синевы, пятен, полос), а также для имитации менее ценных пород под более ценные, древесину перед лакированием и вощением окрашивают водными растворами органических и синтетических красителей и солей металлов.

В зависимости от степени выявления текстуры, цвета древесины окрашивание (протравление) выполняют тремя способами: поверхностным, протравным и проявляемым. Для каждого способа применяют специальный состав протравок (окраски), которые содержат различные минеральные и органические красители: марганцево-кислый калий, хром, сульфат натрия (глауберова соль), анилиновые краски и другие. Окрашенные (протравленные) поверхности высушивают и покрывают прозрачными масляно-смоляными лаками кистью, тампоном, краскораспылителем в зависимости от вязкости лака. Рабочая вязкость лака регулируется добавлением скипидара.

Высохший первый слой лака легко шлифуют тонкой шкуркой, затем покрывают вторым слоем лака и после высыхания накладывают последний ровный тонкий слой лака. Для лаковой обработки древесины отличные декоративные и технологические качества имеет лак ПФ-283 (4с).

Наряду с покрытием деревянных поверхностей лаками часто применяют матовую отделку, которая придает поверхности приглушенный отсвет. Обычно применяют два вида матовой отделки — вощение и мастикование. Вощение и мастикование делают остывшими составами, которые наносят на древесину равномерным слоем, без пропусков, кистью с жесткой и короткой щетиной. Восковой слой выдерживают 24 ч при температуре 18 — 20°С. Затем его растирают суконкой до появления равномерного блеска. Иногда восковой слой покрывают масляно-смоляным лаком, разведенным политурой 1:1.

Для вощения применяют состав:

Воск натуральный ....... 60 %

Скипидар   ............. 40 %

Для мастикования применяют состав:

Воск натуральный ....... 30 %

Стеарин    .............. 10 %

Мыло 40 — 60%  ........ IQ %

Скипидар   ............. 40 %

Канифоль   ............. 10 %

3     Простейшие малярные отделки

Окраска панелей. Нижнюю часть поверхностей стен — панель — окрашивают масляными, эмалевыми или эмульсионными составами, так как она быстрее пачкается и требует влажной уборки, особенно в коридорах, лестничных клетках и в помещениях, где бывает много людей. Высота панели обычно равна росту среднего человека (1,6 — 1,8 м).

Окраска декоративных панелей может быть выполнена клеевым колером. Клеевым колером окрашивают также часть стены, расположенную над панелью, — гобелен.

Если между панелью и потолком остается узкая полоса — фриз, окрашивают составом другого цвета или под цвет панели. Следует помнить, что различные размеры фриза могут зрительно уменьшить или увеличивать высоту помещения.

Границу панелей обычно размечают намеленным шнуром. Если мел применять нельзя, шнур натирают охрой или древесным углем. Охра и уголь дают четкую линию разметки; их цвет, примешиваясь к цвету красочного состава, не изменяет его. Границу панелей на поверхностях, предназначенных под окраску светлыми колерами, размечают шнуром, натертым пеплом сожженной бумаги. При разметках панелей придерживаются следующего правила: невысокую панель (до 1,5 м) размечают от уровня пола; высокую, особенно когда верхняя, остающаяся часть является фризом, — от уровня потолка; при наличии карниза — от его нижней кромки.

При разметке высоких панелей от пола граница панелей часто получается непараллельной кромке карниза из-за не параллельности уровней пола и потолка, при этом разметка кажется неряшливой. При разметке панелей на лестничных клетках необходимо следить за тем, чтобы уровень панелей был параллелен уровню пола (или потолка), площадок и маршей и имел везде одну и ту же высоту. Филенка — это декоративный элемент (линия) оформления, используемый (при правильно подобранном цвете) для объединения в одно целое различных цветовых тонов панелей, гобеленов и фризов и для оживления поверхностей стен различных комнат, окрашенных в один цвет. Цвет филенки должен соответствовать цветовым тонам обеих пограничных плоскостей или дополнительному цвету одного из колеров.

Филенки вытягивают по границе панели или фриза гобелена, а также по краям зеркала и т. п. Если панели окрашены масляной краской, а гобелены — клеевой, филенки вытягиваются для того, чтобы прикрывать следы масляных расплывов на клеевой окраске гобелена или фриза. Филенки насыщенного хроматического цвета вытягивают узкие (6 — 8 мм), а малонасыщенные или ахроматического тона — широкие. Перед вытягиванием филенок их место размечают на поверхности шнуром, натертым пеплом сожженной бумаги. Если при разметке панелей допущены неточности, они еще ярче будут подчеркиваться четкой линией филенки.

Вытягивают филенки различными способами: по линейке круглыми щетинными филенчатыми кистями, с помощью трафарета, а также специальных приборов.

При вытягивании филенок кистями необходимо иметь: линейку длиной около 1 м с фасками на обеих сторонах, шнур, мешочек с пеплом от сожженной бумаги, металлическую банку объемом 200 — 300 см3 со шнурком для подвески (обычно банку маляр подвешивает на шее). Грани линейки перед работой натирают хозяйственным мылом. Филенчатую кисть подвязывают в зависимости от обрабатываемой поверхности: для гладкой поверхности волос оставляют более длинный, для шероховатой — короткий.

При вытягивании филенок филенчатой кистью по деревянной линейке один конец линейки прикладывают к стене, а другой держат левой рукой (рис. 2 а).

Рис. 2. Вытягивание филенок: а — одинарной, б — двойной, в — вертикальной.

Кисть держат за конец деревянной ручки и под углом 45°С к стене, передвигают слева направо вдоль линейки так, чтобы металлическая оправа кисти все время скользила по ней.

При вытягивании двойных филенок ниже первой филенки отбивают вторую линию и теми же приемами вытягивают вторую, обычно более тонкую филенку (рис. 26). Вытягивание вертикальных филенок показано на рис. 2в.

Для того, чтобы филенки были одинаковой ширины, филенчатой кистью вытягивают пробные участки, используя для этого различные стороны кисти и определяя, какая из них дает наиболее ровную линию. После этого делают соответствующую насечку на конце ручки. При последующей работе используют только эту сторону кисти. Красочный состав при вытягивании филенок должен свободно стекать с кисти. Для этого готовят пигментную густую пасту необходимого цвета, замешивая сухие пигменты на чистой воде. Пасту заклеивают раствором мездрового или костного клея в соотношении 1 : 8 (1 часть плиточного клея на 8 частей воды).

Вязкость состава должна быть такой, чтобы он свободно стекал с кисти. Составы с избыточным количеством клея растекаются на поверхности, а с недостаточным — не дают разлива. Поэтому при заклеивании составов сначала вводят небольшое количество клея, постепенно увеличивая его и определяя необходимое количество по разливу состава по поверхности.

Розлив заклеенного состава можно улучшить, добавляя в него хлебный квас или пиво; при этом изменяется поверхностное натяжение состава и он равномерно растекается на поверхностях, особенно масляных. По поверхностям, окрашенным масляными составами, филенку вытягивают масляным колером, иногда включая в его состав металлические порошки.

Отделка поверхностей в а л и к а м . Плоские рисунки по окрашенной поверхности накатывают валиками довольно часто. Иногда накатку рисунков валиками называют отделкой «под ситец». Преимущества этого метода отделки заключаются в разнообразии рисунков накатки, простоте выполнения, возможности исключить дорогостоящие и трудоемкие операции шпаклевания и шлифования.

Узоры, наносимые валиками, разнообразны: линейные, геометрические, неопределенные или структурные, стилизованные или натуралистические мотивы растительного мира и т. п.

Узорные валики изготовляют обычно из мягкой резины; иногда валики обтягивают мягкой кожей или листовой резиной. Большую часть валиков изготовляют наклеивая на жесткий резиновый цилиндр рисунок из микропористой резины или губки. Ширина валиков 3 — 20 см в зависимости от назначения: широкими валиками отделывают большие поверхности, малыми с тем же рисунком — места в углах комнаты, у дверных и оконных проемов, встроенной мебели и т. п.

Отделку поверхностей по трафаретам выполняют для декоративной отделки стен или потолков орнаментами с ритмично повторяющимися мотивами. Трафареты изготовляют из плотной бумаги, картона, фанеры, целлулоида и других листовых материалов. Рисунок на трафарет переносят с помощью копировальной бумаги, пантографа, эпидиаскопа и т. д. Чтобы трафарет не размокал, его покрывают лаком или олифой. После высыхания на трафарете прорезают контуры рисунка. Трафареты, используемые в малярных работах, разделяются на одноцветные и многоцветные. Многоцветные трафареты используют для набивки рисунка в несколько цветов. Для каждого цвета делают отдельный трафарет.

В зависимости от способа изображения рисунка трафареты бывают прямые и обратные. С помощью прямого трафарета (рис. 3; 4) получают рисунок, отличающийся от цвета фона. Обратные трафареты отличаются от прямых тем, что рисунок образуется за счет цвета фона. Набивку рисунка по трафарету производят кистью-ручником с жестким коротким волосом. При отделке набрызгом на поверхность наносят отличающийся по цвету окрасочный состав в виде мелких брызг. Набрызг выполняют кистью, щеткой, специальной машинкой для набрызга, краскопультом. Набрызг можно делать водными и неводными составами.

Туповка заключается в том, что на однотонную окрашенную поверхность наносят губкой, смоченной окрасочными составами другого цвета, пятна разной величины и формы. Отделка торцеванием заключается в сплошной обработке свежеокрашенной поверхности перпенди-

Рис. 3. Нанесение рисунка с помощью прямого трафарета в

одну краску: I — прямой трафарет; 2 — рисунок орнамента, выполненный в одну краску.

Рис. 4. Нанесение рисунка с юмощью прямого трафарета в

две краски:

— первый трафарет, 2 — второй афарет, 3 — рисунок орнамента, выполненный в две краски.

кулярными поверхностями ударами щетки-торцовки. Окрасочный состав должен быть при этом несколько гуще, чем обычно. При этом получают шероховатую, лишенную блеска поверхность. При фактурной окраске (рис. 11.5) жидкую шпаклевку наносят на поверхность и обрабатывают различными инструментами и приспособлениями для придания той или иной фактуры (борозды, штрихи, тисненные обои, тесаный камень, тростник и т. д. ). После высыхания отделанную поверхность окрашивают. Если же приготовить шпаклевку с добавлением пигментов, то окрашивать не надо. Одним из видов рельефной отделки поверхностей является песчаная присыпка. При этой отделке поверхность

Рис. 11.5. Фактурная отделка: а — ноздреватая, б — волнистая, в — с продольными штрихами, г — штампованная.

подготавливается под высококачественную масляную окраску. Присыпку песчаного слоя делают на свежеокрашенный слой масляной краски, обработанный торцовкой. Песок наносят из пескоструйного аппарата низкого давления. Фактурная отделка декоративной крошкой применяется для отделки фасадов и интерьеров и заключается в механизированном нанесении искусственных и природных цветных крошек на поверхности, предварительно покрытые клеящими составами, после чего на отвердевшее декоративное покрытие наносят бесцветный прозрачный лак. Перед фактурной отделкой поверхность очищают и огрунтовывают поливинилаце-татной краской. На высохший слой грунта меховым валиком наносят клеящий состав (поливинилацетатная краска) с добавлением маршалита и белого портландцемента состава 2:1:1. Декоративную крошку набрасывают на непросохший клеящий состав пневматическим крошкометом.

4     Склеивание поверхностей обоями и линкрустом

К оклейке обоями можно приступать лишь после того, как будут закончены все работы по окраске водными и масляными составами. Деревянные и оштукатуренные поверхности, подлежащие оклейке, должны быть ровными и сухими. По сырым поверхностям оклеивать нельзя, так как обои будут отставать и на них появятся пятна и плесень. Оклеивать непосредственно по дереву не рекомендуется, так как высыхая, древесина порвет обои. Поэтому деревянные поверхности следует предварительно обить встык к смоченным картоном. Для обивки используют гвозди с широкими шляпками (толевые). После просушки стыки картона оклеивают бумагой. Вместо картона деревянные стены перед оклейкой можно обтянуть серпянкой или миткалем, смоченными в клейстере и выжатыми.

Рубленые стены можно оклеивать только после окончательной осадки здания. Перед оклейкой обоями щели между стенами и плинтусами или деревянными наличниками должны быть тщательно промазаны, электропроводка снята. При оклейке высококачественными обоями, особенно линкрустом, рекомендуется снимать плинтусы (наклеивать обои под плинтус).

Приготовление клейстера. Для каждого сорта обоев и для каждой операции по оклейке поверхностей следует применять особый клейстер. Лучшим считается клейстер, приготовленный из просеянной ржаной муки. Ржаная мука дает прочный состав, который легко наносится кистью. Ржаную муку можно заменить пшеничной, но пшеничный клейстер тягуч и плохо наносится кистью. Можно также заменить ржаную муку крахмалом. Такой клейстер наносится легко, но менее прочен и быстро теряет крепость.

Клейстер из ржаной муки заваривают два человека. Один постепенно сыпет муку в кипяток, второй энергично перемешивает состав во избежание образования комков.

Пшеничную муку предварительно замачивают теплой водой, а затем, подливая кипяток, быстро размешивают мешалкой, раздробляя комки. Крахмал вначале разводят в холодной воде, а потом полученный раствор сливают в кипящую воду при быстром размешивании. Перед употреблением клейстер нужно процедить через сетку.

Клейстер для проклейки под простые обои:

Мука ржаная просеянная .................. 1,5 кг

Клей животный (10%-ный раствор) .......... 1 л

Вода .................................. до 10 л

Способ приготовления. Раствор клея, подогретый до кипения, вливают в заранее сваренный мучной клейстер и после перемешивания процеживают через сито.

Для приготовления клейстера для наклейки макулатуры под обои количество ржаной муки уменьшают до 1, 2 кг. Для оклейки обоями простыми и среднего качества применяют тот же клейстер, что и для оклейки макулатурой, но без животного клея.

Клейстер для наклеивания высококачественных обоев:

Мука пшеничная  ........................ 2 кг

Вода .................................. до 10 л

Клейстер для наклеивания линкруста

Крахмал пшеничный или мука пеклеванная  ... 3 кг Клей животный (10%-ный раствор) .......... 2 л

Квасцы (для антисептирования)   ............ 0, 05 кг

Вода .................................. до 10 л

Проклейка поверхностей. Клеевой раствор наносят на поверхности маховой кистью после прочистки стен лещадью. Проклеивать нужно не все поверхности сразу, а лишь их часть, чтобы до оклейки макулатурой они высохли не полностью, а лишь успели слегка провянуть. Для оклейки поверхностей под обои чаще всего используют газеты, которые укладывают на полу стопкой и намазывают клейстером. Эту работу выполняют два маляра. Один намазывает листы макулатуры маховой кистью и подает их, а второй прикладывает намазанные листы к поверхности стены и разглаживает ветошью или волосяной щеткой так, чтобы на бумаге не оставалось морщин и пузырей. Инструменты для обойных работ показаны на рис. 11.6.

Под простые обои оклеивать макулатурой можно внахлестку, т. е. накладывать край одного листа бумаги на край другого. Если же предстоит оклейка обоями среднего качества или высокого, то оклеивать макулатурой следует только в стык. Под линкруст оклейку макулатурой не делают. После того, как наклеенная бумага совершенно высохнет, ее прочищают пемзой для удаления всех неровностей.

Простые обои наклеивают внахлестку, а обои среднего и высокого качества, а также линкруст — в стык. Поэтому при подготовке наклейки у простых обоев обрезают одну кромку, а у обоев среднего, высокого качества и линкруста — обе кромки. При обрезке одной кромки следует предварительно решить, какую именно кромку обрезать. При оклейке внахлестку край накладываемой полосы обоев должен быть обращен к свету, чтобы он не давал тени, иначе стык будет особенно заметен. Поэтому наклейку обоями нужно начинать от наружных стен, соответственно обрезая кромку. Для стены, приходящейся против окна может быть обрезана любая кромка, но одна и та же для всех полотнищ.

Рис. 6. Инструменты для обойных работ:

1 — ножницы, 2 — нож для разрезки трещин, 3 — валик для разравнивания наклеенных обоев, 4 — щетка для разглаживания обоев, 5 — кисть для намазывания клейстера, 6 — отвес, 7 — линейка, 8 — роликовый нож.

Рис. 7. Обрезка кромок у обоев:

а — обоеобрезная машина в работе,

б — обрезка кромок вручную.

При большом объеме работ следует применять обоеобрезную машину (рис. 7а). Такая машина состоит из двух ножей: верхнего, круглого, приводимого в действие электродвигателем, и нижнего, свободно вращающегося на оси. Ножи обрезают кромку обоев, рулон которых помещен на свободно вращающемся стержне. Полотно обоев пропускают через две пары направляющих валиков, между которыми и расположены ножи. Обрезанные обои перематывают на стержень. При небольшом объеме работ обои обрезают ножницами вручную (рис. 7.6); маляр сидит на табуретке, а кусок обоев кладет на вытянутые вперед ступни ног.

После обрезки кромок приступают к раскрою полотнищ. Для этого предварительно измеряют высоту комнаты, определяя необходимую длину полотнищ, а для подсчета количества полотнищ измеряют периметр стен комнаты.

Раскраивая обои на полотнища, несколько увеличивают их длину, чтобы при наклейке можно было совместить узоры и повторяющиеся рисунки, составляющие одно целое (рис. 8). Неправильный подбор рисунка обоев (рис. 9) не допускается.

Рис.  8.  Правильный подбор рисунка обоев.

Рис. 9. Неправильный подбор рисунка обоев.

Разные по цвету куски следует подбирать так, чтобы оклеить одну комнату обоями одного тона или, в крайнем случае, одну из стен. Куски обоев, подобранные по тону, раскроенные на отдельные полотнища и упакованные в пачки, до употребления хранят в этой же комнате.

Оклейка стен о б о я м и. Для намазывания клейстером обои расстилают на бумагу, уложенную на пол. Кладут их лицевой стороной вниз так, чтобы каждое нижележащее полотно не было закрыто с одной стороны верхним на 1,5 — 2 см. В таком положении обои очень удобно намазывать клейстером, не рискуя запачкать лицевые стороны полотнищ.

Клейстер, остуженный до +20 + +25°С, вначале намазывают толстой полосой вдоль полотна, затем растушевывают в поперечном направлении, после чего равномерно распределяют по всему полотну продольными взмахами кисти. Недомазанной остается только полоска шириной 5 — 7 см у чисто обрезанной кромки обоев. Эту полоску намазывают короткими взмахами под углом 30 — 40°С к кромке. Если при коротких взмахах кистью полотно несколько сдвинется вправо (на намазанную клейстером бумагу, подложенную под раскатанные полотна), то легкими обратными движениями кисти (влево) полотно сдвигают в первоначальное положение. Обои, изготовленные на тонкой бумаге, укладывают для намазывания в одну стопу, а на плотной бумаге в две, а иногда в три и четыре

стопы и промазывают в два приема, чтобы они несколько отсырели. Промазанное полотнище подается мастеру для наклейки (рис. 11.10). Перед оклейкой обоями необходимо промазать стены клейстером у галтелей, наличников, в углах и у карниза.

Первое полотнище наклеивают по отвесу. Если угол стены не вертикален, то с кромки срезают косую полоску так, чтобы полотно аккуратно входило в угол, не огибая его. Приложив полотнище верхним концом к стене, его приглаживают чистой тряпкой (или щеткой). При этом следят за тем, чтобы не испачкать клейстером рисунок. Вначале обычно проводят тряпкой вдоль середины полотнища, а затем короткими мягкими ударами прижимают остальные его части. Участки поверхностей над дверями и под окнами рекомендуется оклеивать, остатками обоев, полученными при раскрое полотнищ.

Рис. 10. Подача намазанных клейстером обоев для наклейки.

Оклеивают обоями, как правило, двое маляров. Мастер находится на стремянке, а помощник, намазывающий обои, — на полу. Приклеив полотнище, мастер сразу же срезает его излишки у карниза и снизу у плинтуса. Затем переходят к наклейке борта, бордюра или фриза. Оклеивать обоями следует при закрытых окнах. Интенсивная топка или сквозняк вызывают их коробление. При длительном высыхании вскоре после наклейки на обоях иногда появляются темные пятна — пузыри, которые обычно не исчезают. Это объясняется недостаточной выдержкой обоев в стопке после намазывания клейстером.

Высококачественные обои наклеивают в стык, причем обе кромки обрезают после раскроя на полотнища острым ножом (типа сапожного или шорного) по стальной линейке. Высококачественные обои рекомендуется намазывать теплым клейстером (40 — 50°С ).

Обои со светлым фоном предпочтительно наклеивать клейстером, приготовленным на хорошем крахмале (2 кг на ведро воды) или белой пшеничной муке (2,5 кг на ведро воды). Намазав полотнище первый раз, ему дают отсыреть. Только после этого обои покрывают клейстером вторично.

Линкруст, нарезанный на полотнища и скатанный в рулоны, надо замачивать в горячей воде (50 — 60°С) в течение 5 — 10 мин. Затем раскатанным полотнищам линкруста надо дать отлежаться в сыром виде не менее 8 — 10 час лицевой стороной кверху на полу или лучше на специально изготовленном верстаке. После этого влажный разбухший линкруст обрезают с обеих сторон острым ножом по стальной линейке. Штукатурка под линкруст должна быть прочная, чистая, освобожденная от водных красочных пленок соскабливанием и перетиркой (масляная краска не вредна). Поверхность стен перед оклейкой надо проклеить, прошпаклевать клеевой шпаклевкой и вторично проклеить. Пока клей еще не совсем высох наклеивают влажный линкруст и тщательно разглаживают.

Ремонтные обойные работы. При оклейке простыми обоями ранее оклеенных стен старые обои, отставшие от штукатурки, необходимо снять, а освободившиеся места прочистить лещадью, очистить от пыли, проклеить клейстером и по влажной проклейке оклеить бумагой. Выступающие швы старых обоев прочищают пемзой и сравнивают с остальной поверхностью стены. После полного просыхания бумаги наклеивают обои.

Если необходимо оклеить помещение обоями высшего качества, то старые обои снимают полностью, ремонтируют и перетирают штукатурку, а затем оклеивают как по новой штукатурке, т. е. прочищают поверхность лещадью, проклеивают, прошпаклевывают клеевой шпаклевкой, вторично проклеивают, подклеивают бумагой впритык и отшлифовывают пемзой. Старые обои соскабливают только после обильного пропитывания их теплой водой.

Перед оклейкой обоями стен, ранее окрашенных водными клеевыми колерами, их следует смочить водой и соскоблить всю краску, затем перетереть и отремонтировать штукатурку. Соскабливание набелов должно быть очень тщательным. В противном случае при высыхании новые обои будут отрываться вместе с набелом. Это объясняется тем, что силы, удерживающие пленку водной окраски на штукатурке, значительно слабее сил натяжения, возникающих при высыхании обоев.

5     Окраска фасадов

Окраске фасадов должны предшествовать:

— кровельные работы по покрытию скатов крыши, устройству желобов, карнизов, колпаков дымовых труб, фасадных поясков, сандриков, подоконников, а также водосточных труб; — штукатурные работы, в том числе и лепные; тщательная заелка и затирка стыков стеновых панелей и блоков. Неокрашиваемые части и детали фасадов, например места, облицованные плиткой, необходимо покрывать глиняным или меловым раствором, чтобы облегчить удаление случайно попадавших брызг краски. Подлежащие окраске фасады рекомендуется делить на захватки-участки, равные по трудоемкости, причем границы захваток устанавливают по линии тяг, пилястр, выступов, а на гладких фасадах — по линии крепления водосточных труб.

Для окраски фасадов можно использовать известковые, извест-ково-хлорокислые, известково-цементные, цементные, силикатные, перхлорвиниловые, цементно-перхлорвиниловые, полистирольные и поливинилацетатные красочные составы.

Копоть и пыль с поверхности фасадов сначала счищают стальной щеткой, а затем обметают волосяной щеткой или обдувают струей сжатого воздуха. Если загрязнение слишком велико, а штукатурка достаточно прочна, для очистки используют пескоструйный аппарат (пескоструйная очистка).

Подготовка соответствующей фактуры поверхности имеет огромное значение для сохранения цвета фасада. Относительно гладкую поверхность можно получить, тщательно перетерев ее известковое — цементным раствором, приготовленным на мелкозернистом песке с размером зерен до 0,5 — 0,8 мм. Перед перетиркой поверхности обильно смачивают водой, свежеперетертую поверхность также обильно смачивают в течение двух дней, что особенно важно в жаркое время года.

При ремонте фасадов необходимо обращать внимание на однородность фактуры всех поверхностей, для чего после очистки фасада от набелов ремонтные штукатурные работы следует выполнять, применяя растворы, приготовленные также на мелкозернистом песке. Если при осмотре поверхностей фасада обнаружатся отдельные места с грубой фактурой, следует вначале прошпаклевать их, а затем всю поверхность фасада — за один раз. Обработка шпаклевкой отдельных мест не дает положительных результатов, так как фактура становится пятнистой.

Составы применяемых шпаклевок зависят от вида используемого красочного состава.

При подготовке фасадов к ремонту необходимо особенно внимательно проверить прочность штукатурки и после удаления наслоений красочных пленок простучать всю ее площадь. Ослабевшие места необходимо отбить, трещины разрезать на всю глубину, заделав отбитые места и трещины раствором.

Кирпичные и бетонные поверхности перед окраской также очищают от копоти и пыли и окрашивают без какой-либо дополнительной обработки.

Окраска хлорокислыми известковыми составам и. Известковые хлорокислые краски изготовляют из хлористого кальция, извести и щелочных пигментов. Применяют эти составы для окраски фасадов по штукатурке как достаточно атмосферостойкие, обладающие хорошей прилипаемостью и способные служить не менее трех лет.

Для получения известковых хлорокислых колеров в готовую сухую массу, приготовленную по рецептам, добавляют щелочноус-тойчивые пигменты (охру, сурик железный, сажу, окись хрома, перекись марганца и др.) от 5 до 30% (по массе) в зависимости от требуемой насыщенности цвета. Сухую известковую хлорокислую смесь и пигмент предварительно тщательно перемешивают.

Для получения грунтовочных составов в сухую известковую хлорокислую краску добавляют равное по весу количество воды, затем перемешивают и добавляют воду до вязкости 8 — 10 с по вискозиметру ВЗ-4. Для приготовления красочного состава сухую хлорокислую краску за 10 ч до употребления замачивают в равном по массе количестве воды. Затем тщательно перемешивают смесь, разбавляют дополнительно водой до рабочей консистенции (до вязкости 15 — 17 с по вискозиметру ВЗ-4). Оштукатуренные фасады зданий окрашивают известковыми хлорокислыми красками после того, как трещины будут расшиты, поверхность очищена от набелов старой краски, налетов раствора и пыли, а штукатурка отремонтирована.

Поверхность новой штукатурки на фасаде зданий до огрунтов-ки равномерно смачивают водой. Огрунтовку производят краскопультом, валиком или кистями. Спустя сутки огрунтованную поверхность снова смачивают водой и через час наносят красочный состав теми же механизмами и инструментами, что и огрунтовку. Во время дождя и при отрицательных температурах хлорокислые красочные составы применять нельзя.

Отвердевшая красочная пленка из известковых хлорокислых составов обладает повышенной атмосферостойкостью и не смывается водой.

Окраска пастовыми известково-цементными составами. Пастовая известково-цементная окраска является тонкослойным декоративным покрытием, которое наносят обычными малярными приемами. Составы для окраски могут быть приготовлены на строительной площадке. Способ приготовления. Портландцемент, известь-пушонку и пигменты в сухом виде перемешивают в растворосмесителе, после чего в смесь добавляют песок, а затем доломитовую муку и снова перемешивают. Воду в сухую смесь вводят за 30 мин. до начала работ. Чтобы сохранить одноцветность, сухую смесь известково-цементной краски готовят в количестве, необходимом для окраски всего фасада. Водный раствор краски готовится не более, чем на час работы. Окраска фасада пастовыми известково-цементными составами производится за один раз без предварительной огрунтовки. За сутки до окраски поверхности фасада обильно увлажняют, повторно это делают за полчаса до окраски.

Пастовую краску наносят маховыми кистями врастушевку; для предупреждения образования стыков работают одновременно несколько маляров способом «кисть в кисть». Прерывать работу можно только у архитектурных членений или у водосточных труб. Можно наносить пастовую краску и пистолетом-красокраспылителем 0—45 с насадкой и соплом диаметром 3 — 4 мм. Окрашивать можно только при положительной температуре не ниже 5°С. Не рекомендуется окрашивать пастовой краской под прямыми лучами солнца, так как снижается прочность пленки.

Окраска цеметными составами. Цементные краски представляют собой смесь белого цемента с пигментами и добавками, ускоряющими твердение красочного слоя и увеличивающими водонепроницаемость покрытий, их прочность и долговечность.

Рецепт цементной краски:

Цемент белый  ................................... 8 кг

Известь-пушонка   ................................ 1 кг

Хлористый кальций (для ускорения твердения цемента)  . . 0,3 кг

Стеарат кальция

(для придания составу водоотталкивающих свойств)  ..... 0,1 кг

Асбестовое волокно   .............................. 0,1 кг

Пигмент сухой до получения заданного колера (не более) . 0,5 кг

Способ приготовления. Составляющие в шаровой мельнице тонко измельчаются и перемешиваются, готовую смесь расфасовывают в бумажные мешки.

Окрашивают цементными составами обычно за два раза. Первое покрытие рекомендуется производить кистью, втирая жидкую краску в поверхность. Для первого слоя сухую смесь разводят водой в соотношении 1 : 1 (вязкость 12 — 15 с по вискозиметру ВЗ-4). Для второго красочного слоя краску готовят более густой с соотношением составляющих 1 : 0,5 — 0,7 (сухая смесь — вода, вязкость 15 — 18 сек. по вискозиметру ВЗ-4) и накладывают более густым слоем. Вторую окраску производят через сутки после первой. Наносить цементные составы на поверхности можно краскопультом и пистолетом-краскораспылителем, в этом случае сухую смесь разводят водой до рабочей густоты в 15— 18с по вискозиметру ВЗ-4. Окрашивают поверхности краскопультом и пистолетом-раскораспылителем также за два раза. Валиком окрашивают за один раз до полного укрытия поверхности, применяя при этом составы такой же вязкости. Жизнеспособность составов невелика, поэтому заготавливают краски не более чем на 3 — 4 ч работы.

Чтобы предохранить красочный слой от пересыхания, окрашивать под прямыми лучами солнца и по несмоченной поверхности не рекомендуется. Для создания наиболее благоприятных условий твердения пленки поверхности за сутки до окраски следует обильно смочить водой и повторить смачивание за час до начала окрас-

}ки. При окраске 1 кв. м поверхности расходуется 0,5 — 0,9 кг сухой [смеси. Долговечность окраски 5 — 6 лет.

Окраска   силикатными   составами. Силикатные краски для фасадов готовят восемнадцати цветовых оттенков, что создает условия для разнообразной окраски с гармоничными цветовыми сочетаниями. Силикатные краски состоят из растворимого калийного стекла и смеси тонкомолотых минеральных щелочностойких пигментов (мела от 37 до 70 %, цветных пигментов от 15 до 48%  и талька 15%). Силикатные краски прочны, атмосферостойки и водостойки (окрашенные поверхности можно промывать водой), они требуют прочного основания, поэтому их можно использовать для окраски новых и прочных старых штукатурок, а также бетона, керамического и силикатного кирпича.

Силикатные краски поступают на строительство в двухтарной упаковке: готовая смесь пигментов — в бумажных мешках, калийное стекло плотностью 1,41 г/см3 — в бочках. На месте работ сухую часть смешивают с раствором калийного жидкого стекла в растворосмесителях.

Последовательность приготовления состава следующая: разводят жидкое стекло примерно полуторным количеством воды, доводя плотность его до 1,18 — 1,20 г/м3. Затем вводят пигментную часть в соотношении 1:1. Вязкость состава по вискозиметру ВЗ-4 должна быть 14-16 сек. Перед употреблением составы процеживают через сетку с 694 отв./см2.

В процессе работы краски необходимо перемешивать. Окрашивают фасады за два раза краскопультом или валиком. Вторую окраску производят на следующий день. При окраске кистями необходимо тщательно растушевывать красочный слой.

Для улучшения качества все поверхности, впитывающие красочный состав, особенно очень пористые, необходимо перед окраской увлажнять раствором жидкого стекла с удельным весом 1,15, разводя жидкое стекло примерно двойным количеством воды. Силикатные красочные составы через сутки непригодны для употребления, так как дают плотный нерастворяющийся осадок, образующийся при химическом взаимодействии жидкого стекла с пигментной частью — окисью цинка и тальком. Поэтому остатки составов не используются. При температуре ниже 5°С, а также под прямыми лучами солнца производить окраску не разрешается. При окраске под прямыми солнечными лучами красочный слой высыхает очень быстро, приобретая губчатое строение. Образующаяся при этом пленка не прочна и легко разрушается. Окрашивать поверхности силикатными красками необходимо в защитных очках.

Для придания красочной пленке водоотталкивающих (гидро-фобизированных) свойств в силикатные краски вводят гидрофобные жидкие добавки.

Приготовляют эти краски непосредственно на строительных объектах. Окраску фасадов гидрофобизированными силикатными красками выполняют в такой технологической последовательности:

— поверхности грунтуют раствором жидкого стекла плотностью 1,15;

— на следующий день выполняют первую окраску гидрофоби-зированным силикатным колером, имеющим вязкость 11 — 13 сек по вискозиметру ВЗ-4;

— через день производят вторую окраску гидрофобизирован-ным колером, вязкость которого по вискозиметру ВЗ-4 должна составлять 18 — 20 с. Гидрофобизированные силикатные краски готовят в количествах, необходимых для работы в течение одной смены. Для приготовления составов с гидрофобными добавками необходимо пользоваться очками, резиновыми перчатками и фартуком, а при окраске -- очками и респиратором.

Во всем остальном соблюдаются те же условия, что и при окраске силикатными красками, не включающими добавок. По окончании работы инструменты сразу же следует промыть водой, иначе кисти и валики будут непригодны для работы на следующий день. При окраске фасадов необходимо обмазывать глиняным раствором оконные стекла, облицовку из полированных камней и другие части фасада, так как очистить от краски загрязненные поверхности невозможно. Чтобы предохранить от загрязнения силикатной краской оконные стекла, их можно обмазывать и меловой пастой.

6     Литература

1. Белоусов Е. Д. Технология облицовки синтетическими материалами, Москва, Высшая школа, 1982 г.

2. Галкин И. Г. Технология и организация строительного производства, Москва, Высшая школа, 1981 г.

3. ЕНиР. Единые нормы и расценки на строительные, монтажные и ре-монтно-строительные работы. Сб. Е8. Отделочные покрытия строительных конструкций. Выпуск 1. Отделочные работы, Москва, Стройиздат, 1987 г.

4. Ивлиев А. А. Рабочий перемешивающий орган струйного смесителя непрерывного действия. Авторское свидетельство № 237560, 1969 г.

5. Ивлиев А. А. Технология теплоизоляционных материалов и изделий, г. Саратов, 1974 г.

6. Ивлиев А. А., Фахратов М.А., Подгорнов Н. И., Поляков П. Е. Основы менеджмента в строительстве, Москва, Высшая школа, 1996 г.

7. Кальгин А. А., Сулиманов Ф. Г. Лабораторный практикум по технологии бетонных и железобетонных изделий, Москва, Высшая школа, 1994 г.

8. Малин В. И. Наружная и внутренняя облицовка зданий природным камнем, Москва, Высшая школа, 1985 г.

9. Неелов В.А. Строительно-монтажные работы — Москва, Стройиздат, 1986г.

10. С е м е н о в В. Н. Унификация и стандартизация проектной документации для строительства, Ленинград, Стройиздат, 1985 г.

11. СНиП 3. 21-82. Строительные нормы и правила. Организация, производство и приемка работ. Отделочные покрытия строительных конструкций, Москва, Стройиздат, 1985 г.

12. Суржаненко А. Е., Шепелев А. М. Малярные и штукатурные работы, Москва, Высшая школа, 1968 г.

13. Чмырь В. Д. Материаловедение для маляров, Москва, Высшая школа, 1982 г.


© 2012 Рефераты, доклады и дипломные работы, курсовые работы бесплатно.