рефераты
Главная

Рефераты по международному публичному праву

Рефераты по международному частному праву

Рефераты по международным отношениям

Рефераты по культуре и искусству

Рефераты по менеджменту

Рефераты по металлургии

Рефераты по муниципальному праву

Рефераты по налогообложению

Рефераты по оккультизму и уфологии

Рефераты по педагогике

Рефераты по политологии

Рефераты по праву

Биографии

Рефераты по предпринимательству

Рефераты по психологии

Рефераты по радиоэлектронике

Рефераты по риторике

Рефераты по социологии

Рефераты по статистике

Рефераты по страхованию

Рефераты по строительству

Рефераты по таможенной системе

Сочинения по литературе и русскому языку

Рефераты по теории государства и права

Рефераты по теории организации

Рефераты по теплотехнике

Рефераты по технологии

Рефераты по товароведению

Рефераты по транспорту

Рефераты по трудовому праву

Рефераты по туризму

Рефераты по уголовному праву и процессу

Рефераты по управлению

Курсовая работа: Расчет консольной фермы

Курсовая работа: Расчет консольной фермы

Исходные данные

Узел № 1

Группа материала: С375

Количество циклов нагружения:N=2∙106.

Ферма нагружена в усилиями Р=4 кН, приложенных в узлах верхних поясов, и подвижной нагрузкой Q=30 кН перемещающейся по верхнему поясу между узлами 5 и 45.

Расстояние между поясами h = 1,5 м,

Расстояние между стойками d = 1,8 м,

Пояса фермы выполнены из проката двутаврового профиля, раскосы и стойки выполнены из равнополочных уголков. Сопряжение решетки с поясами осуществляется с помощью косынок.

Рисунок 1- Расчетная схема консольной фермы

Необходимо:

1.  Рассчитать минимальные сечения стержней, входящих в узел 4 из условия статической прочности.

2.  Рассчитать минимальные сечения стержней входящих в узел 4 из условия усталостной прочности.

3.  Спроектировать сварное соединение крепления решетки к косынке.

4.  Спроектировать сварное соединение крепления косынки к поясу.


1. РАСЧЕТ МИНИМАЛЬНЫХ СЕЧЕНИЙ СТЕРЖНЕЙ ИЗ УСЛОВИЯ СТАТИЧЕСКОЙ ПРОЧНОСТИ

1.1 РАСЧЕТ УСИЛИЙ В СТЕРЖНЯХ И РЕАКЦИЙ В ОПОРАХ

Усилия в стержнях можно определить методом рассечения фермы.

(Рисунок 2). Рассекаем между узлами 1’ и 2’. Отбрасываем левую часть. Заменяем соединения усилиями. Получим два уравнения равновесия момента.

Рисунок 2 – Рассеченная ферма

;

;

.

;

;

Сумма проекций всех сил на ось Y равна нулю:

;

,

где , получим

.

1.2 РАСЧЕТ МИНИМАЛЬНЫХ СЕЧЕНИЙ СТЕРЖНЕЙ

консольная ферма проектирование

Расчет на прочность элементов, подверженных центральному растяжению или сжатию силой N, следует выполнять по формуле:

откуда минимальное значение площади поперечного сечения :

где gс - коэффициент условий работы, принимаемый равным 1.

 - расчетное сопротивление по пределу текучести;

где - коэффициент надежности по материалу проката, принимаемый по табл. 2* СНиП II-23-81 (в соответствии с ГОСТ 27772-88): ;

Для материала С375 МПа (табл. 51* СНиП II-23-81), откуда:

МПа.

Принимаем в соответствии табл. 51* СНиП II-23-81

Подставим усилия от стержней (1’2, 02, 1’2’) в формулу для нахождения площади поперечного сечения, получим:

Для верхнего пояса (1’2’):

Для нижнего пояса (02):

Для раскоса (1’2):

Для поясов возьмем большую площадь сечения. Прокат для верхних и нижних поясов берем одинаковые.

Примем двутавр (ГОСТ 26020-83) №50 с F=100 см.

Примем уголок (ГОСТ 8509-93) №6,3 (63´63´6) с F=7,28 см.


2. РАСЧЕТ НА УСТАЛОСТЬ

Расчет на усталость следует производить по формуле

smax /aRngn£1,

где Rn =108 МПа– расчетное сопротивление усталости, принимаемое по табл. 33 СП 53-102 2004 в зависимости от временного сопротивления стали и групп элементов конструкций, приведенных в табл. Р.1 СП 53-102 2004 (в нашем случае конструкция относится к седьмой группе элементов);

a — коэффициент, учитывающий количество циклов нагружений n, принимаемый при n ³ 3,9 · 106 равным a = 0,77 и вычисляемый при n < 3,9 · 106 по формулам:

для групп элементов 1 и 2

a = 0,064 (n / 106)2 - 0,5 (n / 106) + 1,75

для групп элементов 3—8

a = 0,07 (n / 106)2 - 0,64 (n / 106) + 2,2.

Для нашей конструции с n=2∙106 рассчитываем по второй формуле:

a=0,07(n/106)2-0,64(n/106)+2,2=0,07(2∙106/106)2-0,64(2∙106/106)+2,2=1,2;

gn – коэффициент, определяемый по табл. 33 СП 53-102 2004 в зависимости от вида напряженного состояния и коэффициента асимметрии напряжений r = Nmin/Nmax. При разнозначных напряжениях коэффициент асимметрии напряжений следует принимать со знаком "минус".

Расчет наибольшего усилия проведен в пункте 1 (нагрузка Q смещена максимально вправо)

Расчет минимального усилия Nmin (нагрузка Q смещена максимально влево – на узел 5’) :

Рис.3

;

;

.

;

;

Сумма проекций всех сил на ось Y равна нулю:

;

,

где , получим

.

Рассчитаем на усталость верхний пояс:

Коэффициент асимметрии напряжений ;

Согласно табл. 34 СП 53-102 2004 при 0 < r £ 0,8 выбираем формулу для расчета коэффициента gn:

Так же при расчете на выносливость должно выполняться условие:

где Ru=480 МПа - расчетное сопротивление стали растяжению, сжатию, изгибу по временному сопротивлению (табл.В.5 СП 53-102 2004);

-коэффициент надежности в расчетах по временному сопротивлению;

Согласно Пункт 4* СНиП II-23-81 =1,3.

1,2∙108∙4,54≤480/1,3

588369 МПа, условие не выполнено. В формулу расчета на усталость подставим 369 МПа.

smax=Nmax/A1’2’=3044400/ 10000 = 304МПа;

304 /369= 0,82 £ 1, условие выносливости выполняется.


3. ПРОЕКТИРОВАНИЕ КРЕПЛЕНИЯ РЕШЕТКИ К КОСЫНКЕ

Рассчитаем крепление раскоса 21’ к косынке (рис. 4). В качестве способа сварки выберем ручную дуговую сварку по ГОСТ 5264-80, выберем электроды Э50А ГОСТ 9467-75 (табл.Г.1 СП 53-102 2004) для группы 1.

Длину швов крепления уголков найдем из условия прочности углового шва:

t’=N/(k∙b∙lw)≤Rw,

где N – усилие в стержне (N=21’);

k – катет шва, принимаем из условия kmax=0,9t=0,9∙6=5,4 мм и kmin=4 мм. Принимаем k=5мм;

lw – длина шва;

b - коэффициент для нахождения расчетной высоты шва, принимаем для расчета по Ме шва bf=0,7 и для расчета по зоне сплавления bz=1;

Rw – расчетное сопротивление ме шва срезу, по металлу шва принимаем Rwf=215МПа (табл. Г.2 СП 53-102 2004), по металлу зоны сплавления Rwz=0,45∙Run=0,45*490=220 МПа.

Максимальная длина углового шва lmax=85*k*b=85*5*0,7=297 мм.

Минимальная длина шва Lmin=4k=4*5=20 мм, но не менее 40 мм.

Расчет по металлу шва:

Расчет по ме границы сплавления:

Принимаем длину шва 319 мм, и найдем длины фланговых швов. Так как центр тяжести сечения уголка находится не посередине ширины элемента, то шов, расположенный ближе к центру тяжести, воспринимает большую нагрузку, чем шов, расположенный дальше от центра тяжести (см рис. 3). Считается, что усилия, приходящиеся на швы, будут обратно пропорциональны расстояниям их от центра тяжести сечения и могут быть получены по формулам, подставив значения в которые значения b=63 мм и =17,8мм, найдем :

Рис. 4 - Крепление решетки к косынке

            

Принимаем


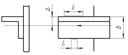
4. ПРОЕКТИРОВАНИЕ КРЕПЛЕНИЯ КОСЫНКИ К ПОЯСУ

Требуется рассчитать крепление косынки к поясу в узле 1’. Примем толщину косынки 8 мм. Максимальное значение катета:

;

где  –наименьшая толщина соединяемых элементов.

Минимальное значение катета определим по табл. 35 СП 53-102 2004:

k=4 мм, принимаем катет шва равным 8 мм.

Сварные соединения с угловыми швами при действии продольной и поперечной сил следует рассчитывать на срез (условный) по двум сечениям:

1.По металлу шва

2.По границам зоны сплавления.

Рис. 5

SY=0 – следовательно усилия в раскосах должны быть разных знаков. SХ=0 – следовательно горизонтальные швы срезаются силой Т=N1cosa+N2cosa (формула 18.7, [2]),

где N1=01’, N2=21’, a=590.

Найдем усилие в стержне 01’: рассечем между узлами 0 и 1 (рис. 6), составим уравнение SY=0= –45Р – Q – 01’sina

Рис.6

01’= (–45Р – Q) / sina = (–45*4 – 30) / sin590= - 344993 H – знак “минус” для случая, когда вектор силы направлен в сторону, противоположную той, которая указана на рисунке 5.

Т=240235*cos59 + 344993 cos59 = 301414 Н

где  - расчетная длина шва и N = Т.

Для первого случая (сечение по металлу шва):

Для второго случая (сечение по границам металла шва):

Максимальная длина углового шва lmax=85*k*b=85*8*0,7=476 мм.

Минимальная длина шва Lmin=4k=4*8=32 мм, но не менее 40 мм.

Принимаем длину шва 250 мм.


5.ПРОЕКТИРОВАНИЕ СВАРНЫХ СТЫКОВ

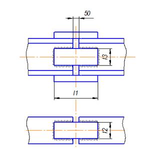
Произведем расчет стыкового соединения верхнего пояса (стык в стержне 1’2’). Соединение выполним при помощи накладок, изображенных на рисунке 7.

Из условия прочности на растяжение найдем толщину накладок d:

Ry ≥ N/A= 1’2’/(2(l2 + l3) d),

где l3= 400 мм , l2 = 160 мм – ширины боковой и верхней накладок; приняты из габаритов двутавра и условия беспрепятственного доступа и проведения сварки.

d≥ 1’2’/(2(l2 + l3) Ry) = 3044400/(2(400+160)345) = 7 мм, примем d = 8 мм. Зная толщину накладки, примем катет нахлесточного шва k = 8 мм. Примем сварку без разделки кромок, тип шва Н1.

Далее найдем требуемую длину швов:

lw ≥ N/(k∙b ∙Rw).

Расчет по металлу границы сплавления:

lw z≥ 3044400/(8∙1 ∙220) = 1729 мм.

Расчет по металлу шва:

lw f≥ 3044400/(8∙0,7 ∙215) = 2528 мм.

Примем общую длину швов 2530 мм.

Длину фланговых швов боковых и полочных накладок примем одинаковыми:

(l1 - 50)/2= (lw - 2(l2 + l3))/8 = (2530 - 2(160 + 400))/8 »176 мм, примем lф = 180 мм. Длины всех швов удовлетворяют условиям: минимальная длина шва Lmin=4k=4*8=32 мм, но не менее 40 мм и максимальная длина шва Lmax= 85k bf = 85∙0,7∙8 = 476 мм.

Размер нахлестки не должен быть меньше пяти толщин самого тонкого из свариваемых элементов:

Lнахл min = 5*8 = 40 мм. Полученный результат (180 мм) удовлетворяет этому условию

Рисунок 7-Проектирование планки

Между торцами стыкуемых элементов поясов ферм, перекрываемых планками, следует оставить зазор не менее 50 мм, для того чтобы уменьшить сварочные напряжения.


© 2012 Рефераты, доклады и дипломные работы, курсовые работы бесплатно.