рефераты
Главная

Рефераты по международному публичному праву

Рефераты по международному частному праву

Рефераты по международным отношениям

Рефераты по культуре и искусству

Рефераты по менеджменту

Рефераты по металлургии

Рефераты по муниципальному праву

Рефераты по налогообложению

Рефераты по оккультизму и уфологии

Рефераты по педагогике

Рефераты по политологии

Рефераты по праву

Биографии

Рефераты по предпринимательству

Рефераты по психологии

Рефераты по радиоэлектронике

Рефераты по риторике

Рефераты по социологии

Рефераты по статистике

Рефераты по страхованию

Рефераты по строительству

Рефераты по таможенной системе

Сочинения по литературе и русскому языку

Рефераты по теории государства и права

Рефераты по теории организации

Рефераты по теплотехнике

Рефераты по технологии

Рефераты по товароведению

Рефераты по транспорту

Рефераты по трудовому праву

Рефераты по туризму

Рефераты по уголовному праву и процессу

Рефераты по управлению

Курсовая работа: Основные этапы монтажа аппаратуры автоматического регулирования и управления

Курсовая работа: Основные этапы монтажа аппаратуры автоматического регулирования и управления

Оглавление

Введение

1. Проект производства работ, монтажа объекта автоматизации

1.1    Анализ объекта автоматизации

1.2 Ведомость физических объемов работ

1.3 График монтажных работ на основе ведомости физических объемов работ

1.4 График потребности в рабочих кадрах.

1.5 Сетевой график производства монтажных работ

2. Монтаж элементов объекта автоматизации

2.1 Выбор проводов, кабелей, соединительных коробов, труб и способов их прокладки.

2.1 Монтаж закладных изделий и первичных измерительных преобразователей

2.3 Монтаж щитов и пультов управления, способов их установки.

2.4 Монтаж исполнительных механизмов, защитных устройств и т д

2.5 Построение плана расположения электрических, трубных проводок

2.6          Синтез схем безопасности, сигнализации и заземления.

3. Диагностика систем автоматизации

3.1 Определение физических параметров объекта, подлежащих измерению во время его диагностирования.

3.2 Формулировка задачи определения неисправностей, выбор способа диагностирования.

3.3 Определение глубины поиска неисправностей, выбор технических средств

Выбор технических средств диагностирования

3.4 Построение диагностических диаграмм поиска неисправностей

4. Эксплуатация объекта автоматизации

4.1 Текущая эксплуатация объекта автоматизации (комплекс мероприятий по текущему обслуживанию ТО) и планово предупредительному ремонту(ППР)

4.2 Ремонт объекта автоматизации (мероприятия согласно малому, среднему и капитальным ремонтам).

4.3 Метрологический надзор за средствами измерений (проверка, ревизия и экспертиза)

4.4 Построение графика ТО, ППР и других видов ремонта для основных блоков и узлов объекта автоматизации.

Заключение

Список использованной литературы


Введение

монтаж автоматизация химический абсорбция

В химической промышленности комплексной механизации и автоматизации уделяется большое внимание. Это объясняется сложностью и высокой скоростью протекания технологических процессов, а также чувствительностью их к нарушению режима, вредностью условий работы, взрыво- и пожароопасностью перерабатываемых веществ и т.д.

Автоматизация приводит к улучшению основных показателей эффективности производства: увеличению количества, улучшению качества и снижению себестоимости выпускаемой продукции, повышению производительности труда. Внедрение автоматических устройств обеспечивает высокое качество продукции, сокращение брака и отходов, уменьшение затрат сырья и энергии, уменьшение численности основных рабочих, снижение капитальных затрат на строительство зданий (производство организуется под открытым небом), удлинение сроков межремонтного пробега оборудования.

Создание систем автоматизации на предприятиях представляет комплексную проблему, цель которой - материальное воплощение идеи проектировщика сначала в проекте, затем в разработке отдельных устройств, монтаже и, в конечном итоге, в эксплуатации реальной, действующей системы, позволяющей повысить технико-экономические показатели процесса производства.

Таким образом, исходя из принципов системного подхода, в объем работ по проектированию, помимо технических вопросов, созданных непосредственно с разработкой схем автоматизации и контроля, закономерно включить и такие, как диагностика неисправностей, техническое обслуживание систем автоматизации, удобство монтажа, наладки и эксплуатации.

Монтаж приборов контроля, аппаратуры автоматического регулирования и управления является одним из наиболее технически сложных разделов монтажных работ.

Современные методы монтажных работ систем автоматики основаны на максимальной индустриализации и специализации выполняемых работ.

Индустриализация заключается в использовании стандартных и нормализованных изделий изготавливаемых серийно или в массовом масштабе. В этом случае монтаж осуществляется крупными блоками и узлами, что позволяет механизировать и сократить объем работ непосредственно на месте монтажа.

Специализация заключается в разделении труда при выполнении различных монтажных работ, создании специализированных групп и бригад, укомплектованных специалистами соответствующего профиля.


1. Проект производства работ монтажа объекта автоматизации

1.1  Анализ объекта автоматизации

Процессы химической технологии - это сложные физико-химические системы, имеющие двойственную детерминированно-стохастическую природу, переменные в пространстве и во времени. Участвующие в них потоки вещества, как правило, многофазные и многокомпонентные. В ходе протекания процесса в каждой точке фазы и на границах раздела происходит перенос импульса, энергии, массы. Весь процесс в целом протекает в аппарате с конкретными геометрическими характеристиками, оказывающими, в свою очередь, влияние на характер этого процесса.

Цель процесса: получение очищенного газа с концентрацией (циклогексана и циклогексанона) равной (Q цик <= 0.1%) .

Участок абсорбции состоит из абсорбера высокого и низкого давления, (холодильников – № 1, № 2, № 3,№ 4,и емкости для абсорбента.

В нижнюю часть абсорбера высокого давления компрессором (двигателем M1) поступает газовая смесь состоящая: реакционных газов от скруббера конденсатора, газов дросселирования от теблообменника, (Fгаз = 4,0 – 9,4 м3/ч) и (Q цик = 5%) а верхнюю часть колонны насосом (двигателем M4) подается жидкая смесь состоящая: анола ректификата стадия 300, анола ректификата, а также абсорбент (в качестве абсорбента используются продукты дегидрирования или кубовая жидкость колонны отгонки циклогексана при T1= 20 °С и (Fаб1 = 20 - 80 м3/ч) в среднюю часть колонны подается кубовая жидкость при T3= 20 °С и (Fаб3 = 2 - 8 м3/ч), где происходит реакция поглощения газа жидкостью, в результате чего выделяется тепло. Реакция поглощения должна протекать при определенной температуре в нижнем (Т5=50°С) и в верхнем (Т6 =26°С) частях абсорбера. Сам процесс абсорбции протекает при (Т9=30°С). Давление в верхней части колонны на входе равно P1 =0.95 МПа). Охлаждение абсорбента происходит с помощью холодильников. Абсорбция осуществляется смесью циклогексанона и циклогексанола, в которой хорошо растворяется циклогексан при низкой температуре.

В нижнюю часть абсрбера низкого давления компрессором (двигателем M2) поступает газовая смесь состоящая: реакционных газов от ректификационной колонны, (Fгаз1 = 5,0 – 6,4 м3/ч) и Q анон1 = 5%) а верхнюю часть колонны насосом (двигателем M4) подается жидкая смесь состоящая: анола ректификата стадия 300, анола ректификата, а также абсорбент (в качестве абсорбента используются продукты дегидрирования или кубовая жидкость колонны отгонки циклогексана при Т2=20 °С и (Fаб2 = 10 - 40 м3/ч), где происходит реакция поглощения газа жидкостью, в результате чего выделяется тепло. Реакция поглощения должна протекать при определенной температуре в нижнем (Т7=17°С) и в верхнем (Т8 =25°С) частях абсорбера. Сам процесс абсорбции протекает при (Т10=20°С). Давление в верхней части колонны на входе равно P2 = 39КПа). Охлаждение абсорбента происходит с помощью холодильников. Абсорбция осуществляется смесью циклогексанона и циклогексанола, в которой

хорошо растворяется циклогексан при низкой температуре.

Для предотвращения аварийных ситуаций: уменьшения вредных выбросов в абсорберах происходит измерение концентрации Q цик и Q цик1 . При превышении этого значения закрывается запорный клапан на линии выхода конечного продукта.

Рисунок 1. Анализ процесса абсорбции циклогексана и циклогексанона: а) Схема материальных потоков и их информационных переменных; б) структурная схема САУ как ОУ.


1.2 Ведомость физических объемов работ

Интенсивная автоматизация производственных процессов во всех отраслях промышленности с каждым годом значительно увеличивает объём работ по монтажу систем и средств автоматизации. Для обеспечения высокого качества этих работ, сокращения сроков монтажа и уменьшения трудовых затрат на монтажной площадке необходимо тщательно подготавливать производство монтажных работ.

Одним из основных видов подготовки производства монтажных работ является составление проектов производства работ[1].

План производства работ составляется на монтаж системы автоматики строящихся и конструируемых предприятий, при выполнении капитальных ремонтов и модернизации крупных технологических объектов. План производства работ составляется на основе проектной документации и увязывается со сроками выполнения ремонтных или строительных работ, установкой и монтажом технологического оборудования, ввода объекта в эксплуатацию.

План составляют в следующей последовательности:

1. выделяют заготовительные работы, выполняемые вне строительной площадки;

2. выделяют монтажные работы, выполняемые непосредственно на автоматизируемом объекте;

3. определяется объем работ в физическом и денежном выражении, а также фонд заработной платы;

4. определяются сроки выполнения каждого вида работ, потребность в рабочей силе, профессиональный состав и квалификацию рабочих;

5. составляют график выполнения работ с указанием передвижения монтажных бригад;

6. определяется расход материалов и инструментов на весь объем работ;

7. определяют потребность в механизмах, станках и другом оборудовании.

Объем работ и смету определяют по рабочим чертежам и уточняют на месте проведения монтажных работ. Полученные данные об объемах работ записывают в ведомость объемов работ.

Составим ведомость физических объемов работ для нашего проекта.

Объем трудозатрат определяют по ценам и тарифным ставкам, взятым из тарифно-квалификационного справочника на монтажные работы.

Затраты на изготовление необходимых узлов определяются на основании смет, составленных по рабочим чертежам. Объем заработной платы определяют по формуле:

ЗП=Кт*С-Зо

С - трудозатраты, чел/чел;

Kт - тарифный коэффициент, учитывающий квалификацию работ;

Зо - часовая ставка рабочего первого разряда, руб.

Данные о материалах и оборудовании определяют пo cпецификациям.

В графе 10 указывается общая сумма каждого вида работ.

Зная общие затраты труда, нормативы и производительность при выполнении монтажных работ определяем число работников и их квалификацию для данных работ. Продолжительность работ должна быть связана с директивными сроками ввода объекта в эксплуатацию.

По графам 5,6,7 определяют число работников по профессиям Таблица 1.Приложение1


1.3 График монтажных работ на основе ведомости физических объемов работ

Проанализировав график монтажных работ и сделав надлежащие выводы приступаем к построению календарного плана строительно-монтажных работ цеха «Циклогексанон-2».

Календарные планы строительно-монтажного производства, составление в укрупненном виде этих планов по отдельным объектам, являются основными документами в составе ППР, определяющими последовательность и длительность монтажа.

После решения вопросов по обеспечению объекта монтажа оборудованием, приборами, средствами автоматизации и материалами, согласовав график их поставки, а также выяснив их готовность к монтажу основных технологических агрегатов и установок, монтажное управление вместе с генеральным подрядчиком или заказчиком составляет календарный план или сетевой график производства работ и согласовывает его с заказчиком.

Указанный план или график определяют начало и окончание заготовительных и монтажных работ, наименование их видов и комплексов, объемы (единицы измерения, количество и состав работ), состав звена рабочих, на которых возложены предмонтажные графики работы.

Календарные планы монтажных работ разделяют исходя из календарных планов строительства, более подробно детализирующих специальные работы. Важным параметром, определяющим состав календарного плана, является период времени, на который рассчитан график.

1) проектно-сметная документация, нормативные или директивные сроки строительства комплекса либо его части, а также возможности монтажной организации с учетом ее материально-технической и производственной базы;

2) перечень объектов, по которым утверждаются календарные штаны монтажных работ в текущем году, устанавливаются вышестоящей организацией.

План работы МЗМ составляют производственно-технический и плановый отел монтажного управления. План выпуска продукции МЗМ разрабатывают на основе заявок монтажных участков сборки. Монтажные участки должны представлять заявки в производственно-технический отдел управления не позднее 23-го числа месяца, предшествующего планируемому.

График монтажных работ представлен в табл.2.Приложение 2

 

1.4 График потребности в рабочих кадрах.

Покуда никто не требуется, все монтажные работы выполняет фирма Севзападмонтаж

 

1.5 Сетевой график производства монтажных работ

В связи с возникновением многих сложных взаимосвязанных работ, требующих для выполнения решения многих технических и организационных вопросов, пользуются сетевой моделью в виде графика, состоящего из стрелок и кружков. Такой график представляет собой сетевую модель с рассчитанными временными параметрами.

 В основе ее лежат два понятия:

1) работа - это производственный процесс, требующий затрат времени и материалов, приводящий к достижению определенных результатов;

2) событие - это факт окончания одной или нескольких работ, достаточный для начала следующих работ. Начальное событие определяет начало данной работы и является конечным для предшествующей работы. Конечное событие определяет окончание данной работы и является началом для последующих работ.

3) путь - непрерывная последовательность работ в сетевом графике.

Сетевой график представляет собой графическую модель процесса производства монтажных работ на объекте автоматизации, в целом по монтажному управлению и отражает технологическую взаимосвязь между работами.

Элементами построения сетевого графика монтажных работ являются кружки, обозначающие события, и стрелки, означающие работу.

Расчет сетевого графика заключается в определении раннего и позднего сроков начала и окончания работ, критического пути и работ, лежащих на нем, резервов времени, календарных дат.

Общее время выполнения «работ», лежащих на «критическом пути», определяет полную продолжительность строительно-монтажных работ. Уменьшив продолжительность работ, лежащих на «критическом пути», можно сократить сроки монтажа и ускорить ввод объекта в эксплуатацию

Сетевой график в Приложении 3.

ссетевой2.bmp

Рисунок 1.2 - Сетевой график производства монтажных работ

График монтажных работ представлен в таблице 2.

2.Монтаж элементов обьекта автоматизации

 

2.1 Выбор проводов,кабелей,соединительных коробов,труб и способов их прокладки

По назначению электрические проводки делятся на измерительные, командные и питающие.

Измерительные проводки могут быть нескольких типов, отличающихся особенностью монтажа и материалами.

Командные проводки применяют для соединения измерительных приборов с электрическими и электронными регуляторами, регуляторов с исполнительными механизмами, сигнализирующих приборов с сигнальными устройствами.

Линии электрического питания применяют для подвода напряжения от щитков питания к потребителям.

По способу выполнения электрические проводки разделяют на открытые и скрытые.

Кабельную продукцию в зависимости от конструкций подразделяют на кабели, провода и шнуры.

Кабель - одна или более изолированных жил (проводников), заключенных, как правило, в металлическую или неметаллическую оболочку, поверх которой в зависимости от условий прокладки и эксплуатации может иметься соответствующий защитный покров, в который может входить броня.

Провод - одна неизолированная или одна и более изолированных жил, поверх которых в зависимости от условий прокладки и эксплуатации может иметься неметаллическая оболочка, обмотка и (или) оплетка волокнистыми материалами или проволокой.

Совершим монтаж с помощью программы “Электрик”

В качестве проводника выберем кабель,материал медь,коэффициент 1,

Длина 40метров,потери 5%,температура 20 С,осуществим прокладку кабелем 4-ех жильную в воздухе и в коробах,а также в лотках пучками,Выберем что все датчики потребляют примерно 2 Вт.Из этого рассчитаем сечение кабеля,а уж потом выберем кабель.

Нажмем на расчет по I/P

Выберем кабель из программ исходя из полученных данных

Это кабель КВВГ 4*1.5

Коробы и их функции

Металлические короб (рис. 6) — это конструкция из листовой стали длиной 3 м, состоящая из корытообразного основания 3, крышки 1, которая крепится болтами, и разделяющей перегородки 2. Внутри короба имеются планки для закрепления проводов и кабелей.

tpm16.jpg

Рис. 2.1. Металлический короб: 1 – крышка; 2 – разделяющая перегородка; 3 – основание

Элементы, входящие в номенклатуру коробов, обеспечивают прокладку трассы с необходимыми поворотами и разветвлениями. Ввод линии в электротехнические устройства осуществляется с помощью присоединительных секций.

Выбираем соединительную коробку IP 65/66

Сразу же рассчитаем защиту

Классификация трубных проводок.

Трубные проводки делятся на:

-  импульсные -- соединяющие отборное устройство с чувствительным элементом.

-  командные, - соединяющие между собой отдельные функциональные блоки (первичные преобразователи, вторичные приборы, регуляторы и т.д.).

-  питающие, - соединяющие источники дополнительной энергии с элементами систем автоматизации.

-  выбросные (дренажные), - предназначенные для сброса отработанных жидкостей, газа, конденсата и т.д.

-  обогревные, - предназначенные для подачи и отвода теплоносителя.

-  охлаждающие, - предназначенные для подачи и отвода хладагента.

-  вспомогательные, - предназначенные для подвода инертных веществ к импульсным проводкам, а также для подвода к приборам жидкостей и газов для их периодической промывки или продувки.

-  защитные, - защищающие электрические провода и кабели от механических воздействий, а также применяющиеся при прокладке электрических линий в пожароопасных помещениях.

 Выберем полипропиленовые трубы PN 10с внешним диаметром от 20 до 110 мм предназначены для монтажа систем холодного технического и водоснабжения, кондиционирования и другого вида трубопровода в зданиях промышленного и жилого назначения.

Технические свойства труб PN 10 согласно DIN 8077. Таблица 2.1

Наружный диаметр (мм) Толщина стенки (мм) Приблизительный вес 1 м. (кг)
20 1,9 0,107
25 2,3 0,158
32 2,9 0,240

Условия эксплуатации PN 10

Температура (С) Срок эксплуатации, годы Давление (бар)
20 50 12,9
40 50 9,2

Выбор трубы для реакционных газов

Трубы полиэтиленовые для газопроводов по СТБ ГОСТ Р 50838-


Таблица 2.2

Наименование полиэтилена SDR 17,6 SDR 13,6 SDR 11 SDR 9
ПЭ 80 Толщина стенки Вес 1 п/м, кг Толщина стенки Вес 1 п/м, кг Толщина стенки Вес 1 п/м, кг Толщина стенки Вес 1 п/м, кг
Номинальный наружный диаметр
20 2,3* 0,132 3,0* 0,162
40 2,3 0,281 3 0,353 3,7 0,427 4,5 0,507
50 2,9 0,436 3,7 0,545 4,6 0,663 5,6 0,79

Способы прокладки труб.

При прокладке трубопроводов под дорогами и другими препятствиями в принципе возможны два основных способа производства работ — открытый и закрытый.

При открытом требуется разрытие поперек дороги траншеи с повреждением дорожного покрытия и остановкой движения транспорта по ней на время прокладки труб. Все это, естественно, сопряжено с рядом неудобств для пассажиров, транспорта и, кроме того, влечет за собой удорожание работ, так как возникает необходимость восстановления дорожного покрытия и элементов благоустройства в месте перехода.

Более перспективными являются закрытые методы прокладки труб под дорогами, не требующие устройства траншей.

При прокладке труб бестраншейными способами вначале под дорогами устраивают защитные кожухи или футляры, а затем в них прокладывают сами рабочие трубопроводы. Чтобы это стало возможным, диаметр кожуха (футляра) должен быть большим, чем диаметр прокладываемого трубопровода (таблица 1).


Таблица 2.3 Требуемые диаметр и толщина стенок защитного кожуха (футляра)

Наружный диаметр, мм Толщина стенки защитного кожуха, мм, при способе прокладки
бестраншейном
рабочего трубопровода защитного кожуха открытом горизонтальное бурение продавливание и прокол
159         325         8             8             9
219         377         9             9             10

Для защитных кожухов (футляров) применяют стальные трубы: бесшовные горячекатаные, сварные прямошовные и спирально-шовные. Горячекатаные применяют только для кожухов переходов трубопроводов диаметром до 273 мм, а для трубопроводов больших диаметров используют обычно крупноразмерные сварные прямо- или спирально-шовные трубы.

Длину кожуха определяют исходя из ширины дорожного полотна (или дорожной насыпи) и рекомендуемых нормативных расстояний. Предохраняют кожухи от коррозии асбесто- или песчано-цементными, асфальтоцементобитумными, эпоксидными или полимерными антикоррозийными покрытиями, наносимыми на их поверхность.

 

2.1 Монтаж закладных изделий и первичных измерительных преобразователей

Монтаж закладных изделий и их установка определяются проектом автоматизации и должны предусматриваться в технической его части. Работы по врезке закладных изделий должны выполнятся организациями, выполняющими монтаж технологических трубопроводов и оборудования.

Монтаж первичных приборов производится непосредственно на технологическом оборудовании, сигналы через первичные преобразователи поступают на измерительные приборы.

Закладные конструкции. Монтаж приборов для измерения температуры на технологических трубопроводах и оборудовании выполняется, как правило, с помощью специальных закладных конструкций — бобышек. Бобышка приварная — это деталь, привариваемая к технологическому трубопроводу или аппарату, имеющая резьбу (или без резьбы) для закрепления первичного измерительного преобразователя.

Бобышки изготавливают в соответствии с отраслевым стандартом ГОСТ 36.7 — 74 «Бобышки и штуцера приварные для установки приборов и устройств автоматики», который распространяется на приварные бобышки и штуцера, являющиеся комплектующими деталями технологических трубопроводов и аппаратов с условным давлением жидкостей и газов до 40 МПа. Термометры расширения, термобаллоны манометрических термометров и термопреобразователи соединяются с бобышками, как правило, через установочные штуцера, которые иногда называют соединительными. Размеры и форму штуцера приборов для измерения температуры определяет ГОСТ 25164 — 82 «Приборы и устройства пневматические, электрические и гидравлические ГСП. Присоединительные размеры». По своим присоединительным размерам бобышки, изготавливаемые по ОСТ 36.7 — 74, полностью соответствует ГОСТ 25165-82.

По типу и параметрам приварные бобышки подразделяют на прямые: БП1 на Ру до 20 МПа; БП2 на Ру от 20 до 40 МПа; БПЗ на атмосферное давление; скошенные: БС1 на Ру до 20 МПа; БС2 на Ру от 20 до 40 МПа.

Бобышки всех типов по ГОСТ 36.7 — 74 могут иметь следующие размеры резьбы: M12xl,5; M20xl,5; М27 х 2; МЗЗ х 2; М39 х 2.

Бобышки в зависимости от типа имеют следующие высоты: БП1 — 55 и 100; БП2 — 50, 60 и 100; БПЗ-25; БС1, БС2-115 и 140 мм. Высоту бобышки выбирают в зависимости от толщины слоя изоляции технологического трубопровода или аппарата.

Для отличия одного типа бобышки от другого в технической документации всем бобышкам присвоены условные обозначения. Например, прямая бобышка на Ру до 20 МПа с резьбой М20 х 1,5 высотой 55 мм имеет обозначение БП1-М20-55, ОСТ 36.7-74.

Рекомендуемые области применения бобышек. Бобышки БП1 и БП2 служат для присоединения погружных элементов термометров расширения, термобаллонов, манометрических термометров, термопреобразователей сопротивления, преобразователей термоэлектрических и др.; бобышки БПЗ — для присоединения поверхностных термопреобразователей сопротивления и других преобразователей. Подчеркнем, что при монтаже приборов следует проверить соответствие материала бобышки материалу трубопровода или аппарата, для которых они предназначены, и качество их сварных соединений. Соответствие материала бобышки материалу трубопровода может быть установлено по маркировке бобышек, которая должна содержать размер резьбы, значение условного давления, группу стали по ГОСТ 356 — 68, товарный знак завода — изготовителя.

Способы монтажа. Способ монтажа прибора для измерения температуры на технологических трубопроводах или оборудовании зависит от диаметра трубопровода, конструктивных особенностей оборудования, места установки и габарита прибора.

Если диаметр трубопровода и длина чувствительного элемента прибора обеспечивают необходимую глубину погружения, то монтаж осуществляется непосредственно на трубопроводе с помощью прямой или скошенной бобышки. Если длина прибора значительно больше диаметра трубопровода, то применяют специальные устройства, увеличивающие в месте установки прибора диаметр трубопровода. Эти устройства могут иметь форму расширителя или стакана, изготовленного из трубы большего диаметра, с габаритами, удовлетворяющими условиям установки прибора.

Одним из основных условий установки прибора на технологическом трубопроводе, как уже было ранее отмечено, является соблюдение требуемой глубины погружения, от которой в значительной степени зависит точность измерения температуры. Глубина погружения прибора зависит от длины его монтажной части. Длина монтажной части I для прибора с неподвижным штуцером определяется как расстояние от рабочего конца до опорной площадки штуцера; для датчика с подвижным штуцером и без штуцера — как расстояние от рабочего конца до головки, а при отсутствии головки — до места заделки выводных концов. Таким образом, понятие «глубина погружения» прибора в технологический трубопровод определяется положением, которое занимает конец погружаемой части прибора ниже оси трубопровода. Как правило, конец погружаемой части в зависимости от типа прибора должен размещаться от 5 до 70 мм ниже оси трубопровода, по которому движется измеряемая среда. Соблюдение этого условия может быть достигнуто, как ранее было отмечено, путем применения бобышек разной длины и конструкции.

Бобышка (ЗК4-1-75). Установка на металлической стенке или трубопроводе D > 76 мм, давление среды Ру « 6,4 МПа:

1-бобышка по ОСТ 36.7-74 или ТК4-226-75; 2-легкоснимаемый слой изоляции; 3 — лунка; -/4— пробка по ТК4-229-69; 5 - прокладка по ТК4-556-68

Расширитель (ЗК4-2-75). Установка на трубопроводе D = 14-f-38 мм, Ру = 6,4 МПа:

1 — расширитель по ЗК4-29-75; 2 — легкоснимаемый слой изоляции; 3 — лунка; 4 — пробка по ТК4-229-69; 5 — прокладка по ТК4-566-6

Расширитель (ЗК4-3-75). Установка на трубопроводе D = 45 -г 67 мм, Ру = 10 МПа:

1 - расширитель по ЗК4-27-75; 2 - 5 - см. ЗК4-2-75

Расширитель (ЗК4-4-75). Установка на трубопроводе D = 45-ь76 мм, Ру sg 16 МПа: i - расширитель по ЗК4-28-75; 2-5 - см. ЗК4-2-75

Бобышка, скошенная под углом 45 ° (ЗК4-5-75). Установка на трубопроводе D < 76 мм или металлической стенке, Ру « 20 МПа:

1 - бобышка по ТК4-226-75 ; 2 - пробка по ТК4-229-69; 3 — прокладка no ТК4-566-68

Бобышка, скошенная под углом 30 ° (ЗК4-6-75). Установка на колене трубопровода Z) = 76-r-168 мм, Pv < 20 МПа:

Г-бобышка по ТК4-227-75; 2 и 3 - см. ЗК4-5-75

В зависимости от рассмотренных условий наибольшее распространение получили способы установки (монтажа) приборов для измерения температуры, приведенные в табл. 2.1.

Способ № 1, применяют тогда, когда приборы монтируют на горизонтальных участках трубопроводов диаметром более 76 мм. При этом длина монтажной части приборов может колебаться в пределах от 80 до 2000 мм. Для лучшего понимания технологии монтажа приборов каждый из приведенных в табл. 2.4 способов сначала иллюстрируется чертежами закладной конструкции (бобышки), а затем монтажным чертежом установки какого-либо конкретного прибора. Так, иа рис. 2.2,а, показана установка бобышки на горизонтальном участке трубопровода диаметром свыше 76 мм. Монтаж бобышки и тепловую изоляцию выполняют, как правило, организации, монтирующие технологическое оборудование.

Рис. 2.2. Установка бобышки на трубопроводе диаметром свыше 76 мм (а) и термометров расширения прямого (б) и углового (в): 1 — трубопровод; 2 — бобышка; 3 — прокладка; 4 — пробка; 5 — легкоснимаемый слой изоляции; 6 — защитная оправа; 7 — прибор; D — диаметр трубопровода; dt — диаметр отверстия в трубопроводе; S — толщина слоя изоляции; z—глубина погружения; L — высота бобышки

Таблица 2.1. Способы монтажа датчиков приборов для измерения температуры

Способ установки
№ 1 № 2 № 3 № 4 № 5 № 6
Наружный диаметр трубопровода D, мм, глубина погружения, мм
Свыше 76, от 80 до 2000 45 и 57, от 90 до 100 От 14 до 38, от 150 до 250 Свыше 76, от 160 до 500 Свыше 76, от 250 до 630 П оверхностный датчик

Учитывая, что установка приборов производится после завершения всех работ по монтажу технологического оборудования, бобышку 2 закрывают пробкой 4, что позволяет выполнять опрессовку трубопроводов без установленных приборов. Монтажные чертежи установки прямого и углового термометров расширения в загнутой оправе приведены .

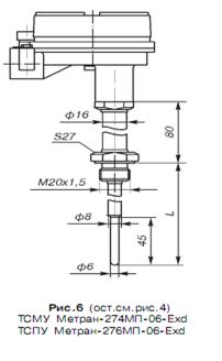
Рисунок 2.3 монтаж датчиков температуры ТСМУ274Exia

 

2.3 Монтаж щитов и пультов управления, способов их установки

Термины щитовой продукции:

Каркас – жесткий несущий объемный или плоский металлический остов, предназначенный для установки на нём панелей, стенок, дверей, крышек и монтажа приборов, аппаратов, электрических и трубных проводок и др.[1]

Шкаф – объемный каркас на опорной раме с установленными на ней панелью, стенками, дверью, крышкой.

Стойка – объемный или плоский каркас на опорной раме.

Панель с каркасом - объемный каркас на опорной раме с установленной на ней панелью.

Корпус пульта - объемный каркас с установленными наклонной столешницей, стенками, дверьми.

Щит шкафной – шкаф с установленными на унифицированных монтажных конструкциях, поворотной или стационарной раме аппаратурой, арматурой, установочными изделиями и с электрической и трубной проводками, подготовленными к подключению внешних цепей и приборов, устанавливаемых на объекте.

Щит панельный с каркасом – панель с каркасом с установленными на унифицированных монтажных конструкциях, поворотной или стационарной раме аппаратурой, арматурой, установочными изделиями и с электрической и трубной проводками, подготовленными к подключению внешних цепей и приборов, устанавливаемых на объекте.

Штатив – стойка с объемным каркасом и установленными на унифицированных монтажных конструкциях, аппаратурой, арматурой, установочными изделиями и с электрической и трубной проводками, подготовленными к подключению внешних цепей и приборов, устанавливаемых на объекте.

Штатив плоский – стойка с плоским каркасом и установленными на унифицированных монтажных конструкциях, аппаратурой, арматурой, установочными изделиями и с электрической и трубной проводками, подготовленными к подключению внешних цепей и приборов, устанавливаемых на объекте.

Панель вспомогательная и панель вспомогательная с дверьми – панели, предназначенные для оформления многопанельных каркасных щитов.

Панель декоративная – панель, предназначенная для декоративного оформления верхней части щитов панельных с каркасом, а также для монтажа элементов мнемосхем.

Вставка угловая – элемент, предназначенный для соединения двух смежных щитов или пультов, устанавливаемых под углом друг к другу.

Сокращения в условных обозначениях

Щ – щит, Ш – шкафной, ЩПК – щит панельный с каркасом, ЩШМ – щит шкафной малогабаритный, С – статив, СП – статив плоский, П – пульт, ПНП - пульт с наклонной приборной приставкой, ЗД – задняя дверь, ПЗД – передняя и задняя двери

О2 – открытый с двух сторон, ОП – открытый справа, ОЛ – открытый слева, ЗП – закрытый справа, ЗЛ – закрытый слева.

Если наименование заканчивается буквами ЗД, то щит закрытого исполнения, если ЩПК – открытый с двух сторон, цифры 2 и 3 – это количество секций.

PICTURES\1.bmp

Рисунок 2.4 - Структурная схема построения щитовых конструкций по ГОСТ 36.13-76

Выберем шкаф Gemini IP66


Выберем DIN рейку 1SL0290A00

Выбираем комплект для кабельной проводки

МОНТАЖ ЩИТОВ, ПУЛЬТОВ И СТАТИВОВ

До начала работ по монтажу щитов, пультов и стативов необходимо проверить строительную и технологическую готовность проектной отметки, к этому времени должны быть выполнены подготовительные работы, смонтированы металлоконструкции для установки малогабаритных щитов и плоских стативов. К таким металлоконструкциям относятся перфорированные, например Z-об-разные, профили для установки иа стене; хомуты для обвязки колонн; подставки для установки на полу. Целесообразность установки подставок до закрепления на них малогабаритных щитов определяется условиями монтажа, сложившимися на конкретном объекте. Указанные установочные металлоконструкции закрепляют либо на предварительно установленных закладных элементах, либо с помощью СМП, пластмассовых дюбелей или сваркой. Электрические и трубные проводки должны быть проложены и подведены к местам установки щитовых конструкций. Щиты должны быть размещены на площади установки так, чтобы исключалась необходимость дополнительных такелажных работ при их монтаже.

Конкретные места размещения щитовых конструкций обусловливают их установку на различных строительных основаниях (рис. 2.5). Особенности последних, а также конструкция опорных частей щитов, пультов и стативов определяют метод их закрепления (рис. 2.6). Существуют два основных метода закрепления: разборный и неразборный, характерные для большинства видов щитовых конструкций. Для плоских стативов и вспомогательных панелей применяют комбинированный метод, при котором опорная рама изделия приваривается к закладным элементам, а корпус изделия фиксируется резьбовыми соединениями.

Щитовые конструкции должны поставляться на объект в законченном для монтажа виде, а именно: с аппаратами и установочными изделиями; с внутренней электрической и трубной проводками, подготовленными к подключению внешних цепей, а также приборов, устанавливаемых на объекте; с конструкциями для установки и крепления приборов, аппаратов и подводимых электрических и трубных проводок; с крепежными изделиями для сборки и установки щитовых конструкций на объекте. В комплект поставки щитовой конструкции должны входить паспорт, чертеж общего вида с таблицами соединений и подключений, ключ от замка двери.


Рис 2.5 Классификация строительных оснований на которых монтируют щиты пульты и стативы.

Рис 2.6 методы закрепления щитов пультов и стативов к строительным основаниям.

При монтаже щиты, пульты и стативы должны быть установлены в вертикальное положение, перед закреплением их необходимо выверить по уровню и отвесу. Допустимое отклонение при этом не должно быть более 1° в любую сторону. Каркасы и вспомогательные элементы составных щитов должны быть скреплены между собой разъемными соединениями. Зазоры между соединяемыми поверхностями не должны превышать 2 мм на 1 м длины. Крепление каркасов и вспомогательных элементов смежных щитов, пультов, стативов между собой выполняют в два этапа после выверки по уровню и отвесу. На первом этапе выполняют предварительное совмещение (с помощью бородка) отверстий в стойках каркаса смежных щитов, стативов. Овальность отверстий позволяет, не вынимая бородка, вставить в это же отверстие винт, после чего наживить гайку для щитов ЩПК, ЩШ и стативов С; эту работу рекомендуется начинать с отверстий на задних стойках и верхней раме каркаса как наиболее доступных. На втором этапе после установки всех винтов последние равномерно затягивают.

Затяжку резьбовых соединений выполняют с помощью гаечных ключей и отверток. Применение для этих целей универсальных инструментов (пассатижей, плоскогубцев и т. п.) не допускается. Нарушенные контактные соединения должны быть восстановлены так, чтобы качество восстановленного соединения было идентично ненарушенному соединению. Следует также восстановить лакокрасочные покрытия в случае их повреждения при монтаже щитовой конструкции.

По окончании монтажных работ каждый щит, пульт или статив должен быть подвергнут тщательной приемке. В процессе последней необходимо проверить: комплектность щитовой конструкции; правильность ее размещения, крепления составных частей между собой и к закладным элементам; качество установки и крепления приборов, введенных кабелей и труб. Щитовые конструкции считают подготовленными к сдаче в эксплуатацию, если проведенные в полном объеме проверки дали положительный результат.

 

2.4 Монтаж исполнительных механизмов,з ащитных устройств и т. д.

Мембранные исиолиительные механизмы качающегося действия типа МИМ-К. Общий вид механизма данного типа изображен на рис. 2.7. Давление пневматического командного сигнала воспринимается резиновой мембраной 8, закрепленной между крышками 9. Деформируясь, мембрана через диск 7, втулку 5 и гайку б передает движение штоку 4, нижний конец которого перемещает рычаг 2, соединенный с регулирующим органом. Перемещению штока противодействует пружина 16, упирающаяся в гайку и в фасонную втулку 18 корпуса 17. Перемещения штока зависят от силы, развиваемой мембраной, которая компенсируется сжатием пружины. Положение штока контролируется по шкале на корпусе 17. Фасонная втулка 18 служит для регулировки числа рабочих витков пружины.[1]

Для повышения быстродействия, точности и создания дополнительных усилий на штоке мембранного механизма в случае по явления на затворе регулирующего органа больших неуравновешенных усилий служит позиционер 22.

Рис.2.7. Мембранные исполнительные механизмы качающегося действия МИМ-К: 1— шкала; 2 — рычаг; 3 — гайка регулировочная; 4 — шток; 5 — втулка; б — гайка; 7 — диск; 8 — мембрана; 9 — крышки (верхняя и нижняя); 10 — гайка накидная; 11, 15 — кольцо уплогнительное; 12— маховик; 13 — винт; 14 — корпус дублера; 16 — пружина; 17 —корпус; 18 — фасонная втулка; 19, 21 —серьга;20 —' тяга; 22 — позиционер.

Для управления механизмом в случае отсутствия сжатого' воздуха служит верхний ручной дублер, который состоит из корпуса 14, винта 13 и маховика 12. Пневматические камеры механизма уплотняются резиновыми кольцами 11 и 15. Трубки пневматического командного сигнала закрепляются гайкой 10.Рычажная система механизма состоит из деталей 19 — 21.

Дублер предназначен для управления вручную затвором регулирующего органа в случае аварийного отклонения сжатого воздуха. Дублеры также могут применяться для ограничения перемещения штока. Механизмы выпускаются с двумя видами ручных дублеров: боковыми и верхними. Комплектация ручными дублерами производится по специальному заказу.

2.5 Построение плана расположения электрических, трубных проводок

На этих схемах изображают прокладываемые вне щитов электрические провода, кабели, импульсные, командные, питающие, продувочиые и дренажные трубопроводы, защитные трубы, короба, лотки и металлору-кава с указанием их номера, типа (марок) и длин. На чертежах этих схем в виде условных обозначений в соответствии с действующими стандартами показываются:

отборные устройства и первичные преобразователи, встраиваемые в технологическое оборудование и трубопроводы;приборы и средства автоматизации, устанавливаемые вне щитов и пультов;щиты, пульты, стативы и т. п;

·  вспомогательные устройства (соединительные и протяжные коробки, фитинги, коробки свободных концов термопар и т. п.);

·  устройства заземления щитов, приборов и других токоприемников. Схемы внешних электрических и трубных проводок содержат также сведения, которые позволяют установить, на основании

·  какого чертежа следует выполнять установку прибора или щита на месте монтажа, их позиции по заказной спецификации и сводную спецификацию кабелей, проводов, соединительных и разветвленных коробок, труб и арматуры, предусмотренных данной схемой.

Наличие на монтажных чертежах изображений технологического оборудования и трубопроводов, а также приборов и средств автоматизации создает хорошую ситуационную картину и позволяет представить себе объект автоматизации в целом.

В качестве примера на рис. 2.8, а показаны (слева направо); общее обозначение щита, щит из нескольких панелей, коробка без зажимов, коробка с зажимами, пост кнопочный на две кнопки, пост кнопочный на три кнопки, общее обозначение разъемного соединения. Вообще любое оборудование может быть изображено прямоугольником, в который вписывают необходимый символ, номер или буквы, значения которых пояснены в примечаниях и таблицах.

Рис. 2.8. Обозначения щитов, пультов и других средств автоматизации, мест установки первичных приборов и отборных устройств, проводов, кабелей и их потоков, расположение осей отметок строительных конструкций.

Технологическое оборудование обозначают в виде контуров тонкими линиями, а номер позиции по спецификации технологической части проекта .

Средства автоматизации, относящиеся к системе автоматизации,, имеют номера позиций, состоящие из цифр и букв, например 1а и 446 на рис. 2.8,б. Отборные устройства, первичные приборы, датчики, встраиваемые в технологическое оборудование и трубопроводы, обозначают зачерненными точками без стрелок. Точки со стрелками (пояснения к рис. 2.8, е) имеют другое значение.

Средства автоматизации, относящиеся к технологической части, имеют номера позиций, содержащие только цифры без букв, на рис. 2.8, е. Позиции записывают на поле чертежа, не заключая в квадраты, прямоугольники, окружности и т. п., а выноски к позициям вычерчивают без полок.

Линии электрической связи (кабели, потоки проводов) изображают линиями различной толщины (рис. 2.8, г, з), которые могут разветвляться на несколько линий (рис. 2.8, д), пространство между которыми заштриховывают.

Линии, идущие на другие отметки, показаны на рис. 2.8, е. Слева направо изображены: линии, уходящая вверх, приходящая сверху и уходящая вниз, приходящая снизу и уходящая вниз, приходящая снизу и уходящая вверх.

Линии электрической связи маркируют арабскими цифрами без нулей (212, 214 — 217 на рис. 2.20, ж), либо заключают в прямоугольники (214 — 217), либо записывают над изображением линии связи (212).

Трубные линии связи имеют перед номером 0, например 021 (рис. 2.8, з).

Монтажные изделия и материалы имеют позиции по спецификации, которые записывают на полках линий-выносок (рис. 2.8, и).

Горизонтальные оси на строительных чертежах обозначают русскими прописными буквами, счет идет снизу вверх. Оси, расположенные на чертеже вертикально, нумеруют арабскими цифрами, счет — слева направо (рис. 2.8, к). Отметки отсчитывают от нулевой (0.00) и выражают в метрах. На рис. 2.8, л отметка + 2,84 лежит выше ( + ) отметки 0.00 на 2,84 м, а отметка — 0,42 расположена ниже (—) отметки 0.00 на 0,42 м. Расстояние между отметками 2,84 — ( - 0,42) = 3,26 м.

На рис. 2.8,ж показаны: прибор 50, вентиль 38, групповая линия связи, состоящая из четырех линий 214 — 217. Кабель 215 уходит вверх (точка со стрелкой), далее идут кабели 214 — 216 и 217, вливающиеся в групповую линию связи (лентообразная линия), в нее же входит кабель 212.

2.6  Синтез схем безопасности,сигнализации и заземления

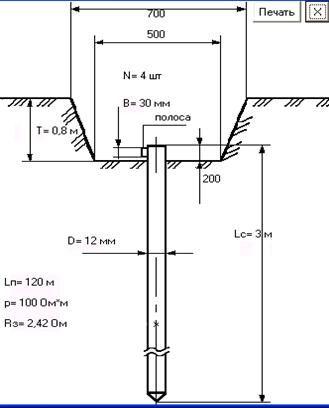
Расчитаем заземление

Необходимо произвести заземления обьекта,прямоугольного,

размером 20 на 40 м,грунт обычный, лессовидный ( r = 100 Ом*м).

При удельном сопротивлении земли r > 100 Ом*м допускается увеличивать указанные нормы в 0,01r раз,но не более десятикратного. Длина стержня Lc = 3м Диаметр стержня D = 12мм Глубина приямка T = 0,8 м Длина полосы (или периметр дома) Lп = 40+20+40+20 = 120 м Ширина полосы B = 40 мм, толщиной 4 мм Количество стержней, равномерно распределенных по периметру, берем N = 4 шт. Вводим данные (кнопка "Ввести данные") и производим расчет. При удельном сопротивлении земли p > 100 Ом*м допускается увеличивать Rобщ в 0,01p раз, но не более десятикратного).Берем лопату, кувалду, варку и приступаем к работе.Все соединения на сварке. Если общее сопротивление заземления не проходит (больше 4 Ом),то можно поменять значенияколичество вертикальных заземлителей и длины вертикальных стержней, а также и другие величины.


ВНИМАНИЕ:

Расчет может быть использован на практике только после подтверждения предприятиями, имеющими лицензию на проектирования заземлений.

В электроустановках до 1 кВ с глухозаземленной нейтралью или глухозаземленным выводом источника однофазного тока, а также с глухозаземленной средней точкой в трехпроводных сетях постоянного тока должно быть выполнено зануление. Применение в таких электроустановках заземления корпусов электроприемников без их зануления не допускается.В обоснованных случаях рекомендуется выполнять защитное отключение (для переносного лектроинструмента, некоторых жилых и общественных помещений, насыщенных металлическими конструкциями, имеющими связь с землей).

В качестве естественных заземлителей рекомендуется использовать:

1. проложенные в земле водопроводные и другие металлические трубопроводы, за исключением трубопроводов горючих жидкостей, горючих и взрывчатых газов и смесей, канализации и центрального отопления;

 2. обсадные трубы скважин;

3. металлические и железобетонные конструкции зданий и сооружений, находящиеся в соприкосновении с землей;

 4. металлические шунты гидротехнических сооружений, водоводы, затворы и т.

 5. свинцовые оболочки кабелей, проложенных в земле. Алюминиевые оболочки кабелей не допускается использовать в качестве естественных заземлителей. Если оболочки кабелей служат единственными заземлителями, то в расчете заземляющих устройств они должны учитываться при количестве кабелей не менее двух;

 6. заземлители опор ВЛ, соединенные с заземляющим устройством электроустановки при помощи грозозащитного троса ВЛ, если трос не изолирован от опор ВЛ;

 7. нулевые провода ВЛ до 1 кВ с повторными заземлителями при количестве ВЛ не менее двух;

8.рельсовые пути магистральных неэлектрофицированных железных дорог и подъездные пути при наличии преднамеренного устройства перемычек между рельсами.

Заземлители должны быть связаны с магистралями заземлений не менее чем двумя проводниками, присоединенными к заземлителю в разных местах. Это требование не распространяется на опоры ВЛ, повторное заземление нулевого провода и металлические оболочки кабелей.

Для искусственных заземлителей следует применять сталь.

 Искусственные заземлители не должны иметь окраски.

 Не следует располагать (использовать) заземлители в местах, где земля подсушивается под действием тепла трубопроводов и т. п.

Траншеи для горизонтальных заземлителей должны заполняться однородным грунтом, не содержащим щебня и строительного мусора.В качестве искусственных заземлителей допускается применение заземлителей из электропроводящего бетона.

В случае опасности коррозии заземлителей должно выполняться одно из следующих мероприятий:

· увеличение сечения заземлителей с учетом расчетного срока их службы;

· применение оцинкованных заземлителей;

· применение электрической защиты.

Синтез схем безопасности.

Наиболее характерные воздействия эл.тока на организм человека

1.пороговый ощутимый - это наименьшее значение ощутимого тока, т.е ток, вызывающий при прохождении через организм ощутимые раздражения.Его значения состовляет 0,6-1,5мА. При этом ток 0,63мА ощущает 1 человек из 1000, 1,59-999 человек из 1000, 1,11мА -500человек из 1000, т.е 50% людей

2.пороговый неотпускной- это наименьшее значение неотпускного тока, т.е тока, вызывающего при прохождении через человека непреодолимое судорожное сокращение мыщц руки, в которой зажат проводник. Его значение составляет 5-25мА. При этом ток 5,3мА является неотпускающим лишь 1 из 1000, 24,6мА -для999 из 1000 и 14,9мА для 500 т.е для 50% людей

3.пороговый фибрилляционный - это наименьшее значение фибрилляционного тока, т.е тока, т.е тока фызывающего при прохождении через организм фибрилляцию сердце. Состовляет 50-350мА. При этом токе 67мА вызывает фибрилляцию лиш у 1 из 1000, 367мА у 999 из 1000 и 157мА у 500 из 1000 человек.


3. Диагностика систем автоматизации

 

3.1 Определение физических параметров объекта, подлежащих измерению во время его диагностирования

Диагностика систем автоматизации является необходимой частью любого процесса. В последнее время производители средств автоматизации уделяют данной проблеме огромное значение. Для разрешения проблемы диагностики на уровне сетей в микропроцессорной технике разработана следующая методика. Прежде, чем подать запрос на получение информационного сигнала центральное устройство (ЦУ) “запускает” в сеть контрольный бит информации по всей системе. Таким образом проверяется работоспособность всей системы. Данный метод наиболее удобен при использовании связи по Ethernet и ей подобных сетях.[2]

Для обнаружения неполадок в коммуникационных линиях и определения неисправных линий замеряются характеристики всех линий (сопротивление, емкость между проводами, напряжение, сила тока в линии), эти характеристики заносятся в устройство слежения (которым может быть промышленный компьютер или контроллер), которое будет сравнивать их с текущими параметрами линии, определяя таким образом неполадки.

При необходимости диагностики трубопроводов в современной промышленности так же используется электрический сигнал. В трубопроводе укладываются провода, и замеряется емкость между ними. При возникновении разрывов или образовании различных наростов в трубопроводе эта емкость изменяется. Ее изменение регистрируется и определяется неисправная линия. При этом необходимо учитывать возможное изменение вышеизложенных величин при регулировании, поэтому в следящие устройства обязательно нужно подавать информацию о появлении и величине управляющего воздействия. Имеющиеся на сегодняшний день достаточно мощные вычислительные машины в состоянии обеспечивать такие функции, а соответственно и выполнять диагностику системы автоматизации на необходимом уровне.

Диагностика - это тестирование, выполняемое периодически для обнаружения скрытых дефектов, которые могут помешать системе защиты в осуществлении предписанных действий.

Скрытый дефект в системе может помешать ПАЗ отреагировать на требование защиты.

Этот отказ может быть единственным отказом в одноканальной системе, или комбинация дефектов в многоканальной системе. Следовательно, очень важно отслеживать не только критические отказы, но также и потенциально критические дефекты прежде, чем они накопятся. Дефекты могут закончиться двумя типами отказов:

Случайные отказы - спонтанный отказ компонента;

Систематические отказы (или ошибки) - скрытый дефект в конструкции или в реализации проекта.

ТЕХНИЧЕСКАЯ ДИАГНОСТИКА

ТЕРМИНЫ И ОПРЕДЕЛЕНИЯ

Таблица 3.1 [5]

Термин

Определение

Общие понятия

1. Объект технического диагностирования (контроля технического состояния)

Изделие и (или) его составные части, подлежащие (подвергаемые) диагностированию (контролю)

2. Техническое состояние объекта

Состояние, которое характеризуется в определенный момент времени, при определенных условиях внешней среды, значениями параметров, установленных технической документацией на объект

3. Техническая диагностика

Область знаний, охватывающая теорию, методы и средства определения технического состояния объектов

4. Техническое диагностирование

Определение технического состояния объекта.

Примечания:

1. Задачами технического диагностирования являются:

контроль технического состояния;

поиск места и определение причин отказа (ж исправности);

прогнозирование технического состояния.

2.Термин «Техническое диагностирование» применяют в наименованиях и определениях понятий, когда решаемые задачи технического диагностирования равнозначны или основной задач»

является поиск места и определение причин отказа (неисправности).

Термин «Контроль технического состояния применяется, когда основной задачей технического диагностирования является определение вида технического состояния.

5. Контроль технического состояния

Контроль

Technical state inspection

Проверка соответствия значений параметра объекта требованиям технической документации и определение на этой основе одного из заданных видов технического состояния в данный момент времени. Примечание. Видами технического состояния являются, например, исправное работоспособное. неисправное, неработоспособное и т.д. В зависимости от значений параметров в дат момент времени.

6. Контроль функционирования

Контроль выполнения объектом части-всех свойственных ему функций.

8. Прогнозирование технического состояния .

Technical state prediction

Определение технического состояния объекта с заданной вероятностью на предстоящим интервал времени.

Примечание. Целью прогнозирования технического состояния может быть определение заданной вероятностью интервала времени (ресурса), в течение которого сохранится работ способное (исправное) состояние объекта и. вероятности сохранения работоспособного (исправного) состояния объекта на заданный интервал времени.

9. Технический диагноз (результат контроля)

Результат диагностирования

10. Рабочее техническое диагностирование

Рабочее диагностирование

Диагностирование, при котором на объект подаются рабочие воздействия

11. Тестовое техническое диагностирование

Диагностирование, при котором на объект подаются тестовые воздействия

12. Экспресс-диагностирование

Диагностирование по ограниченному числу параметров за заранее установленное время

13. Средство технического диагностирования (контроля технического состояния)

Аппаратура и программы, с помощью которых осуществляется диагностирование (контроль)

14. Приспособленность объекта к диагностированию (контролепригодность)

Свойство объекта, характеризующее его пригодность к проведению диагностирования (кот роля) заданными средствами диагностирования (контроля)

15. Система технического диагностирования (контроля технического состояния)

Совокупность средств, объекта и исполнителей, необходимая для проведения диагностирования (контроля) по правилам, установленным в технической документации

16. Автоматизированная система технического диагностирования (контроля технического состояния)

Система диагностирования (контроля), обеспечивающая проведение диагностирования (контроля) с применением средств автоматизации и участием человека

17. Автоматическая система технического диагностирования (контроля технического состояния)

Система диагностирования (контроля), обеспечивающая проведение диагностирования (контроля) без участия человека

18. Алгоритм технического диагностирования (контроля технического состояния)

Совокупность предписаний, определяющих последовательность действий при проведении диагностирования (контроля)

19. Диагностическое обеспечение

Diagnosability provision

Комплекс взаимоувязанных правил, методов, алгоритмов и средств, необходимых для осуществления диагностирования на всех этапах жизненного цикла объекта

20. Диагностическая модель

Diagnostic model

Формализованное описание объекта, необходимое для решения задач диагностирования.

Примечание. Описание может быть представлено в аналитической, табличной, векторной, графической и других формах

21. Диагностический (контролируемый) параметр

Параметр объекта, используемый при его диагностировании (контроле)

Показатели и характеристики технического диагностирования

(контроля технического состояния)

28. Продолжительность технического диагностирования (контроля технического состояния )

Интервал времени, необходимый для проведения диагностирования (контроля) объекта

29. Достоверность технического диагностирования (контроля технического состояния)

Степень объективного соответствия результатов диагностирования (контроля) действительному техническому достоянию объекта

30. Полнота технического диагностирования (контроля технического состояния)

Характеристика, определяющая возможность выявления отказов (неисправностей) в объекте при выбранном методе его диагностирования (контроля)

31. Глубина поиска места отказа (неисправности)

Характеристика, задаваемая указанием составной части объекта с точностью, до которой определяется место отказа (неисправности)

32. Условная вероятность необнаруженного отказа (неисправности) при диагностировании (контроле)

Вероятность того, что неисправный (неработоспособный) объект в результате диагностирования (контроля) признается исправным (работоспособным)

33. Условная вероятность ложного отказа (неисправности) при диагностировании (контроле)

Вероятность того, что исправный (работоспособный) объект в результате диагностирования (контроля) признается неисправным (неработоспособным)

34. Условная вероятность необнаруженного отказа (неисправности) в данном элементе (группе)

Вероятность того, что при наличии отказа (неисправности) в результате диагностирования принимается решение об отсутствии отказа (неисправности) в данном элементе (группе)

35. Условная вероятность ложного отказа (неисправности) в данном элементе (группе)

Вероятность того, что при отсутствии отказ; (неисправности) в результате диагностирование принимается решение о наличии отказа (неисправности) в данном, элементе (группе)

 

3.2 Формулировка задачи определения неисправностей, выбор способа диагностирования

3.2.1 Формулировка задачи определения неисправностей

Диагностическое обеспечение должно закладываться на стадии проектирования, обеспечиваться на стадии производства и поддерживаться на стадии эксплуатации.

Определение технического состояния системы в ходе эксплуатации или после ремонта называют техническим диагностированием. С помощью технической диагностики предсказывают возможные отклонения в режимах работы и состояниях машин, аппаратов и устройств, а также разрабатывают методы и средства обнаружения и локализации неисправностей в системах. Различным нарушениям системы соответствуют определенные технические состояния. Техническим состоянием называют совокупность свойств системы, подверженных изменениям в процессе ее производства или эксплуатации. Эти свойства характеризуются признаками (требованиями, параметрами), устанавливаемыми нормативно-технической документацией на систему. Введение переменной состояния функционирования h позволяет каждому значению h ставить в соответствие определенное техническое состояние.

Совокупность средств, правил и алгоритмов диагностирования образует систему технического диагностирования (СТД).

Основные задачи диагностирования при проектировании - проверка соответствия разработанной системы исходному заданию на проектирование и обеспечение наилучшего режима и высокого качества диагностики системы на последующих этапах на предмет установления возможных отказов. Одновременно с проектированием системы создают СТД. Так как значительная доля аварий связана с ошибками при проектировании, а стоимость каждой пропущенной ошибки исключительно велика, то диагностированию необходимо уделять большое внимание.При изготовлении, монтаже и пуске систем техническое диагностирование - неотъемлемая часть выполняемых работ. Основная цель диагностирования на этих этапах - проверка работоспособности; возможны два технических состояния системы: работоспособное (hо) и неработоспособное. При ремонте с помощью диагностики можно выявить, содержит ли система дефектные элементы, действительно ли устранены все неисправности. Алгоритмы технического диагностирования должны обеспечивать требуемую достоверность результатов определения состояния системы.

При эксплуатации системы с помощью технического диагностирования определяют состояние функционирования (допустимое, предаварийное, аварийное), осуществляют поиск неисправности. Число состояний, различаемых в результате поиска неисправности, определяется глубиной поиска дефекта и требуемой достоверностью результатов диагностирования. Глубина поиска задается указанием элементов системы, с точностью, до которых определяют место неисправности. Достоверность результатов диагностирования - степень соответствия состояния, оцененного по этим результатам, истинному состоянию системы. Количественно достоверность характеризуется вероятностью совпадения оцененного и истинного состояний.

Результаты диагноза используют при прогнозе развития событий и поиске причин отказов, аварий и т.п. В первом случае предсказывают (прогнозируют) состояние системы, в котором она может оказаться в некоторый будущий момент времени. Например, реактор в настоящий момент находится в предаварийном состоянии; определяются его возможные переходы в другие состояния, и в первую очередь в аварийные. Во втором случае восстанавливают состояние, в котором система находилась в некоторый предшествующий момент времени. Это особенно важно при расследовании аварий, выявлении причин их возникновения. Определение состояний, предшествующих аварии, а следовательно, и первопричины ее возникновения, исключительно важно для недопущения подобных аварий в будущем и на аналогичных системах.

Роль технической диагностики возрастает с увеличением мощности и сложности систем, для которых интуитивные методы и ручные способы определения состояний непригодны. Задачи диагностики сложных систем решают с использованием ЭВМ в рамках АСУТП или автоматизированных систем диагностики (АСД).

Например, применительно к химико-технологическому комплексу АСД выполняет следующие функции:

- определение текущего состояния работоспособности, обнаружение предаварийных и аварийных состояний;

- локализация неисправностей до уровня отдельных аппаратов, элементов систем контроля, управления и защиты;

- регистрация моментов обнаружения неисправностей и их устранения;

- прогнозирование значений переменных химико-технологических процессов в различных состояниях работоспособности;

- прогнозирование предельного значения времени восстановления работоспособности системы;

- регистрация фактического времени восстановления работоспособного состояния;

- отображение оперативной информации о неисправностях на экране дисплея оператора;

- запись, накопление и хранение на магнитных дисках информации о неисправностях;

- выдача накопленной информации о неисправностях системы.

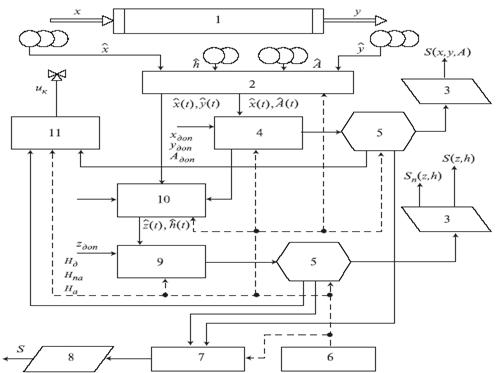
АСД, с помощью которой решают данные задачи, может быть реализована, например, на ЭВМ. На основе АСД строится автоматизированная система обеспечения безаварийности. Схема АСД приведена на рис. 3.1. Данная система осуществляет текущий контроль входных х, выходных у, переменных и параметров А объекта химической технологии.

После преобразования сигналов от датчиков в унифицированную форму (блок 2) значения x(t), y(t),A(t) сопоставляют с допустимыми для нормальной работы (блок 4), т.е. проверяют выполнение условий x(t) Хдоп, y(t) Yдоп, A(t) Адоп, где Хдоп, Yдоп, Адоп - области допустимых значений соответственно х, y, А. Если какое-либо условие не выполняется, то в блоке 5 принимается решение о выдаче сигнала тревоги S(х, у, А), а также выработке корректирующих воздействий управляющими устройствами (блок 11). В блоке 10 по данным о x(t), y(t), а иногда и отдельных значений h(t), оценивают вектор фазовых координат z(t) и переменную состояния функционирования h(t). Значения z(t) и h(t) сопоставляют с допустимыми (блок 9), т.е. проверяют условия z(t) Zдоп, h(t) Нд. В блоке 5 анализируется текущее состояние системы в случае опасности и выдается сигнал предупреждения Sп(z, h) или тревоги, S(z, h) блоком 3. Блоком 7 производится диагностика имеющихся нарушений, а блоком 6 - проверка работоспособности системы обеспечения безаварийности с помощью специальных тестов.

Важное место в автоматизированных системах диагностики (АСД) занимают приборы для контроля физико-химических параметров веществ, прежде всего газоанализаторы, ализаторы жидкостей и создаваемые на их основе сигнализаторы. Например, сигнализатор наличия горючих газов в воздухе калибруют на один из газов (метан, циклогексан, пропан, этиловый спирт, дивинил, метиловый спирт, бензол, этилацетат, пропилен, стирол и др.).

Рис. 3.1. Схема автоматизированной системы диагностики: 1 - объект; 2 - первичные преобразующие и обрабатывающие устройства; 3 - сигнал тревоги; 4 - сопоставление с интервалами, допустимыми для нормальной работы; 5 - анализ и принятие решения; 6 - проверка работоспособности системы; 7 - диагностика нарушения; 8 - сигнал о нарушении; 9 - сопоставление с интервалом Zдоп и подмножествами состояний Нд, Hпа, Ha; 10 - оценка переменных состояния z, h; 11 - коррекция управляющих воздействий


3.2.2 Выбор способа диагностирования.

Классификация методов технического диагностирования при эксплуатации системы и в нерабочем состоянии показана на рис. 3.2

Рис. 3.2. Методы, технического диагностирования

При эксплуатации технических систем наиболее распространено функциональное и тестовое диагностирование (рис. 3.2).

В первом случае состояние системы определяют по результатам текущего контроля за входными х и выходными у переменными. Во втором случае на систему подают специальные тестовые воздействия хт.

Рис. 3.3. Структурные схемы диагностирования: а - функционального; б - тестового


Для технологического оборудования производств используют в основном функциональное диагностирование, для автоматических устройств контроля, управления и защиты применяют оба вида диагностирования, вычислительные средства, программное обеспечение проверяют с помощью тестов. При тестовом контроле на вход проверяемого устройства подаются специально подобранные совокупности входных воздействий (проверяющие тесты). Полученную на выходе реакцию сравнивают с эталонной. Если они совпадают, то устройство на момент контроля находится в работоспособном состоянии. В противном случае устройство неисправно, и подаются диагностические тесты для установления места, причины и вида неисправности. Разработаны специальные методы построения оптимальных тестов, позволяющих за минимальное время проверять работоспособность устройства в целом, а также алгоритмы автоматического решения задач синтеза проверяющих и диагностических тестов. Тесты разрабатывают одновременно с проектированием объекта.

Тестовое диагностирование

Тест[3] (англ. test — проба, испытание, исследование) — задание с известным решением, предназначенное для проверки качества системы. Задача построения теста состоит в том, чтобы найти такую совокупность и последовательность входных воздействий, при подаче которой на объект диагностирования получаемые ответы объекта в заданных контрольных точках позволяют делать заключение о его техническом состоянии. Проверяющие тесты предназначены для проверки исправности или работоспособности объекта, а тесты поиска дефектов — для указания места и, возможно, причин дефектов, нарушающих исправность и работоспособность объекта диагностирования. Для дискретных объектов тесты (их алгоритмы) строятся либо по структурным, либо по функциональным моделям. Тесты могут быть как строго определенными (детерменированными) так и вероятностными (псевдослучайные входные воздействия также относятся к последним). В качестве тестовых могут быть использованы входные воздействия, являющиеся рабочими при применении системы по назначению. Такие тесты называют функциональными. Однако необходимо помнить, что функциональные тесты пригодны только для проверки работоспособности объектов, так как обеспечиваемая ими полнота обнаружения и глубина поиска дефектов явно недостаточны для проверки исправности и поиска дефектов. Другой стороной тестового диагностирования являются задачи выбора и разработки средств реализации тестов. Средства тестового диагностирования содержат две основные части — генератор тестовых воздействий и анализатор ответов объекта на тестовые воздействия. Чаще всего генератор и анализатор функционально и конструктивно выполняют отдельно друг от друга. Генератор хранит и создает (генерирует) тесты и подает их на объект диагностирования. Анализатор хранит полученные ответы, сравнивает фактические ответы с ожидаемыми и выдает результат — диагноз. Часто анализатор представляет собой совокупность эталона (исправная копия объекта) и схему сравнения. Также часто часть функций генератора и анализатора возлагается на человека.

Функциональное диагностирование

Функциональное диагностирование может осуществляться как непрерывно, так и периодически или эпизодически. При функциональном диагностировании необходимо четко определить:

– понятия исправности, работоспособности, правильности функционирования по отношению к конкретным функциям и условия применения объекта;

– типы и перечни дефектов, подлежащих обнаружению и поиску при диагностировании;

– распределение задач диагностики по периодам жизненного цикла объекта;

– алгоритм функционального диагностирования и его виды;

– глубину функционального диагностирования;

– средства (аппаратурные, программные, автоматические или ручные, специализированные или универсальные, внешние или встроенные) функциональной диагностики.

Для формирования алгоритмов систем функционального диагностирования (СДФ) используются математические модели, как самого объекта, так и его неисправностей. Устанавливается связь между степенью развития неисправностей и дефектов и поведением измеряемых нужных параметров. Как правило математические модели (ММ) элементов системы — это совокупность дифференциальных и алгебраических уравнений, эмпирические формулы, таблицы, графики, описывающие элемент, а также связи между внутренними и внешними управляющими и возмущающими параметрами. Различают ММ с заложенной в них информацией об неисправности, так и без нее.

 

3.3 Определение глубины поиска неисправностей, выбор технических средств

3.3.1 Определение глубины поиска неисправностей

Глубина поиска неисправностей

Для численной оценки глубины поиска неисправностей, которую можно получить при диагностировании, применяются различные формулы.

Рассмотрим три оценки, отражающие различные стратегии ремонта.

R = pj mj – разрешающая способность диагностирования.

N(I) =pj gj – риск оператора.

H = pj log2m j – энтропийный показатель.

В приведенных формулах pj – вероятность неисправности sj Î S (j = 1,..., r); mj – среднее число неисправностей в СПН при наличии неисправности sj; I – заданная последовательность анализа неисправностей в СПН; gj – среднее число неисправностей, анализируемых в СПН до неисправности sj.

Общим для всех анализируемых критериев является то, что с уменьшением их значений увеличивается глубина поиска неисправности. Это означает, что из множества анализируемых вариантов оптимальным является тот, для которого получено минимальное значение. Процессы диагностирования и ремонта объектов на практике могут осуществляться по-разному. Ограничимся рассмотрением двух наиболее распространенных способов реализации этих процессов. Первый из них заключается в определении СПН и замене всех компонентов, связанных с неисправностями из СПН. Заметим, что некоторые из заменяемых компонентов могут быть исправными, например, в силу неразличимости неисправностей или из-за несовершенства теста. При этом, очевидно, трудоемкость и экономичность такого способа определяется мощностью СПН. Нетрудно заметить, что данный способ полностью согласуется с критерием R. Действительно, разрешающая способность диагностирования численно равна среднему числу неисправностей в одном СПН, и, следовательно, оптимизация по критерию R ведет к уменьшению числа устанавливаемых в процессе диагностирования и устраняемых в процессе ремонта дефектных компонентов объекта.

Смысл критериев достаточно прост. Значение R, названного разрешающей способностью диагностирования, численно равно среднему числу неисправностей в одном СПН и находится в пределах от 1 (все неисправности различимы) до r (все неисправности неразличимы). Этот критерий соответствует такой технологии ремонта, когда после формирования СПН заменяются все подозреваемые на неисправность компоненты. Значение критерия N(I), названного риском оператора, равно среднему числу неисправностей в одном СПН с номерами, меньше номера фактической неисправности объекта. Это значение изменяется от 0 (все неисправности различимы) до (r – 1)/2 (все неисправности неразличимы).

Второй критерий (в отличие от первого) предполагает, что замене подлежат только неисправные компоненты. Для этого необходимо после нахождения СПН уточнить место фактической неисправности объекта. На практике определение фактической неисправности может заключаться в поочередном просмотре элементов СПН до тех пор, пока неисправность не будет установлена. При этом просмотр неисправностей осуществляется в некотором заданном порядке, например, в порядке возрастания схемных номеров подозреваемых на неисправность элементов. Значение N численно равно среднему числу неисправностей из СПН, которые необходимо проанализировать оператору для точного установления неисправного элемента.

Критерий H численно равен среднему числу шагов, за которое можно выделить любую неисправность в СПН путем последовательного деления (на каждом шаге) множества неисправностей СПН пополам. Если определение фактической неисправности из СПН выполняется именно таким образом и затраты на реализацию каждого шага (деления множества неисправностей пополам) равноценны, то оценку качества теста целесообразно проводить с использованием критерия H. Его значение равно среднему значению логарифма по основанию 2 от числа неисправностей в одном СПН и находится в пределах от 0 (все неисправности различимы) до log2 r (все неисправности неразличимы).

Остановимся более подробно на правилах вычисления R, N(I) и Н. В их формулы входят аргументы mj и gj, которые, в свою очередь, могут быть вычислены по формулам:

mj = и gj =,

где mij – вероятность включения si в СПН при наличии в ОД неисправности sj Î S;

 Cj – список неисправностей, перечисленных в СПН до sj (например, пусть СПН = {s5, s4, s3, s2, s1}, тогда C3 = {s5, s4 }.

Таким образом, для вычислений всех рассматриваемых оценок необходимо уметь вычислять mij.

Рассмотрим правила вычисления значения mij. Они аналогичны тем, которые применялись при вычислении вероятности mk (то есть вероятности непроверки неисправности sk, использовавшейся для оценки полноты контроля)..

 

Выбор технических средств диагностирования

Таблица 3.2 [5]

Виды средств технического диагностирования

(контроля технического состояния)

22. Встроенное средство технического диагностирования (контроля технического состояния)

Средство диагностирования (контроля), являющееся составной частью объекта

23. Внешнее средство технического диагностирования (контроля технического состояния)

Средство диагностирования (контроля), выполненное конструктивно отдельно от объекта

24. Специализированное средство технического диагностирования (контроля технического состояния)

Средство, предназначенное для диагностирования (контроля) одного объекта или группы однотипных объектов

Технические средства диагностики

Средства, с помощью которых осуществляется диагностирование технического состояния объекта, называются техническими средствами диагностирования [7]. Средства могут быть аппаратурными или программными, внешними или встроенными, ручными, автоматизированными или автоматическими, специализированными или универсальными и т.д. В качестве средств диагностирования может выступать оператор — человек, контролер, наладчик. Выбор и разработка средств тестового диагностирования должны осуществляться с учетом многих факторов: наличия серийного выпуска требуемых средств, наличия подходящих средств на заводе-изготовителе, массовости выпуска объекта и его сложности, требуемых качеств средства (точности, производительности, надежности и т.д.).

Средства функциональной диагностики являются, как правило, встроенными и создаютя одновременно с объектом. Для сложных объектов существенными становятся проблемы повышения контролепригодности. Контролепригодность — свойство объекта, характеризующее его приспособленность к проведению контроля заданными средствами (ГОСТ 19919—74). Уровень контролепригодности объектов определяет степень эффективности решения задач тестового диагностирования их технического состояния, влияет на производительность процесса их производства и качество. При эксплуатации уровень контролепригодности определяет их коэффициент готовности и затраты, связанные с ремонтом. Коэффициент готовности — показатель надежности ремонтируемых объектов, характеризующий вероятность того, что объект будет работоспособен в произвольно выбранный момент времени в промежутках между выполнениями планового технического обслуживания.

Кг = Т/(Т+Тв),

где Т — наработка на отказ; Тв — среднее время восстановления работоспособности.

Вместе с тем дополнительные технические средства диагностирования делают объект более дорогим и менее надежным и тоже должны диагностироваться. Контролепригодность обеспечивается преобразованием структуры проверяемого объекта к виду, удобному для проведения диагностирования. Для этого в объект еще на этапе его проектирования и конструирования вводят дополнительные элементы (аппаратуру) — встроенные средства тестового диагностирования. К встроенным средствам тестового диагностирования можно отнести:

– дополнительные контрольные точки;

– дополнительные входы для блокировки сигналов и задания требуемых значений сигналов;

– аппаратные средства, которые при диагностике изменяют структуру объекта;

– аппаратные средства, которые генерируют тесты и анализируют результаты.

– метод временных интервалов;

– метод контрольных осциллограмм;

– метод контроля параметров.

Например используються такие диагностические комплексы.

1.Блок диагностики работает с любой ПЭВМ типа IBM, имеющей ОЗУ не менее 32 Мбайт и VGA монитор.

рис 3.4 Блок диагностики

В состав блока диагностики входит:

Программируемый контроллер: Число каналов канала ввода-вывода - 192 (144, 96)- Уровни сигналов ТТЛ, КМОП.- Максимальный уровень логической единицы 15V.

- Максимальный уровень логического нуля в режиме вывода: 0,4V в режиме ввода: 0,8V.- Максимальный ток при уровне логического нуля,в режиме вывода: 40 mA в режиме ввода: 0,8 mA,Зонд логический (IN-ZOND)- одноканальный логический анализатор,Зонд генератор (OUT-ZOND), реализующий метод внутрисхемного тестирования,Зонд аналоговый (VI-ZOND) - анализатор вольтамперных характеристик

Блок питания (.+5V -20A, ..+12V - 8A, ..-5V - 0,5A, -12V - 0,5A).

 

3.4 Построение диагностических диаграмм поиска неисправностей

Нарисуем диагностическую диаграмму нашего объекта

Возможный дефект Возможные причины глубина Способ обнаружения Способ устранения
1 Объект не включен Отключено питание 1 Визуальный Включить
2 Сгорел предохранитель 1 Внешний осмотр Заменить

Диагностическая диаграмма будет выглядеть следующим образом


4. Эксплуатация объекта автоматизации

4.1 Текущая эксплуатация объекта автоматизации (комплекс мероприятий по текущему обслуживанию ТО) и планово предупредительному ремонту(ППР)

Своевременное проведение профилактических работ, регулировок, замены вышедших из строя элементов обеспечивает продолжительную работу электрооборудования. Периодические испытания, статистический учет отказов и их анализ позволяют установить наиболее оптимальные сроки ремонтов оборудования, что продлевает сроки его эксплуатации [7].

Эксплуатацию электрооборудования технологических установок осуществляют ремонтные службы предприятия, исходя из задач обеспечения безотказной работы их на основе системы проведения планово-предупредительных ремонтов (ППР). Система ППР базируется на систематических осмотрах, при которых выявляются неисправности электрооборудования, и устанавливается необходимость его ремонта, а также периодических ремонтных работ. Система ППР включает следующие виды работ: текущий уход (межремонтное обслуживание), малый, средний и капитальный ремонты.

В обслуживание элетрооборудования входят наблюдение за выполнением правил его эксплуатации, периодические осмотры и проведение профилактических работ. При эксплуатации электрооборудования ремонтный персонал получает задание, оформленное нарядом, в котором указывается оборудование, подлежащее осмотру, и виды выполняемых профилактических работ. Как правило, периодические осмотры проводят не реже одного раза в месяц. Основные мероприятия, выполняемые при обслуживании электрооборудования, приведены ниже.


Оборудование и Мероприятие

Электродвигатели: Проверка крепления электродвигателя, свободного вращения ротора, исправности заземления, состояния щеток, отсутствия ненормальных шумов, надежности крепления на валу соединительных муфт, нагрева корпуса и подшипников, состояния устройств охлаждения

Замена смазки в подшипниках, очистка корпуса от пыли и загрязнения

Рубильники и автоматы: Проверка исправности заземления и защитных кожухов, надежности крепления, оплавления контактов, исправности органов включения. Очистка контактов от нагара и окисления, а также пыли и загрязнения

Реле электроавтоматики: Проверка крепления, наличия маркировки выводов, видимых повреждений, нагрева катушки, посторонних шумов при работе. Очистка от пыли и промывка контактов

Контакторы и магнитные пускатели : Контроль отсутствия видимого повреждения аппарата и перекосов контактов, проверка нагрева катушки, посторонних шумов при работе, оплавления контактов, маркировки выводов. Очистка от пыли и загрязнения, протяжка крепежных деталей, смена вышедших из строя контактов

Путевые и конечные выключатели: Проверка крепления к конструкциям, отсутствия повреждения корпуса и уплотнителей, плотности прилегания крышки, наличия маркировки, свободного хода подвижной системы. Очистка корпуса от загрязнения

Фотодатчики: Проверка крепления, отсутствия повреждения корпуса, наличия маркировки. Очистка оптической системы от грязи, замена лампочек, протирка корпуса

Электропроводка: Проверка отсутствия повреждений, закрепления в зажимах, состояния защитных металлорукавов, труб, желобов, фиксирующего крепежа. Протирка.

Электрошкафы :Проверка исправности запоров, уплотнителей, работоспособности встроенных вентиляторов, маркировки. Очистка от пыли и загрязнения внешней и внутренней поверхностей шкафа, замена фильтров вентилятора

4.2 Ремонт объекта автоматизации (мероприятия согласно малому, среднему и капитальным ремонтам).

Одним из условий эффективной организации работы любого предприятия является наличие отлаженного механизма выполнения ремонтных работ. Чем ниже удельный вес расходов на ремонт, обслуживание и содержание оборудования в себестоимости продукции, тем выше эффективность производства и самого ремонтного хозяйства. Для предупреждения нерациональных потерь в производстве и сокращения затрат на ремонт служит система планово-предупредительного ремонта.

Системой планово-предупредительного ремонта называется совокупность различного вида работ по техническому уходу и ремонту оборудования, проводимых по заранее составленному плану с целью обеспечения наиболее эффективной эксплуатации оборудования.

Таким образом, работы по уходу, надзору, обслуживанию и ремонту оборудования с целью предотвращения нарастающего износа, предупреждения аварийных ситуаций и, как следствие, поддержания оборудования в постоянной готовности к работе является сущностью системы планово-предупредительного ремонта. В ее основе заложены работы по техническому обслуживанию оборудования и по выполнению плановых ремонтов – текущих, средних и капитальных.

Техническое обслуживание включает работы по осмотру оборудования, проверке на точность, промывке, смазке и т.д. Эти виды работ выполняются по заранее составленному графику и носят апериодический характер с четко выраженной повторяемостью.

Плановые ремонты по содержанию выполняемых работ, трудоемкости и периодичности подразделяются на текущий, средний и капитальный.

Текущий ремонт осуществляется в процессе эксплуатации оборудования путем замены отдельных деталей, частей с последующей проверкой на точность, центровкой и т.п.

Средний ремонт носит более расширенный и углубленный характер, поскольку связан с заменой основных деталей, узлов, трущихся поверхностей.

Капитальный ремонт представляет собой самый трудоемкий, длительный и дорогостоящий процесс, связанный с полной заменой основных деталей, узлов, разборкой двигателей, трансформаторов. Капитальный ремонт, как правило, сопровождается снятием оборудования с фундамента, с последующей сборкой и испытанием.

Система планово-предупредительного ремонта строится на использовании следующих нормативов:

• ремонтные циклы и их структура;

• длительность межремонтных периодов и периодичность технического обслуживания;

• категории сложности ремонта;

• нормативы трудоемкости;

• нормы запаса деталей и оборотных узлов.

Под ремонтным циклом следует понимать время между двумя капитальными ремонтами, а первый ремонтный цикл начинается с ввода оборудования в эксплуатацию до первого капитального ремонта. В этот промежуток времени включается выполнение всех мероприятий по техническому обслуживанию и всех видов ремонтов. Очередность их выполнения может быть представлена следующей примерной схемой:

КР – ТО – ТО – МР1 – ТО – МР2 – ТО – СР – ТО – ТО – МР3 – ТО – КР,

где КР – капитальный ремонт; СР – средний ремонт; МР – малый ремонт; ТО – техническое обслуживание.

При составлении ремонтного цикла необходимо учитывать различные факторы: тип производства, вид и свойства обрабатываемых материалов, эксплуатационные условия, квалификация персонала, степень загрузки оборудования.

Зная основные повреждения, возникающие в электрических машинах, можно быстро их устранить и продлить срок службы машин.

 

4.3 Метрологический надзор за средствами измерений (проверка, ревизия и экспертиза)

Важнейшей формой государственного надзора за измерительной техникой является государственная (и ведомственная) поверка средств измерений, служащая для установления их метрологической исправности.

Средства измерений подвергаются первичной, периодической, внеочередной и инспекционной поверкам[6].

Первичная поверка проводится при выпуске средств измерений в обращение из производства или ремонта.

Периодическая поверка проводится при эксплуатации и хранении средств измерений через определенные межповерочные интервалы, установленные с расчетом обеспечения метрологической исправности средств измерений на период между поверками.

Если необходимо удостовериться в исправности средств измерений при проведении работ по корректированию межповерочных интервалов, при повреждении поверительного клейма, пломбы или утраты документов, подтверждающих прохождение средством измерения периодической поверки, а также в ряде других случаев проводится внеочередная поверка средств измерений, причем сроки ее проведения назначаются независимо от сроков периодических поверок.

Инспекционная поверка проводится для выявления метрологической исправности средств измерений, находящихся в обращении; при проведении метрологической ревизии в организациях, на предприятиях и базах снабжения.

Обязательной государственной поверке подлежат:

средства измерений, применяемые органами государственной метрологической службы;

образцовые средства измерений, применяемые в качестве исходных в метрологических органах министерств и ведомств;

средства измерений, применяемые при учете материальных ценностей, взаимных расчетах и торговле;

средства измерений, связанные с охраной здоровья трудящихся и техникой безопасности;

средства измерений, применяемые при государственных испытаниях новых средств измерений;

средства измерений, результаты которых используются при регистрации официальных спортивных международных и национальных рекордов.

Так, например, к рабочим средствам измерений, подлежащим обязательной государственной поверке, относятся: весоизмерительные приборы, расходомеры, счетчики электроэнергии, газа, нефтепродуктов и воды, топливо- и маслораздаточные колонки и ряд других приборов, применяемых для учета и в торговле; шумомеры; дозиметры; рентгенометры и тонометры, медицинские термометры и другие приборы, служащие для охраны здоровья трудящихся; радиометры, измерители напряженности поля СВЧ, газоанализаторы и другие измерительные приборы, обеспечивающие безопасность работ, и т.п. Все остальные средства измерений подлежат обязательной ведомственной поверке.

Сроки периодических поверок (межповерочные интервалы) устанавливаются и корректируются метрологическими подразделениями предприятий, организаций и учреждений, эксплуатирующих средства измерений с таким расчетом, чтобы обеспечить метрологическую исправность средств измерений на период между поверками. Начальный межповерочный интервал устанавливается при государственных испытаниях средств измерений.

Поверка средств измерений должна осуществляться в соответствии с действующими государственными стандартами на поверочные схемы, методы и средства поверки. Положительные результаты поверки удостоверяются: а) наложением на средства измерений поверительного клейма установленного образца; б) выдачей свидетельства о поверке.

Метрологическая ревизия заключается в поверке состояния средств изменений и выполнения правил их поверки. Результаты метрологической ревизии оформляются актом, содержащим конкретные результаты проверки, а также предложения по изъятию средств измерений, признанных непригодными к применению, и предложения по устранению обнаруженных недостатков с указанием сроков.

 

4.4 Построение графика ТО, ППР и других видов ремонта для основных блоков и узлов объекта автоматизации

Приложение 3.Таблица 3 [7]


Заключение

Монтаж приборов контроля, аппаратуры автоматического регулирования и управления является одним из наиболее технически сложных разделов монтажных работ.

В данной курсовой работе были рассмотрены основные этапы монтажных работ. Были составлены ведомость физических объемов работ, сетевой график монтажных работ. Была проведена диагностика проектируемой системы.

Современные методы монтажных работ систем автоматики основаны на максимальной индустриализации и специализации выполняемых работ.

Индустриализация заключается в использовании стандартных и нормализованных изделий изготавливаемых серийно или в массовом масштабе. В этом случае монтаж осуществляется крупными блоками и узлами, что позволяет механизировать и сократить объем работ непосредственно на месте монтажа.


Список использованной литературы

1. Монтаж средств измерения и автоматизации под ред. Клюева А С, М: Энергоатомиздат, 1988.- 226 с.

2. Минаев К. А.”Монтаж систем контроля и автоматики”, Л: Наука, 1982-г С. 88-91.

3. Молчанов Л. Г. “Монтаж и наладка автоматических устройств”, М: Энергоатомиздат, 1991. г С. 55—57.

4. Минаев П. В. “Монтаж систем контроля и автоматики”, М: Стройиздат, 1990г.

5.ГОСТ 20911-89

6.Лекции по метрологии

7.Лекции по организации производства


© 2012 Рефераты, доклады и дипломные работы, курсовые работы бесплатно.