рефераты
Главная

Рефераты по международному публичному праву

Рефераты по международному частному праву

Рефераты по международным отношениям

Рефераты по культуре и искусству

Рефераты по менеджменту

Рефераты по металлургии

Рефераты по муниципальному праву

Рефераты по налогообложению

Рефераты по оккультизму и уфологии

Рефераты по педагогике

Рефераты по политологии

Рефераты по праву

Биографии

Рефераты по предпринимательству

Рефераты по психологии

Рефераты по радиоэлектронике

Рефераты по риторике

Рефераты по социологии

Рефераты по статистике

Рефераты по страхованию

Рефераты по строительству

Рефераты по таможенной системе

Сочинения по литературе и русскому языку

Рефераты по теории государства и права

Рефераты по теории организации

Рефераты по теплотехнике

Рефераты по технологии

Рефераты по товароведению

Рефераты по транспорту

Рефераты по трудовому праву

Рефераты по туризму

Рефераты по уголовному праву и процессу

Рефераты по управлению

Реферат: Усилитель приемной антенной решетки

Реферат: Усилитель приемной антенной решетки

Министерство образования Российской Федерации.

Томский государственный университет систем

управления и радиоэлектроники (ТУСУР)

кафедра радиоэлектроники и защиты информации (РЗИ)

Усилитель приемной антенной решетки.

Пояснительная записка к курсовой работе по дисциплине

“Схемотехника АЭУ”

РТФ КП 468740.009 ПЗ

 Выполнил: студент гр.148-3

________ Вахрушев С.С.

“____”___________2001г

Руководитель: доцент кафедры РЗИ

___________ Титов А.А.

“____”___________2001г

Томск 2001

РЕФЕРАТ

В курсовой работе производился расчет усилителя фазированной антенной решетки на биполярных транзисторах.

Цель работы – приобрести необходимые навыки расчета усилительных устройств на основе биполярных транзисторов.

В процессе проектирования производился расчет элементов принципиальной схемы усилителя, которые обеспечивают необходимый режим работы транзисторов, а также расчет элементов схемы термостабилизации и цепей коррекции.

Получена принципиальная схема усилителя приемной антенной решетки, которая может быть реализована на практике и применена в реальных системах радиолокации.

 Курсовая работа выполнена в текстовом редакторе Microsoft Word 7.0. Схемы и рисунки выполнены в графическом редакторе Paint Brush.

Задание

Исходные данные для проектирования:

1) Диапазон рабочих частот 100 – 1000 МГц

2) Допустимые частотные искажения МН = 1,5дБ, МВ = 1,5дБ

3) Коэффициент передачи усилителя SУ = 15дБ

4) Выходное напряжение UВЫХ = 0,2В

5) Сопротивление генератора RГ = 50Ом

6) Сопротивление нагрузки RН = 50Ом

7) Согласование по входу и по выходу

Введение

Во многих областях современной науки и техники часто встречается необходимость усиления электрических колебаний (сигналов) различных видов с сохранением их формы.

Усилители имеют широкое и разностороннее применение: в радиосвязи и радиовещании, телевидении, звуковом кино, устройствах записи и воспроизведения звука, дальней проводной связи, измерительной аппаратуре, а также в телемеханике, автоматике и т.д.

Приемные антенные решетки используются в радиолокации для электронного сканирования пространства без механического перемещения антенны. Положение цели в пространстве, при этом, определяется по разности фаз сигналов, пришедших от каждого из элементов антенной решетки.

Одним из основных узлов таких систем являются широкополосные усилители, обеспечивающие усиление сигналов поступающих с антенных решеток.

Для обеспечения высокой точности работы системы радиолокации, необходима полная идентичность характеристик широкополосных усилителей. Кроме того, усилители должны быть согласованы по входу и выходу, иметь линейную амплитудно-частотную характеристику, параметры усилителей не должны изменяться во времени и при изменении температуры окружающей среды.

1. Определение числа каскадов

Т.к. заданное усиление равное 15дБ не может быть достигнуто одним маломощным транзистором в широком диапазоне частот, то целесообразно коэффициент усиления распределить на несколько каскадов усиления, например, по 5дБ на каждый:

  

2. Распределение искажений в области ВЧ

Определим неравномерность частотной характеристики на рабочем диапазоне частот, приходящуюся на один каскад:

 

3. Расчет оконечного каскада

3.1. Расчет рабочей точки и построение нагрузочных прямых

Резистивный каскад

В разрабатываемом усилителе будет использован каскад с комбинированной отрицательной обратной связью.

Т.к. часть выходной полезной мощности рассеивается на резисторах обратной связи Rэ, Rос, то для предварительного расчета рабочей точки выходного транзистора напряжение, которое он должен выдавать, необходимо брать удвоенным, т.к. заранее эти потери неизвестны. Потом эти потери можно уточнить. Координаты рабочей точки приближенно можно рассчитать по формулам [1]:

где Iвых – выходной ток оконечного транзистора;

 Uвых – выходное напряжение транзистора;

 Pвых – мощность, выдаваемая транзистором на выходе

Схема резистивного каскада по постоянному току приведена на рис. 3.1.1.2.

Рис. 3.1.1.2 Резистивный каскад

 Пусть Rн=Rк=50 Ом, тогда выходной ток транзистора будет равен:

 Обычно остаточное напряжение Uост и ток Iост выбирают в пределах:

  

Тогда рабочая точка транзистора:

 

где UКЭ0 – напряжение на переходе коллектор-эммитер в рабочей точке;

 IК0 – ток коллектора в рабочей точке транзистора

Напряжение источника питания:

 

Построим нагрузочные прямые постоянного и переменного токов для резистивного каскада:

- уравнение нагрузочной прямой по постоянному току

Для переменного тока:

Рис. 3.1.1.3 Нагрузочные прямые для резистивного каскада

У резистивного каскада сопротивление нагрузки выходной цепи переменному току меньше, чем постоянному, и нагрузочная прямая постоянного тока проходит через точку покоя более полого, чем нагрузочная прямая переменного тока.

3.1.2. Дроссельный каскад

Дроссельный усилительный каскад представлен на рисунке 3.1.2.1. Здесь вместо резистора RК ставят дроссель LДР, для увеличения КПД каскада.

Рис. 3.1.2.1 Дроссельный усилительный каскад

Резисторами Rб1 и Rб2 (базовые делители) устанавливают рабочую точку каскада.

Тогда рабочая точка транзистора:

 

 Питание:

 

По переменному току:

 

Тогда нагрузочные прямые по постоянному и переменному току для дроссельного каскада выглядят следующим образом:

Рис. 3.1.2.2 Нагрузочные прямые для дроссельного каскада

Т.к. сопротивление дросселя по постоянному току эквивалентно короткому замыканию, нагрузочная прямая по постоянному току есть вертикальная линия

3.1.3. Расчет мощностей

Произведем расчет потребляемой и рассеиваемой мощностей для резистивного и дроссельного каскадов выбор каскада по энергетическим параметрам:

Для резистивного каскада:

 

 

где Рк – мощность, рассеиваемая на коллекторе;

 Рпотр – потребляемая транзистором мощность.

Для дроссельного каскада:

 

 

 Полученные результаты представлены в таблице 3.1.3.1:

Таблица 3.1.3.1 Энергетические параметры усилительных каскадов

Eп, B Pk, мВт Рпотр, мВт IК0, мА UКЭ0, В
Резистивный каскад (Rk) 3,9 52,8 68,6 17,6 3
Дроссельный каскад(Lk) 3 26,4 26,4 8,8 3

В результате анализа полученных результатов можно прийти к выводу, что более экономичным по энергетическим параметрам является дроссельный каскад. К тому же КПД такого каскада больше резистивного в 2 раза.

3.2 Выбор транзистора

Выбор транзистора производится в справочнике [2] по следующим параметрам, которые необходимо взять с небольшим запасом в 20 %:

Лучше всего по этим параметрам подходит транзистор КТ3101А-2.

 Паспортные данные транзистора КТ3101А-2

Электрические параметры:

Граничная частота при Uкб=5В, Iэ=10мА не менее…………………….4,0ГГц

Максимальный коэффициент усиления по мощности

 при Uкб=5В, Iэ=10мА, f=2,25ГГц типовое значение…………….8,2 – 9,8дБ

Постоянная времени цепи обратной связи на высокой частоте

 при Uкб=5В………………………………………………………………..5пс

Статический коэффициент передачи тока в схеме с общим эммитером

 при Uкб=1В, Iк=5мА, Т=298К………………………………………35 – 300

Емкость коллекторного перехода при Uкб=5В………………………..0,65пФ

Емкость эммитерного перехода при Uэб=1В……………………………..1пФ

Индуктивность вывода базы……………………………………………..2нГн

Индуктивность вывода эммитора………………………………………..2нГн

 Предельные эксплуатационные данные:

Постоянное напряжение коллектор-эммитер…………………………….15В

Постоянный ток коллектора……………………………………………..20мА

Постоянная рассеиваемая мощность при Т=213…318К…………….100мВт

Расчет эквивалентной схемы транзистора

Значения элементов схемы Джиаколетто могут быть рассчитаны по паспортным данным транзистора по следующим формулам [3]:

 =3 - для планарных кремниевых транзисторов,

=4 - для остальных транзисторов,

В справочной литературе значения  и  часто приводятся измеренными при различных значениях напряжения коллектор-эмиттер . Поэтому при расчетах  значение  следует пересчитать по формуле [3]

, (3.3.1.1)

где  - напряжение , при котором производилось измерение ;  - напряжение , при котором производилось измерение .

где  - емкость коллекторного перехода;  - постоянная времени цепи обратной связи;  - статический коэффициент передачи тока в схеме с общим эмиттером;  - граничная частота коэффициента передачи тока в схеме с общим эмиттером;  - ток коллектора в рабочей точке в миллиамперах.

Крутизна транзистора:

3.3.2 Расчет элементов однонаправленной модели биполярного транзистора

Расчет усилительных каскадов также основан на использовании однонаправленной модели транзистора [4], справедливой в области частот более , где = ( - граничная частота коэффициента передачи тока,  - статический коэффициент передачи тока в схеме с общим эмиттером) и приведенной на рисунке 3.3.2.1.

 

Рис. 3.3.2.1 Однонаправленная модель биполярного транзистора

Элементы схемы замещения могут быть рассчитаны по следующим эмпирическим формулам [4]:

где  - индуктивность вывода базы;  - индуктивность вывода эмиттера;  - предельное значение напряжения ;  - предельное значение постоянного тока коллектора.

При расчетах по эквивалентной схеме, приведенной на рисунке 3.3.2.1, вместо  используют параметр  - коэффициент усиления транзистора по мощности в режиме двухстороннего согласования [5], равный

= (3.3.2.1)

где  - частота, на которой коэффициент усиления транзистора по мощности в режиме двухстороннего согласования равен единице;  - текущая частота.

 

3.4 Расчет цепей термостабилизации

 

Существует несколько вариантов схем термостабилизации. Их использование зависит от мощности каскада и от того, насколько жёсткие требования к термостабильности. В данной работе рассмотрены три схемы термостабилизации: пассивная коллекторная, активная коллекторная и эмиттерная.

3.4.1. Эммитерная термостабилизация

Транзисторный каскад с эммитерной термостабилизацией приведен на рисунке 3.4.1.1

Рис. 3.4.1.1 Усилительный каскад с эммитерной стабилизацией

Расчет элементов схемы эммитерной термостабилизации производится по формулам в [6].

Напряжение на эммитерном сопротивлении обычно выбирают:

Тогда сопротивление Rэ будет равно:

Напряжение источника питания:

 

Расчет базового делителя:

 

 Ток делителя:

 Мощность, рассеиваемая на RЭ:

Пассивная коллекторная стабилизация.

Данный вид термостабилизации (схема представлена на рисунке 3.4) используется на малых мощностях и менее эффективен, чем две другие, потому что напряжение отрицательной обратной связи, регулирующее ток через транзистор подаётся на базу через базовый делитель.

Транзисторный каскад с пассивной коллекторной термостабилизацией приведен на рисунке 3.4.2.1

Рис. 3.4.2.1 Каскад с пассивной коллекторной стабилизацией

Подробный расчет элементов схемы приведен в [6].

Для того, чтобы пассивная коллекторная термостабилизация была эффективной необходимо, чтобы напряжение URк лежало в пределах:

Тогда сопротивление RК и источник питания будут равны:

Рассчитаем RБ:

Тогда рассеиваемая мощность каскада:

что почти в 2 раза больше рассеиваемой мощности каскада с эммитерной термостабилизацией.

Активная коллекторная стабилизация

Активная коллекторная термостабилизация используется в мощных каскадах и является очень эффективной, её схема представлена на рисунке 3.4.3. Её описание и расчёт можно найти в [7].

Рис. 3.4.3 Каскад с активной коллекторной стабилизацией

Для того, чтобы активная коллекторная стабилизация была эффективной необходимо, чтобы на резисторе R4 выделялось напряжение:

Тогда сопротивление должно быть равно:

Рассчитаем рабочую точку второго транзистора, обеспечивающего стабилизированный режим работы каскада:

Тогда источник питания:

Рассчитаем элементы схемы активной коллекторной стабилизации по формулам в [7]:

 

Рассеиваемая мощность каскада:

Таким образом наиболее экономичным по энергетическим параметрам является каскад с активной коллекторной стабилизацией, но т.к. разрабатываемый усилитель антенной решетки маломощный, то в каскадах усилителя целесообразней применить эммитерную термостабилизацию, обладающую достаточно хорошими параметрами стабилизации рабочей точки транзистора.

Расчет элементов высокочастотной коррекции

Для того, чтобы усилитель антенной решетки был согласован по входу и выходу, имел линейную амплитудно-частотную характеристику, а параметры усилителя не изменялись во времени и при изменении температуры окружающей среды, необходимо испоьзовать схему высокочастотной коррекции. Лучше всего для данного усилителя подходит схема с комбинированной обратной связью [7].

Схема каскада по переменному току приведена на рисунке 3.5.1

Рисунок 3.5.1 - Схема каскада с комбинированной ООС

Расчет схемы каскада с комбинированной отрицательной обратной связью подробно описан в [7].

Достоинством схемы является то, что при условиях:

  и  (3.5.1)

схема оказывается согласованной по входу и выходу с КСВН не более 1,3 в диапазоне частот, где выполняется условие YВ0,7. Поэтому практически отсутствует взаимное влияние каскадов друг на друга при их каскадировании.

При выполнении условия (3.5.1), коэффициент усиления каскада в области верхних частот описывается выражением:

 (3.5.2)

где:

 ;

 .

Из (3.5.1), (3.5.2) не трудно получить, что при заданном значении , выбранным с запасом в 20%, для того, чтобы в случае ухудшения, в силу каких-либо причин, параметров отдельных элементов коэффициент передачи усилителя не опускался ниже заданного уровня, определённого техническим заданием:

 на один каскад.

Тогда общий коэффициент передачи усилителя будет равен:

Тогда коэффициенты:

При заданном значении Yв на один каскад, частота fв каскада равна:

(3.5.3)

Нагружающие ООС уменьшают максимальную амплитуду выходного сигнала  каскада в котором они используются на величину

. (3.5.4)

При выборе  и  из (3.5.1), ощущаемое сопротивление нагрузки транзистора каскада с комбинированной ООС равно  и его напряжение и ток в рабочей точке, также как и для каскада без ООС, могут быть рассчитаны по формулам [7]:

,,

где  - максимальная допустимая мощность, рассеиваемая на коллекторе.

В этом случае  каскада равно:

С учетом наличия сопротивления насыщения следует  рассчитывать по формуле

 (3.5.5)

Из формулы (3.5.5) следует, что напряжение, которое может отдать транзистор с учетом потерь на резисторах обратной связи и с четом наличия сопротивления насыщения, несколько больше напряжения, которое он должен выдать на выходе по заданию. Это говорит о том, что полученный в результате расчета усилитель антенной решетки обладает лучшими характеристиками, чем по заданию.

4. Расчет предоконечного и входного каскадов

Расчет входного и предоконечного каскада производится абсолютно аналогично расчету конечного каскада, т.к. все каскады согласованы по входу и по выходу за счет применения комбинированной отрицательной обратной связи и режимы работы транзисторов одинаковы.

5. Расчет разделительных и блокировочных конденсаторов

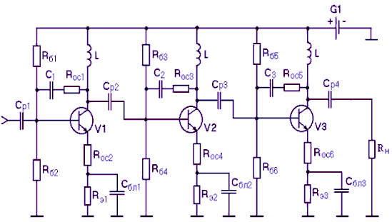
На рисунке 5.1 приведена принципиальная схема усилителя. Рассчитаем номиналы элементов обозначенных на схеме. Расчёт производится в соответствии с методикой описанной в [1]:

Рисунок 5.1 Принципиальная схема антенного усилителя.

Произведем расчет разделительных и блокировочных емкостей.

Так как ёмкости, стоящие в эмиттерных цепях, а также разделительные ёмкости вносят искажения в области нижних частот, то их расчёт следует производить, руководствуясь допустимым коэффициентом частотных искажений. В данной работе этот коэффициент составляет 1.5дБ. Общее количество разделительных конденсаторов 4, тогда на один разделительный конденсатор приходится искажений 1.5/4 = 0,375 дБ.

Тогда:

где R1 и R2 – это входное и выходное сопротивления каскадов усилителя и R1 = R2 =50 Ом, т.к. каскады согласованы по входу и по выходу.

,

где S0 – это крутизна транзистора, рассчитанная в п. 3.3.1;

 RЭ – это сопротивление термостабилизации, рассчитанное в п. 3.4.1;

 YН = 0,94, т.к. количество Ср равно 3.

Дроссель в коллекторной цепи каскадов ставится для того, чтобы выход транзистора по переменному току не был заземлен через источник питания. Величина дросселя выбирается исходя из условия:

Тогда:

Конденсаторы, стоящие в цепях обратной связи: C1, C2, C3 выбираются из условия:

Тогда:

Заключение

В результате расчета получился усилитель со следующими характеристиками:

1. Рабочая полоса частот: 100-1196 МГц

2. Линейные искажения

в области нижних частот не более 1.5 дБ

в области верхних частот не более 1.5 дБ

3. Коэффициент усиления 19,7дБ

4. Амплитуда выходного напряжения Uвых=0.25 В

5. Питание однополярное, Eп=7 В

Усилитель рассчитан на нагрузку Rн=50 Ом и согласован по входу и по выходу.

Усилитель имеет запас по усилению 4,7дБ, выходному напряжению и по верхней частоте.

Список использованной литературы:

1. Красько А.С., Проектирование усилительных устройств, методические указания. Томск: ТУСУР, 2000г., 29 с.

2. Аронов В.Л., Баюков А.В. и др. Полупроводниковые приборы: Транзи сторы. Справочник/Под общ. Ред. Горюнова Н.Н. – 2-е издание, пере-

 работанное – М.: Энергоатомиздат, 1985-904с., илл.

3. Мамонкин И.Г. Усилительные устройства: учебное пособие для вузов.

 М.: Связь, 1977г.

4. Титов А.А., Бабак Л.И., Черкашин М.В. Расчет межкаскадной согла-

 сующей цепи транзисторного полосового усилителя мощности

 //Электронная техника. СЕР. СВЧ-Техника. ВЫП 1(475), 2000г.

5. Шварц Н.З. Линейные транзисторные усилители СВЧ. - М.: Сов. радио. 1980 г.

6. Болтовский Ю.Г., Расчёт цепей термостабилизации электрического режима транзисторов, методические указания. Томск: ТУСУР, 1981г., 39с.

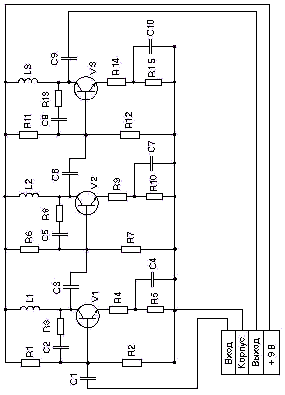
РТФ КП 468740.009 ПЭ3

Усилитель приемной антенной решетки

Схема электрическая

Принципиальная

Лит. Масса Масштаб
Из. Лист № докум. Подп. Дата
Разраб. Вахрушев
Пров. Титов
Т. контр. Лист Листов

ТУСУР, РТФ, каф. РУУ,

гр. 148-3

Н. контр.
Утв.
Поз. Наименование Кол. Примечание

V1-V3

Транзисторы КТ3104-А аА0.336.128 ТУ

3

L1-L3

Дроссели 0.8мкГн±10%

3

Резисторы

R1,R6,R11 МЛТ–0,125-3,6 кОм±5% ГОСТ 7113-77

3

R2,R7,R12

МЛТ–0,125-7,1 кОм±5% ГОСТ 7113-77

3

R3,R8,R13

МЛТ–0,125-390 Ом±5% ГОСТ 7113-77

3

R4,R9,R14

МЛТ–0,125-16 Ом±5% ГОСТ 7113-77

3

R5,R10,R15

МЛТ–0,125-160 Ом±5% ГОСТ 7113-77

3

Конденсаторы

С1,С3,С6,С9

К-10-17 50пФ±5% ОЖО.460.107 ТУ

4

С2,С5,С8

К-10-17 1пФ±5% ОЖО.460.107 ТУ

3

С4,С7,С10

К-10-18 1нФ±5% ОЖО.460.107 ТУ

3

РТФ КП 468740.009 ПЭ3

 

Усилитель приемной антенной решетки Спецификация

Лит. Масса Масштаб
Из. Лист № докум. Подп. Дата
Разраб. Вахрушев
Пров. Титов
Т. контр. Лист Листов

ТУСУР, РТФ, каф. РУУ,

гр. 148-3

Н. контр.
Утв.

© 2012 Рефераты, доклады и дипломные работы, курсовые работы бесплатно.