рефераты
Главная

Рефераты по международному публичному праву

Рефераты по международному частному праву

Рефераты по международным отношениям

Рефераты по культуре и искусству

Рефераты по менеджменту

Рефераты по металлургии

Рефераты по муниципальному праву

Рефераты по налогообложению

Рефераты по оккультизму и уфологии

Рефераты по педагогике

Рефераты по политологии

Рефераты по праву

Биографии

Рефераты по предпринимательству

Рефераты по психологии

Рефераты по радиоэлектронике

Рефераты по риторике

Рефераты по социологии

Рефераты по статистике

Рефераты по страхованию

Рефераты по строительству

Рефераты по таможенной системе

Сочинения по литературе и русскому языку

Рефераты по теории государства и права

Рефераты по теории организации

Рефераты по теплотехнике

Рефераты по технологии

Рефераты по товароведению

Рефераты по транспорту

Рефераты по трудовому праву

Рефераты по туризму

Рефераты по уголовному праву и процессу

Рефераты по управлению

Реферат: АТСКЭ Квант

Реферат: АТСКЭ Квант

Overview

ЭРЛАНГ
ЯКОБЕУС
ЦНИИС-ЛФ

W
ПАЛЬМ
ЭРЛАНГ (2)

Sheet 1: ЭРЛАНГ


НАГРУЗКА 6.57


Число линий 13 0.01








Sheet 2: ЯКОБЕУС


f 2







НАГРУЗКА 4.74






Число линий 12 0.01
















Sheet 3: ЦНИИС-ЛФ


O Делл Yнн= 26.76 27



Расчетная нагрузка
Yp= 17.49




Из Эрланга
Yd= 11.24




Из Якобеуса
Yo= 10.48















6.25 0.26 0.04 0.22 28.2










ЧИСЛО ЛИНИЙ ПО ЦНИИС-ЛФ =


29












Sheet 4: Dэ

нагрузка 16.85 W= 0.03
линии 26 Ys= 0.4






Dэ= 25.41

Sheet 5: W

Pab= 0.29
Z1= 1
Pbc= 0.01
Z2= 2
Pcd= 0.18








0.19



0.92



0.17


W= 0.03


Sheet 6: ПАЛЬМ


d 36.81
V= 37




f 2







НАГРУЗКА 30.13






Число линий 83 0.01

















83 15.78 0.06 30.13 1.91 1 30.13 30.13 1

83 237.66 0 484.04 1.91 0.94 484.04 453.91 2

83 2386.91 0 5042.79 1.91 0.9 5042.79 4558.75 3

83 17979.41 0 39381.61 1.91 0.87 39381.61 34338.81 4

83 108343.93 0 246307.3 1.91 0.84 246307.3 206925.69 5

83 544067.09 0 1285419.14 1.91 0.81 1285419.14 1039111.84 6

83 2341820.21 0 5758053.39 1.91 0.78 5758053.39 4472634.25 7

83 8819880.38 0 22603112.14 1.91 0.75 22603112.14 16845058.75 8

83 29526999.53 0 78996625.48 1.91 0.71 78996625.48 56393513.34 9

83 88964849.59 0 248910281.18 1.91 0.68 248910281.18 169913655.7 10

83 243682810.74 0 714319230.84 1.91 0.65 714319230.84 465408949.66 11

83 611846923.96 0 1882883535.28 1.91 0.62 1882883535.28 1168564304.44 12

83 1418072909.16 0 4591256034.74 1.91 0.59 4591256034.74 2708372499.45 13

83 3051895482.35 0 10420060563.91 1.91 0.56 10420060563.91 5828804529.18 14

83 6130240725.54 0 22128185928.18 1.91 0.53 22128185928.18 11708125364.27 15

83 11544009566.28 0 44176049504.78 1.91 0.5 44176049504.78 22047863576.59 16

83 20460059307.77 0 83252645361.41 1.91 0.47 83252645361.41 39076595856.63 17

83 34247865941.28 0 148662524981.42 1.91 0.44 148662524981.42 65409879620.02 18

83 54309905305.84 0 252388823557.8 1.91 0.41 252388823557.8 103726298576.38 19

83 81817872343.24 0 408652492363.11 1.91 0.38 408652492363.11 156263668805.31 20

83 117389166366.76 0 632853651463.29 1.91 0.35 632853651463.29 224201159100.19 21

83 160769799210.47 0 939907329812.78 1.91 0.33 939907329812.78 307053678349.48 22

83 210608436965.72 0 1342147648450.6 1.91 0.3 1342147648450.6 402240318637.82 23

83 264401341907.38 0 1847126848473.84 1.91 0.27 1847126848473.84 504979200023.24 24

83 318656497266.77 0 2455727780341.84 1.91 0.25 2455727780341.84 608600931868 25

83 369273856255.68 0 3161002629464.26 1.91 0.22 3161002629464.26 705274849122.42 26

83 412082269962.36 0 3948037118503.46 1.91 0.2 3948037118503.46 787034489039.21 27

83 443429956927.35 0 4794942445458.86 1.91 0.18 4794942445458.86 846905326955.4 28

83 460708434559.35 0 5674847876533.56 1.91 0.16 5674847876533.56 879905431074.7 29

83 462704837775.77 0 6558566231142.92 1.91 0.13 6558566231142.92 883718354609.36 30

83 449719250393.03 0 7417483457735.81 1.91 0.12 7417483457735.81 858917226592.9 31

83 423438781698.19 0 8226207708899.69 1.91 0.1 8226207708899.69 808724251163.88 32

83 386612439168.68 0 8964597457007.8 1.91 0.08 8964597457007.8 738389748108.11 33

83 342606846828.01 0 9618941077904.78 1.91 0.07 9618941077904.78 654343620896.98 34

83 294935551283.66 0 10182237457837 1.91 0.06 10182237457837 563296379932.17 35

83 246844671116.02 0 10653685233596.9 1.91 0.04 10653685233596.9 471447775759.9 36

83 201011620019.61 0 11037596625046.7 1.91 0.03 11037596625046.7 383911391449.89 37

83 159381055557.65 0 11341997946741.1 1.91 0.03 11341997946741.1 304401321694.34 38

83 123132082152.62 0 11577167480655.2 1.91 0.02 11577167480655.2 235169533914.12 39

83 92749240881.46 0 11754308932076 1.91 0.02 11754308932076 177141451420.81 40

83 68159381164.84 0 11884486296254.3 1.91 0.01 11884486296254.3 130177364178.27 41

83 48896241773.73 0 11977873057746.9 1.91 0.01 11977873057746.9 93386761492.65 42

83 34261482898.66 0 12043308944346.3 1.91 0.01 12043308944346.3 65435886599.38 43

83 23461329084.92 0 12088117654874.5 1.91 0 12088117654874.5 44808710528.17 44

83 15708663229.53 0 12118119575945.9 1.91 0 12118119575945.9 30001921071.42 45

83 10289174415.34 0 12137770834247.7 1.91 0 12137770834247.7 19651258301.78 46

83 6596017556.05 0 12150368545154.7 1.91 0 12150368545154.7 12597710907.08 47

83 4140375186.74 0 12158276233272 1.91 0 12158276233272 7907688117.3 48

83 2545908252.58 0 12163138654557.2 1.91 0 12163138654557.2 4862421285.19 49

83 1534164313.01 0 12166068749623.7 1.91 0 12166068749623.7 2930095066.45 50

83 906360210.8 0 12167799803826.7 1.91 0 12167799803826.7 1731054202.98 51

83 525166022.14 0 12168802816579.3 1.91 0 12168802816579.3 1003012752.61 52

83 298551929.19 0 12169373019866.7 1.91 0 12169373019866.7 570203287.48 53

83 166580919.01 0 12169691172182.5 1.91 0 12169691172182.5 318152315.77 54

83 91256056.18 0 12169865461805.7 1.91 0 12169865461805.7 174289623.17 55

83 49099017.37 0 12169959235847.6 1.91 0 12169959235847.6 93774041.89 56

83 25953568.3 0 12170008804477.1 1.91 0 12170008804477.1 49568629.51 57

83 13482431.26 0 12170034554525.5 1.91 0 12170034554525.5 25750048.4 58

83 6885180.57 0 12170047704507.8 1.91 0 12170047704507.8 13149982.34 59

83 3457508.18 0 12170054307990.6 1.91 0 12170054307990.6 6603482.8 60

83 1707782.32 0 12170057569678.1 1.91 0 12170057569678.1 3261687.49 61

83 829927.12 0 12170059154753 1.91 0 12170059154753 1585074.9 62

83 396915.94 0 12170059912821.4 1.91 0 12170059912821.4 758068.36 63

83 186860.58 0 12170060269705.8 1.91 0 12170060269705.8 356884.37 64

83 86617.07 0 12170060435135.4 1.91 0 12170060435135.4 165429.63 65

83 39542 0 12170060510656.5 1.91 0 12170060510656.5 75521.13 66

83 17782.1 0 12170060544618.5 1.91 0 12170060544618.5 33961.97 67

83 7879.04 0 12170060559666.6 1.91 0 12170060559666.6 15048.15 68

83 3440.51 0 12170060566237.7 1.91 0 12170060566237.7 6571.02 69

83 1480.9 0 12170060569066 1.91 0 12170060569066 2828.36 70

83 628.44 0 12170060570266.3 1.91 0 12170060570266.3 1200.26 71

83 262.99 0 12170060570768.6 1.91 0 12170060570768.6 502.28 72

83 108.54 0 12170060570975.9 1.91 0 12170060570975.9 207.31 73

83 44.2 0 12170060571060.3 1.91 0 12170060571060.3 84.41 74

83 17.75 0 12170060571094.2 1.91 0 12170060571094.2 33.91 75

83 7.04 0 12170060571107.6 1.91 0 12170060571107.6 13.44 76

83 2.75 0 12170060571112.9 1.91 0 12170060571112.9 5.26 77

83 1.06 0 12170060571114.9 1.91 0 12170060571114.9 2.03 78

83 0.41 0 12170060571115.7 1.91 0 12170060571115.7 0.77 79

83 0.15 0 12170060571116 1.91 0 12170060571116 0.29 80

83 0.06 0 12170060571116.1 1.91 0 12170060571116.1 0.11 81

83 0.02 0 12170060571116.1 1.91 0 12170060571116.1 0.04 82

83 0.01 0 12170060571116.2 1.91 0 12170060571116.2 0.01 83

84 0 0 12170060571116.2 1.91 0 12170060571116.2 0.01 84

85 0 0 12170060571116.2 1.91 0 12170060571116.2 0 85

86 0 0 12170060571116.2 1.91 0 12170060571116.2 0 86

87 0 0 12170060571116.2 1.91 0 12170060571116.2 0 87

88 0 0 12170060571116.2 1.91 0 12170060571116.2 0 88

89 0 0 12170060571116.2 1.91 0 12170060571116.2 0 89

90 0 0 12170060571116.2 1.91 0 12170060571116.2 0 90

91 0 0 12170060571116.2 1.91 0 12170060571116.2 0 91

92 0 0 12170060571116.2 1.91 0 12170060571116.2 0 92

93 0 0 12170060571116.2 1.91 0 12170060571116.2 0 93

94 0 0 12170060571116.2 1.91 0 12170060571116.2 0 94

95 0 0 12170060571116.2 1.91 0 12170060571116.2 0 95

96 0 0 12170060571116.2 1.91 0 12170060571116.2 0 96

97 0 0 12170060571116.2 1.91 0 12170060571116.2 0 97

98 0 0 12170060571116.2 1.91 0 12170060571116.2 0 98

99 0 0 12170060571116.2 1.91 0 12170060571116.2 0 99

100 0 0 12170060571116.2 1.91 0 12170060571116.2 0 100

Sheet 7: ЭРЛАНГ (2)


P 0.01





D 20





НАГРУЗКА (Yp) 4.74




Число линий #REF!














#REF!
0 1.1 0 1.1 1



#DIV/0!
0 1.2



#DIV/0!
0 1.3



#DIV/0!
0 1.4



#DIV/0!
0 1.5



#DIV/0!
0 1.6



#DIV/0!
0 1.7



#DIV/0!
0 1.8



#DIV/0!
0 1.9



0 2 0 2 2



#DIV/0!
0 2.1



#DIV/0!
0 2.2



#DIV/0!
0 2.3



#DIV/0!
0 2.4



#DIV/0!
0 2.5



#DIV/0!
0 2.6



#DIV/0!
0 2.7



#DIV/0!
0 2.8



#DIV/0!
0 2.9



#DIV/0!
0 3



0 4.97 0 3.1 3



#DIV/0!
0 3.2



#DIV/0!
0 3.3



#DIV/0!
0 3.4



#DIV/0!
0 3.5



#DIV/0!
0 3.6



#DIV/0!
0 3.7



#DIV/0!
0 3.8



#DIV/0!
0 3.9



0 10.67 0 4 4



#DIV/0!
0 4.1



#DIV/0!
0 4.2



#DIV/0!
0 4.3



#DIV/0!
0 4.4



#DIV/0!
0 4.5



#DIV/0!
0 4.6



#DIV/0!
0 4.7



#DIV/0!
0 4.8



#DIV/0!
0 4.9



#DIV/0!
0 5



0 28.75 0 5.1 5



#DIV/0!
0 5.2



#DIV/0!
0 5.3



#DIV/0!
0 5.4



#DIV/0!
0 5.5



#DIV/0!
0 5.6



#DIV/0!
0 5.7



#DIV/0!
0 5.8



#DIV/0!
0 5.9



0 64.8 0 6 6



#DIV/0!
0 6.1



#DIV/0!
0 6.2



#DIV/0!
0 6.3



#DIV/0!
0.01 6.4



#DIV/0!
0.01 6.5



#DIV/0!
0.01 6.6



#DIV/0!
0.01 6.7



#DIV/0!
0.02 6.8



#DIV/0!
0.02 6.9



#DIV/0!
0.03 7



0 180.46 0.04 7.1 7



#DIV/0!
0.06 7.2



#DIV/0!
0.08 7.3



#DIV/0!
0.1 7.4



#DIV/0!
0.13 7.5



#DIV/0!
0.17 7.6



#DIV/0!
0.22 7.7



#DIV/0!
0.29 7.8



#DIV/0!
0.37 7.9



0 416.1 0.47 8 8



#DIV/0!
0.61 8.1



#DIV/0!
0.78 8.2



#DIV/0!
0.99 8.3



#DIV/0!
1.26 8.4



#DIV/0!
1.59 8.5



#DIV/0!
2.01 8.6



#DIV/0!
2.54 8.7



#DIV/0!
3.19 8.8



#DIV/0!
4 8.9



#DIV/0!
5 9



0.01 1179.26 6.23 9.1 9



#DIV/0!
7.76 9.2



#DIV/0!
9.63 9.3



#DIV/0!
11.92 9.4



#DIV/0!
14.73 9.5



#DIV/0!
18.17 9.6



#DIV/0!
22.35 9.7



#DIV/0!
27.44 9.8



#DIV/0!
33.62 9.9



0.01 2755.73 41.1 10 10



#DIV/0!
50.15 10.1



#DIV/0!
61.08 10.2



#DIV/0!
74.24 10.3



#DIV/0!
90.06 10.4



#DIV/0!
109.06 10.5



#DIV/0!
131.82 10.6



#DIV/0!
159.06 10.7



#DIV/0!
191.58 10.8



#DIV/0!
230.36 10.9



#DIV/0!
276.52 11



0.04 7895.82 331.39 11.1 11



#DIV/0!
396.49 11.2



#DIV/0!
473.64 11.3



#DIV/0!
564.9 11.4



#DIV/0!
672.72 11.5



#DIV/0!
799.9 11.6



#DIV/0!
949.71 11.7



#DIV/0!
1125.94 11.8



#DIV/0!
1332.95 11.9



0.08 18613.93 1575.8 12 12



#DIV/0!
1860.3 12.1



#DIV/0!
2193.17 12.2



#DIV/0!
2582.13 12.3



#DIV/0!
3036.05 12.4



#DIV/0!
3565.13 12.5



#DIV/0!
4181.06 12.6



#DIV/0!
4897.22 12.7



#DIV/0!
5728.95 12.8



#DIV/0!
6693.75 12.9



#DIV/0!
7811.64 13



0.17 53733.67 9105.45 13.1 13



#DIV/0!
10601.18 13.2



#DIV/0!
12328.44 13.3



#DIV/0!
14320.93 13.4



#DIV/0!
16616.93 13.5



#DIV/0!
19259.88 13.6



#DIV/0!
22299.07 13.7



#DIV/0!
25790.34 13.8



#DIV/0!
29796.92 13.9



0.27 127463 34390.31 14 14



#DIV/0!
39651.32 14.1



#DIV/0!
45671.18 14.2



#DIV/0!
52552.83 14.3



#DIV/0!
60412.28 14.4



#DIV/0!
69380.18 14.5



#DIV/0!
79603.56 14.6



#DIV/0!
91247.73 14.7



#DIV/0!
104498.41 14.8



#DIV/0!
119564.09 14.9



#DIV/0!
136678.61 15



0.42 369959.85 156104.11 15.1 15



#DIV/0!
178134.13 15.2



#DIV/0!
203097.23 15.3



#DIV/0!
231360.81 15.4



#DIV/0!
263335.46 15.5



#DIV/0!
299479.67 15.6



#DIV/0!
340305.08 15.7



#DIV/0!
386382.21 15.8



#DIV/0!
438346.83 15.9



0.56 881657.95 496906.91 16 16



#DIV/0!
562850.3 16.1



#DIV/0!
637053.16 16.2



#DIV/0!
720489.19 16.3



#DIV/0!
814239.83 16.4



#DIV/0!
919505.36 16.5



#DIV/0!
1037617.16 16.6



#DIV/0!
1170051.04 16.7



#DIV/0!
1318441.96 16.8



#DIV/0!
1484600.07 16.9



#DIV/0!
1670528.2 17



0.73 2569599.04 1878441.14 17.1 17



#DIV/0!
2110786.57 17.2



#DIV/0!
2370267.96 17.3



#DIV/0!
2659869.62 17.4



#DIV/0!
2982883.95 17.5



#DIV/0!
3342941.21 17.6



#DIV/0!
3744041.99 17.7



#DIV/0!
4190592.48 17.8



#DIV/0!
4687443.03 17.9



0.85 6145596.91 5239930 18 18



#DIV/0!
5853921.31 18.1



#DIV/0!
6535866.05 18.2



#DIV/0!
7292848.27 18.3



#DIV/0!
8132645.53 18.4



#DIV/0!
9063792.43 18.5



#DIV/0!
10095649.57 18.6



#DIV/0!
11238478.36 18.7



#DIV/0!
12503522.17 18.8



#DIV/0!
13903094.24 18.9



#DIV/0!
15450673.04 19



0.96 17969639.17 17161005.4 19.1 19



#DIV/0!
19050218.32 19.2



#DIV/0!
21135939.8 19.3



#DIV/0!
23437429.66 19.4



#DIV/0!
25975720.96 19.5



#DIV/0!
28773772.81 19.6



#DIV/0!
31856635.5 19.7



#DIV/0!
35251628.8 19.8



#DIV/0!
38988534.51 19.9



1 43099804.12 43099804.12 20 20



1.1 43099805.12 47620782.95 20.1



1.22 43099806.12 52589951.71 20.2



1.35 43099807.12 58049186.96 20.3



1.49 43099808.12 64044041.7 20.4



1.64 43099809.12 70624047.61 20.5



1.81 43099810.12 77843040.44 20.6



1.99 43099811.12 85759510.26 20.7



2.19 43099812.12 94436978.27 20.8



2.41 43099813.12 103944402.07 20.9



2.65 43099814.12 114356611.37 21



0.74 169453422.71 125754776.32 21.1 21



0.82 169453423.71 138226910.64 21.2



0.9 169453424.71 151868412.03 21.3



0.98 169453425.71 166782642.35 21.4



1.08 169453426.71 183081550.36 21.5



1.19 169453427.71 200886339.92 21.6



1.3 169453428.71 220328186.63 21.7



1.43 169453429.71 241549006.31 21.8



1.56 169453430.71 264702278.68 21.9



0.61 473214690.76 289953930.05 22 22



0.67 473214691.76 317483278.8 22.1



0.73 473214692.76 347484047.98 22.2



0.8 473214693.76 380165449.2 22.3



0.88 473214694.76 415753342.82 22.4



0.96 473214695.76 454491479.06 22.5



1.05 473214696.76 496642825.54 22.6



1.15 473214697.76 542490986.77 22.7



1.25 473214698.76 592341721.43 22.8



1.37 473214699.76 646524563.76 22.9



1.49 473214700.76 705394555.79 23



0.56 1365658978.15 769334097.19 23.1 23



0.61 1365658979.15 838754920.49 23.2



0.67 1365658980.15 914100199.32 23.3



0.73 1365658981.15 995846798.07 23.4



0.79 1365658982.15 1084507671.8 23.5



0.86 1365658983.15 1180634425.74 23.6



0.94 1365658984.15 1284820044.21 23.7



1.02 1365658985.15 1397701799.32 23.8



1.11 1365658986.15 1519964350.63 23.9



0.47 3515291047.61 1652343047.25 24 24



0.51 3515291048.61 1795627444.71 24.1



0.55 3515291049.61 1950665049.69 24.2



0.6 3515291050.61 2118365306.12 24.3



0.65 3515291051.61 2299703837.37 24.4



0.71 3515291052.61 2495726959.54 24.5



0.77 3515291053.61 2707556482.22 24.6



0.84 3515291054.61 2936394813.51 24.7



0.91 3515291055.61 3183530387.43 24.8



0.98 3515291056.61 3450343432.4 24.9



1.06 3515291057.61 3738312101.01 25



0.41 9842284119.12 4049018981.78 25.1 25



0.45 9842284120.12 4384158015.37 25.2



0.48 9842284121.12 4745541838.32 25.3



0.52 9842284122.12 5135109579.04 25.4



0.56 9842284123.12 5554935131.84 25.5



0.61 9842284124.12 6007235936.42 25.6



0.66 9842284125.12 6494382291.23 25.7



0.71 9842284126.12 7018907231.21 25.8



0.77 9842284127.12 7583517001.47 25.9



0.33 25106975234.17 8191102160.4 26 26



0.35 25106975235.17 8844749347.41 26.1



0.38 25106975236.17 9547753752.28 26.2



0.41 25106975237.17 10303632324.94 26.3



0.44 25106975238.17 11116137766.61 26.4



0.48 25106975239.17 11989273345.34 26.5



0.51 25106975240.17 12927308580.89 26.6



0.56 25106975241.17 13934795846.64 26.7



0.6 25106975242.17 15016587938.25 26.8



0.64 25106975243.17 16177856661.29 26.9



0.69 25106975244.17 17424112493.12 27



0.27 70104441779.02 18761225376.34 27.1 27



0.29 70104441780.02 20195446704.68 27.2



0.31 70104441781.02 21733432564.78 27.3



0.33 70104441782.02 23382268300.54 27.4



0.36 70104441783.02 25149494470.08 27.5



0.39 70104441784.02 27043134268.72 27.6



0.41 70104441785.02 29071722494.9 27.7



0.45 70104441786.02 31244336139.88 27.8



0.48 70104441787.02 33570626685.73 27.9



0.2 178818086303.23 36060854200.44 28 28



0.22 178818086304.23 38725923323.1 28.1



0.23 178818086305.23 41577421236.46 28.2



0.25 178818086306.23 44627657729.23 28.3



0.27 178818086307.23 47889707454.71 28.4



0.29 178818086308.23 51377454498.01 28.5



0.31 178818086309.23 55105639368.99 28.6



0.33 178818086310.23 59089908543.76 28.7



0.35 178818086311.23 63346866683.29 28.8



0.38 178818086312.23 67894131663.61 28.9



0.41 178818086313.23 72750392558.46 29



0.16 499709325514.88 77935470721.65 29.1 29



0.17 499709325515.88 83470384123.33 29.2



0.18 499709325516.88 89377415101.21 29.3



0.19 499709325517.88 95680181695.58 29.4



0.2 499709325518.88 102403712744.19 29.5



0.22 499709325519.88 109574526921.43 29.6



0.23 499709325520.88 117220715914.53 29.7



0.25 499709325521.88 125372031938.12 29.8



0.27 499709325522.88 134059979797.58 29.9



0.11 1275916346402.61 143317913721.2 30 30



0.12 1275916346403.61 153181139190.92 30.1



0.13 1275916346404.61 163687020011.44 30.2



0.14 1275916346405.61 174875090868.73 30.3



0.15 1275916346406.61 186787175639.33 30.4



0.16 1275916346407.61 199467511724 30.5



0.17 1275916346408.61 212962880691.07 30.6



0.18 1275916346409.61 227322745527.12 30.7



0.19 1275916346410.61 242599394806.12 30.8



0.2 1275916346411.61 258848094101.25 30.9



0.22 1275916346412.61 276127244977.93 31



0.08 3569688579096.48 294498551921.21 31.1 31



0.09 3569688579097.48 314027197565.79 31.2



0.09 3569688579098.48 334782026612.86 31.3



0.1 3569688579099.48 356835738834.38 31.4



0.11 3569688579100.48 380265091582.55 31.5



0.11 3569688579101.48 405151112239.85 31.6



0.12 3569688579102.48 431579321063.69 31.7



0.13 3569688579103.48 459639964898.81 31.8



0.14 3569688579104.48 489428262250.44 31.9



0.06 9123965889821.92 521044660232.03 32 32



0.06 9123965889822.92 554595103922.87 32.1



0.06 9123965889823.92 590191318693.13 32.2



0.07 9123965889824.92 627951106077.24 32.3



0.07 9123965889825.92 667998653800.42 32.4



0.08 9123965889826.92 710464860588.24 32.5



0.08 9123965889827.92 755487676415.15 32.6



0.09 9123965889828.92 803212458874.63 32.7



0.09 9123965889829.92 853792346381.73 32.8



0.1 9123965889830.92 907388648947.76 32.9



0.11 9123965889831.92 964171257296.84 33



0.04 25553986477954.6 1024319071125.48 33.1 33



0.04 25553986477955.6 1088020447338.52 33.2



0.05 25553986477956.6 1155473669128.41 33.3



0.05 25553986477957.6 1226887436799.79 33.4



0.05 25553986477958.6 1302481381277.2 33.5



0.05 25553986477959.6 1382486601271.41 33.6



0.06 25553986477960.6 1467146225118.6 33.7



0.06 25553986477961.6 1556715998346.89 33.8



0.06 25553986477962.6 1651464898066.47 33.9



0.03 65375574538683.2 1751675775322.67 34 34



0.03 65375574538684.2 1857646026596.42 34.1



0.03 65375574538685.2 1969688295682.74 34.2



0.03 65375574538686.2 2088131207225.91 34.3



0.03 65375574538687.2 2213320133240.36 34.4



0.04 65375574538688.2 2345617993997.09 34.5



0.04 65375574538689.2 2485406094709.78 34.6



0.04 65375574538690.2 2633084999509.52 34.7



0.04 65375574538691.2 2789075444254.62 34.8



0.05 65375574538692.2 2953819289781.58 34.9



0.05 65375574538693.2 3127780517264.29 35



0.02 183276286580767 3311446267412.63 35.1 35



0.02 183276286580768 3505327925307.39 35.2



0.02 183276286580769 3709962252736.35 35.3



0.02 183276286580770 3925912569967.5 35.4



0.02 183276286580771 4153769988967.68 35.5



0.02 183276286580772 4394154700151.2 35.6



0.03 183276286580773 4647717314820.71 35.7



0.03 183276286580774 4915140265543.65 35.8



0.03 183276286580775 5197139266791.33 35.9



0.01 469268940916220 5494464838253.85 36 36



0.01 469268940916221 5807903893334.37 36.1



0.01 469268940916222 6138281395417.83 36.2



0.01 469268940916223 6486462084605.69 36.3



0.01 469268940916224 6853352277706.82 36.4



0.02 469268940916225 7239901744376.96 36.5



0.02 469268940916226 7647105662405.31 36.6



0.02 469268940916227 8076006655255.61 36.7



0.02 469268940916228 8527696915082.47 36.8



0.02 469268940916229 9003320414560.27 36.9



0.02 469268940916230 9504075210981.99 37



0.01 1.32E+015 10031215846214.6 37.1 37



0.01 1.32E+015 10586055846211.2 37.2



0.01 1.32E+015 11169970323943.7 37.3



0.01 1.32E+015 11784398689718.1 37.4



0.01 1.32E+015 12430847473008.8 37.5



0.01 1.32E+015 13110893260082 37.6



0.01 1.32E+015 13826185751818.4 37.7



0.01 1.32E+015 14578450946335.6 37.8



0.01 1.32E+015 15369494451128.5 37.9



0 3.37E+015 16201204929646.3 38 38



0.01 3.37E+015 17075557687387.4 38.1



0.01 3.37E+015 17994618402752.1 38.2



0.01 3.37E+015 18960547008120.5 38.3



0.01 3.37E+015 19975601726758.5 38.4



0.01 3.37E+015 21042143271396 38.5



0.01 3.37E+015 22162639210487.5 38.6



0.01 3.37E+015 23339668508401.8 38.7



0.01 3.37E+015 24575926245992.7 38.8



0.01 3.37E+015 25874228528203.8 38.9



0.01 3.37E+015 27237517585628.1 39



0 9.47E+015 28668867077136.3 39.1 39



0 9.47E+015 30171487600966.5 39.2



0 9.47E+015 31748732421905.8 39.3



0 9.47E+015 33404103422441.3 39.4



0 9.47E+015 35141257286027.1 39.5



0 9.47E+015 36964011920924.1 39.6



0 9.47E+015 38876353133290.8 39.7



0 9.47E+015 40882441558563.1 39.8



0 9.47E+015 42986619860404.9 39.9



0 2.43E+016 45193420206841.1 40 40

ЗАДАНИЕ НА КУРСОВУЮ РАБОТУ



ТИП АТС : АТСКЭ “КВАНТ”


1.Емкость АТС : 1120 номеров.


2.Абоненты АТС : Управление-Отделение.


3.Структурный состав : 36%-административный сектор , 64%-квартирный сектор.


4.Среднее число вызовов на одного абонента в час наибольшей нагрузки при внутристанционной связи : 1.25-административный сектор, 0.7-квартирный сектор.


5.Средняя продолжительность внутристанционной связи : 2.4 мин.


6.Требуется связь со следующими станциями :


Наименование станции Тип станции Тип соединительных линий

ЖАТС 2

АТСКЭ ”КВАНТ”

АСП

ГАТС

АТСКУ

АСП

УАТС

УАТС-49

ФСЛ

УАК

АТСК-100/2000

ФСЛ


7.Среднее число вызовов от встречных станций и среднее время обслуживания этих вызовов :


Наименование станции Исходящее направление Входящее направление

Среднее время

обслуживания вызова

ЖАТС 2

0.5

1.3

1.6

ГАТС

0.4

0.39

1.44

УАТС

0.05

0.19

1.32

УАК

0.22

0.26

1.8

МТС

----

0.16

1.95

Спец. Службы

0.55

-----

0.47


32


УДК 621.245.151


РЕФЕРАТ

Курсовой проект содержит страниц машинописного текста, рисунков,

таблиц.

ТЕЛЕФОННАЯ НАГРУЗКА, СОЕДИНИТЕЛЬНЫЕ ЛИНИИ, КОММУТАЦИЯ, ПУЧКИ ЛИНИЙ, ТЕЛЕФОННАЯ СТАНЦИЯ, УЗЕЛ АВТОМАТИЧЕСКОЙ КОММУТАЦИИ, ВЕРОЯТНОСТЬ ПОТЕРЬ

Проект представлен в виде чертежей с пояснительной запиской. В нем разработаны следующие разделы:

структурная схема связи железнодорожного узла;

нумерация проектируемого узла;

функциональная схема связи железнодорожного узла;

расчет телефонной нагрузки;

определение объема оборудования станции;

комплектация и размещение оборудования;

проектирование переменной части программного обеспечения;

определение стоимости АТС.

В проекте представлены чертежи:

функциональная схема связи железнодорожного узла;

комплектация стативов АТСКЭ "Квант" блоками;

план размещения оборудования в автоматном зале и кроссовой.

Пояснительная записка и чертежи оформлены в соответствии

с требованиями действующего стандарта предприятия на курсовой проект.


СОДЕРЖАНИЕ


Введение………………………………………………………………………..5

  1. Схема связи ж.-д. узла. Описание АТСКЭ “Квант”. Организация

внешней связи………………………………………………………………….6

  1. Расчет телефонной нагрузки и объема оборудования

    1. Общие сведения……………………………………………………..11

    2. Исходные данные…………………………………………………...11

2.3. Порядок расчета……………………………………………………..12

2.4. Расчет нагрузки ИШК……………………………………………….13

2.5. Расчет нагрузки ВШК……………………………………………….15

2.6. Расчет нагрузки приемников и датчиков сигналов управления….15

2.7. Расчет нагрузок соединительных линий…………………………...18

2.8. Расчет нагрузки перемычек между БВЛ и БИЛ…………………...20

2.9. Определение количества коммутационного оборудования и

шнуровых комплектов………………………………………………22

2.10. Методы расчета количества приборов АТС……………………….23

2.11. Расчет количества входящих и двухсторонних соединительных

линий………………………………………………………………...25

2.12. Расчет количества исходящих соединительных линий и

приемников батарейных……………………………………………26

  1. Комплектация и размещение оборудования АТСКЭ “Квант”

    1. Расчет количества оборудования АТС……………………………..27

    2. Комплектация оборудования ЦУУ………………………………….30

    3. Комплектация оборудования, управляемого по медленному каналу31

    4. Комплектация оборудования, управляемого по быстрому каналу..32

  2. Разработка переменной части программного обеспечения

    1. Таблица индексов характеристик направлений…………………….35

    2. Характеристика АТС…………………………………………………39

    3. Таблицы характеристик входящих направлений…………………..39

    4. Таблицы пересчета для входящих комплектов…………………….40

    5. Таблицы пересчета для исходящих комплектов……………………44

  3. Определение состава электропитающих устройств……………………….47

  4. Определение стоимости оборудования АТС………………………………48

Список литературы……………………………………………………………..50


ВВЕДЕНИЕ


Телефонная связь на железнодорожном транспорте является основным видом связи по объему передаваемой информации. Возрастают количество и протяженность телефонных каналов, внедряются более совершенные многоканальные системы передачи, автоматизируются процессы установления соединений, вводится в эксплуатацию современное коммутационное оборудование. Использование цифровых сигналов в коммутации позволит включать АТС в сеть каналов передачи данных наряду с терминалами, персональными компьютерами, взаимодействующими с ЭВМ.

Разработаны специализированные ЭВМ, которые работают по заданной (записанной) программе и управляют процессами коммутации в АТС и узлах автоматической коммутации (УАК). Квазиэлектронные и электронные АТС, реализованные на этих принципах, имеют малые размеры, высокую надежность работы, небольшие эксплуатационные расходы и значительную степень автоматизации процессов контроля оборудования и измерения качества функционирования систем.

Автоматические телефонные станции квазиэлектронной системы (АТСКЭ) широко применяются на сети связи железнодорожного транспорта. Следует отметить, что единственным перспективным оборудованием для строительства транзитных узлов автоматической коммутации на железнодорожном транспорте является квазиэлектронное узловое оборудование “Квант”.

Основным направлением технического прогресса в обслуживании автоматических телефонных станций и узлов является централизация технической эксплуатации, которая обеспечивает необходимое качество телефонной связи, и повышение производительности труда благодаря технической диагностике повреждений, переводу аппаратуры в необслуживаемый режим. Автоматические телефонные станции с программным управлением по своим эксплуатационным характеристикам наиболее приспособлены к централизованному обслуживанию. Они имеют более высокую надежность по сравнению с АТС электромеханических систем, развитую систему контроля и технической диагностики, возможность автоматического исключения из эксплуатации неисправных устройств, дают информацию обслуживающему персоналу о месте и характере повреждений.

Выполнение курсового проекта АТСКЭ "Квант" позволит получить навыки в расчетах телефонной нагрузки, соединительных устройств, составлении различных схем и проектировании переменных данных программного обеспечения.


1 СХЕМА СВЯЗИ ЖЕЛЕЗНОДОРОЖНОГО УЗЛА. ОПИСАНИЕ АТСКЭ “Квант”. ОРГАНИЗАЦИЯ ВНЕШНЕЙ СВЯЗИ


Квазиэлектронная АТС “Квант” обеспечивает возможность применения открытой и закрытой систем нумерации. Для более гибкой организации связи и рационального построения сети предусмотрена возможность восстановления и гашения цифр передаваемого номера.

Оборудование автоматической коммутации позволяет строить АТС с удельной суммарной нагрузкой на абонентскую линию до 0.2 Эрл и соединительную линию не менее 0.4 Эрл.

Блоки коммутации АТС построены на матричных ферридовых соединителях (МСФ). В оконечных станциях предусмотрена двухпроводная коммутация, в узловых и центральных – двух- , и четырехпроводная. В комплектах станционных и соединительных линий применены герконовые реле и полупроводниковые элементы.

Процессом установления соединений управляет централизованное управляющее устройство с записанной программой, построенное по принципу резервированного двухмашинного комплекса. Применение программного способа управления позволяет предоставить абонентам сети ряд дополнительных видов обслуживания.

Оборудование “Квант” предусматривает организацию узлов автоматической коммутации для сетей междугородной связи. АТС КЭ и УАК позволяют включить определенное число линий внешней связи, распределяемых по разным направлениям. Максимально в АТС можно включить 384 односторонние соединительные линии (исходящие и входящие), а в УАК – 512 таких линий. Вместо односторонних соединительных линий можно включить двухсторонние, при этом число линий уменьшается вдвое. Максимальное число направлений исходящей связи – 64, а входящей – 32. Число линий в направлении может быть любым.

Станция предусматривает подключение различных абонентских линий: индивидуального пользования, со спаренными телефонными аппаратами и взаимной связью удаленных линий, в которые могут быть включены телефонные аппараты с дисковым или кнопочным номеронабирателем. Абонентские линии подразделяются на категории в зависимости от их вида, типа абонентской установки, основных и дополнительных видов связи, предоставляемых абоненту, приоритета при установлении исходящей междугородной и международной связи и др.

Местные железнодорожные автоматические телефонные станции (ЖАТС) сооружаются для обслуживания абонентов подразделений Министерства путей сообщения (МПС): управлений и отделений железных дорог; железнодорожных станций; заводов, больниц, вузов и других предприятий железнодорожного транспорта.

ЖАТС должны обеспечивать для работников подразделений:

внутреннюю связь;

связь со специальными службами;

связь с абонентами других ЖАТС узла;

связь с междугородной телефонной станцией ручного обслуживания (МТС) железнодорожной сети связи;

связь с автоматически коммутируемой телефонной сетью (АКТС) междугородной связи МПС через узлы автоматической коммутации (УАК);

связь с абонентами учрежденческих телефонных станций (УАТС);

связь с абонентами городских телефонных станций (ГАТС);

связь с автоматической междугородной телефонной станцией сети общего пользования непосредственно или через ГАТС.

Структурная схема связи железнодорожного узла приведена на рис.1.1.


Структурная схема связи железнодорожного узла

Рис.1.1

Одним из важных вопросов проектирования является разработка плана нумерации узла связи и проектируемой станции.

На сети связи МПС применяется единая нумерация абонентов, линий и станций. Абонентам управления, отделений и крупных железнодорожных станций присваиваются четырехзначные номера, начинающиеся с цифр для:

управления - 4;

отделения - 3;

железнодорожной станции - 2.

При необходимости увеличения емкости АТС могут быть использованы для включения абонентов четырехзначные номера, начинающиеся с цифр 5, 6 или 7.


Нумерация на сети связи должна быть согласована: абоненты всех ЖАТС узла вызывают абонентов как своей, так и встречных станций единым четырехзначным номером без прослушивания повторного сигнала ОС. Для этого на АТСКЭ "Квант" предусмотрена возможность гашения и восстановления от одной до трех первых цифр номера как при входящей, так и при исходящей связи с другими станциями.

Нумерация абонентских линий малых АТС может быть трехзначной или четырехзначной. Для выхода на УАТС выбираем вариант с набором индекса выхода 7 и затем абонентского номера. Оборудование и программное обеспечение АТСКЭ "Квант" не предусматривает подачу повторного сигнала ОС после набора индекса выхода, кроме связи с АМТС. При входящей связи от УАТС, МТС и других станций сети абоненту может быть подан сигнал “ответ станции” (ОС) при подключении "Кванта".

Для выхода на ЖАТС2 выбираем вариант с набором индекса выхода 3 и затем абонентского номера.

Для выхода на сеть связи общего пользования (ГАТС) выбираем цифру 9, после чего набирается полный шестизначный номер городского абонента, который транслируется в приборы ГАТС. Для выхода на АМТС принимаем варианты набора индекса 8, после чего дается повторный сигнал ОС. Затем набирается трехзначный код вызываемого пункта и зоновый (5 знаков) или междугородный (7 знаков) номер вызываемого абонента.

Для обеспечения входящей связи от сети общего пользования следует учитывать, что абонент ГАТС набирает число цифр номера принятое на сети – в данном проекте – шесть. После занятия соединительной линии на проектируемую АТС должны транслироваться четыре цифры номера абонента проектируемой ЖАТС.

Для выхода на УАК принимаем цифру 0, после чего набирается трехзначный код вызываемого пункта сети АКТС и четырехзначный номер вызываемого абонента.

Линиям специальной связи присваиваются номера:

стол справок ЖАТС – 1-31;

стол заказов МТС – 1-21.

Оборудование АТСКЭ "Квант" позволяет транслировать и принимать цифры номера по соединительным линиям со встречными АТС декадным или многочастотным кодом.

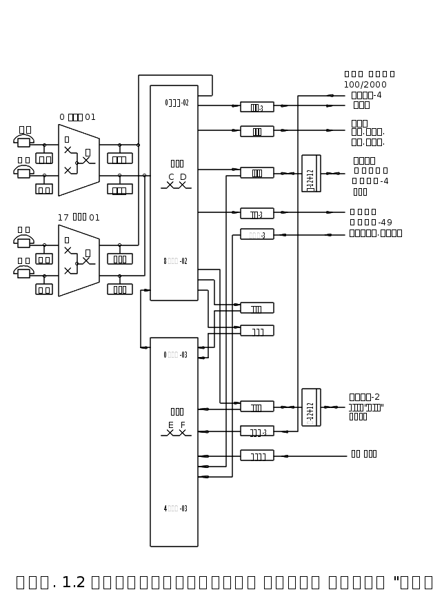
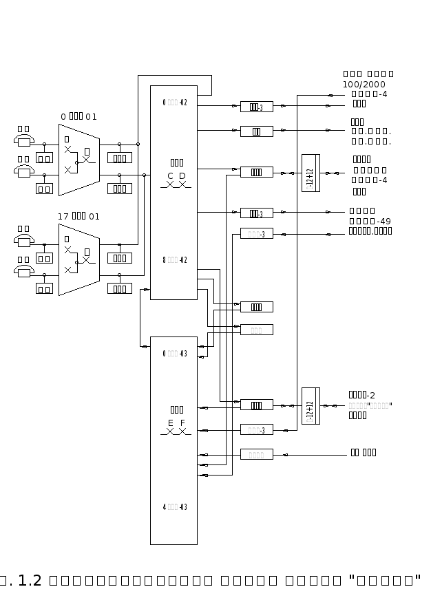
Функциональная схема АТСКЭ "Квант" приведена на рис. 1.2.



Разработанная система нумерации станции приводится в таблицах по форме табл.1.1 и табл.1.2.

Таблица 1.1

Система нумерации (исходящая связь)

Наименование АТС

Нумерация

Номер, набираемый абонентом

Номер, транслируемый по СЛ

Тип трансляции

ЖАТС 1

4000-5120

ЖАТС 2

ХХХ

3ХХХ

ХХХ

МЧК

УАТС

XXX 7XXX XXX

ДБК

ГАТС

XXXXXX 9XXXXXX XXXXXX

МЧК

Стол заказов

121

Стол справок

131

УАК

ABC 0ABCXXXX ABCXXXX

ДБК


Таблица 1.2

Система нумерации (входящая связь)

Наименование АТС

Восстанавливаемые или гасимые цифры

Номер, набираемый абонентом

Номер транслируемый по СЛ

Тип трансляции

УАК

0XXXXXXX XXXXXXX

ДБК

ГАТС

2994XXX, 2995XXX 4XXX, 5XXX

МЧК

МТС

XXXX XXXX

ДБК

ЖАТС 2

4XXX 4XXX

МЧК

УАТС

4XXX 4XXX

ДБК


На функциональной схеме связи железнодорожного узла показаны проектируемая АТС и встречные станции.

Схема выполнена так, что можно проследить установление соединения как внутри проектируемой станции, так и с абонентами встречных станций.

Станции узла соединяются между собой по физическим соединительным линиям (ФСЛ), каналам ТЧ систем передачи – аналоговым (АСП) . Включение линий и каналов производится посредством комплектов соединительных линий (КСЛ) – исходящих (ИК), входящих (ВК), двухсторонних (ДК). Тип КСЛ зависит от способа организации СЛ или канала ТЧ. Имеются следующие типы КСЛ:

ИКБ-3, ВКБ-3 – исходящий и входящий комплекты для работы по трехпроводным физическим соединительным линиям;

ДКБК – двухсторонний комплект для работы по каналам ТЧ без выделенного сигнального канала; сигнализация частотой 2600 или 2100 Гц, используемая на сети АКТС железнодорожного транспорта;

Перечисленные комплекты обеспечивают трансляцию импульсов набора номера как декадным, так и многочастотным кодом.

Для связи со спецслужбами и ручной МТС служат комплекты:

ИКС – исходящий комплект для связи со спецслужбами (столом справок и столом заказов МТС);

ВКМР – входящий комплект для связи от МТС.

На встречных станциях узла для включения соединительных линий и каналов применяются комплекты, входящие в состав оборудования этих АТС.

Функциональная схема узла связи показана на рис.1.2.

Проектируемая ЖАТС 1 типа АТСКЭ "Квант" емкостью 1120 номеров построена по узловой схеме. Станция обслуживает абонентов управления железной дороги, имеющих нумерацию 4000 - 5120.

Связь с ГАТС типа АТСКУ осуществляется по аналоговой системе передачи К-12+12, для чего на ЖАТС 1 применяются комплекты ДКБК, на ГАТС – комплекты СЦТ. Взаимодействие между станциями осуществляется многочастотным кодом. Для выхода на ГАТС от абонентов ЖАТС 1 используется индекс 9 и набор шестизначного номера городского абонента. Для соединения с абонентом ЖАТС 1 абонент ГАТС должен набрать шестизначный номер 2994XXX или 2995XXX, по каналу АСП транслируются последние четыре цифры.

Связь ЖАТС 1 с УАТС типа ДШС осуществляется по физическим соединительным линиям (ФСЛ), для этого на проектируемом "Кванте" используются комплекты ИКБ-3 и ВКБ-3, на КРЖ – комплекты СК. Взаимодействие осуществляется декадными импульсами. Выход от ЖАТС 1 на УАТС осуществляется набором индекса 7 и трехзначного номера абонента ДШС, выход от УАТС на ЖАТС 1 – набором индекса 0 и, после получения от "Кванта" повторного ОС, набором четырехзначного номера абонента.

Связь с УАКом координатной системы организована по физическим соединительным линиям с помощью комплектов ИКБ-3 и ВКБ-3 со стороны "Кванта" и РСЛИ-4 и ПКУ со стороны УАКа. Взаимодействие между ЖАТС-1 и УАКом осуществляется декадно-батарейными импульсами. Для выхода на УАК абонент "Кванта" набирает 0 и далее 7 цифр (3 цифры кода города и 4 цифры номера абонента), которые транслируются по соединительной линии. При входящем соединении от УАК поступают 4 цифры номера.

Проектируемая АТС имеет исходящую связь со спецслужбами (столом справок и столом заказов) по физическим линиям через комплекты ИКС. Выход осуществляется кодами 131 и 121 соответственно.

Входящая связь от МТС осуществляется по физическим линиям через комплекты ВКМР. При занятии комплекта телефонистке подается ОС. Номер транслируется декадными импульсами.


2 РАСЧЕТ ТЕЛЕФОННОЙ НАГРУЗКИ И ОБЪЕМА ОБОРУДОВАНИЯ


2.1. Общие сведения.


Объем оборудования АТСКЭ "Квант" определяется по абонентской емкости станции (число АК, число БАЛ) и в зависимости от величины телефонной нагрузки (число ИК, ВК, ДК, ПБ и др.). Расчеты количе­ства оборудования устройств связи производятся по нагрузке, по­ступающей в час наибольшей нагрузки (ЧНН). Нормы качества обслу­живания вызовов для разных элементов оборудования АТС и линий приведены в [1, табл.4.1.].

Для проектирования телефонной станции заданы средние зна­чения числа вызовов, поступающих в ЧНН, и средние значения длите­льностей занятия приборов. По этим данным рассчитано сред­нее значение (математическое ожидание) поступающей телефонной на­грузки – Y. Наблюдения показывают, что в реальных условиях значе­ния телефонной нагрузки в ЧНН разных дней могут значительно от­клоняться от среднего значения Y, полученного за многие дни изме­рений. Случайные снижения нагрузки вызывают меньшее падение вели­чины вероятности потерь, а увеличения нагрузки – большее возрас­тание этой вероятности. Чтобы учесть влияние отмеченного эффек­та, расчеты количества оборудования телефонного тракта произво­дятся по расчетной нагрузке YР. Связь между нагрузками Y и YР устанавливается соотношениями:


(2.1)


(2.2)


2.2. Исходные данные.


Величина телефонной нагрузки, поступающей на приборы станции в ЧНН, может быть определена по формуле


(2.3)


где  N – число источников нагрузки;

C – среднее число вызовов, поступающих от одного источника нагрузки в ЧНН;

T – средняя длительность одного занятия.

Так как не все вызовы заканчиваются разговором, то с учетом этого фактора, телефонная нагрузка будет определяться по формуле:


Y=a·PP·N·C·T (2.4)


где PР – доля вызовов закончившихся разговором;

 – коэффициент, учитывающий увеличение продолжительности занятия приборов АТС вызовами, которые не закончились разговором. Принимаем = 1,2.

В курсовом проекте введены следующие обозначения:

1. Для среднего числа вызовов, приходящихся на каждого або­нента АТС в ЧНН: CВН – внутристанционных (ЖАТС 1); CИ.ЖАТС2, CИ.ГАТС, СИ.УАТС, CИ.УАК - исходящих к ЖАТС 2, ГАТС, УАТС; CИ.СПЕЦ – исходящих к спецслужбам (стол заказов МТС, стол спра­вок); CВ.ЖАТС2, CВ.ГАТС, CВ.УАТС, CВ.УАК, CВ.МТС – входящих от ЖАТС 2, ГАТС, УАТС, УАК и МТС;

2. Для средней длительности разговора: ТР.ВН – внутристанци­онного; ТР.ЖАТС2, ТР.ГАТС, ТР.УАТС, ТР.МТС, ТР.СПЕЦ – внешних с ЖАТС 2, ГАТС, УАТС, МТС, спецслужбами;

3. Для числа цифр номера: n – количество цифр номера абонен­тов проектируемой АТС; n1 – количество цифр, принимаемых ПБ для определения выхода на встречную АТС; n2 – количество цифр, транс­лируемых на встречную АТС; n­(ИСХ) – количество цифр полного номе­ра абонента встречной АТС при исходящей связи (включая индекс вы­хода при наличии); n(ВХ) – количество цифр номера, поступающего от встречной АТС при входящей связи.

Расчет нагрузки производится отдельно для приборов и соеди­нительных линий разного назначения для конечной емкости станции.

Средняя телефонная нагрузка, складывается из длительностей занятия соответствующих приборов и линий при сообщениях разного вида.

Длительность занятия коммутационных приборов при состоявшемся разговоре складывается из времени установления соединения, слушания абонентом сигналов ОС, КПВ и времени разговора. Средние значение длительности процессов, происходящих при работе станции, и их обозначения приведены в [1,табл. 4.2.].


2.3.Порядок расчета.


Для определения объема оборудования или проведения проверочных расчетов по достаточности, необходимо определить телефонную нагрузку, поступающую на каждую группу приборов и каждый пучок входящих и исходящих соединительных линий.

Расчет средних значений телефонной нагрузки выполняется для конечной емкости станции и проводится по методике, изложенной в [1].


2.4. Расчет нагрузки ИШК.


В один блок БАЛ может быть включено до 64 абонентских линий. Вся нагрузка, создаваемая абонентами при установлении исходящих внутристанционных и внешних соединений, поступает на исходящие шнуровые комплекты.

Нагрузка, поступающая на ИШК одного блока БАЛ, рассчитывается по формуле:


(2.5)


где NБАЛ – число абонентов, включенных в блок БАЛ;

CВН – среднее число вызовов, поступающих от одного абонента в ЧНН при внутристанционном соединении;

TИШК.ВН – длительность занятия ИШК при внутристанционном соединении;

CИ.i – среднее число вызовов в i-м направлении;

TИШК.i – длительность занятия ИШК при исходящем соединении в i-м направлении;

k – число направлений внешней связи.

Среднее число вызовов при внутристанционном соединении


(2.6)


где Cа, СК – число вызовов, поступающих в ЧНН от одного абонента административного и квартирного секторов соответственно;

Na, NК – число абонентов административного и квартирного сек­торов соответственно;

N – емкость АТС.



Для определения длительностей занятий приборов удобно, поль­зуясь функциональными схемами проектируемой и встречных АТС, со­ставить выражения для соответствующего времени, учитывая все про­цессы, которые должны произойти в это время. Длительности отде­льных процессов берутся из задания и из [1, табл. 4.2.].

Средняя длительность занятия ИШК при внутристанционном со­единении определится суммой, в которую входят время установления соединения к ПБ, время слушания сигнала "ответ станции", время набора четырех цифр номера (n=4), время установления соединения к вызываемому абоненту, посылка вызова, разговор и время разъедине­ния:


T­­ишк.вн=tс.кэ+tос+n.tнн+tс.кэ+tпв+Tр.вн+tр.а, (2.7)

Tишк.вн=1+3+4·1.5+1+10+144+1=166 (с).

Время, необходимое для установления исходящих соединений к другим АТС, зависит от способа передачи номера на встречную АТС. АТСКЭ "Квант" может транслировать номер декадным кодом (батарей­ным, шлейфным и т.п. способами), многочастотным кодом (импульсный челнок) или по ОКСу.

В выражение для определения длительности занятия ИШК при ис­ходящем соединении войдут следующие времена: подключения ПБ, слу­шания сигнала "ответ станции", набора n1 цифр, достаточных для выбора направления и определения способа трансляции номера, под­ключения ИК, времени установления соединения на встречной АТС (T­АТС.i), посылки вызова и разъединения:


Tишк.i =tс.кэ+tос+n1.tнн+tс.кэ+TАТС.i+tпв+TР.i+tР.а, (2.8)


Если встречная станция электронного типа, то все цифры номера абонента встречной АТС принимается в ПБ, т.е. n1 = n(исх), после этого устанавливается соединение к встречной АТС и многочастотным кодом способом "импульсный челнок" передают­ся n1 цифр номера.

Время TАТС.i определяется для типов АТС:

координатной АТСК 100/2000


TАТС.i =tМРИ+n2.tНН+tМГИ+tМГИ+tМАИ. (2.9)


квазиэлектронной АТСКЭ “Квант”


TАТС.i =tС.Э+n2.tМ+tС.Э. (2.10)


координатной АТСКУ


ТАТС.i =tМГИ.Г +tМГИ.Г+tМСР+tМАВ.


Декадно-шаговой АТС ДШС


ТАТС.i=n2*tНН


При связи со столом справок и столом заказов МТС передачи импульсов набора номера нет, поэтому вместо времени TАТС.i опре­деляется время TСПЕЦ:

TСПЕЦ = tОТ + tР.МТС. (2.11)


TАТС.ЖАТС 2=1+3*0.2+1=2.6 (с);

TАТС.ГАТС=0.65+0.65+0.5+0.9 =2.7 (с);

ТАТС.УАТС=3*1.5=4.5 (с);

ТАТС.УАК=0.15+7·1.5+5·0.7+0.75=14.9 (с);

ТСПЕЦ.ст.зак.=4+5=9 (с);

ТСПЕЦ.ст.спр.=4+5=9 (с).


ТИШК.ЖАТС 2=1+3+4·1.5+1+2.6+10+96+1=122.3 (с);

ТИШК.ГАТС=1+3+7·1.5+1+2.7+10+86.4+1=115.6 (с);

ТИШК.УАТС=1+3+2·1.5+1+4.5+10+79.2+1=102.7 (с);

ТИШК.УАК=1+3+2·1.5+1+14.9+10+108+1=141.9 (с);

ТИШК.ст.зак.=1+3+2·1.5+1+9+28.2+10+1=56.2 (с);

ТИШК.ст.спр.=1+3+2·1.5+1+9+28.2+10+1=56.2 (с).



2.5. Расчет нагрузки ВШК.


Вся входящая нагрузка, поступающая к абонентским линиям, включенным в один БАЛ, проходит через ВШК и рассчитывается по формуле


, (2.12)

где ТВШК.ВН – длительность занятия ВШК при внутристанционном соединении;

CВ.i – среднее число вызовов от i-го направления;

TВШК.i – длительность занятия ВШК при установлении входящего соединения от i-го направления.

Длительности, входящие в эти формулы, определяютя:


TВШК.ВН = tС.КЭ + tПВ + TР.ВН + tР.А, (2.13)

TВШК.i = tС.КЭ + tПВ + TР.i + tР.А. (2.14)


Для входящего соединения от МТС


TВШК.МТС = tС.КЭ + tС.МТС + TР.МТС +tР.МТС + tР.А. (2.15)


ТВШК.ВН=1+10+144+1=156 (с);

ТВШК.ЖАТС 2=1+10+96+1=108 (с);

ТВШК.ГАТС=1+10+86.4+1=98.4 (с);

ТВШК.УАТС=1+10+79.2+1=91.2 (с);

ТВШК.УАК=1+10+108+1=120 (с);

ТВШК.МТС=1+20+117+5+1=144 (с).



2.6 Расчет нагрузки приемников и датчиков

сигналов управления.


Приемники и датчики сигналов управления (ПДСУ) состоят из приемников батарейных (ПБ) и оборудования приемников и датчиков многочастотных (ПДМ). Входы ПБ и ПДМ при включении в выходы звена D блока БИЛ запараллеливаются. Поэтому, число ПБ рассчитыва­ется по нагрузке ПДБ:

YПДБ = YПБ + YПДМ , (2.16)


где YПБ – нагрузка на ПБ от абонентских и соединительных линий при работе декадным кодом;

YПДМ – нагрузка на ПДМ от соединительных линий при работе многочастотным кодом.

Приемники батарейные (ПБ) занимаются при внутристанционных, исходящих и входящих соединениях.

Нагрузка ПБ рассчитывается по формуле:


(2.17)


где N – емкость проектируемой АТС;

TПБ.ВН – длительность занятия ПБ при внутристанционных со­единениях;

T­ПБ.И.i – то же при исходящих соединениях;

TПБ.В.i – то же при входящих соединениях.

В формуле (2.17) учитываются все k исходящих направлений к встречным станциям и спецслужбам, и только m входящих направлений от станций, взаимодействие с которыми осуществляется декадным ко­дом.

Длительности занятия ПБ определяются:


TПБ.ВН = tС.КЭ + n . tНН + tС.КЭ, (2.18)

TПБ.И.i = tС.КЭ + n(ИСХ) . tНН + tС.КЭ, (2.19)

TПБ.В.i = tС.КЭ + n(ВХ) . tНН + tС.КЭ, (2.20)


где n – число знаков номера абонента проектируемой АТС;

n(ИСХ) - число знаков полного номера вызываемого абонента встречной АТС, включая и индекс выхода;

n(ВХ) – число знаков номера, поступающего при входящей свя­зи. Если по входящему направлению не происходит ни гашения ни восстановления цифр номера, то n(ВХ) = n.

Оборудование ПДМ участвует при установлении входящих и исхо­дящих местных соединениях со станциями АТСКУ (АТСК), а так же станциями квазиэлектронного и электронного типов. Кроме того, ПДМ задействуется при установлении исходящих междугородных соединений для передачи информации АОН.

Нагрузка на ПДМ определяется по формуле:



(2.21)


где TПДМ.И.i = tС.КЭ + n2 . tМ + tС.КЭ; (2.22)

TПДМ.В.i = tС.КЭ + n(ВХ) . tМ + tС.КЭ; (2.23)


В формулу (2.21) входят только p направлений связи к АТС с передачей номера многочастотным кодом.

Нагрузка ПДМ при приеме запроса и передаче информации АОН определяется по формуле:


(2.24)


где TПДМ.АОН – время запроса и выдачи информации АОН.

Принимаем TПДМ.АОН = 1,5 с.


ТПБ.ВН=1+4·1.5+1=8 (с);

ТПБ.И.ЖАТС 2=1+4·1.5+1=8 (с);

ТПБ.И.ГАТС=1+7·1.5+1=12.5 (с);

ТПБ.И.УАТС=1+4·1.5+1=8 (с);

ТПБ.И.УАК=1+8·1.5+1=14 (с);

ТПБ.И.ст.зак.=1+3·1.5+1=6.5 (с);

ТПБ.И,ст.спр.=1+3·1.5+1=6.5 (с).


ТПБ.В.ЖАТС 2=1+4·1.5+1=8 (с);

ТПБ.В.ГАТС=1+4·1.5+1=8 (с);

ТПБ.В.УАТС=1+4·1.5+1=8 (с);

ТПБ.В.УАК=1+4·1.5+1=8 (с);

ТПБ.В.МТС=1+4·1.5+1=8 (с).


YПДМ.И.ЖАТС2=1+3·0.2+1=2.6 (с);

YПДМ.В.ЖАТС2=1+4·0.2+1=2.8 (с);

YПДМ.И.ГАТС=1+6·0.2+1=3.2 (с);

YПДМ.В.ГАТС=1+4·0.2+1=2.8 (с).





2.7. Расчет нагрузок соединительных линий.


Нагрузка, поступающая на пучок исходящих (двухсторонних) соединительных ли­ний, может быть определена для каждого направления по формуле


(2.25)


Исходящая соединительная линия занимается после набора або­нентом цифр, достаточных для выбора направления и способа транс­ляции импульсов набора номера. Время занятия исходящей соедините­льной линии определяется по формуле:

TИ.СЛ.i =tС.КЭ+TАТС.i+tПВ+TР.i+tР.А, (2.26)

где TАТС.i определяется с учетом замечаний по расчету нагрузки ИШК к формуле (4.5).

ТИ.СЛ.ЖАТС 2=1+2.6+10+96+1=110.6 (с);

ТИ.СЛ.ГАТС=1+2.7+10+86.4+1=101.1 (с);

ТИ.СЛ.УАТС=1+4.5+10+79.2+1=95.7 (с);

ТИ.СЛ.УАК=1+14.9+10+108+1=134.9 (с);

ТИ.СЛ.ст.зак.=1+9+10+28.2+1=49.2 (с);

ТИ.СЛ.ст.спр.=1+9+10+28.2+1=49.2 (с).







Среднее значение нагрузки, поступающей на пучок входящих со­единительных линий, может быть рассчитано по формуле


(2.27)


Входящая соединительная линия занимается после набора або­нентом встречной станции кода, обеспечивающего выход на соедини­тельную линию, и остается занятой до отбоя. Длительность занятия входящей соединительной линии зависит от способа трансляции цифр номера от встречной АТС.

Если встречная станция электронного типа, то номер вызыва­емого абонента передается на АТСКЭ "Квант" многочастотным кодом способом "импульсный челнок". Время TВ.СЛ.i определяется по фор­муле:

TВ.СЛ.i = tС.КЭ+n.tМ+tС.КЭ+tПВ+TР.i+tР.А. (2.28)

Если оборудованием встречной АТС не предусматривается много­частотный обмен, то трансляция импульсов набора номера ведется декадным кодом. Время занятия соединительной линии определяется по формуле:

TВ.СЛ.i = tС.КЭ+n.tНН+tС.КЭ+tПВ+TР.i+tР.А. (2.29)


ТВ.СЛ.ЖАТС 2=1+4·0.2+1+10+96+1=109.8 (с);

ТВ.СЛ.ГАТС=1+4·0.2+1+10+86.4+1=100.2 (с);

ТВ.СЛ.УАТС=1+4·1.5+1+10+79.2+1=98.2 (с);

ТВ.СЛ.УАК=1+4·1.5+1+10+108+1=127 (с);

ТВ.СЛ.МТС=1+4·1.5+1+10+117+5=136 (с).







Для того, чтобы рассчитать нагрузку, поступающую на пучок двухсторонних соедините­льных линий необходимо для каждого направления сначала рассчитать по (2.28) входящую нагрузку YВ.СЛ.i и по (2.29) исходящую нагрузку YИ.СЛ.i.

Двухсторонняя нагрузка определяется как сумма

YД.СЛ.i =YИ.СЛ.i+YВ.СЛ.i. (2.30)


YД.СЛ.ЖАТС2=YИ.СЛ.ЖАТС2+YВ.СЛ.ЖАТС2=10.34+26.65=36.99 (Эрл).

YД.СЛ.ГАТС=YИ.СЛ.ГАТС+YВ.СЛ.ГАТС=7.55+7.29=14.84 (Эрл).


2.8.Расчет нагрузки перемычек между БВЛ и БИЛ.


Перемычки между БВЛ и БИЛ (промежуточные линии FC) заняты только при входящих соедине­ниях. Нагрузка на перемычки определяются по формуле:



(2.31)


YFC=26.65+7.29+3.48+6.16+4.06=47.64 (Эрл).

Число пучков перемычек KFC определяются:


KFC = KБВЛ . KБИЛ, (2.32)

KFC=5.10=50.

Количество перемычек в каждом пучке определяется выражени­ями:


(2.33)

VFC=32/5=6.4»7

Общая нагрузка, проходящая через все БИЛ станции:

YБИЛ = YИШК. KБАЛ + YFC, (2.34)

YБИЛ=3.78*20+47.64=123.24 (Эрл).

По результатам расчета нагрузок YИШК, YВШК, YБИЛ по формуле (2.1) определяются расчетные значения YР.ИШК, YР.ВШК, YР.БИЛ и вычисляются удельные нагрузки на звенья КП и вероятности занятости промежуточных линий:

YР.ИШК + YР.ВШК

YAB = , (2.35)

32


YР.ИШК

YBC = , (2.36)

32·КБИЛ



YР.БИЛ

YCD = , (2.37)

64· КБИЛ



По нагрузкам YAB, YBC, YCD определяются вероятности занятости промежуточных линий PAB, PBC, PCD. Вероятность занятости промлинии включенной в МСФ какого-либо звена, может быть вычислена при условии свободности, по крайней мере, одного входа в этот МСФ, так как при занятости всех входов вызов к нему не мог бы поступить. Если на каждый из 8 входов МСФ поступает нагрузка Y, то при условии свободности одного входа нагрузка МСФ составит 7Y, а на один из восьми будет приходиться 7Y/8. Вероятность занятости промежуточных линий принимается численно равной нагрузке соответствующего выхода:

PAB = 7 YAB / 8=0,290; (2.38)

PBC = 7 YBC / 8=0,014; (2.39)

PCD = 7 YCD / 8=0,179. (2.40)


Результаты расчета занесены в табл. 2.1.


Таблица 2.1

Результаты расчетов нагрузок и приборов

Наименование

Приборов и линий

Обозначение

Нагрузки

Нагрузка, Эрл



Средняя

Расчетная


YИШК

3.78 5.09

YВШК

4.16 5.54

YПБ

14.3 16.85

YПДМ.АОН

5.6·10-3

5.6·10-2


YПДМ

2.31 3.33

YПДБ

16.61 19.36

YИ.СЛ.ЖАТС 2

10.34 12.51

YИ.СЛ.ГАТС

7.55 9.4

YИ.СЛ.УАТС

0.89 1.53

YИ.СЛ.УАК

5.54 7.13

YИ.СЛ.ст.зак.

5.05 6.57

YИ.СЛ.ст.спр.

5.05 6.57

YВ.СЛ.ЖАТС 2

26.65 30.13

YВ.СЛ.ГАТС

7.29 9.11

YВ.СЛ.УАТС

3.48 4.74

YВ.СЛ.УАК

6.16 7.83

YВ.СЛ.МТС

4.06 5.42

YД.СЛ.ЖАТС2

36.99 41.09

YД.СЛ.ГАТС

14.84 17.49

YБИЛ

123.24 130.72

2.9. Определение количества коммутационного

оборудования и шнуровых комплектов.


Количество БАЛ определяется абонентской емкостью АТС


KБАЛ = N / 64, (2.41)


KБАЛ=1120/64=17.5=18

На одном ТЭЗе ШК расположены два комплекта: исходящий (ИШК) и входящий (ВШК). Количество ТЭЗов ШК определяется:


VШК = 16 KБАЛ, (2.42)


VШК=16·18=288.

Количество БИЛ для узловой станции принимается равным

KБИЛ = KБАЛ/2, (2.43)


KБИЛ=18/2=9.

Количество БВЛ для узловой станции


KБВЛ = KБИЛ/2, (2.44)


KБВЛ=9/2=4.5=5.

Коммутационные блоки БИЛ и БВЛ, имеющие по 64 входа и 64 выхода, предназначены для включения комплектов ПБ, ПДМ, ИК, ВК, ДК, ИШК, ВШК, промлиний FC. Количество БИЛ и БВЛ должны обеспечить подключение необходимого количества указанных блоков. Количество ИК, ВК, ДК и ПБ определяется исходя из расчет­ных значений нагрузок и показателей качества обслуживания абонен­тов. Количество ИК, ВК и ДК соответствует числу исходящих, входя­щих и двухсторонних соединительных линий.


2.10. Методы расчета количества приборов АТС.


Исходными данными для расчетов количества соединительных ли­нии и приемников и датчиков сигналов управления являются величины расчетных нагрузок из таблицы 2.1 и вероятности потерь по вызо­вам, приведенные в [1, табл. 4.1.].

Расчет числа линий полнодоступных неблокируемых пучков про­изводится по первой формуле Эрланга:


(2.45)


где P – потери по вызовам;

Yр – расчетное значение поступающей нагрузки;

V – число линий пучка;

EV(Yр) – краткая условная форма записи первой формулы Эрлан­га для пучка из V линий и нагрузки Yр.

Кроме случая расчета полнодоступного неблокируемого пучка первая формула Эрланга применяется в качестве вспомогательной при расчетах более сложных пучков.

График P = EV(Yр), построенный по данным расчетов по первой формуле Эрланга, приведен на рис.5.12. [2].

Чтобы определить чис­ло линий в полнодоступном неблокируемом пучке для заданных значе­ний Yр и P, находим с помощью графика минимальное значе­ние V, которое при нагрузке Yр обеспечивает вероятность потерь, меньшую или равную заданному значению P.

Для расчета неполнодоступных неблокируемых пучков можно воспользоваться методом О'Делла. Число линий в пучке в этом случае равно:



(2.46)


где a и b – коэффициенты, зависящие от величины вероятности потерь P и доступности D.

Значения коэффициентов a и b приведены в [1, табл.5.1.].

В тех случаях, когда доступность принимает дробные значения, следует воспользоваться формулой Пальма-Якобеуса :

(2.47)


Полнодоступные блокируемые пучки, образуемые двухзвенными ступенями искания, встречающимися, например, в координатных АТС, можно рассчитать с помощью формулы Якобеуса :



(2.48)


где P – заданная норма потерь;

Yр – расчетная величина нагрузки, поступающая на пучок со­единительных линий;

a – расчетная нагрузка, приходящаяся на один вход блока ГИ;

n, m, q, f – параметры блока ГИ.

Необходимая для расчета величина числа линий пучка выражает­ся через параметры блока:

V = mq. Для упрощения расчетов по фор­муле (2.48) можно воспользоваться графиками V = f(Yр) для ряда значений D и P, которые приведены на рис. 5.10. [3].

Для расчета числа линий VНБ неполнодоступного блокируемого пучка с доступностью D, включаемого в двухзвенные ступени иска­ния, служит формула ЦНИИС - ЛФ:



(2.49)


где YD – пропускная способность полнодоступного неблокируемого пучка при доступности D. Определяется по первой формуле Эрланга (2.45) при V=D и заданных потерях P;

YО – нагрузка, поступающая к полнодоступному блокируемому пучку при V = D, определяется по формуле Якобеуса (2.48);

VНН – число линий неблокируемого неполнодоступного пучка с доступностью D, который обуславливает потери P при заданной рас­четной нагрузке YР. Величина VНН определяется по формуле О'Делла (2.46).

Полнодоступные блокируемые пучки, образованные в квазиэлек­тронных АТС с числом звеньев коммутации три и более, рассчитываем с помощью метода эффективной доступности.

DЭ = V - W ( V - Yр YS ), (2.50)


где V – искомое число линий, определяемое подбором;

W – вероятность занятости всех соединительных путей от входа в первое звено до линии рассматриваемого пучка, включенной в вы­ход последнего звена (вероятность блокировки линии);

YS – расчетная нагрузка, приходящаяся на один выход послед­него звена.

Вероятность W вычисляется с помощью метода вероятностных графов.

Вероятность блокировки соединительной линии, включенной в выходы БИЛ АТСКЭ "Квант" по методу вероятностных графов равна:


W=[1-[1-[1-(1-Pbc)·(1-Pcd)]z1] ·(1-Pab2)]z2 (2.51)


где PAB, PBC, PCD – вероятности занятия промежуточных линий меж­ду звеньями A и B, B и C, C и D.

Величины Z1 и Z2 зависят от числа точек включения линий в вы­ходы блоков и от числа f промежуточных линий между каждым БАЛ и каждым БИЛ. Величина f определяется:


f=16 / KБИЛ, (2.52)

f=16/9=1.77»2.

В зависимости от числа f и от числа выходов БИЛ, в которые включается каждая линия, по табл.5.2 [1] выбираем значения Z1 и Z2.

Расчеты числа линий блокируемых пучков АТСКЭ “Квант” по методу эффективной доступности выполняются подбором в последовательности, изложенной в [1].


2.11. Расчет количества входящих и

двухсторонних соединительных линий.


Число входящих соединительных линий VВХ.i вычисляется отдельно для каждого входящего направления связи по соответствующим расчетным нагрузкам YР.В.СЛ.i. Сначала, в зависимости от типа встречной АТС, определяются виды пучков линий. Затем, по соответствующим формулам (2.45 – 2.51) производится расчет числа линий.

При расчете входящих линий от координатных АТС образуются блокируемые пучки. Для расчетов принимается удельная нагрузка на один вход ГИ a = 0,5 Эрл. Для блоков группового искания АТСК 100/2000, имеющих 30 входов, 40 промежуточных линий и 200 выходов структурные параметры будут: m = 20, n = 15, f = 1, D = 20, q = V/m. Сначала, число линий от координатной АТС определяем по формуле Якобеуса (5.8) для полнодоступного блокируемого пучка. Если рассчитанное число линий V > D то это значит, что пучок не­полнодоступный и расчет следует повторить по формуле ЦНИИС-ЛФ (2.49), в которой предварительно определяются величины YD и Y0 по формулам Эрланга (5.5) и Якобеуса (2.48) соответственно при V = D, а число линий Vнн рассчитывается по формуле О'Делла (2.46).


YР.ДСЛ.ЖАТС2=41.09 Эрл, считаем по формуле (2.46):

VНН=1.25·41.09+4.9=56.26»57.

Теперь считаем по формулам (2.47), (2.50), (2.51):

DЭ=54-30.4·10-3(54-41.09·0.4)=52.85;

V=54.


YР.ДСЛ.ГАТС=17.49 Эрл, считаем по формуле (2.49):

Yd=11.24 Эрл; Y0=10.48 Эрл.

a=1.25; b=4.9; VНН=1.25·17.49+4.9=26.76»27.

.


YР.ВСЛ.УАТС=4.74 Эрл, считаем по формуле (2.46):

VПБ»11.


YР.ВСЛ.УАК=7.83 Эрл, считаем по формуле (2.48):

VПБ»16.


YР.ВСЛ.МТС=5.42 Эрл, считаем по формуле (2.46):

VНН=1.41·5.42+6.9=14.54»15.

Число двухсторонних соединительных линий VДК.i определяется по соответствующим расчетным значениям двухсторонних нагрузок YР.Д.СЛ.i, так же, как и число входящих линий.


2.12. Расчет количества исходящих

соединительных линий и приемников батарейных.


Расчеты количества ИК (VИК.i) и ПБ (VКОМПЛ.ПБ) выполняются по расчетным значениям нагрузок YР.И.СЛ.i и YР.ПДБ . Расчеты выполняются методом эффективной доступности по формулам (2.50) и (2.47). Вероятность блокировки W определяется по формуле (2.51).


YР.ИСЛ.УАТС=1.53 Эрл;

W=30.4·10-3; DЭ=6-30.4·10-3(6-7.13·0.4)=5.83;

ЮV=6.


YР.ИСЛ.УАК=7.13 Эрл;

W=30.4·10-3; DЭ=14-30.4·10-3(14-7.13·0.4)=13.66;

ЮV=14.


YР.ИСЛ.ст.зак.=6.57 Эрл;

W=30.4·10-3; DЭ=16-30.4·10-3(16-6.57·0.4)=15.59;

ЮV=16.


YР.ИСЛ.ст.спр.=6.57 Эрл;

W=30.4·10-3; DЭ=16-30.4·10-3(16-6.57·0.4)=15.59;

ЮV=16.


YР.ПБ=16.85 Эрл;

W=30.4·10-3; DЭ=26-30.4·10-3(26-16.85·0.4)=25.41;

ЮV=26.



53



3 КОМПЛЕКТАЦИЯ И РАЗМЕЩЕНИЕ ОБОРУДОВАНИЯ АТСКЭ “Квант”

3.1. Расчет количества оборудования АТС.


Количество коммутационных блоков БАЛ, БИЛ, БВЛ (KБАЛ, KБИЛ, KБВЛ) заказывается в количестве, определенном в п. 2.9 в соответствии со структурной схемой проектируемой станции. Типы используемых блоков (БИЛ, БВЛ) определяются их функциональным назначением, а так же проводностью коммутации (2 или 4).

ТЭЗы ШК уч­режденческих АТС размещаются: половина ТЭЗов расположена в блоках БАЛ, для размещения другой половины нужно заказать кассеты ШК. Количе­ство кассет ШК для учрежденческих АТС опреляется: КШК = KБАЛ/2. В кассете ШК размещается 16 ТЭЗов ШК.

KШК=18/2=9.

Количество ТЭЗов ПБ (VПБ) заказывается в два раза меньшим, чем рассчитанное количество комплектов ПБ (так как на од­ном ТЭЗе – два комплекта).

VПБ=26/2=13.

Количество блоков ПДБ определяется KПДБ = VПБ/16.

KПДБ=13/16=1.

Количество блоков ПДМ (КПДМ) принимается КПДМ = КПДБ.

KПДМ=1.

В каждом блоке ПДМ содержится 4 комплекта ПДМ, в состав ко­торых входят ТЭЗы приемников многочастотных ПМ, датчика многоча­стотного ДМ и приемников двухчастотных П2. Каждый блок ПДМ с по­мощью 16 промлиний KD может быть связан с выходами звена D блоков БИЛ параллельно ПБ. После определения количества блоков ПДМ проверяется удельная нагрузка на один комплект ПДМ:

(3.1)


Так как удельная нагрузка на один комплект ПДМ превышает величину 0.5 Эрл , то количество комплектов ПДМ удваивается.


KПДМ=2.


Комплекты соединительных линий размещаются в кассетах КСЛ и КДЧ. В кассетах КСЛ размещаются ТЭЗы комплектов физических соеди­нительных линий (ИКБ-3, ВКБ-3, ИКС, ВКМР) или рабо­тающих по системе с выделенным сигнальным каналом (ИКВСК, ВКВСК, ДКИ, ИКИКМ, ВКИКМ). Количество кассет КСЛ определяется отдельно для размещения комплектов исходящих, входящих и двухсторонних со­единительных линий:

ККСЛ(ИК) = VИК/16=52/16=3.25»4; (3.2)

ККСЛ(ВК) = VВК/16=42/16=2.62»3.

Обычно, количество кассет для КСЛ каждого типа (ИК, ВК и ДК) берется кратным двум. Общее количество заказываемых кассет КСЛ определяется:

ККСЛ = ККСЛ(ИК) + ККСЛ(ВК). (3.3)


ККСЛ= 4+3=7.


В кассетах КДЧ размещаются ТЭЗы комплектов, работающих по АСП без выделенного сигнального канала. Для железнодорожной связи выпускаются комплекты ДКБК. В состав этих комплектов входят при­емники сигнальной частоты П1, а так же один на кассету генератор сигнальной частоты Г1. В одной кассете КДЧ размещаются 8 комплек­тов ДКБК, поэтому количество кассет КДЧ определяется по формуле:


ККДЧ(ДК) = VДК/8. (3.4)

KКДЧ(ДК)=83/8=10.34»12.

Результаты расчета количества оборудования представлены в таб­л. 3.1.


Таблица 3.1

Количество заказываемого оборудования

Вид оборудования

Тип блока, кассеты, ТЭЗа

Кол-во блоков, кассет, ТЭЗов.

Примечание

Блок абонентских линий


Блок входящих линий


Блок исходящих линий


Приемники батарейные


Приемники и датчики многочастотные


Комплекты соединительных

Линий

Блок

БАЛ 01


Блок

БСЛ 03


Блок

БСЛ 02


Кассета

ПДБ, ТЭЗ ПБ


Блок

ПДМ


Кассета

КСЛ


Кассета

КДЧ


ТЭЗ ДКБК

ТЭЗ П1

ТЭЗ ИКБ3

ТЭЗ ВКБ-3

ТЭЗ ВКМР

ТЭЗ ИКС

ТЭЗ ДКБК

ТЭЗ ПБ

КБАЛ = 18


КБВЛ = 5


КБИЛ =9


КПДБ =1

VПБ =13


КПДМ = 2


ККСЛ = 16


ККДЧ = 12


VДКБК = 83


VИКБ3 = 20

VВКБ-3=27

VВКМР=15

VИКС=32

VДКБК=83

VПБ=42


Кассета с ТЭЗами УСК1


Кассета ПДМ и ТЭЗы ПМ, ДМ, П2, ПР1, УСК1, КТР


Кассета с ТЭЗами УСК1


Кассета с ТЭЗами УСК1 и Г1


Комплект ДКБК вкл: ТЭЗ ДКБК ТЭЗ П1



Все функциональные устройства АТС выполнены в виде ТЭЗов – съемных приборов с печатным монтажом (печатная плата с электрорадиоэлементами).

ТЭЗы устанавливаются в кассеты, которые имеют направляющие рейки и колодки разъемов для врубания ТЭЗов, колодки для подключения кабелей межкассетных соединений. Монтаж кассеты выполнен проводом сечением 0.12мм2 методом накрутки. Кассеты бывают двух видов – одинарные и сдвоенные.

Установленные в кассеты ТЭЗы образуют блоки, которые размещаются на стативных рядах и соединяются кабелем.

Основные параметры конструкции АТСКЭ “Квант”:

  1. количество кассет в стативе – 8;

  2. высота стативного ряда с рядовым кабельростом – 2450 мм;

  3. ширина одного статива – 800 мм;

  4. глубина стативного ряда – 320 мм;

  5. число стативов в ряду – до 5.

Оборудование АТСКЭ “Квант” размещается параллельными рядами перпендикулярно стене с окнами. Расстояния между рядами оборудования и между оборудованием и стенами помещения выбираются из условия удобства обслуживания и правил техники безопасности. Перекрытия автоматного зала должны выдерживать нагрузку 450 кг/м2. На станции может быть от одного до шести стативных рядов.


3.2. Комплектация оборудования ЦУУ.


Станции любой емкости и назначения имеют в своем составе статив центрального управляющего устройства ЦУУ, который обычно расположен в ряду 00 на стативном месте 00. Комплектация статива ЦУУ показана на рис. 3.1.

Статив ЦУУ укомплектован следующими блоками:

  • ввода – вывода БВВ;

  • центральных процессоров БЦП;

  • запоминающих устройств БЗУ;

  • накопителей на гибких магнитных дисках НГМД;

  • автоматического ввода программ АВП;

  • питания машинной периферии ПМП.


Комплектация статива ЦУУ


БВВ

БВВ

БЗУ0

БЦП

БЗУ1

НГМД

АВП

ПМП


Рис 3.1


3.3. Комплектация оборудования, управляемого по медленному каналу.


К оборудованию, управляемому по медленному каналу, относятся коммутационная система (блоки БАЛ и БСЛ), внутристанционные комплекты (АК и ШК), генераторное оборудование.

Оборудование, управляемое по медленному каналу, размещается в однотипных стативных рядах (ряды 01-04). Каждый ряд содержит коммутационное оборудование, соответствующее 512-номерной абонентской группе. На месте 00 каждого коммутационного ряда располагается статив генераторного оборудования, который носит название БГ в соответствии с названием кассеты.

Статив БГ укомплектован следующими блоками:

  • вторичных источников питания ВИП;

  • каналов БК;

  • генераторов БГ01.

Стативы 01-04 коммутационных рядов однотипны и носят название УВП. В состав статива УВП входят следующие блоки:

  • ввода питания УВП01;

  • абонентских линий БАЛ (два блока);

  • соединительных линий БСЛ;

  • шнуровых комплекто

Комплектация статива БГ Комплектация статива УВП











Рис. 3.2 Рис. 3.3


3.4. Комплектация оборудования, управляемого по быстрому каналу.


К оборудованию, управляемому по быстрому каналу, относятся приемники-датчики сигналов управления ПДСУ, комплекты соединительных линий КСЛ и контрольное устройство периферии КУП.

Оборудование, управляемое по быстрому каналу, размещается на стативах ВВК. Стативы ВВК обычно размещаются в ряду 00, рядом со стативом ЦУУ.

Стативы ВВК любой комплектации обязательно содержат:

  • блок ввода – вывода каналов ВВК, устанавливаемый на месте 03;

  • блок ввода вторичного питания ВВП или блок вторичных источников питания ВИП, устанавливаемый на месте 00.

В состав статива ВВК входят следующие блоки:

  • ввода вторичного питания ВВП;

  • ввода – вывода каналов ВВК;

  • приемников декадных батарейных ПДБ;

  • приемников-датчиков многочастотных ПДМ;

  • контрольных устройств периферии КУП.


Комплектация статива ПДСУ Комплектация статива КСЛ


ВВП


ВИП

ПДБ


КСЛ(КДЧ)

(ВК)

КСЛ(КДЧ)

ПДМ



ВВК



ПДМ


ВВК

ПДБ


КСЛ(КДЧ)

(ВК)

КСЛ(КДЧ)

КУП







Рис. 3.4 Рис. 3.5


Комплектация кассет КДЧ:

















































































































































































































































Комплектация кассет КСЛ (исх).:



















































































Комплектация кассет КСЛ (вх).:





















































































4 РАЗРАБОТКА ПЕРЕМЕННОЙ ЧАСТИ ПРОГРАММНОГО ОБЕСПЕЧЕНИЯ

4.1. Таблица индексов характеристик направлений.


Обращение к таблице индексов характеристик направлений (ИХН) осуществляется по первым двум цифрам номера. Таблица ИХН расположена на адресах 33000-33031 и состоит из 50 шестнадцатиразрядных слов. Номер байта (00-99) соответствует первым двум цифрам номера. Содержимое байта является индексом ХН. По этому индексу программа обращается к таблице исходящих характеристик направлений, имеющей БА=33032. Таблица ХН состоит из двухсловных блоков ХН, которые следуют один за другим, начиная с индекса 0, затем 1, 2 и т.д. Структура характеристик зависит от вида связи и определяется параметром КНС.

Таблица 4.1

Таблица индексов исходящих характеристик направлений


Адрес

FEDCBA98 76543210

“Олимпмйский” формат


Адрес

FEDCBA98 76543210

“Олимпийский” формат


№ ХН

№ ХН



№ ХН

№ ХН



По принятому коду хх



По принятому коду хх


33000 13 0 04300 33019 C B 0300B
33001 13 13 04313 3301A 0 0 00000
33002 13 13 04313 3301B 0 0 00000
33003 0 0 00000 3301C 0 0 00000
33004 0 0 00000 3301D 0 0 00000
33005 0 0 00000 3301E 0 0 00000
33006 15 14 05114 3301F 0 0 00000
33007 0 0 00000 33020 0 0 00000
33008 0 0 00000 33020 0 0 00000
33009 0 0 00000 33022 0 0 00000
3300A 0 0 00000 33023 D D 0310D
3300B 0 0 00000 33024 D D 0310D
3300C 0 0 00000 33025 D D 0310D
3300D 0 0 00000 33026 D D 0310D
3300E 0 0 00000 33027 D D 0310D
3300F 16 16 05216 33028 11 10 04110
33010 16 16 05216 33029 10 12 04012
33011 16 16 05216 3302A 0 10 00010
33012 16 16 05216 3302B 0 0 00000
33013 16 16 05216 3302C 10 10 04010
33014 2 1 00201 3302D E F 0320F
33015 4 3 01003 3302E E E 0320E
33016 6 5 01205 3302F E E 0320E
33017 8 7 02007 33030 0 E 0000E
33018 A 9 02209 33031 E 0 03200

Характеристика незадействованного направления имеет КНС=F. ХН незадействованного направления имеет индекс 0 и всегда расположена на адресах 33032-33033.

Характеристика внутристанционной связи имеет КНС=2, что указывается в разрядах /3-0/ нулевого слова. В разрядах /9-5/ содержится указатель конца набора (УКН), т.е. количество цифр внутристанционного номера.

В первом слове ХН внутристанционной связи записывается БА сотенной группы из “кроссовой” таблицы, содержащей номер абонента.

ХН внешней связи имеют несколько разновидностей и отличаются алгоритмами установления соединения на направления с различными КНС.

В разрядах нулевого слова ХН внешней связи содержится следующая информация: /3-0/ – КНС, /9-5/ – УКН, /F-A/ – номер направления.

Разряды первого слова содержат: /2-0/ – НТН; /3/ – регистрация вызовов; /4/ – тип трансляции номера ТРН; /F-C/ – время расширения межсерийного интервала; /5-8/ – “индекс дополнительного слова”; /9/ – признак четырехпроводного транзита.

Если первых двух цифр номера недостаточно для определения направления связи и значности номера, то применяется ХН с расширением. Единица в разряде /4/ нулевого слова указывает на необходимость перехода к таблице расширения ИХН.

Таблица расширения ИХН состоит из пяти слов. Номер байта (0-9) соответствует третьей (четвертой, пятой и т.д.) цифре номера, а содержимое этого байта – индексу уточненной ХН.

Для выхода к спецслужбам составляются ХН, имеющие КНС=4 – для бесплатных служб. В первом слове ХН бит /6/ указывает на наличие комплекта ИКСВ (ИКС). Остальные параметры характеристики такие же, как у ХН внешней исходящей связи.


Таблица 4.2

Структура ХН связи





33032 0000000000001111

ХН 0

0000F
33033 0000000000000000
00000
33034 0000000010000010

ХН 1

00082
33035 40000
40000
33036 0000000010000010

ХН 2

00082
33037 40064
40064
33038 000000001000010

ХН 3

00082
33039 400C8
400C8
3303A 0000000010000010

ХН 4

00082
3303B 4012C
4012C
3303C 0000000010000010

ХН 5

00082
3303D 40190
40190
3303E 0000000010000010

ХН 6

00082
3303F 401F4
401F4
33040 0000000010000010

ХН 7

00082
33041 40258
40258
33042 0000000010000010

ХН 8

00082
33043 402BC
402BC
33044 0000000010000010

ХН 9

00082
33045 40320
40320
33046 0000000010000010

ХН A

00082
33047 40384
40384
33048 0000000010000010

ХН B

00082
33049 403F8
403F8
3304A 0000000010000010

ХН C

00082
3304B 4104C
4104C
3304C 0000110010000110

ХН D

03086
3304D 0000000000000001
00201
3304E 0000000011100101

ХН E

000E5
3304F 0000001000010001
00211
33050 0000000000011000

ХН F

00018
33051 33150
33150
33052 0000000101101001

ХН 10

00169
33053 0000001000010000
00210
33054 0000000000011001

ХН 11

00019
33055 33155
33155
33056 0000000100101000

ХН 12

00128
33057 0000001000010000
00210
33058 0000100100000110

ХН 13

02106
33059 0000001000000001
00201
3305A 0000000000010000

ХН 14

00010
3305B 3315A
3315A
3305C 0000000000010000

ХН 15

00010
3305D 3315F
3315A
3305E 0000010010000110

ХН 16

01086
3305F 0000001000000000
00200
33060 0000000001100101

ХН 17

00065
33061 0000001000011001
00219
33062 0000000010000101

ХН 18

00085
33063 0000001000011001
00219
33064 0000000001100001

ХН 19

00061
33065 0000001000000000
00200
33066 0000000110101101

ХН 1A

001AD
33067 0000001000010000
00210
33068 0001010001100001

ХН 1B

05061
33069 0000001000001000
00208
3306A 0001000001100001

ХН 1C

04061
3306B 0000001000001000
00208

Таблица 4.3

Структура таблицы ХН F




33150 17 18 05318
33151 17 17 05317
33152 17 17 05317
33153 17 17 05317
33154 17 17 05317

Таблица 4.4

Структура таблицы ХН 11




33155 19 1A 0611A
33156 1A 1A 0621A
33157 1A 1A 0621A
33158 1A 1A 0621A
33159 1A 1A 0621A

Таблица 4.5

Структура таблицы ХН 14




3315A 1B 0 06300
3315B 0 0 00000
3315C 0 0 00000
3315D 0 0 00000
3315E 0 0 00000

Таблица 4.6

Структура таблицы ХН 15




3315F 1C 0 07000
33160 0 0 00000
33161 0 0 00000
33162 0 0 00000
33163 0 0 00000

4.2. Характеристика АТС.


Для отображения в ЗУ общих сведений о данной АТС, а также об АМТС, с которой она взаимодействует, составляется характеристика АТС (табл. 4.7).

Нулевое слово содержит следующие параметры:

  • /F-C/ – тип АТС;

  • /B-8/ – тип АМТС, с которой взаимодействует данная АТС.

В первом слове указан конечный адрес массива четырехсловных блоков ДВО общего пользования, занимаемых под услуги ПОЖ, НАП, РВВ, печать РИМ и т.д. Типовое значение 012EF.

Второе слово содержит следующие параметры:

  • /F-C/ – указатель полной значимости номера;

  • /B-8/ – указатель значимости внутристанционного номера;

  • /5,4/ – количество гасимых цифр при исходящей междугородной связи или начало трансляции номера;

  • /3-0/ – индекс, транслируемый через РАТС для выхода на АМТС.

Третье слово содержит старшие знаки полного семизначного зонового номера абонентов данной АТС, включая дополнение.

Четвертое слово характеристики АТС содержит параметры:

  • /0/ – необходимость трансляции цифры “8” для выхода на АМТС через РАТС;

  • /1/ – наличие системы с набором собственного номера;

  • /7-2/ – номер междугородного направления;

  • /8/ – наличие индекса выхода на городскую сеть;

  • /F, E/ – количество цифр, после которых абонент получает повторный сигнал “Ответ станции”.


Таблица 4.7

Характеристика АТС

F E D C B A 9 8 7 6 5 4 3 2 1 0
0 0 0 1 0 0 1 0 0 0 0 0 0 0 0 0 04200
012 EF 012EF
0 1 1 1 0 1 0 0 0 0 0 0 1 0 0 0 35008
0 1 0 0 1 0 0 1 0 0 1 0 0 0 1 0 22122
0 1 0 0 0 0 0 1 0 0 0 0 0 0 0 1 20101

4.3. Таблицы характеристик входящих направлений.


Характеристики входящих направлений (ХВН) размещены по адресам 33100-3313F. Номер ХВН совпадает с номером направления. Каждая ХВН содержит два шестнадцатиразрядных слова.

В нулевом слове ХВН указывается:

  • /B-0/ – три цифры номера, которые восстанавливаются при занятии ВК;

  • /E-C/ – код типа приемника номера;

  • /F/ – уведомление при входящем вызове.

В первом слове ХВН содержатся следующие параметры:

  • /2-0/ – количество восстанавливаемых цифр;

  • /3/ – наличие комплекта ВКСВ (ВКМР);

  • /4/ – наличие АОН на нижестоящей АТС;

  • /5-7/ – количество гасимых цифр;

  • /9/ – (ОС) – необходимость подачи сигнала “Ответ станции” при занятии входящего комплекта;

  • /A/ – прием номера в ПБ (0) или в ВК (1);

  • /B/ – признак комплекта ДКИ;

  • /F-D/ – указатель конца набора (только для случая приема номера многочастотным кодом методом “импульсный челнок”).


Таблица 4.8

Структура характеристики входящего направления

Адрес

F E D C B A 9 8 7 6 5 4 3 2 1 0

“Олимп” формат

33100 0 0 1 0 0 0 0 0 0 0 0 0 0 0 0 0 10000
33101 1 0 0 0 0 0 0 0 0 0 0 0 0 0 0 0 40008
33102 0 0 0 0 0 0 0 0 0 0 0 0 0 0 0 0 00000
33103 1 0 0 0 0 0 0 0 0 0 0 0 0 0 0 0 40008
33104 0 0 0 0 0 0 0 0 0 0 0 0 0 0 0 0 00000
33105 0 0 0 0 0 1 1 0 0 0 0 0 0 0 0 0 01208
33106 0 0 0 0 0 0 0 0 0 0 0 0 0 0 0 0 00000
33107 0 0 0 0 0 0 1 0 0 0 0 0 0 0 0 0 00208
33108





33109










3310A





3310B










3310C 1 0 0 0 0 0 0 0 0 0 0 0 0 0 0 0 40000
3310D 0 0 0 0 0 0 1 0 0 0 0 0 1 0 0 0 00208

4.4. Таблицы пересчета для входящих комплектов.


Таблица пересчета номера ВК в номер входящего направления (или в номер ХВН) состоит из 256 байтовых элементов и занимает адреса 332E0-3335F. Номер байта соответствует линейному номеру ВК, а его содержимым является номер ХВН (разряды /5-0/ и /D-8/). Кроме того, каждому ВК ставится в соответствие код входящего пучка (биты /7,6/ и /F-E/).

Таблица пересчета номера ВК в код типа комплекта состоит из 256 тетрадных элементов. Номер тетрады соответствует номеру ВК, а содержимое тетрады – коду типа ВК.

Таблица 4.9

Таблица пересчета номера ВК в код типа ВК

323C0 0 0 0 0 0 0 0 0 0 0 0 0 0 0 0 0 0 0 0 0 0
323C1 0 0 0 0 0 0 0 0 0 0 0 0 0 0 0 0 0 0 0 0 0
323C2 0 0 0 0 0 0 0 0 0 0 0 0 0 0 0 0 0 0 0 0 0
323C3 1 1 1 0 1 1 1 0 1 1 1 0 1 1 1 0 7 3 2 E E
323C4 1 1 1 0 1 1 1 0 1 1 1 0 1 1 1 0 7 3 2 E E
323C5 1 1 1 0 1 1 1 0 1 1 1 0 1 1 1 0 7 3 2 E E
323C6 1 1 1 0 1 1 1 0 1 1 1 0 1 1 1 0 7 3 2 E E
323C7 0 0 0 0 0 0 0 0 0 0 0 0 0 0 0 0 0 0 0 0 0
323C8 0 0 0 0 0 0 0 0 0 0 0 0 0 0 0 0 0 0 0 0 0
323C9 0 0 0 0 0 0 0 0 0 0 0 0 0 0 0 0 0 0 0 0 0
323CA 0 0 0 0 0 0 0 0 0 0 0 0 0 0 0 0 0 0 0 0 0
323CB 1 0 0 1 1 0 0 1 1 0 0 1 1 0 0 1 4 6 1 9 9
323CC 1 0 0 1 1 0 0 1 1 0 0 1 1 0 0 1 4 6 1 9 9
323CD 1 0 0 1 1 0 0 1 1 0 0 1 1 0 0 1 4 6 1 9 9
323CE 1 0 0 1 1 0 0 1 1 0 0 1 1 0 0 1 4 6 1 9 9
323CF 1 0 0 1 1 0 0 1 1 0 0 1 1 0 0 1 4 6 1 9 9
323D0 1 0 0 1 1 0 0 1 1 0 0 1 1 0 0 1 4 6 1 9 9
323D1 1 0 0 1 1 0 0 1 1 0 0 1 1 0 0 1 4 6 1 9 9
323D2 1 0 0 1 1 0 0 1 1 0 0 1 1 0 0 1 4 6 1 9 9
323D3 1 0 0 1 1 0 0 1 1 0 0 1 1 0 0 1 4 6 1 9 9
323D4 1 0 0 1 1 0 0 1 1 0 0 1 1 0 0 1 4 6 1 9 9
323D5 1 0 0 1 1 0 0 1 1 0 0 1 1 0 0 1 4 6 1 9 9
323D6 1 0 0 1 1 0 0 1 1 0 0 1 1 0 0 1 4 6 1 9 9
323D7 1 0 0 1 1 0 0 1 1 0 0 1 1 0 0 1 4 6 1 9 9
323D8 1 0 0 1 1 0 0 1 1 0 0 1 1 0 0 1 4 6 1 9 9
323D9 1 0 0 1 1 0 0 1 1 0 0 1 1 0 0 1 4 6 1 9 9
323DA 1 0 0 1 1 0 0 1 1 0 0 1 1 0 0 1 4 6 1 9 9
323DB 1 0 0 1 1 0 0 1 1 0 0 1 1 0 0 1 4 6 1 9 9
323DC 1 0 0 1 1 0 0 1 1 0 0 1 1 0 0 1 4 6 1 9 9
323DD 1 0 0 1 1 0 0 1 1 0 0 1 1 0 0 1 4 6 1 9 9
323DE 1 0 0 1 1 0 0 1 1 0 0 1 1 0 0 1 4 6 1 9 9
323DF 1 0 0 1 1 0 0 1 1 0 0 1 1 0 0 1 4 6 1 9 9
323E0 1 0 0 1 1 0 0 1 1 0 0 1 1 0 0 1 4 6 1 9 9

Таблица 4.10

Таблица пересчета номера ВК в номер входящего направления

332E0 0 0 0 0 0 0 1 1 0 0 0 0 0 0 1 1 00303
332E1 0 0 0 0 0 0 1 1 0 0 0 0 0 0 1 1 00303
332E2 0 0 0 0 0 0 1 1 0 0 0 0 0 0 1 1 00303
332E3 0 0 0 0 0 0 1 1 0 0 0 0 0 0 1 1 00303
332E4 0 0 0 0 0 0 1 1 0 0 0 0 0 0 1 1 00303
332E5 0 0 1 1 1 1 1 1 0 0 0 0 0 0 1 1 17303
332E6 0 1 0 0 0 1 1 0 0 1 0 0 0 1 1 0 21256
332E7 0 1 0 0 0 1 1 0 0 1 0 0 0 1 1 0 21256
332E8 0 1 0 0 0 1 1 0 0 1 0 0 0 1 1 0 21256
332E9 0 1 0 0 0 1 1 0 0 1 0 0 0 1 1 0 21256
332EA 0 1 0 0 0 1 1 0 0 1 0 0 0 1 1 0 21256
332EB 0 1 0 0 0 1 1 0 0 1 0 0 0 1 1 0 21256
332EC 0 1 0 0 0 1 1 0 0 1 0 0 0 1 1 0 21256
332ED 0 1 1 1 1 1 1 1 0 1 0 0 0 1 1 0 34356
332EE 0 1 0 0 0 0 1 0 0 1 0 0 0 0 1 0 20252
332EF 0 1 0 0 0 0 1 0 0 1 0 0 0 0 1 0 20252
332F0 0 1 0 0 0 0 1 0 0 1 0 0 0 0 1 0 20252
332F1 0 1 0 0 0 0 1 0 0 1 0 0 0 0 1 0 20252
332F2 0 1 0 0 0 0 1 0 0 1 0 0 0 0 1 0 20252
332F3 0 1 0 0 0 0 1 0 0 1 0 0 0 0 1 0 20252
332F4 0 1 0 0 0 0 1 0 0 1 0 0 0 0 1 0 20252
332F5 0 1 0 0 0 0 1 0 0 1 0 0 0 0 1 0 20252
332F6 1 0 0 0 0 0 0 1 1 0 0 0 0 0 0 1 40181
332F7 1 0 0 0 0 0 0 1 1 0 0 0 0 0 0 1 40181
332F8 1 0 0 0 0 0 0 1 1 0 0 0 0 0 0 1 40181
332F9 1 0 0 0 0 0 0 1 1 0 0 0 0 0 0 1 40181
332FA 1 0 0 0 0 0 0 1 1 0 0 0 0 0 0 1 40181
332FB 1 0 0 0 0 0 0 1 1 0 0 0 0 0 0 1 40181
332FC 1 0 0 0 0 0 0 1 1 0 0 0 0 0 0 1 40181
332FD 1 0 0 0 0 0 0 1 1 0 0 0 0 0 0 1 40181
332FE 1 0 0 0 0 0 0 1 1 0 0 0 0 0 0 1 40181
332FF 1 0 0 0 0 0 0 1 1 0 0 0 0 0 0 1 40181
33300 1 0 0 0 0 0 0 1 1 0 0 0 0 0 0 1 40181
33301 1 0 0 0 0 0 0 1 1 0 0 0 0 0 0 1 40181
33302 1 0 0 0 0 0 0 1 1 0 0 0 0 0 0 1 40181
33303 1 0 0 0 0 0 0 1 1 0 0 0 0 0 0 1 40181
33304 1 0 0 0 0 0 0 1 1 0 0 0 0 0 0 1 40181
33305 1 0 0 0 0 0 0 1 1 0 0 0 0 0 0 1 40181
33306 1 0 0 0 0 0 0 1 1 0 0 0 0 0 0 1 40181
33307 1 0 0 0 0 0 0 1 1 0 0 0 0 0 0 1 40181
33308 1 0 0 0 0 0 0 1 1 0 0 0 0 0 0 1 40181
33309 1 0 0 0 0 0 0 1 1 0 0 0 0 0 0 1 40181
3330A 1 0 0 0 0 0 0 1 1 0 0 0 0 0 0 1 40181
3330B 1 0 0 0 0 0 0 1 1 0 0 0 0 0 0 1 40181
3330C 1 0 0 0 0 0 0 1 1 0 0 0 0 0 0 1 40181
3330D 1 0 0 0 0 0 0 1 1 0 0 0 0 0 0 1 40181
3330E 1 0 0 0 0 0 0 1 1 0 0 0 0 0 0 1 40181
3330F 1 0 0 0 0 0 0 1 1 0 0 0 0 0 0 1 40181
33310 1 0 0 0 0 0 0 1 1 0 0 0 0 0 0 1 40181
33311 1 0 0 0 0 0 0 0 1 0 0 0 0 0 0 0 40080
33312 1 0 0 0 0 0 0 0 1 0 0 0 0 0 0 0 40080
33313 1 0 0 0 0 0 0 0 1 0 0 0 0 0 0 0 40080
33314 1 0 0 0 0 0 0 0 1 0 0 0 0 0 0 0 40080
33315 1 0 0 0 0 0 0 0 1 0 0 0 0 0 0 0 40080
33316 1 0 0 0 0 0 0 0 1 0 0 0 0 0 0 0 40080
33317 1 0 0 0 0 0 0 0 1 0 0 0 0 0 0 0 40080
33318 1 0 0 0 0 0 0 0 1 0 0 0 0 0 0 0 40080
33319 1 0 0 0 0 0 0 0 1 0 0 0 0 0 0 0 40080
3331A 1 0 0 0 0 0 0 0 1 0 0 0 0 0 0 0 40080
3331B 1 0 0 0 0 0 0 0 1 0 0 0 0 0 0 0 40080
3331C 1 0 0 0 0 0 0 0 1 0 0 0 0 0 0 0 40080
3331D 1 0 0 0 0 0 0 0 1 0 0 0 0 0 0 0 40080
3331E 1 0 0 0 0 0 0 0 1 0 0 0 0 0 0 0 40080
3331F 1 0 1 1 1 1 1 1 1 0 0 0 0 0 0 0 57380

4.5. Таблицы пересчета для исходящих комплектов.


Для каждого ИК в процессе установления соединения необходимо знать номер комплекта. Таблица соответствия номера ИК коду типа комплекта имеет БА=32380. Таблица состоит из 256 тетрадных элементов. Номер тетрады соответствует номеру ИК, а содержимое – коду типа ИК.

Для закрепления исходящих комплектов ИК за исходящими направлениями составляется таблица, имеющая БА=30080. Каждое слово таблицы состоит из двухбайтных элементов. Номер элемента соответствует линейному номеру ИК, а содержимое – номеру исходящего направления.


Таблица 4.11

Таблица пересчета номера ИК в код типа ИК

32380 1 1 1 0 1 1 1 0 1 1 1 0 1 1 1 0 732EE
32381 1 1 1 0 1 1 1 0 1 1 1 0 1 1 1 0 732EE
32382 1 1 1 0 1 1 1 0 1 1 1 0 1 1 1 0 732EE
32383 1 1 1 0 1 1 1 0 1 1 1 0 1 1 1 0 732EE
32384 1 1 1 0 1 1 1 0 1 1 1 0 1 1 1 0 732EE
32385 1 1 1 0 1 1 1 0 1 1 1 0 1 1 1 0 732EE
32386 1 1 1 0 1 1 1 0 1 1 1 0 1 1 1 0 732EE
32387 1 1 1 0 1 1 1 0 1 1 1 0 1 1 1 0 732EE
32388 0 0 0 0 0 0 0 0 0 0 0 0 0 0 0 0 00000
32389 0 0 0 0 0 0 0 0 0 0 0 0 0 0 0 0 00000
3238A 0 0 0 0 0 0 0 0 0 0 0 0 0 0 0 0 00000
3238B 0 0 0 0 0 0 0 0 0 0 0 0 0 0 0 0 00000
3238C 0 0 0 0 0 0 0 0 0 0 0 0 0 0 0 0 00000
3238D 0 0 0 0 0 0 0 0 0 0 0 0 0 0 0 0 00000
3238E 1 0 0 1 1 0 0 1 1 0 0 1 1 0 0 1 46199
3238F 1 0 0 1 1 0 0 1 1 0 0 1 1 0 0 1 46199
32390 1 0 0 1 1 0 0 1 1 0 0 1 1 0 0 1 46199
32391 1 0 0 1 1 0 0 1 1 0 0 1 1 0 0 1 46199
32392 1 0 0 1 1 0 0 1 1 0 0 1 1 0 0 1 46199
32393 1 0 0 1 1 0 0 1 1 0 0 1 1 0 0 1 46199
32394 1 0 0 1 1 0 0 1 1 0 0 1 1 0 0 1 46199
32395 1 0 0 1 1 0 0 1 1 0 0 1 1 0 0 1 46199
32396 1 0 0 1 1 0 0 1 1 0 0 1 1 0 0 1 46199
32397 1 0 0 1 1 0 0 1 1 0 0 1 1 0 0 1 46199
32398 1 0 0 1 1 0 0 1 1 0 0 1 1 0 0 1 46199
32399 1 0 0 1 1 0 0 1 1 0 0 1 1 0 0 1 46199
3239A 1 0 0 1 1 0 0 1 1 0 0 1 1 0 0 1 46199
3239B 1 0 0 1 1 0 0 1 1 0 0 1 1 0 0 1 46199
3239C 1 0 0 1 1 0 0 1 1 0 0 1 1 0 0 1 46199
3239D 1 0 0 1 1 0 0 1 1 0 0 1 1 0 0 1 46199
3239E 1 0 0 1 1 0 0 1 1 0 0 1 1 0 0 1 46199
3239F 1 0 0 1 1 0 0 1 1 0 0 1 1 0 0 1 46199
323A0 1 0 0 1 1 0 0 1 1 0 0 1 1 0 0 1 46199
323A1 1 0 0 1 1 0 0 1 1 0 0 1 1 0 0 1 46199
323A2 1 0 0 1 1 0 0 1 1 0 0 1 1 0 0 1 46199
323A3 1 0 0 1 1 0 0 1 1 0 0 1 1 0 0 1 46199

Таблица 4.12

Таблица пересчета номера ИК в номер исходящего направления

30080 0 0 0 0 0 1 0 0 0 0 0 0 0 1 0 0 01004
30081 0 0 0 0 0 1 0 0 0 0 0 0 0 1 0 0 01004
30082 0 0 0 0 0 1 0 0 0 0 0 0 0 1 0 0 01004
30083 0 0 0 0 0 1 0 0 0 0 0 0 0 1 0 0 01004
30084 0 0 0 0 0 1 0 0 0 0 0 0 0 1 0 0 01004
30085 0 0 0 0 0 1 0 0 0 0 0 0 0 1 0 0 01004
30086 0 0 0 0 0 1 0 0 0 0 0 0 0 1 0 0 01004
30087 0 0 0 0 0 1 0 0 0 0 0 0 0 1 0 0 01004
30088 1 1 1 1 1 1 1 1 1 1 1 1 1 1 1 1 773FF
30089 0 0 0 0 0 1 0 1 0 0 0 0 0 1 0 1 01105
3008A 0 0 0 0 0 1 0 1 0 0 0 0 0 1 0 1 01105
3008B 0 0 0 0 0 1 0 1 0 0 0 0 0 1 0 1 01105
3008C 0 0 0 0 0 1 0 1 0 0 0 0 0 1 0 1 01105
3008D 0 0 0 0 0 1 0 1 0 0 0 0 0 1 0 1 01105
3008E 0 0 0 0 0 1 0 1 0 0 0 0 0 1 0 1 01105
3008F 0 0 0 0 0 1 0 1 0 0 0 0 0 1 0 1 01105
30090 0 0 0 0 0 1 0 1 0 0 0 0 0 1 0 1 01105
30091 1 1 1 1 1 1 1 1 1 1 1 1 1 1 1 1 773FF
30092 0 0 0 0 0 0 1 1 0 0 0 0 0 0 1 1 00303
30093 0 0 0 0 0 0 1 1 0 0 0 0 0 0 1 1 00303
30094 0 0 0 0 0 0 1 1 0 0 0 0 0 0 1 1 00303
30095 1 1 1 1 1 1 1 1 1 1 1 1 1 1 1 1 773FF
30096 0 0 0 0 0 0 1 0 0 0 0 0 0 0 1 0 00202
30097 0 0 0 0 0 0 1 0 0 0 0 0 0 0 1 0 00202
30098 0 0 0 0 0 0 1 0 0 0 0 0 0 0 1 0 00202
30099 0 0 0 0 0 0 1 0 0 0 0 0 0 0 1 0 00202
3009A 0 0 0 0 0 0 1 0 0 0 0 0 0 0 1 0 00202
3009B 0 0 0 0 0 0 1 0 0 0 0 0 0 0 1 0 00202
3009C 0 0 0 0 0 0 1 0 0 0 0 0 0 0 1 0 00202
3009D 1 1 1 1 1 1 1 1 1 1 1 1 1 1 1 1 773FF
3009E 0 0 0 0 0 0 0 1 0 0 0 0 0 0 0 1 00101
3009F 0 0 0 0 0 0 0 1 0 0 0 0 0 0 0 1 00101
300A0 0 0 0 0 0 0 0 1 0 0 0 0 0 0 0 1 00101
300A1 0 0 0 0 0 0 0 1 0 0 0 0 0 0 0 1 00101
300A2 0 0 0 0 0 0 0 1 0 0 0 0 0 0 0 1 00101
300A3 0 0 0 0 0 0 0 1 0 0 0 0 0 0 0 1 00101
300A4 0 0 0 0 0 0 0 1 0 0 0 0 0 0 0 1 00101
300A5 0 0 0 0 0 0 0 1 0 0 0 0 0 0 0 1 00101
300A6 0 0 0 0 0 0 0 1 0 0 0 0 0 0 0 1 00101
300A7 0 0 0 0 0 0 0 1 0 0 0 0 0 0 0 1 00101
300A8 0 0 0 0 0 0 0 1 0 0 0 0 0 0 0 1 00101
300A9 0 0 0 0 0 0 0 1 0 0 0 0 0 0 0 1 00101
300AA 0 0 0 0 0 0 0 1 0 0 0 0 0 0 0 1 00101
300AB 0 0 0 0 0 0 0 1 0 0 0 0 0 0 0 1 00101
300AC 0 0 0 0 0 0 0 1 0 0 0 0 0 0 0 1 00101
300AD 0 0 0 0 0 0 0 1 0 0 0 0 0 0 0 1 00101
300AE 0 0 0 0 0 0 0 1 0 0 0 0 0 0 0 1 00101
300AF 0 0 0 0 0 0 0 1 0 0 0 0 0 0 0 1 00101
300B0 0 0 0 0 0 0 0 1 0 0 0 0 0 0 0 1 00101
300B1 0 0 0 0 0 0 0 1 0 0 0 0 0 0 0 1 00101
300B2 0 0 0 0 0 0 0 1 0 0 0 0 0 0 0 1 00101
300B3 0 0 0 0 0 0 0 1 0 0 0 0 0 0 0 1 00101
300B4 0 0 0 0 0 0 0 1 0 0 0 0 0 0 0 1 00101
300B5 0 0 0 0 0 0 0 1 0 0 0 0 0 0 0 1 00101
300B6 0 0 0 0 0 0 0 1 0 0 0 0 0 0 0 1 00101
300B7 0 0 0 0 0 0 0 1 0 0 0 0 0 0 0 1 00101
300B8 0 0 0 0 0 0 0 1 0 0 0 0 0 0 0 1 00101
300B9 1 1 1 1 1 1 1 1 1 1 1 1 1 1 1 1 773FF
300BA 0 0 0 0 0 0 0 0 0 0 0 0 0 0 0 0 00000
300BB 0 0 0 0 0 0 0 0 0 0 0 0 0 0 0 0 00000
300BC 0 0 0 0 0 0 0 0 0 0 0 0 0 0 0 0 00000
300BD 0 0 0 0 0 0 0 0 0 0 0 0 0 0 0 0 00000
300BE 0 0 0 0 0 0 0 0 0 0 0 0 0 0 0 0 00000
300BF 0 0 0 0 0 0 0 0 0 0 0 0 0 0 0 0 00000
300C0 0 0 0 0 0 0 0 0 0 0 0 0 0 0 0 0 00000
300C1 0 0 0 0 0 0 0 0 0 0 0 0 0 0 0 0 00000
300C2 0 0 0 0 0 0 0 0 0 0 0 0 0 0 0 0 00000
300C3 0 0 0 0 0 0 0 0 0 0 0 0 0 0 0 0 00000
300C4 0 0 0 0 0 0 0 0 0 0 0 0 0 0 0 0 00000
300C5 0 0 0 0 0 0 0 0 0 0 0 0 0 0 0 0 00000
300C6 0 0 0 0 0 0 0 0 0 0 0 0 0 0 0 0 00000
300C7 0 0 0 0 0 0 0 0 0 0 0 0 0 0 0 0 00000
300C8 1 1 1 1 1 1 1 1 0 0 0 0 0 0 0 0 77300
300C9 1 1 1 1 1 1 1 1 1 1 1 1 1 1 1 1 773FF

5 ОПРЕДЕЛЕНИЕ СОСТАВА ЭЛЕКТРОПИТАЮЩИХ УСТРОЙСТВ


Емкость станции N=1280; Ток, потребляемый от первичных источников I=3.8·12=45.6 (A); Время разряда аккумуляторов T=2 ч.

Величина разрядной емкости рассчитывается по разрядному току I и максимально возможной длительности T перерыва подачи электрической энергии переменного тока

QРАЗ=I·T+QАВ;

Емкость, получаемая от аккумуляторной батареи, аварийными потребителями, зависит от тока потребителей IБ и времени работы T:

QАВ=IБ·T;

Ток IБ зависит от заданной мощности потребителей P, номинального напряжения аккумуляторной батареи UН, от которой питается потребитель, и потерь при преобразовании электрической энергии

IБ=P/(UН·h);

P=P0·S=3·234.3=702.9 (Вт); UН=60 В; h=1;

IБ=702.9/60=11.72 (А);

QАВ=11.72·2=23.43 (А·ч);

QРАЗ=45.6·2+23.43=144.64 (А·ч);

Выбираем аккумуляторы типа С-4.

В аккумуляторной батарее общее число последовательно соединенных элементов каждой группы выбирается из условия обеспечения минимально допустимого напряжения на нагрузке в конце аварийного периода времени, когда был выключен источник переменного напряжения:

(5.1)

где UНmin – минимально допустимое напряжение на зажимах нагрузки;

DUТРС – допустимое падение напряжения в токораспределительной сети и устройствах коммутации;

UЭлmin – минимально допустимое напряжение на одном элементе батареи (UЭлmin=1.75).

Число основных элементов рассчитывается по формуле

(5.2)


где UН – номинальное напряжение нагрузки;

UЭЛ.БУФ – номинальное буферное напряжение на одном элементе (UЭЛ.БУФ=2.2 В).

Число дополнительных элементов

NДЭ=NОБЩ-NОСН=38-30=8.

Буферные выпрямители выбирают по максимальному напряжению буферной работы, достаточному для послеаварийного заряда основной группы аккумуляторной батареи

(5.3)

Наибольший ток буферных выпрямителей слагается из тока нагрузки и тока заряда аккумуляторной батареи

где NВ.БУФ – общее число параллельно соединенных буферных выпрямителей, включая резервный.

Выбираем два выпрямителя ВУК-140/66.


6 ОПРЕДЕЛЕНИЕ СТОИМОСТИ ОБОРУДОВАНИЯ АТС


Стоимость оборудования АТСКЭ “Квант” определяется на основе выписки из прейскуранта 24-18-84 [1] и расчетов, выполненных в п.3. Результаты расчета представлены в табл. 6.1.


Таблица 6.1

Локальная смета на приобретение оборудования

Наименование оборудования

Единицы измерения

Количество

Стоимость, руб




Единицы

Общая

Блоки





БАЛ 01

Шт.

18 4820 86760

БСЛ 03

Шт.

5 7202 36010

БСЛ 02

Шт.

9 6587 95256

ПДМ

Шт.

2 4000 8000

КУП

Шт.

2 1857 3714

ВВП

Шт.

2 1444 2888

ВВК

Шт.

6 1844 11064

ВИП

Шт.

5 1217 6085

БК

Шт.

3 1630 4890

ШК 01

Шт.

9 2182 19638

УВП 01

Шт.

9 1265 11385

БГ 01

Шт.

6 1290 7740

БВВ 2

Шт.

2 2120 4240

БП 01

Шт.

1 1815 1815

БЦП 1

Шт.

1 2030 2030

БЗУ 1

Шт.

1 3835 3835

Кассеты





ПДБ (+ТЭЗы УСК 1)

Шт.

1 602 602

КСЛ (+ТЭЗы УСК 1)

Шт.

7 615 4305

КДЧ (+ТЭЗы УСК 1)

Шт.

12 551 6612

ТЭЗы





ИКБ-3

Шт.

20 151 3020

ВКБ-3

Шт.

27 142 3834

ВКМР

Шт.

15 130 1950

ИКС

Шт.

32 112 3584

ДКБК

Шт.

83 138 11454

ПБ

Шт.

13 90 1170

Комплекты





ЗИП

Шт.

1 14772 14772

К-т. стат. (3)

Шт.

1 686 686

К-т. стат. (4)

Шт.

1 790 790

К-т. стат. (5)

Шт.

3 930 2790

К-т. кабелей (1024)

Шт.

1 11174 11174

К-т. кабелей (256)

Шт.

1 3262 3262

УАВП

Шт.

1 8030 8030

К-т. инструмента

Шт.

1 114 114

Итого




383499

Трансп.расх.

Проц.

3
11505

Загот.расх.

Проц.

1.2
4602

Итого оборудования




399606

Стоимость одного номера – 399606·10:1280=3567.91 руб.»$137.2.


Курс : $ 1=26 руб.


СПИСОК ЛИТЕРАТУРЫ


1. Проектирование АТСКЭ “Квант” железнодорожного узла связи: Методические указания по курсовому и дипломному про­ектированию, часть 1/А.В.Холод, А.Н.Громов. – Омский гос. унив-т путей сообщения, 1999. 32с.

2. Телефонная связь на железнодорожном транспорте. – Мето­дические указания к курсовому проектированию/ А.А.Пономарев, И.М.Соколова-Курганская, И.В.Раздобарова, А.В.Холод. – Омск: Омский ин-т инж. ж.-д. транспорта, 1984 – 72 с (приложение).

3. Телефонная связь на железнодорожном транспорте. – Мето­дические указания к курсовому проектированию/ А.А.Пономарев,И.М.Соколова-Курганская, И.В.Раздобарова, А.В.Холод. – Омск: Омский ин-т инж. ж.-д. транспорта, 1984 – 72 с.

4. Автоматическая телефонная связь на железнодорожном транспорте / В.М.Волков, А.К.Лебединский, А.А. Павлов­ский, Ю.В.Юркин; Под ред. В.М.Волкова. М.: Транспорт, 1996. 342 с.

5. Соколова-Курганская И.М., Холод А.В., Раздобарова И.В. Абонентские и внестанционные данные АТСКЭ "Квант" / Ом­ский ин-т инж. ж.-д. транспорта. – Омск, 1992. – 52 с.

6. Основы построения АТСКЭ “Квант”: Методические указания к лабораторным работам по курсу “Автоматическая телефонная связь на железнодорожном транспорте”/И.М.Соколова-Курганская, А.В.Холод, И.В.Раздобарова. – Омский инт-т инж. ж.-д. транспорта, 1990, 50 с.

7. Поздняков Л.Г., Карпова Л.А., Митрохин В.Е. Расчет электропитающей установки для устройств автоматики и связи. – Омск: Омский ин-т инж. ж.-д. транспорта, 1984. – 52 с.

8. Истратова В.М., Косенко С.С., Соколов Ю.И. Квазиэлектронные АТС на железнодорожном транспорте. – М: Транспорт, 1991. – 191 с.



© 2012 Рефераты, доклады и дипломные работы, курсовые работы бесплатно.