рефераты
Главная

Рефераты по международному публичному праву

Рефераты по международному частному праву

Рефераты по международным отношениям

Рефераты по культуре и искусству

Рефераты по менеджменту

Рефераты по металлургии

Рефераты по муниципальному праву

Рефераты по налогообложению

Рефераты по оккультизму и уфологии

Рефераты по педагогике

Рефераты по политологии

Рефераты по праву

Биографии

Рефераты по предпринимательству

Рефераты по психологии

Рефераты по радиоэлектронике

Рефераты по риторике

Рефераты по социологии

Рефераты по статистике

Рефераты по страхованию

Рефераты по строительству

Рефераты по таможенной системе

Сочинения по литературе и русскому языку

Рефераты по теории государства и права

Рефераты по теории организации

Рефераты по теплотехнике

Рефераты по технологии

Рефераты по товароведению

Рефераты по транспорту

Рефераты по трудовому праву

Рефераты по туризму

Рефераты по уголовному праву и процессу

Рефераты по управлению

Курсовая работа: Устройство усилителя мощности звуковой частоты

Курсовая работа: Устройство усилителя мощности звуковой частоты

Содержание

Введение

1. Техническое задание

1.1 Назначение и область применения

1.2 Технические характеристики

1.3 Характеристика надежности

1.4 Условия эксплуатации

2. Обзор литературных источников

3. Анализ структурной схемы

4. Анализ схемы электрической принципиальной

5. Выбор элементной базы

5.1 Конденсаторы

5.2 Микросхема

5.3 Резисторы

5.4 Диоды

5.5 Транзисторы

6. Описание монтажной схемы

6.1 Печатная плата

6.2 Сборочный чертеж

7. Расчет надежности

8. Расчет вибропрочности

9. Расчет теплового режима

10. Расчет электромагнитной совместимости

Заключение

Список литературы

Приложение


Введение

В настоящее время в технике повсеместно используются разнообразные усилительные устройства. Куда мы не посмотрим – усилители повсюду окружают нас. В каждом радиоприёмнике, в каждом телевизоре, в компьютере и станке с числовым программным управлением есть усилительные каскады. Эти устройства, воистину, являются грандиознейшим изобретением человечества.

В зависимости от типа усиливаемого параметра усилительные устройства делятся на усилители тока, напряжения и мощности.

В данном курсовом проекте решается задача проектирования усилителя мощности (УМ) звуковой частоты (ЗЧ) на основе операционных усилителей (ОУ). В задачу входит анализ исходных данных на предмет оптимального выбора структурной схемы и типа электронных компонентов, входящих в состав устройства, расчёт цепей усилителя и параметров его компонентов, и анализ частотных характеристик полученного устройства.

Оптимизация выбора составных компонентов состоит в том, что при проектировании усилителя следует использовать такие элементы, чтобы их параметры обеспечивали максимальную эффективность устройства по заданным характеристикам, а также его экономичность с точки зрения расхода энергии питания и себестоимости, входящих в него компонентов.


1. Техническое задание

1.1 Назначение и область применения

Описанный в данной работе усилитель ЗЧ предназначен для радиоприемника, также он может быть применен в других схожих устройствах. Используется для усиления мощности в диапазоне 20…20000 Гц с минимальным коэффициентом процентом гармоник нелинейных искажений. Конструкция усилителя проста и надежна.

 

1.2 Технические характеристики

Выходная мощность, Вт 150

Коэффициент гармоник, не более, % 0,2

Диапазон частот, Гц 20…20000

КПД, % 68

Номинальное входное напряжение, В 1

Входное сопротивление, кОм 10

 

1.3 Характеристика надежности

Среднее время наработки на отказ, ч 5000

 

1.4 Условия эксплуатации

Температура окружающей среды, 0 C -10…+50

Относительная влажность воздуха при температуре +20 0 C, % до 90


2. Обзор литературных источников

1) «Простой стереофонической усилитель мощности».

Б. С. Иванов – «В помощь радиокружку» – М: «Радио и связь», 1990 г.

В данной книге рассматривается простой стереофонический усилитель мощности (рис. 1). Он состоит из одной интегральной микросхемы и четырех мощных малогабаритных транзисторов. Основные параметры: номинальная выходная мощность на нагрузке достигает 2 Вт в каждом канале; коэффициент гармоник не превышает 1% (на частоте 1 кГц), диапазон пропускаемых частот лежит в пределах от 63 Гц до 12.5 кГц. Он пригоден для воспроизведения грамзаписи при подключении к входу пьезоэлектрического стереофонического или монофонического звукоснимателя, для усиления звука переносного транзисторного радиоприемника во время туристских походов, для воспроизведения записей через автомобильный кассетный стереопроигрыватель и во многих других случаях [6].

Рис. 1. Простой стереофонической усилитель мощности

2) «УЗЧ транзисторного приемника».

Н. Ф. Назаров – «В помощь радиолюбителю», выпуск 93 – М: «ДОСААФ», 1986 г.

Этот усилитель мощности звуковых частот можно использовать в транзисторных радиовещательных или связных приемниках, а также в приемном тракте коротковолновых или ультракоротковолновых трансиверов. Максимальная выходная мощность усилителя 250…300 мВт (рис. 2). Номинальное сопротивление нагрузки лежит в пределах 10…50 Ом. Остальные параметры УЗЧ зависят от того, какой необходимо иметь коэффициент усиления. В усилителе можно применять любые общецелевые ОУ с внутренней коррекцией АЧХ [7].

Рис. 2. УЗЧ транзисторного приемника

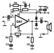
3) «Усилитель мощности звуковой частоты класса "Hi-Fi" на TDA2030».

http://detalinadom.narod.ru/nabor/nabTDA2030.htm

Микросхема по своей сути представляет мощный операционный усилитель и принципиальная схема у нее такая же (рис. 3). В данном варианте реализована схема не инвертирующего включения. Для простоты сборки усилитель собран по схеме с однополярным питанием и обеспечивает на нагрузку 4 Ома до 15 Вт. Данный усилитель мощности является универсальным кирпичиком для построения высококачественного усилителя любой конфигурации, от обычного стереофонического до мультимедийного 2.1 или 5.1. При питании до 20 В в таком усилителе в качестве сабвуферного можно использовать мостовую схему на TDA2050 (набор У033), при питании до 30 В в этой роли требуется использование более мощного усилителя, например на TDA2052 (У034) [3].

Рис. 3. Усилитель мощности звуковой частоты класса "Hi-Fi" на TDA2030

4) «Усилитель мощности звуковой частоты».

http://schematic.by.ru/65/6502.htm

Усилитель ЗЧ имеет очень низкие коэффициенты гармонических и интермодуляционных искажений, он сравнительно прост, способен выдерживать кратковременное короткое замыкание в нагрузке, не требует выносных элементов термостабилизации тока транзисторов выходного каскада (рис. 4). Основные технические характеристики: максимальная мощность на нагрузке сопротивлением 4 0м – 80 Вт; номинальный диапазон частот 20…20000 Гц; коэффициент гармоник не более 0,002 коэффициент интермодуляционных искажений 0,0015 % [4].


Рис.4. Усилитель мощности звуковой частоты

Вывод: Рассматриваемый в данной работе усилитель звуковой частоты надежней и мощней, чем существующие аналоги, он обладает большей выходной мощностью, меньшим коэффициентом гармоник и т. д. Схемы со схожими характеристиками имеют большие размеры, что усложняет их расчет и сборку.


3. Анализ структурной схемы

Рис. 5. Структурная схема УМЗЧ

1 – блок ограничения (БО), 2 – предварительный каскад (ПК), 3 – блок стабилизации (БС), 4 – обратная связь (ОС), 5 – выходной каскад (ВК).

БО уменьшает коэффициент усиления ОУ, чтобы стабилизировать его характеристики, когда выходное напряжение усилителя мощности достигает максимального значения. В результате уменьшается глубина насыщения транзисторов VT1, VT2 и снижается вероятность возникновения сквозного тока в выходном каскаде [5].

ПК осуществляет необходимое усиление по напряжению и обеспечивает работу усилителя с глубокой отрицательной ОС. Источник входного сигнала развивают очень низкое напряжение. Подавать его непосредственно на каскад усиления мощности не имеет смысла, так как при слабом управляющем напряжении невозможно получить значительные изменения выходного тока.

БС стабилизируют напряжение питания ОУ, которое одновременно используется для создания необходимого напряжения смещения выходного каскада.

ОС стабилизирует характеристики УМ и задает общий коэффициент усиления по напряжению.

ВК обеспечивает необходимое усиление по току и по напряжению.


4. Анализ схемы электрической принципиальной

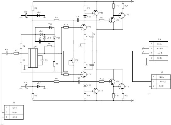
Каскад предварительного усиления выполнен на быстродействующем ОУ DA1 (К544УД2Б), который наряду с необходимым усилением по напряжению обеспечивает работу усилителя с глубокой ООС (рис. 6). Резистор обратной связи R5 и R1 определяют коэффициент усиления усилителя. Выходной каскад выполнен на транзисторах VT1…VT8. Он обеспечивает усиление, как по току, так и по напряжению. В основном каскаде (VT3, VT4) предусматривается использование мощных составных транзисторов КТ825, КТ827. Вспомогательный каскад VT5…VT8 также должен быть собран на составных транзисторах. Резисторы R8…R22, диоды VD7, VD8 и транзисторы VT1, VT2 определяют режим работы выходных каскадов, который не меняется при изменении напряжения питания в значительных пределах.

Рис. 6. Электрическая принципиальная схема усилителя мощности звуковой частоты

Конденсаторы С6…С9 корректируют фазовую и частотную характеристики каскада. Стабилитроны VD1, VD2 стабилизируют напряжение питания ОУ, которое одновременно используется для создания необходимого напряжения смещения выходного каскада.

Делитель выходного напряжения ОУ R6, R7, диоды VD3…VD6 и резистор R4 образуют цепь нелинейной ООС, которая уменьшает коэффициент усиления ОУ, когда выходное напряжение усилителя мощности достигнет своего максимального значения. В результате уменьшается глубина насыщения транзисторов VT1, VT2 и снижается вероятность возникновения сквозного тока в выходном каскаде. Конденсаторы С4, С5 – корректирующие. С увеличением емкости конденсатора С4 растет устойчивость усилителя, но одновременно увеличиваются нелинейные искажения, особенно на высших частотах.

Усилитель сохраняет работоспособность при снижении напряжения питания до ±25 В. Возможно и дальнейшее снижение напряжения питания вплоть до ±15 В и даже до ±12 В при уменьшении сопротивления резисторов R2, R3 или непосредственном подключении выводов питания ОУ к общему источнику питания и исключении стабилитронов VD1, VD2 [5].


5. Выбор элементной базы

5.1 Конденсаторы

Применяемые в радиоаппаратуре конденсаторы можно разделить на конденсаторы постоянной, переменой емкости и подстроечные.

У конденсаторов постоянной емкости в конструкции возможность изменения величины емкости не предусмотрена. Эти конденсаторы применяют в качестве элементов колебательных контуров, настроенных на фиксированную частоту, в качестве элементов связи, для компенсации изменяющихся параметров элементов контура при воздействии повышенной или пониженной температуры, для сопряжения контуров в супергетеродинных приемниках, в качестве разделительных, блокировочных и для многих других целей. Такое разнообразие функций привело к созданию большого количества типов конденсаторов постоянной емкости. В зависимости от материала диэлектрика конденсаторы можно разделить на следующие группы: керамические (рис. 7), слюдяные, бумажные, пленочные и электролитические (рис. 8) [1].

Рис. 7. Конденсатор МП31-5


Рис. 8. Конденсатор К50-12.

 

5.2 Микросхема

Наибольшее распространение получили ИС, у которых все элементы и межэлементные соединения выполнены в объеме и на поверхности полупроводника. Их называют полупроводниковыми.

Для изготовления полупроводниковых микросхем используют кремниевые монокристаллические пластины диаметром не менее 30 — 60 мм и толщиной 0,25 — 0,4 мм. Элементы микросхемы — биполярные и полевые транзисторы, диоды, резисторы и конденсаторы — формируют в полупроводниковой пластине методами, известными из технологии дискретных полупроводниковых приборов (селективная диффузия, эпитаксия и др.). Межсоединения выполняют напылением узких проводящих дорожек алюминия на окисленную (т. е. электрически изолированную) поверхность кремния, имеющую окна в пленке окисла в тех местах, где должен осуществляться контакт дорожек с кремнием (в области эмиттера, базы, коллектора транзистора и т. д.). Для соединения элементов микросхемы с ее выводами на проводящих дорожках создаются расширенные участки —контактные площадки. Методом напыления иногда изготавливают также резисторы и конденсаторы (рис. 9).


Рис. 9. Интегральная микросхема К544УД2Б

 

5.3 Резисторы

применяемые в радиоаппаратостроении резисторы подразделяют на постоянные (рис. 10) и переменные. Переменными называют резисторы, сопротивление которых можно плавно изменять в процессе эксплуатации или регулировки аппарата. Их применяют в тех случаях. когда это необходимо для изменения параметров изделия, или же для компенсации в процессе регулировки погрешностей параметров других элементов схемы. Во всех остальных случаях используют постоянные резисторы.

усилитель мощность транзисторный нагрузка

Рис. 10. Резистор МЛТ-0,125

 

5.4 Диоды

Основным элементом большинства полупроводниковых приборов является электронно-дырочный переход, представляющий собой переходной слой между полупроводниками различной проводимости. На границе перехода за счёт концентрации носителей образуется контактная разность потенциалов.

p-n переход обладает несимметричной электропроводностью, изменяемой электронной емкостью, сильной зависимостью тока от внешних параметров to, изменение полей.

В p-n переходе происходит диффузия основных носителей электронов из p-области в n-области. При этом возникает диффузионный ток:

Iдиф= Ipдиф- Inдиф,

его направление совпадает с направлением диффузий дырок.

Электрический заряд в кристалле перераспределяется, электронная нейтральность кристалла нарушается.

Диффузирующие основные носители рекомбинируют, в результате чего изменяется концентрация подвижных носителей. В приконтактном слое образуются заряды: в p-области отрицательные, в n-области положительные. В результате образуется двойной слой пространственного заряда, который называется запирающим. Запирающий слой может быть неоднородным из-за смещения нейтрали в сторону области с меньшей концентрацией примеси. Пространственные заряды образуют электрическое поле перехода с максимальной направленностью на границе изменения заряда.

Выпрямительные диоды работают на частоте 50-100 кГц (рис. 11), служат для преобразования переменного напряжения в постоянное (выпрямленное).

Рис. 11. Выпрямительный диод КД510А

Стабилитроны работают в режиме лавинного пробоя с балансом рассеиваемой мощности (рис. 12). Рабочая точка стабилитрона устанавливается таким образом, чтобы пересечение нагрузочной прямой на ВАХ с характеристикой стабилитрона приходилось на площадку стабилизации. В отличие от стабилитрона стабистор работает на прямой ветке ВАХ, в результате чего напряжения стабилизации стабисторов незначительны (порядка 0.7…1.8 Вольт).

Рис. 12. Стабилитрон КС515А

 

5.5 Транзисторы

Транзистор – сложный полупроводниковый прибор, использующий свойство нелинейности характеристик в области p-n перехода (рис. 13, рис. 14). Основное назначение транзистора в электронных схемах – усиление сигналов по току или по напряжению в зависимости от его включения. Биполярный транзистор имеет, в общем случае, 3 вывода – управляющий (база), и выводы непосредственно управляемого p-n перехода (коллектор и эмиттер).

Биполярные транзисторы характеризуются двумя p-n переходами, расположенными на одном кристалле.

Транзисторы бывают: корпусные и бескорпусные в зависимости от технологии изготовления.

Динамические характеристики транзисторов определяют режим работы транзистора, в выходной цепи которого имеется нагрузка , а на вход подается усиливаемый сигнал. Динамические режимы отличаются от статического сильным взаимным влиянием параметров транзистора и элементов схемы.

Рис. 13. Транзисторы КТ814В, КТ815В, КТ816Г, КТ817Г

Рис. 14. Транзисторы КТ825Г, КТ827А


6. Описание монтажной схемы

6.1 Печатная плата

При конструировании печатных плат используется четыре главных критерия выбора:

- габаритный критерий;

- критерий плотности рисунка и толщины проводящего слоя;

- критерий числа слоев;

- критерий материала основания.

По ГОСТ 23752-79 выбираем первый класс плотности рисунка печатной платы. Для данного класса плотности имеем:

- ширина проводника не менее 0.5 мм;

- расстояние между проводниками не менее 0.5 мм;

- разрешающая способность 1.0 линий/мм.

 

6.2 Сборочный чертеж

Все детали УМЗЧ размещены на одной плате из фольгированного стеклотекстолита (СФ-1Н-50). Исключение составляют транзисторы VT3, VT4, VT7, VT8, установленные на теплоотводах с общей площадью рассеиваемой поверхности 1200 мм2 [5].


7. Расчет надежности

Надежность аппаратуры определяется надежностью и количеством используемых в ней элементов. Так как надежность является одним из основных параметров изделия, то, проектируя аппаратуру, ее следует оценить наряду с другими параметрами и на основе этих расчетов делать выводы о правильности выбранной схемы и конструкции изделия [1].

Вероятность безотказной работы P(tр) и среднее время наработки на отказ Tср достаточно полно характеризуют надежность прибора.

,

где l - интенсивность отказа.

,

где li – интенсивность отказа i-го элемента.

,

Влияние внешних факторов на радиоэлементы оценивается с помощью коэффициента нагрузки.

Для транзисторов: ,

где P – фактическая мощность, рассеиваемая на коллекторе, Pmax – максимальная допустимая мощность, рассеиваемая на коллекторе.

Для резисторов: ,

где P – фактическая мощность, рассеиваемая на резисторе, Pн – номинальная мощность.

Для конденсаторов: ,

где U – фактическое напряжение, приложенное к конденсатору, Uн – номинальное напряжение конденсатора

Для диодов: ,

где I – фактический выпрямленный ток, а Imax – максимально допустимый выпрямленный ток.

Расчет по постоянному току был произведен с помощью программы Electronics Workwench 5.12 (Таб. 1).

Таблица 1

Наименование,

тип элемента

Фактическое

значение

параметра

Номинальное

значение

параметра

K a l0, 10-6 (1/ч)

, 10-6 (1/ч)

Диоды

VD1 КС515А

VD2 КС515А

VD3 КД510А

VD4 КД510А

VD5 КД510А

VD6 КД510А

VD7 КД510А

VD8 КД510А

I=3мА

I=3мА

I=34мА

I=34мА

I=34мА

I=34мА

I=81мА

I=81мА

Imax=53мА

Imax=53мА

Imax=0,2А

Imax=0,2А

Imax=0,2А

Imax=0,2А

Imax=0,2А

Imax=0,2А

0,057

0,057

0,17

0,17

0,17

0,17

0,4

0,4

0,3

0,3

0,5

0,5

0,5

0,5

0,5

0,5

0,2

0,2

0,2

0,2

0,2

0,2

0,2

0,2

0,06

0,06

0,1

0,1

0,1

0,1

0,1

0,1

Конденсаторы

C1 К31П-5

C2 К31П-5

C3 К31П-5

C4 К31П-5

C5 К31П-5

C6 К31П-5

C7 К31П-5

C8 К31П-5

C9 К31П-5

U=1В

U=2В

U=2В

U=3В

U=0,4В

U=8В

U=8В

U=11В

U=11В

Uн=100В

Uн=100В

Uн=100В

Uн=100В

Uн=100В

Uн=100В

Uн=100В

Uн=100В

Uн=100В

0,01

0,02

0,02

0,03

0,004

0,08

0,08

0,11

0,11

0,2

0,2

0,2

0,2

0,1

0,3

0,3

0,3

0,3

0,08

0,08

0,08

0,08

0,08

0,08

0,08

0,08

0,3

0,016

0,016

0,016

0,016

0,008

0,024

0,024

0,024

0,024

Микросхема

DA1 К544УД2Б

I=0,05нА Iвх=0,15нА 0,33 0,5 0,2 0,1

Резисторы

R1 МЛТ

R2 МЛТ

R3 МЛТ

R4 МЛТ

R5 МЛТ

R6 МЛТ

R7 МЛТ

R8 МЛТ

R9 МЛТ

R10 МЛТ

R11 МЛТ

R12 СП3-38Д

R13 МЛТ

R14 МЛТ

R15 МЛТ

R16 МЛТ

R17 МЛТ

R18 МЛТ

R19 МЛТ

R20 МЛТ

R21 МЛТ

R22 МЛТ

P=0,013Вт

P=0,021Вт

P=0,05Вт

P=0,07Вт

P=0,07Вт

P=0,063Вт

P=0,004Вт

P=0,044Вт

P=0,044Вт

P=0,081Вт

P=0,081Вт

P=0,036Вт

P=0,102Вт

P=0,102Вт

P=0,109Вт

P=0,109Вт

P=0,105Вт

P=0,105Вт

P=0,098Вт

P=0,098Вт

P=0.114Вт

P=0.114Вт

Pн=0,125Вт

Pн=0,125Вт

Pн=0,125Вт

Pн=0,125Вт

Pн=0,125Вт

Pн=0,125Вт

Pн=0,125Вт

Pн=0,125Вт

Pн=0,125Вт

Pн=0,125Вт

Pн=0,125Вт

Pн=0,125Вт

Pн=0,125Вт

Pн=0,125Вт

Pн=0,125Вт

Pн=0,125Вт

Pн=0,125Вт

Pн=0,125Вт

Pн=0,125Вт

Pн=0,125Вт

Pн=0,125Вт

Pн=0,125Вт

0,104

0,168

0,4

0,56

0,56

0,504

0,032

0,352

0,352

0,648

0,648

0,288

0,816

0,816

0,872

0,872

0,84

0,84

0,784

0,784

0,912

0,912

0,3

0,5

0,5

0,7

0,7

0,7

0,2

0,5

0,5

0,7

0,7

0,5

0,7

0,7

0,9

0,9

0,7

0,7

0,7

0,7

0,9

0,9

0,05

0,05

0,05

0,05

0,05

0,05

0,05

0,05

0,05

0,05

0,05

0,04

0,05

0,05

0,05

0,05

0,05

0,05

0,05

0,05

0,05

0,05

0,015

0,025

0,025

0,035

0,035

0,035

0,01

0,025

0,025

0,035

0,035

0,02

0,035

0,035

0,045

0,045

0,035

0,035

0,035

0,035

0,045

0,045

Транзисторы

VT1 КТ814В

VT2 КТ815В

VT3 КТ825Г

VT4 КТ827А

VT5 КТ816Г

VT6 КТ816Г

VT7 КТ817Г

VT8 КТ817Г

P=0,3Вт

P=0,3Вт

P=110Вт

P=110Вт

P=1,4Вт

P=1,4Вт

P=12Вт

P=12Вт

Pmax=10Вт

Pmax=10Вт

Pmax=125Вт

Pmax=125Вт

Pmax=25Вт

Pmax=25Вт

Pmax=25Вт

Pmax=25Вт

0,03

0,03

0,88

0,88

0,056

0,056

0,5

0,5

0,2

0,2

0,95

0,95

0,3

0,3

0,55

0,55

0,2

0,2

0,2

0,2

0,2

0,2

0,2

0,2

0,04

0,04

0,2

0,2

0,06

0,06

0,1

0,1

Интенсивность отказов:

,

Средняя наработка на отказ:

,

.

Из приведенных расчетов можно сказать, что разрабатываемый УМЗЧ будет безотказно работать 5000 часов с вероятностью 98%.


8. Расчет вибропрочности

Радиоэлектронная аппаратура, устанавливаемая на подвижных объектах, в процессе эксплуатации подвергается вибрациям и ударам. В зависимости от характера объекта частота вибраций может лежать в диапазоне от единиц до тысяч герц, а перегрузки могут достигать десятков g [1].

Печатная плата схемы представляет собой пластину. Формула для расчета собственной резонансной частоты пластины, закрепленной в четырех точках:

, ,

где m, n=1, 2, 3… - целые положительные числа, a – длина платы, b – ширина платы, d – толщина платы, D – жесткость материала платы, E – модуль Юнга, m - коэффициент Пуассона.

Будем рассчитывать первую моду колебаний:

m=1, n=1, b=0,155 м, a=0,2 м, d=0,002 м, r=1800 кг/м3.

,

 Гц.

Примем частоту вынуждающей силы f=50 Гц. Коэффициент виброизоляции равен:


, .

Полученные расчеты показывают, что собственная частота конструкции выше, чем частота возбуждающих вибраций. Это означает, что изделие обладает необходимой вибропрочностью.


9. Расчет теплового режима

Большинство радиотехнических устройств, потребляя от источников питания мощность, измеряемую десятками, а иногда и сотнями ватт, отдают полезной нагрузке от десятых долей до единиц ватта. Остальная электрическая энергия, превращаясь в тепловую, выделяется внутри аппарата. Температура нагрева аппарата оказывается выше температуры окружающей среды, в результате чего происходит процесс отдачи тепла в окружающее пространство. Этот процесс идет тем интенсивнее, чем больше разность температур аппарата и окружающей среды [1].

В выходном каскаде усилителя используются транзисторы КТ825Г, КТ827А, КТ817Г для которых необходимо использование теплоотвода.

Для подтверждения, рассчитаем эти транзисторы по постоянному току без теплоотвода.

 Вт.

Расчеты для КТ825Г и КТ827А идентичны.

 Вт.

Так как , ,  значительно превышает допустимые значения мощности рассеивания на коллекторе, то применение теплоотвода необходимо.


10. Расчет электромагнитной совместимости

При компоновке аппаратуры приходится решать вопросы обеспечения электромагнитной совместимости с внешними устройствами. Причинами помех выступают протекающие по проводникам токи и наведенные ими на соседние проводники паразитные сигналы, электромагнитные поля от внешних и внутренних источников излучения и возникающие в связи с этими полями блуждающие токи в несущих конструкциях. Разрабатываемый мною усилитель мощности ЗЧ, как и всякое электрическое устройство, излучает в пространство электромагнитные волны. Мощность излучения зависит от протекающих в проводниках токов. Внешние электромагнитные помехи оказывают большое влияние на работу любого прибора, но избавиться от таких помех сложно и для данного прибора не требуется.

Таким образом, специальных устройств для устранения электромагнитных волн усилителя мощности звуковой частоты не требуется.


Заключение

В ходе выполнения курсового проекта были освоены теоретические основы конструирования, надежности и анализа радиоэлектронных систем; изучены основные этапы и методы проектирования; изучены общие требования к аппаратуре по надежности, требования по виброустойчивости; изучены стадии разработки конструкторской документации, ее виды и комплектность. Освоены принципы и методы системного подхода процесса проектирования радиоэлектронных устройств работы; произведен обоснованный выбор структурной и функциональной схем радиоэлектронной аппаратуры; выполнен расчет элементов электрической принципиальной схемы; выполнена конструкторская документация по ЕСКД.

В результате был разработан УМ ЗЧ с необходимой надежностью и виброустойчивостью.


Список литературы

1. Фрумкин Г. Д. Расчет и конструирование радиоэлектронной аппаратуры. – М: Высшая школа, 1977 г.

2. Кириченко И. А., Тарасов С. П. Программа, методические указания и варианты заданий по курсовому проектированию по курсу “Теория, расчет и проектирование приборов и систем”. – Таганрог: ТРТУ, 1998 г.

3. http://detalinadom.narod.ru/nabor/nabTDA2030.htm

4. http://schematic.by.ru/65/6502.htm

5. http://detalinadom.narod.ru/stats/UMZ200IV.htm

6. Иванов Б. С. В помощь радиокружку – М: Радио и связь, 1990 г.

7. Назаров Н. Ф. В помощь радиолюбителю, выпуск 93. – М: «ДОСААФ», 1986 г.

8. http://www.izl.ru/kastv.htm

9. http://marketelectro.dsx.ru/upload/File/sprav/sprav8.htm

10. http://www.platan.ru/cgi-bin/qwery.pl/id=730&group=10703


© 2012 Рефераты, доклады и дипломные работы, курсовые работы бесплатно.