рефераты
Главная

Рефераты по международному публичному праву

Рефераты по международному частному праву

Рефераты по международным отношениям

Рефераты по культуре и искусству

Рефераты по менеджменту

Рефераты по металлургии

Рефераты по муниципальному праву

Рефераты по налогообложению

Рефераты по оккультизму и уфологии

Рефераты по педагогике

Рефераты по политологии

Рефераты по праву

Биографии

Рефераты по предпринимательству

Рефераты по психологии

Рефераты по радиоэлектронике

Рефераты по риторике

Рефераты по социологии

Рефераты по статистике

Рефераты по страхованию

Рефераты по строительству

Рефераты по таможенной системе

Сочинения по литературе и русскому языку

Рефераты по теории государства и права

Рефераты по теории организации

Рефераты по теплотехнике

Рефераты по технологии

Рефераты по товароведению

Рефераты по транспорту

Рефераты по трудовому праву

Рефераты по туризму

Рефераты по уголовному праву и процессу

Рефераты по управлению

Курсовая работа: Усилитель - корректор

Курсовая работа: Усилитель - корректор

Министерство образования Российской Федерации ТОМСКИЙ ГОСУДАРСТВЕННЫЙ УНИВЕРСИТЕТ СИСТЕМ УПРАВЛЕНИЯ И РАДИОЭЛЕКТРОНИКИ

(ТУСУР)

Кафедра радиоэлектроники и защиты информации (РЗИ)

Усилитель корректор.

Пояснительная записка к курсовому

проекту по дисциплине «Схемотехника аналоговых электронных устройств»

           Выполнил

           студент гр.148-3

                       КузнецовА.В._______

           Проверил

           Преподаватель каф.РЗИ

                       ТитовА.А.__________

2001

Реферат

ВЫСОКАЯ ЧАСТОТА (ВЧ), НИЗКАЯ ЧАСТОТА (НЧ), КОЭФФИЦИЕНТ УСИЛЕНИЯ (КУ), КОРРЕКТИРУЮЩАЯ ЦЕПЬ (КЦ),АПЛИТУДНОЧАСТОТНАЯ ХАРАКТЕРИСТИКА (АЧХ).

Целью данной работы является усвоение методики расчета аналоговых

 усилительных устройств.

        В данной работе производился расчет широкополосного усилителя с наклоном АЧХ для корректирования входного сигнала.

        Курсовая работа выполнена в текстовом редакторе Microsoft Word 7.0, (представлена на дискете).

Техническое задание

         Тема проэкта: широкополосный усилитель-корректор

       1.Диапазон частот от 20МГц до 400МГц

 2.Допустимые частотные искажения в области НЧ 3дБ, в ВЧ 3 дБ

 3.Источник входного сигнала 50 Ом

 4.Амплитуда напряжения на выходе 3В 

 5.Характер и величина нагрузки 50 Ом

 6.Условия эксплуатации +10-+60 С

 7. Дополнительные требования: С ростом частоты коэфициент усиления должен возрастать с подъемом с 30дБ до 33дБ

Содержание

1.Введение......................................................................................…5

2.Определение числа каскадов ........................................................6

3.Распределение искажений в области высоких частот.................6

4 Расчет оконечного каскада.......................................................…..6

4.1 Расчет рабочей точки...........................................................….6

4.2 Выбор транзистора……………………………………........…7

    4.3 Расчёт эквивалентной схемы транзистора.........................….8

    4.4 Расчет цепей питания и термостабилизации.....….............…9

    4.5 расчет элементов высокочастотной коррекции..…......…....12

5 Расчёт предоконечного каскада…………………………...….….15

6 Расчёт входного каскада……………………………….......……..16

7 Расчет блокировочных и разделительных емкостей.…….……..19

8 Техническая документация…………………………………….…21

9 Заключение…………………………………………….………..…23

10 Литература………………………………………………………..24

.Введение

В данной курсовой работе требуется рассчитать корректирующий усилитель  с подъёмом амплитудно-частотной характеристики. Необходимость усиливать сигнал, возникает из-за того, что достаточно велики потери в кабеле. К тому же потери значительно возрастают с ростом частоты.

Для того, чтобы компенсировать эти потери сигнал после приёма предварительно усиливают, а затем направляют далее по кабелю. При этом усилитель должен иметь подъём АЧХ в области высоких частот. В данной работе требовалось обеспечить подъём равный 3дБ на октаву.

При проектировании усилителя основной трудностью является обеспечение заданного усиления в рабочей полосе частот. В данном случае полоса частот составляет 20-400 МГц

Для реализации широкополосных усилительных каскадов с заданным подъёмом амплитудно-частотной характеристики (АЧХ) предпочтительным является использование диссипативной корректирующей цепи четвертого порядка [1].

         2 Определение числа каскадов

          Для обеспечения заданного  коэффициента усиления равного 30 дБ при  коэффициенте  усиления транзистора около 10дБ, примем число каскадов усилителя равное 3.

         3 Распределение искажений в области высоких частот

          Рассчитывая усилитель будем исходить из того, что искажения вносимые корректирующими цепями каскадов не превышают 1,5 дБ, а искажения вносимые выходной корректирующей цепью не превышают 1 дБ, тогда искажения вносимые усилителем не превысят 2,5 дБ.

4 Расчет оконечного каскада 

         4.1 Расчет рабочей точки

          Рассчитаем рабочую точку транзистора для резистивного и дроссельного каскада используя формулы:

            ,                                                                                               (4.1)

где  амплитуда напряжения на выходе усилителя,сопротивление нагрузки.

             Вт;

            ;                                                                                               (4.2)

             А;

            ,                                                                                         (4.3)

где  ток рабочей точки

             А для резистивного каскада;

             А ;

            А для дроссельного каскада;

             А;

            ,                                                                                       (4.4)

где напряжение рабочей точки, а .

             В;

             ;                                                                                        (4.5)

              - Вт рассеиваемая мощность для резистивного каскада;

              - Вт рассеиваемая мощность для дроссельного каскада;

             ,                                                                                    (4.6)

где  напряжение питания каскада;


              В - для резистивного каскада;

             В - для дроссельного каскада;

              ;                                                                                       (4.7)

               Вт - для  резистивного каскада;

               Вт - для дроссельного каскада.


Принципиальная схема резистивного каскада представлена на рисунке 4.1.1,а эквивалентная схема по переменному току на рисунке 4.1.1,б, дроссельного каскада  на рисунке 4.1.2,а и его эквивалентная схема по переменному току на рисунке 4.1.2,б.


                                       а)                                                              б)


Рисунок 4.1.1


                                           а)                                                            б)

Рисунок 4.1.2

Здесь  сопротивление нагрузки, разделительная емкость.

Результаты  вычислений:

,мВт ,мВт ,мА
 с 11,6 5 660 1531 132
 с   5 5 330 330 66

            4.2 Выбор транзистора. Нагрузочные прямые

            При выборе транзистора нужно учесть предельные значения транзистора , ,,.

             В;

            А для резистивного каскада;

            А для дроссельного каскада;

            Вт для резистивного каскада;

            Вт для дроссельного каскада;

            Ггц.

,мВт ,ГГц ,мА
 с 6 660 1,7-4 158
 с   6 330 1,7-4 79

            Свой выбор остановим на транзисторе КТ939А предельные допустимые значения которого полностью отвечают вышеуказанным требованиям.

            Необходимые справочные данные транзистора КТ939А [2].

=18 В ,=0,4 А ,=4 Вт ,=3060 МГц, =4,6 пс , =6,04 пФ при =5 В , =113,  нГн,  нГн.


            Построим нагрузочные прямые для двух описанных выше каскадов.

                                    а)                                                              б)

Рисунок 4.2

            Исходя из вышеуказанных результатов вычислений, целесообразней всего применять дроссельный каскад, так как при использовании дроссельного каскада меньше напряжение питания, рассеиваемая мощность, а также потребляемая мощность (что очень существенно).

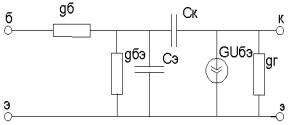
            4.3 Расчет эквивалентной схемы транзистора


            Расчет каскада основан на применении эквивалентной схемы замещения транзистора [3] рисунок 4.3.1,а ,а также однонаправленной схемы замещения[4] рисунок 4.3.1,б.

                                  а)                                                                     б)

Рисунок 4.3.1

Здесь  проводимость базы

             ,                                                                                                     (4.8)

где постоянная времени цепи обратной связи (табличное значение), ёмкость коллекторного перехода (табличное значение), проводимость база-эмиттер

               См;

              ,                                                                                        (4.9)

где  сопротивление эмиттера

             ,                                                                                (4.10)

где  ток рабочей точки,  статический коэффициент передачи тока с общим эмиттером.

             Ом;

              См;

             ,                                                                                      (4.11)

где  граничная частота транзистора.

              пФ;

               входная индуктивность,

где   индуктивность базового и эмиттерного выводов соответственно;

              нГн;

             =;

выходное сопротивление транзистора

              ,                                                                                          (4.12)

где  и   допустимые параметры транзистора.

               Ом;

               .

В расчете также используется параметр ,                               (4.13)

где  верхняя частота усилителя;

               .


              4.4 Расчет цепей питания и выбор схемы термостабилизации


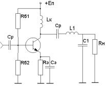
              Рассмотрим три варианта схем термостабилизации: эмиттерную, пассивную коллекторную и активную коллекторную и произведем для них расчет. Схема эмиттерной термостабилизации представлена на рисунке 4.4.1.

Рисунок 4.4.1             Здесь, задают смещение напряжения на базе транзистора,  элемент термостабилизации,  шунтирует  по переменному току.             ,                                                                                                  (4.14)

где  падение напряжения на резисторе примем =4 В.

            Ом;

           ;                                                                                          (4.15)

            В,

           ;                                                                                 (4.16)

           ;                                                                                       (4.17)

где ток базового делителя;

           .

             А;

            Ом;

            Ом;

          ;                                                                                             (4.18)

          мкГн.

 Схема пассивной коллекторной термостабилизации представлена на рисунке 4.4.2.


Рисунок 4.4.2

Здесь  осуществляет смещение напряжения, а также используется в качестве элемента термостабилизации. Примем =; ,                                                                                      (4.19) где      ;                                                                                                   (4.20)  А;  КОм; ;                                                                                  (4.21) 8,3 В. Рассмотрим  схему активной коллекторной термостабилизации [5].

Рисунок 4.4.3 В данной схеме транзистор VT2 используется в качестве элемента термостабилизации. Ток  коллектора VT2 является базовым током смещения.  Здесь ,-базовый делитель для транзистора VT2, предотвращает генерацию в каскаде.

             >1 В,

примем =1 В;

             ;                                                                                               (4.22)

              Ом;

             ;                                                                                     (4.23)

              В;

             ,                                                                                              (4.24)

где  ток коллектора транзистора VT1,  статический коэффициент передачи тока с общим эмиттером транзистора VT1 -ток базового смещения транзистора VT1.

             А;

            ,                                                                                              (4.25)

где - ток коллектора транзистора VT2.

             ,                                                                                        (4.26)

где ,-напряжения рабочей точки транзистора VT1 и VT2.

              В;

             ;                                                                              (4.27)

             Ом;

             ;                                                                               (4.28)

             ;                                                                      (4.29)

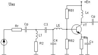
где  Ом; Ом; Ом.              Для данного каскада схема эмиттерной термостабилизации более приемлема, чем остальные. Во-первых, она обеспечивает высокую стабильность, во-вторых, она легко реализуема, так как  содержит малое количества элементов, в-третьих, эта схема применяется для маломощных каскадов. 4.5 Расчет элементов высокочастотной коррекции

            Так как нужно реализовать усилитель с подъемом АЧХ, то необходимо применение диссипативной межкаскадной корректирующей цепи четвёртого порядка [1]. Принципиальная схема усилителя с межкаскадной корректирующей цепью четвертого порядка приведена на рисунке 4.5.1,а, эквивалентная схема по переменному току - на рисунке 4.5.1,б.


                                                а)                                                                                 б)


Рисунок 4.5.1

            Коэффициент усиления каскада на транзисторе VT2 в области верхних частот можно описать выражением:

              ,                                         (4.30)

где        ,коэффициент усиления каскада        (4.31)

              ;

              ;

               ;

               ;

               ;

               ;

RВХН –нормированное входное сопротивление  транзистора VT2; , , ,

 ,  – нормированные относительно  и  значения элементов L1, R2, C3, C4, L5, соответствующие преобразованной схеме КЦ, в которой значение СВХ2 равно бесконечности; СВЫХ1 – выходная емкость транзистора T1; ;  – нормированная частота;  – текущая круговая частота;  – высшая круговая частота полосы пропускания разрабатываемого усилителя. Для расчета элементов корректирующей цепи нужно воспользоваться таблицей 9.1 приведенной в [5]. Оконечный каскад реализуем с подъёмом в 3дБ, а предоконечный и выходной с подъёмом в 0 дБ искажения каждого = дБ. Так как для расчета требуется знать транзистора VT2 то нужно сделать выбор транзистора предоконечного каскада. Свой выбор остановим на транзисторе КТ939А. Сопротивление выхода этого транзистора нам известно

Для расчета элементов воспользуемся формулами:

             ;                                                                (4.32)

            С помощью таблицы получены следующие нормированные значения элементов.

=1,68,=0,842,,=4,99,=4,62,=0,234.

             ,

             ;                                                                               (4.33)

             ;

             ;

              ;

              Денормируя полученные значения, определим:

              ==57 нГн;

              ==71,5 Ом;

              ==18 пФ;

              =8,3 пФ;

              =13 нГн.

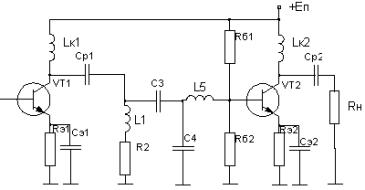
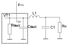
В усилительных каскадах расширение полосы пропускания связано с потерей части выходной мощности в резисторах корректирующих цепей (КЦ) либо цепей обратной связи. От выходных каскадов усилителей требуется, как правило, получение максимально возможной выходной мощности в заданной полосе частот. Из теории усилителей известно, что для выполнения указанного требования необходимо реализовать ощущаемое сопротивление нагрузки для внутреннего генератора транзистора равным постоянной величине во всем рабочем диапазоне частот. Этого можно достигнуть, включив выходную емкость транзистора в фильтр нижних частот, используемый в качестве

Подпись: VT1

выходной КЦ. Схема включения выходной КЦ приведена на рисунке 4.5.2.


                              а)                                                           б)

Рисунок 4.5.2

Использование фильтра нижних частот в качестве выходной КЦ при одновременном расчете элементов L1, C1 по методике Фано позволяет обеспечить минимально возможное, соответствующее заданным CВЫХ и fB, значение максимальной величины модуля коэффициента отражения  в полосе частот от нуля до fB.

Находим коэффициент   по формуле:

            ;                                                                                        (4.34)

            ;

Далее находим по таблице 7.1 приведённой в [1] значения , , ,, соответствующие коэффициенту :, , , . Истинные значения элементов рассчитываются по формулам:

            ;                                                                                        (4.35)

            .

5 Расчет предоконечного каскада

            Расчет рабочей точки предоконечного каскада производится по тем же формулам что и оконечный, только ток рабочей точки вычисляется по формуле

           ,                                                                                          (5.1)

где -ток рабочей точки выходного каскада, а -коэффициент усиления выходного каскада,

           А;

           В;

            мВт.

Произведем расчет схем замещения по формулам (4.8-4.13).

             См;

            Ом;

             См;

            пФ;

             Ом.

Произведем расчет схемы термостабилизации и цепи питания. В этом каскаде также применена эмиттерная термостабилизация. Для расчета используем формулы (4.14-4.18).

             =4 В;

              Ом;

              В;

                А;

               Ом;

               Ом.

              Для расчета межкаскадной корректирующей цепи четвертого порядка выберем транзистор входного каскада. В входном каскаде используется транзистор КТ939А. Данные из таблицы для каскада с подъемом в 0 дБ с искажением = дБ. Для расчета используем формулы (4.30-4.33).

=2,22,=1,11,,=5,23,=3,69,=0,291;

            ;

            ;

            ;

             ;

Денормируя полученные значения, определим:

             ==75нГн;

             ==94,3 Ом;

             ==18 пФ;

             =6,1 пФ;

             =16,1 нГн;

             мкГн.


             На рисунке  5.1 представлена электрическая схема каскада.

Рисунок 5.1

              6 Расчет входного каскада.

              Расчет выходного каскада производится по тем же формулам что и оконечный.

             А;

             В;

              мВт.

В данном каскаде используется транзистор КТ939А.

Расчет эквивалентных схем замещения произведем по формулам (4.8-4.13):

              См;

             Ом;

             См;

            пФ;

             Ом.

Произведем расчет схемы термостабилизации и цепи питания. В этом каскаде применена эмиттерная термостабилизация. Для расчета используем формулы (4.14-4.18).

            =4 В;

            Ом;

            В;

            А;

            Ом;

            Ом.

           Расчет входной корректирующей цепи четвертого порядка.

Данный расчет отличается отсутствием выходной емкости источника сигнала поэтому расчет упрощается. Для расчета используем формулы (4.30-4.33). Данные из таблицы для каскада с подъемом в 0 дБ с искажением =дБ

=2,22,=1,11,,=5,23,=3,69,=0,291.

           ,

          

            ;

Денормируя полученные значения, определим:

           ==44нГн;

           ==55,5 Ом;

           ==41,6 пФ;

           =29 пФ;

           =5,8 нГн;

           мкГн.


На рисунке  6.1 представлена электрическая схема каскада.

Рисунок 6.1

7 Расчет разделительных и блокировочных ёмкостей

            Рассчитаем максимальные искажения, вносимые разделительными и блокировочными ёмкостями в области низких частот. Так как значение искажений задано 1,5 дБ то на разделительные и блокировочные ёмкости должно приходится искажений по 0,75 дБ. Рассчитаем искажения приходящуюся на каждую ёмкость и переведём эти значения в разы.

            ;

            ;

Рассчитаем разделительные ёмкости по формуле [3]:

            ,                                                                            (7.1)

где  нижняя граничная круговая частота,  выходное сопротивление источника сигнала, входное сопротивление приемника.

             пФ;

            пФ;

            пФ;

Произведем расчет блокировочных емкостей по формуле [3]:

            ,                                                                             (7.2)

где  крутизна транзистора,  сопротивление термостабилизации.

            ,

где

            ;

            мА/в;

             мА/в;

             мА/в;

             мА/в;

             нФ;

             нФ;

             нФ.

             Для уменьшения искажений последовательно с разделительной емкостью включим дополнительное сопротивление параллельно емкости  корректирующей цепи каскада. Дополнительное сопротивление высчитывается по формуле:

            ,                                                                                            (7.3)

где сопротивление нагрузки для оконечного каскада и сопротивление для остальных каскадов.

            Ом;

            Ом;

             Ом.

Так же включим  последовательно с сопротивлением цепи коррекции  со стороны земли. Дополнительную емкость включим только к оконечному и предоконечному каскаду:

            ;                                                                                              (7.4)

             пФ.

             нФ;



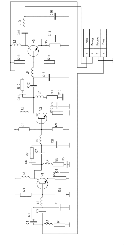
РТФ КП 468730.001.ПЗ
Лит Масса Масштаб
Изм Лист Nдокум. Подп. Дата
Выполнил Кузнецов УCИЛИТЕЛЬ-КОРРЕКТОР
Проверил Титов
Лист Листов
ТУСУР РТФ
Принципиальная Кафедра РЗИ
Схема гр. 148-3
Позиционные Обозначения Наименование Кол Примечание

Конденсаторы ОЖ0.460.203 ТУ

С1 КД-2-750пФ±5% 1

С2 КД-2-39пФ±5% 1

С3 КД-2-30пФ±5 1

С4 КД-2-2нФ±5% 1

C5,С13,С16 КД-2-8,2пФ±5% 3

С6,С11 КД-2-470пФ±5% 2

С7,с12 КД-2-18пФ±5% 2

С8 КД-2-6,2пФ±5% 1

С9 КД-2-15нФ±5% 1

С10 КД-2-1,1нФ±5% 1

С14 КД-2-30нФ±5% 1

С15 КД-2-290пФ±5% 1

Индуктивности

L1 Индуктивность 44нГн±10% 1

L2 Индуктивность 5,8нГн±10% 1

L3 Индуктивность 2,21мкГн±10% 1

L4 Индуктивность 75нГн±10% 1

L5 Индуктивность 16нГн±10% 1

L6 Индуктивность 3,75мкГн±10% ±10±10% 1

L7 Индуктивность 57нГн±10%

L8 Индуктивность 13нГн±10%

L9 Индуктивность 2мкГн±10%

L10 Индуктивность 19нГн±10%

Резисторы ГОСТ 7113-77

R1 МЛТ–0,125-56Ом±10% 1

R2,R8 МЛТ–0,125-2,4кОм±10% 2

R3 МЛТ–0,125-7,5кОм±10% 1

R4 МЛТ–0,125-6,2кОм±10% 1

R5 МЛТ–0,125-470Ом±10% 1

R6 МЛТ–0,125-91Ом±10% 1

R7 МЛТ–0,125-6,8кОм±10% 1

R9 МЛТ–0,125-2кОм±10% 1

R10 МЛТ–0,125-150Ом±10% 1

R11 МЛТ–0,125-68Ом±10% 1

R12 МЛТ–0,125-430Ом±10% 1

R13 МЛТ–0,125-1кОм±10% 1

R14 МЛТ–0,125-820Ом±10% 1

R15 МЛТ–0,125-60Ом±10% 1

Транзисторы

  V1,V2,V3 КТ939А 3

РТФ КП 468730.001 ПЗ
Лит Масса Масштаб

Изм Лист Nдокум. Подп. Дата

Выполнил Кузнецов УСИЛИТЕЛЬ-корректор У

Провер. Титов

Лист Листов

ТУСУР РТФ

Перечень элементов Кафедра РЗИ

гр. 148-3

           9 Заключение

           Рассчитанный усилитель имеет следующие технические характеристики:

1. Рабочая полоса частот: 20-400 МГц

2. Линейные искажения

     в области НЧ не более 3 дБ

     в области ВЧ не более 3 дБ

3. Коэффициент усиления 32дБ с подъёмом АЧХ 3 дБ

4. Амплитуда выходного напряжения Uвых=3 В

5. Питание однополярное, Eп=9 В

6. Диапазон рабочих температур: от +10 до +60 градусов Цельсия

Усилитель рассчитан на нагрузку Rн=50 Ом

           Усилитtль имеет запас по усилению 2дБ, это нужно для того, чтобы в случае ухудшения, параметров отдельных элементов коэффициент передачи усилителя не опускался ниже заданного уровня, определённого техническим заданием.

10 Литература

1. Титов А.А. Расчет корректирующих цепей широкополосных усилительных каскадов на полевых транзисторах – http://referat.ru/download/ref-2770.zip

2.  Полупроводниковые приборы. Транзисторы средней и большой мощности: Справочник/А.А. Зайцев и др. Под ред. А.В.Голомедова.-М.: Радио и Связь, 1989.-640 с.:Ил.

3. Мамонкин И.П. Усилительные устройства:Учебное пособие для вузов.-М.:Связь,1977

4. Титов А.А. Расчет межкаскадной согласующей цепи транзисторного полосового усилителя мощности.//Электронная техника. Сер. СВЧ-техника. Вып. 1(475) 2000 г.

5. Титов А.А. Расчет корректирующих цепей широкополосных усилительных каскадов на биполярных транзисторах – http://referat.ru/download/ref-2764.zip



© 2012 Рефераты, доклады и дипломные работы, курсовые работы бесплатно.