рефераты
Главная

Рефераты по международному публичному праву

Рефераты по международному частному праву

Рефераты по международным отношениям

Рефераты по культуре и искусству

Рефераты по менеджменту

Рефераты по металлургии

Рефераты по муниципальному праву

Рефераты по налогообложению

Рефераты по оккультизму и уфологии

Рефераты по педагогике

Рефераты по политологии

Рефераты по праву

Биографии

Рефераты по предпринимательству

Рефераты по психологии

Рефераты по радиоэлектронике

Рефераты по риторике

Рефераты по социологии

Рефераты по статистике

Рефераты по страхованию

Рефераты по строительству

Рефераты по таможенной системе

Сочинения по литературе и русскому языку

Рефераты по теории государства и права

Рефераты по теории организации

Рефераты по теплотехнике

Рефераты по технологии

Рефераты по товароведению

Рефераты по транспорту

Рефераты по трудовому праву

Рефераты по туризму

Рефераты по уголовному праву и процессу

Рефераты по управлению

Курсовая работа: Стенд для автоматического контроля ТЭЗ

Курсовая работа: Стенд для автоматического контроля ТЭЗ

Задание

Разработать стенд для автоматического контроля ТЭЗ (и новых элементов замены) с использованием некомпактного вероятностного метода тестирования.

Информация о номере текущего теста (состоянии счетчиков циклов) и кодовой комбинации, подаваемой на выходы ТЭЗов (состоянии I ПСП) должны выводятся на цифровое табло, построенная на сегментных индикаторах, в шестнадцатеричном коде Состояния выходов контролируемого и этапного ТЭЗов должны отображаться, а двоичном коде с помощью светодиодов. В случае полного совпадения откликов с эталонного и контролируемого ТЭЗов на всех тестах, должен формироваться сигнал «Годен» с отображением его на цифровом табло. В противном случаи, формируется сигнал «Брак», проверка останавливается и загорается соответствующий светодиод. Продолжение проверки должно осуществляться с этого тестового вектора до следующего несовпадения на выходах ТЭЗов или до конца проверки.


Исходные данные

В соответствии с 3-я последними цифрами учебного шифра, максимальная задержка – 450 нс. Выходов, k – 13.

Разрядность ГПСП n и счетчика циклов, m – 15.


1. Разработка структурной схемы стенда

Вероятностное тестирование характеризуется тем, что на вход проверяемого устройства подаются случайные или псевдослучайные последовательности. В самом общем виде схему вероятностного не компактного тестирования можно представить в следующем виде (рис. 1)

 


Рис. 1. Схема вероятностного некомпактного тестирования

2. Схема вероятностного некомпактного тестирования

Момент появления сигналов на выходах ГПСП, контролируемого и эталонного ТЭЗов зависит от внутренних задержек в этих блоках. Поэтому результат сравнения откликов будет существенным образом зависеть от соотношении времени задержек распространения сигнала в них. Ситуация будет усугубляться «разбежкой» на выходах ГПСП. С тем, чтобы исключить влияние этих факторов, на выходах блоков необходимо включить регистры с динамической записью, а момент записи в них информации должен определяться с учетом задержек распространения сигналов.

Подсчет количества тестовых векторов в автоматических тестерах обычно проводится с использованием счетчика циклов. Поэтому в него должен быть введен такой блок.

С учетом изложенного, структурная схема автоматического стенда может иметь вид:

•        Тактовый генератор (ТГ);

•        Генератор стробирующих импульсов (ГСИ);

•        Генератор псевдослучайной последовательности (ГПСП);

•        Счетчик циклов (СЧЦ);

•        Формирователь выходных воздействий (ФВВ);

•        входной регистр (РГВ);

•        Схема сравнения (СС);

•        Блок индикации и управления (БИУ).

Синхронизация работы всех узлов и блоков стенда осуществляется с помощью ТГ, который задает минимальную длительность цикла проверки. ГСИ предназначен для формирования импульсов записи информации в ФВВ и РГВ. Тестовые векторы, подаваемые на входы контролируемого и эталонного ТЭЗов, а также отклики с них изображаются на цифровом табло БИУ. Кроме того на него возложена задача отображения результатов проверки и формирования управляющих сигналов, поступающих на ТГ и ГСИ.

3. Аппаратные средства диагностики. Типы контрольно-измерительных приборов

Эффективность тока неисправности и ремонта средств вычислительной техники значительно повышается при наличии удобных и простых в эксплуатации контрольно-измерительных приборов и их возможности постоянно расширяются. Широкое распространение в практике эксплуатации средств вычислительной техники получили такие приборы, как одноконтактные и многоконтактные логические пробники, компараторы, импульсные генераторы, измерители тока.

Широкое внедрение микропроцессоров и микро ЭВМ и проблемы, возникающие при их наладке и эксплуатации, потребован! создания качественно новых типов контрольно-измерительных приборов, таких как логические и сигнатурные анализаторы, портативные стенды для ремонта печатных плат с микросхемами.

4. Однократный логический пробник

Одноконтактный логический пробник представляет собой прибор для индикации двоичного состояния элементов дискретных схем.

Основные преимущества логических пробников – компактность, возможность работы в трудно доступных местах, питание от источника проверяемого логического устройства, удобство работы.

Задача логических пробников – упростить проверку логических схем, давая пользователю возможность наблюдать логические Дровни без настройки и калибровки, которые необходимы при измерении с помощью осциллографов. Для индикации состояния элементов схемы применяются лампочки накаливания или светодиоды, число которых может быть различным.

В одноламповом пробнике включенное состояние лампочки означает, что в проверяемой точке схемы имеется сигнал, соответствующий логической единице, выключенное – логическому нулю, а мигание с определенной частотой – переключению уровней сигнала. Постоянное свечение с половинной яркостью может означать отсутствие сигнала.

В любом случае наиболее важным качеством пробника является четкость и однозначность показаний. ВО многих пробниках применяются лампочки накаливания ввиду их большой яркости.

Очень важным достоинством логических пробников является возможность работы с различными комплексами ИС, например ЭСЛ, ТТЛ и др. Это очень удобно при эксплуатации вычислительных систем, где, как правило, используются различные комплексы ИС Обычно эта возможность реализуется наличием на корпусе пробника переключателя, устанавливаемого в положение соответствующее комплексу ИС, с которыми предполагается работа в данный момент.

И логические пробники встраивается также схема расширения импульсов позволяющая оператору наличие импульсных сигналов высокой частоты. В таких пробниках при наличии на входе последовательности В некоторых логических пробниках имеется встроенная схема упоминания импульсных сигналов и индикатор, позволяющий обнаружить наличие не регулярных импульсов. Когда в контролируемой точке схемы после подсоединения пробника происходит изменение логического состояния и запоминающий элемент сброшен, то он запоминает импульс и минирует его, пока переключатель запоминания не будет возвращен в исходное состояние.

5. Многоканальный логический пробник

Многоканальный логический пробник предназначен для одновременной индикации состояния всех контактов интегральной микросхемы. Он имеет отдельный индикатор для каждого контакта н позволяет, таким образом, наблюдать значения сигналов на всех контактах ИС. Многоконтактный логический пробник надевается как клипса на микросхему. Точные пластмассовые направляющие гарантируют надежное соприкосновение между контактами пробника и выводами ИС. Обычно в этих приборах имеется схема поиска питающего напряжения, которая автоматически определяет соответствующие выводы ИС и подключает их к схемам пробника.

Многоконтактные логические пробники имеют защиту от повышенного напряжения, предотвращающую перегрузку схемы или перегорание светодиодов. В комплекте с некоторыми пробниками поставляются эталонные схемы-карточки, вставляемые в индикаторную секцию для облегчения я чтения показаний пробника.

Многоконтактные логические пробники позволяют наблюдать не только статические сигналы, но, например, и работу разрядов счетчика в динамике, хотя конечно получить с их помощью полезную информацию затруднительно, если используемая схема работает на частотах, превышающих пороговые частоты визуального восприятия.

6. Измерители тока

Измерители токов, выполненные в виде зондов, являются удобными приборами, позволяющими определить неисправный компонент схемы путем выявления целей, по которым протекают токи, значения которых выходят за установочные пределы. Так, например, если сигнальная шина замкнута на землю, прибор может определить, где находится короткое замыкание – в источнике или в приемнике сигнала, даже в монтажных схемах И, ИЛИ. Прибор позволяет также обнаружить замыкающие перемычки из припоя и разрывы в печатных схемах.

Измеритель тока обычно используется вместе с импульсным генератором. Измерители тока используют принцип измерения магнитного поля, создаваемого сигналами, вырабатываемыми в проверяемой схеме или поступающими от внешнего импульсного генератора. Для индикации изменения логических уровней, одиночных импульсов и серии импульсов прибор имеет индикатор. Поскольку измеритель тока на чувствителен к напряжению, им можно пользоваться для проверки любых логических схем, в которых импульсы тока не превышают заданный предел по амплитуде и частоте.

В состав измерителей тока входят экранированный индуктивный чувствительный элемент тока и широкополосный усилитель с большим коэффициентом усиления, которые обеспечивают чувствительность, необходимую для обнаружения магнитных полей, создаваемых измерениями тока в печатных проводниках схемы. Чувствительность прибора бывает достаточно высокой для отслеживания сигналов в многослойных печатных платах. При работе прибор подносится сначала к опорной точке (обычно к выходу источника сигнала) и его чувствительность устанавливается такой, чтобы загорелся индикатор. Затем прибор перемещают вдоль цепи сигнала. При прохождении закороченной ветви индикатор гаснет.

7. Методы диагностирования ЭВМ. Отказы в ЭВМ. Причины отказов

Решение любой задачи, выполнение любой функции, возможной на ЭВМ, возможно только при соответствующем взаимодействии и функционировании аппаратурных и программных средств вычислительной машины. Поэтому при анализе надежности выполнения ЭВМ заданных функций ЭВМ следует рассматривать как единый комплекс аппаратных и программных средств и учитывать, что надежность работы ЭВМ зависит не только от надежности аппаратуры, но и от надежности программного обеспечения.

Безопасность программного обеспечения можно оценить вероятностью его работы без отказов при определенных уровнях внешней среды в течение заданного периода наблюдения. В данном определении под отказом программы или системы программного обеспечения понимается недопустимое отклонение характеристик процесса функционирования программы от требуемых.

Основными причинами, вызывающими нарушение нормального функционирования программы являются:

– ошибки, скрытые в самой программе;

– искажение входной, информации, подлежащей обработке;

– неверные действия пользователя;

– неисправности аппаратуры установки, на которой реализуется вычислительный процесс.

Скрытые ошибки программы. Специфика создания сложных программных средств состоит в том, что в процессе их отладки практически невозможно обнаружить и ликвидировать все ошибки. В результате I в программах остается некоторое качество Некрытых ошибок. Они могут вызвать неверное функционирование программ при определенных сочетаниях входных данных. Можно выделить следующие основные классы ошибок в программах:

1.      Ошибки вычислений. Примерами ошибок относящихся к данному классу является неверное преобразование типов переменных, неверный знак операции, ошибка в выражении индекса и т.д.

2.      Логические ошибки являются причиной искажения алгоритма решения задач.

3.      Ошибки ввода-вывода, связанные с такими действиями, как управление вводом-выводом, формирование выходных записей, определение размеров записей и г. д. (примерами ошибок ввода-вывода являются неправильная форма ввода-вывода, отсутствие признака конца файла и т.д.

4.      Ошибки манипулирования данными. Примерами таких ошибок является неверно определенное число элементов данных и т.д.

5.      Ошибки совместимости связаны с отсутствием совместимости с определенной системой или другими прикладными программами, используемыми в данной программе.

6.      Ошибки сопряжений вызывают неверное взаимодействие программы с другими программами, устройствами ЭВМ и т. Д.

Искажение информации, подлежащей обработке, вызывает нарушение функционирования программного обеспечения, когда входные данные не попадают в область допустимых значений переменных программы.

Причиной искажения вводимой информации могут быть, например, следующие:

а) искажение данных на первичных носителях информации;

б) сбои и отказы в аппаратуре ввода данных с первичных носителей информации;

в) шумы и сбои в каналах связи при передаче сообщений по линиям связи;

г) сбои и отказы в аппаратуре передачи или приема информации;

д) потери или искажения сообщений в буферных накопителях вычислительной системы;

е) ошибки в документации, используемой для подготовки вводимых данных;

ж) ошибки пользователей при подготовке исходной информации.

Неверные действия пользователя, приводящие к отказу в процессе функционирования ПО, связаны, прежде всего, с неправильной интерпретацией сообщения, с неправильными действиями пользователя в процессе диалога с ЭВМ и т.д. Отказы ПО, обусловленные ошибками пользователя, называются ошибками использования. Часто эти ошибки являются следствием некачественной программной документации.

Неисправность аппаратуры. Неисправности, возникающие при работе аппаратуры, используемой для реализации вычислительного процесса, оказывают определенное внимание на характеристику надежности ПО. Появление отказа или сбоя в работе аппаратуры приводит к нарушению нормального хода вычислительного процесса и во многих случаях – искажению данных и текстов программ в основной и внешней памяти.

8. ГСИ (генератор стробирующих импульсов)

Данный блок мы построим на микросхеме К155АГЗ – два ждущих мультивибратора с возможностью перезапуска. Каждый мультивибратор имеет выходы Q и Q, вход сброса R (активный уровень – низкий) и два входа запуска В-прямой с активным высоким уровнем и А – инверсный с активным низким уровнем. Входные и управляющие сигналы для одного мультивибратора из микросхемы АГЗ сведены в таблице 1. Первые три ее строки показывают, как с помощью статических уровней, поданных на входы R, А, В, можно установить напряжение высокого уровня на выходе Q (на выходе Q – низкого). В последние три строки сведены комбинации уровней, а также импульсных перепадов (положительные на входах R и В, отрицательный на входе А), дающий выходной импульс.

Потребляемый микросхемой К155АГЗ ток составляет 66 мА, стекающий коллекторный ток может быть до 40 мА.

Корпус у К155АГЗ типа 238.16–1. масса не более 2 г. у КМ155АГЗ типа 201.16–5. масса не более 2.5 г.

Графическое обозначение К155АГЗ

Назначение выводов:

1-вход информационный D/1;

2 – вход D1;

3-вход «установка нуля» R1;

4-выход Q/1;

5-выход Q2;

6-выход «емкость внешняя» Свн2;

7-выход Рвн/Свн2.

8-общий,

9-вход D2;

10-вход D2;

11-вход «установка нуля» R2;

12-выход Q/2;

13-выход Q1;

14-выход Свн1;

15 – выход Rвн1/Свн1;

16 – напряжение питания.

Электрические параметры

Номинальное напряжение питания……………….5 В ± 5%

Выходное напряжение низкого уровня…………. =< 0,4 В

Выходное напряжение высокого уровня………..> 2,4 В

Входной ток низкого уровня:

по информационным входам 1, 2, 9, 10…………. =< -1,6 мА

по входам установки нуля 3/11……………………… =< – 3,2 мА

Входной ток высокого уровня:

по информационным входам 1, 2, 9, 10…………..=< 0,04 мА

по входам установки нуля 3, 11……………………… =< 0,08 мА

Входной пробивной ток………………………………. =< 1 мА

Ток короткого замыкания……………………………. -10…-40мА

Ток потребления…………………………………………. =< 66 мА

Потребляемая мощность………………………………. =< 346,5 мВт

Время задержки распространения при включении:

по информационным входам 1, 9……………………=< 40 нс

по входам 2, 10……………………………………………..=< 36 нс

по входам установки нуля 3, 11……………………. =< 27 нс

Время задержки распространения при выключении:

по информационным входам 1, 9……………………=<33 нс

по входам 2, 10……………………………………………..=< 28 нс

по входам установки нуля 3, 11………………………=< 40 нс

Минимальная длительность

импульса на выходе (Свн =0)……………………….=< 65 нс

Длительность импульса на

выходе (Свн = 1000 пФ)………………………………. 2,76. 3,37 мкс

Емкость нагрузки……………………………………………=< 200 пФ

9. Расчет параметров временной диаграммы функционирования стенда

Автоматический стенд инициируется внешним сигналом «Пуск», Поступающим с пульта оператора. Этим сигналом ГПСП, СЧЦ и триггер разрешения работы (ТгРР) устанавливаются в исходное состояние. Сигнал с выхода ТгРР разрешает прохождение тактовых сигналов на ГПСП. СЧЦ и ГСИ. которые срабатывают по положительному фронту тактового импульса. По положительному фронту стробирующего импульса «Строб 1» состояние ГПСП и СЧЦ определяется максимальным временем задержек от тактовых входов до выходов в этих блоках. Импульс «Строб 2» предназначен для записи откликов с контролируемого и эталонного ТЭЗов в РГВ. Причем, к этому моменту все переходные процессы в ТЭЗах должны закончиться. Последнее диктует выбор времени t2 с 1,5–2 кратным запасом по отношению к максимальной задержке распространения сигнала в ТЭЗе. т.е.

Момент окончания одного цикла проверки определяется срабатыванием СС которая вырабатывает сигнал «Брак / Годен». Это время (на временной диаграмме время t3 условно показано как момент формирования сигнала «Брак») определяется суммой времен задержки распространения сигнала от тактового входа РГВ до его выходов, и от входов до выходов СС, tcc:

Расчет времени задержки распространения сигнала от тактового входа РГВ до его выходов (РГВ – ИР22):

Расчет времени задержки распространения сигнала от входов до выходов СС:

Таким образом, минимальная длительность одного цикла проверки будет равна:

Расчет времени задержки распространения ГПСП.

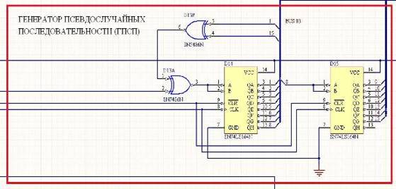
ГПСП состоит из регистра и четырех элементов «исключающее ИЛИ». Регистр строим на 2 микросхемах КМ555ИР8, а элемент «исключающее «ИЛИ» – К531ЛП5.

 КМ555ИР8

 К531ЛП5

Расчет времени задержки распространения СЧЦ:

Значит, пусть

 

Тогда

Предположим что:

   

Окончание проверки определяется моментом появления сигнала переноса с выхода старшего разряда СЧЦ. Этот сигнал сбрасывает ТгРР в ноль, тем самым запрещает прохождение тактовых сигналов на ГПСП и СЧЦ и формирует сигнал «Годен».

Если в процессе контроля произошло несовпадение откликов с контролируемого и эталонного ТЭЗов, то на выходе СС формируется сигнал «Брак» который сбрасывает ТгРР в ноль, тем самым останавливая проверку.

Для продолжения контроля используется асинхронный сигнал «Продолжить», поступающий с пульта оператора. Этим сигналом ТгРР переводится в единичное состояние. Так как сигналы «Пуск» и «Продолжить» являются асинхронными, то они должны подаваться на ТгРР через схемы устранения дребезга контактов

По рассчитанным параметрам построим временную диаграмму функционирования стенда.

10. Разработка электрических схем блоков и расчет их электрических параметров

Разработку электрических схем блоков начнем с выбора элементной базы, на основе которой они будут строиться.

Генератор тактовых импульсов выполним по схеме кварцевого автогенератора. Схему построим на двух логических элементах К155ЛА которые введены в линейный усилительный режим с помощью резисторов отрицательной обратной связи R=560 Ом. А положительная обратная связь необходимая для генерации колебаний создается при помощи кварца ZQ1 частотой 100 КГц. Изменением величины подстроенного конденсатора С1 добиваемся наиболее устойчивой работы автогенератора

Принципиальная схема автогенератора

Исходя из длительности цикла проверки Тц, вычисляем частоту ТГ:


Так как эта частота весьма большая для схемы динамической индикации в схеме уменьшим частоту в 10 раз до 100 КГц. При этом полное время проверки ТЭЗа будет составлять менее секунды.

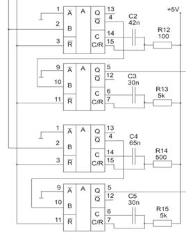
11. Генератор стробируюших импульсов (ГСИ)

ГСИ генерирует ряд строб импульсов, через заданные промежутки времени, чтобы обеспечить считывание входных значений блоков РГВ, ФВВ, СС после завершения переходных процессов в этих блоках и формирования правильных значений на выходах этих блоков. ГСИ выполнен на нескольких мультивибраторах-автогенераторах К155АГЗ. Микросхема К155АГЗ – ждущий мультивибратор с возможностью перезапуска. Он имеет выходы Q и Q, вход сброса R (активный уровень низкий) и два входа запуска В-прямой с активным высоким уровнем и А – инверсный с активным низким уровнем. К выводам мультивибратора подключены времязадающие элементы R и С.

Мультивибратор АГЗ сбрасывает по положительному фронту входного импульса, потом выжидает паузу Т, затем формирует импульс длительностью Т. Длительность Т определяется параметрами К-С цепи первого мультивибратора в микросхеме, длительность Т определяется параметрами второй К-С цепи.


Генератор стробируюших импульсов

По положительному фронту стробируюшего импульса «Строб 1», состояние ГПСП и СЧЦ записывается в ФВВ. Импульс «Строб 2» предназначен для записи откликов с контролируемого и эталонного ТЭЗов в РГВ. Расчет параметров времязадающих элементов С, К.

Строб 1.   

  

Строб 2.   

  

Счетчик циклов (СЧЦ). Счетчик циклов построен на базе четырех микросхем реверсивного двоичного счетчика К155ИЕ7. Счетчик можно переводить в режимы сброса, параллельной загрузки, а также синхронного счета на увеличение и уменьшение. В целях снижения времени задержки распространения сигнала в СЧЦ используем счетчик с параллельным переносом ИЕ7. Импульсные тактовые входы для счета на увеличение (-1) и на уменьшение (-11 в этой микросхеме раздельные. Состояние счетчика меняется по положительным перепадам тактовых импульсов от низкого уровня к высоком) на каждом из этих тактовых входов. Для упрощения построения счетчиков с числом разрядов, превышающим четыре, микросхема имеет выводы окончания счета на увеличение (А15) и на уменьшение (<0). От этих выводов берутся тактовые сигналы переноса и заема для последующего и от предыдущего четырехразрядного счетчика. Дополнительной логики при последовательном соединении счетчиков не требуется: выводы (>15) и (<0) предыдущей микросхемы присоединяются к выводам (+1) и (-1) последующей. По входам разрешения параллельной загрузки С и сброса R запрещается действие тактовой последовательности и даются команды загрузки четырехразрядного кода в счетчик или его сброса. Счетчик сбрасывается в начальное состояние сигналом «Сброс» от нажатия кнопки «Пуск» или при переполнении счетчика, т.е. от сигнала переноса последней микросхемы счетчика. Построенный счетчик 11-разрядный, поэтому начальное со счетчика устанавливается в значение 0000 в 16-й системе счисления. Переполнение счетчика снимается с 15 разряда.

Для отображения выходных слов используется логический элемент НЕ ЛН2. Для ограничения прямого тока через светодиод последовательно с ним включаем резистор Roгp. Инверторы (ЛЭ с открытым коллектором) обеспечивают большой импульсный выходной ток. Рассчитаем параметры ограничивающего резистора. Ток не должен превышать 20 мА.

стенд тестирование диагностирование мощность

Блок индикации


а) для индикации выходных слов с ТЭЗов;

б) для индикации сигналов «годен» и «брак»

Используем светодиоды АЛ307AM (цвет красный, сила света 0.15 мкд Uпр=2В. Iпрmах=20мА).

Расчет величины сопротивления ограничивающих резисторов на входе семисегментного индикатора.

Учитывая, что падении напряжения между электродами открытого диода U1=0,7В и падение напряжена между эмиттером и коллектором открытого транзистора U2=0,1В, ток через резистор:

Положим R16=200 Ом. Тогда

R16-R23 по 200 Ом.

Исходя из вышеизложенных рассуждений падение напряжения на резисторе R26 составляет порядка 1В, значение этого резистора 1кОм обеспечивает величину базового тока 1 мА, что при статическом коэффициенте усиления транзистора КТ829 равном 750, в свою очередь обеспечит эмиттерный ток величиной до 750 мА. Это вполне достаточно для яркого свечения семисегментного индикатора АЛС324Б.

Для управления режимами работы стенда в БИУ входит узел формирования управляющих сигналов. В качестве ТгРР используется микросхема типа. V \ Микросхема К155ТМ2 является универсальным D-триггером с однофазным приемом информации и с независимой установкой в состояние низкого и высокого уровней. У триггера есть вход D, S, R а также комплементарные выходы Q и Q. Входы S и R-асинхронные, потому что они работают (сбрасывают состояние триггера) независимо от сигнала на тактовом входе, активный уровень у них низкий. Сигнал от входа D передается на входы Q и Q по положительному перепаду импульса на тактовом входе С.

При нажатии кнопки, расположенной на пульте управления* генератор должен выдавать по одному импульсу. Однако при одном нажатии кнопки контакт, как правило, срабатывает несколько раз. Такое явление называется «дребезгом» контактов. Чтобы избежать этого используем схему исключения «дребезга» выполненную на ИС 155ЛН2. «Дребезг» устраняется R-S-триггером, выполненном на элементе «НЕ» Для каждой кнопки «Пуск» и «Продолжить» используем отдельный экземпляр схемы устранения «дребезга».

Логический элемент И-НЕ типа К155ЛАЗ пропускает или не пропускает сигналы с тактового генератора на входы ГПСП и СЧЦ в зависимости от состояния сигнала «Разрешение работы».

12. Расчет потребляемой мощности стенда

Расчет максимального потребляемого тока всеми используемыми микросхемами приведен в табл. 1.

Таблица 1. Потребляемый ток

Наименование Кол-во Максимальный потребляемы ток, мА Суммарный потребляемый ток, мА
SN74193N 4 27 27
SN74LS164N 2 66 132
SN74155N 1 25 25
SN74LS151N 4 33 165
SN74188N 1 53 53
SN74123N 4 70 280
SN7402N 3 40 200
SN7400N 3 40 40
SN7486N 2 107 321
KT209A 8 54 108
SN7404N 19 40 580
SN74LS85N 4 70 280
SN7407N 1 33 33

Итого:

2071

 = 2,071А

При расчете использованы максимальные значения тока потребления из указанных в справочниках.

Расчет максимально потребляемого тока для индикаторных устройств (семисигментный индикатор)

Тип: АЛС342 – количество 7.

 

3471мА

 (Не учитывается мощность потребления тестируемого и эталонного ТЭЗов).

Разъем – ГПРМ-10. В разъеме соединителе типа ГПРМ-10 – 48 контактов шар сетки контактов 2,5 мм. На плате ТЭЗов располагается вилка, а розетка располагается в конструктиве стенда. Вилка предназначается для печатного монтажа. Покрытие контактов серебро.

Таблица 2. Спецификация

Обозначение

Наименование

Кол-во

Микросхемы

1 DD1, DD32, DD33, DD35, DD36
2 DD2
3 DD3
4 DD4
5 DD5-DD7
6 DD8-DD10, DD15-DD18
7 DD11
8 DD12
9 DD13, DD14
10 DD19, DD20
11 DD21
12 DD22
13 DD23, DD30, DD31, DD34
14 DD24
15 DD25-DD28
16 DD29

Другие элементы

17 DA1-DA8 Индикатор АЛС342Б
18 VD1-VD28 Светодиод АЛ307АМ
19 VT1-VT8 Транзистор КТ829
20 SB1, SB2 Кнопка ПКн135–1

Резисторы

21 R1, R25-R38 R1–4–0.5 – 2.5кОм±1%
22 R2-R7 R1–4–0.5 – 1кОм±1%
23 R8, R9 R1–4–0.5 – 560Ом±1%
24 R10, R11 R1–4–0.5 – 220Ом±1%
25 R12 R1–4–0.5 – 100Ом±1%
26 R13, R15 R1–4–0.5 – 5кОм±1%
27 R14 R1–4–0.5 – 500кОм±1%
28 R16-R23 R1–4–0.5 – 200Ом±1%

Список литературы

1.  Каган Б.М., Мкртумян И.Б. «основы эксплуатации ЭВМ» Учебное пособие для вузов / под редакцией Б.М. Кагана – М.: Энергоатомиздат, 1988 г.

2.  Шило В.Л. Популярные микросхемы. Справочник – М.: Радио и связь, 1987 г.

3.  Петровский И.И., Прибыльский А.В. Логические ИС КР1533, КР 1554. справочник. – М.: БИНОМ, 1993 г.


© 2012 Рефераты, доклады и дипломные работы, курсовые работы бесплатно.