рефераты
Главная

Рефераты по международному публичному праву

Рефераты по международному частному праву

Рефераты по международным отношениям

Рефераты по культуре и искусству

Рефераты по менеджменту

Рефераты по металлургии

Рефераты по муниципальному праву

Рефераты по налогообложению

Рефераты по оккультизму и уфологии

Рефераты по педагогике

Рефераты по политологии

Рефераты по праву

Биографии

Рефераты по предпринимательству

Рефераты по психологии

Рефераты по радиоэлектронике

Рефераты по риторике

Рефераты по социологии

Рефераты по статистике

Рефераты по страхованию

Рефераты по строительству

Рефераты по таможенной системе

Сочинения по литературе и русскому языку

Рефераты по теории государства и права

Рефераты по теории организации

Рефераты по теплотехнике

Рефераты по технологии

Рефераты по товароведению

Рефераты по транспорту

Рефераты по трудовому праву

Рефераты по туризму

Рефераты по уголовному праву и процессу

Рефераты по управлению

Курсовая работа: Приемник службы радиомониторинга

Курсовая работа: Приемник службы радиомониторинга

ПОЯСНИТЕЛЬНАЯ ЗАПИСКА

К  КУРСОВОМУ  ПРОЕКТУ

ПО  ДИСЦИПЛИНЕ:

«Устройства приема и обработки сигналов»

Студент Шмыренков С.А.

Группа 311  Специальность 201700

2007


Содержание

1. Выписка из ГОСТа

2. Введение

3. Технико-экономическое обоснование и расчёт структурной схемы приёмника

4. Расчет входной цепи

5. Выбор источника питания

6. Заключение

7. Библиографический список

приемник цепь частота гетеродин


1. Выписка из ГОСТа

1. Вид модуляции                                                                             А3J

2.Чувствительность приемника, мкВ                                                   1

3. Избирательность приемника по соседнему каналу, дБ              80

4. Избирательность приемника по побочным каналам, дБ             66

5. Избирательность приемника  по зеркальному каналу, дБ           66

6. Динамический диапазон входных сигналов, дБ                              60

7. Динамический диапазон выходных сигналов, дБ

8. Диапазон  модулирующих частот, Гц                            300-3400   Гц

9. Нестабильность частоты гетеродина                                 

10. Сопротивление антенны, Ом                                                             75


2. Введение

Радиоприемное устройство – одно из важнейших и необходимых элементов любой радиотехнической системы передачи информации. Оно обеспечивает: улавливание энергии  электромагнитного поля, несущего полезные сообщения; усиление мощности полезного радиосигнала; детектирования; усиление мощности сигнала и преобразования его в сообщение, поступающее получателю.

     В месте приема существуют посторонние электромагнитные поля, создаваемые источниками радиопомех естественного и искусственного происхождения. Эти радиомагнитные поля искажают полезный сигнал и вызывают ошибки в приеме сообщения. Учитывая, что реальные условия приема сигналов изменяются во времени, структура приемника и режимы его элементов должны оптимизироваться, с целью  обеспечить минимальную величину ошибки в приеме сообщений. В приемнике могут предусматриваться автоматические регулировки усиления, избирательности, формы характеристик, обеспечивающие адаптацию приемника к изменяющимся условиям приема сигналов. Необходимое усложнение приемника обусловлено повышенными требованиями к качеству приема сообщений. Это усложнение особенно характерно для профессиональных приемников связных, радиолокационных, радионавигационных, телеметрических  и других специальных систем.

Радиоприемное устройство это одно из важнейших и необходимых элементов любой радиотехнической системы передачи информации. Оно обеспечивает: улавливание энергии электромагнитного поля, несущего полезные сообщения; усиление мощности полезного радиосигнала; детектирования; усиление мощности сигнала и преобразования его в сообщение, поступающее получателю. 

Радиоприемники можно классифицировать по ряду признаков, из которых основным являются:

1) тип схемы;

2) вид принимаемых сигналов;

3) назначение приемника;

4) диапазон частот;

5) вид активных элементов, используемых в приемнике;

6) тип конструкции приемника.  

По типу схем различают приемники детекторные, прямого усиления, сверхрегенеративные и супергетеродинные приемники, обладающие существенными преимуществами перед приемниками других типов и широко применяемые во всех диапазонах частот.

Основными узлами и блоками приёмника являются: приёмная антенна, усилители радиочастоты (УРЧ), промежуточной частоты (УПЧ), низкой частоты (УНЧ), детектор, и оконечное устройство.

Структурная схема приёмника в значительной степени определяется его назначением и видом модуляции сигнала. Из технического задания (ТЗ) следует что приёмник должен обеспечивать приём сигналов с однополосной амплитудной модуляцией (A3J). Применение однополосных сигналов целесообразно, в связи с тем, что при этом значительно увеличивается чувствительность приёмника (приблизительно в 2 раза). Так же стоит иметь в виду что для профессиональной аппаратуры запрещается использовать двух полосные сигналы.

При использовании амплитудно-модулированных сигналов необходимо помнить что для их нормального детектирования глубина модуляции не должна превышать 30%.    

Для упрощения схемы некоторые блоки  приёмника целесообразно   заменить аналоговыми интегральными микросхемами.

В данном курсовом проекте будет разрабатывается приемник службы радиомониторинга.


3. Технико-экономическое обоснование и расчет структурной схемы приемника.

1)  Разбивка заданного диапазона приемника на поддиапазоны (при Кд>2) и расчет границ поддиапазонов с 2-3% запасом. Дальнейший расчет на максимальной частоте приемника.

 

.

Отсюда видно, что  Кд>2, значит, разбиваем диапазон приемника на поддиапазоны. Дальнейший расчет производится на максимальной частоте приемника.

По ТЗ задан вид модуляции A3J.

Разобьем заданный рабочий диапазон приемника на 2 поддиапазона.

Используем комбинированный метод разбивки, с разными коэффициентами поддиапазона.

                                                                         2

             1                                                                                                            

                                                                                                                   МГц

5                                            8,5                                                     12

                                                                         Рис.1

Fниж1= 5*0,98=4,9МГц                       

Fниж2=8,5*0.98=8,33МГц                         

Fверх1=8,5*1,02=8,67МГц

Fверх2=12*1,02=12,24МГц                        

2) Расчет ширины спектра принимаемого сигнала с учетом вида, параметров модуляции и диапазона модулирующих частот.

Для  A3J (однополосная модуляция с подавлением нижней боковой и несущей полностью (подавление на 40дБ))

.

3)  Расчет настабильностей частоты передатчика и гетеродина приемника. Выбор типа гетеродина и трнбований к нему.

Зададимся стандартной промежуточной частотой fпр = 10.7 МГц. Частота гетеродина должна превышать частоту сигнала fгет > fс, отсюда получаем:

Относительная нестабильность частоты согласно ГОСТ. Рассчитаем полосу нестабильности:

Пнестаб-ти=== 154 Гц.

Для обеспечения заданной нестабильности частоты и требуемой сетки частот с шагом в Δf = 5 кГц необходимо проектируемый приемник снабдить синтезатором частот на интегральной микросхеме.

4)  Расчет требуемой полосы пропускания приемника. Проверка полосы канала связи и защитного интервала.

По ТЗ, избирательность по соседнему каналу не менее 60дБ.

П0,7=Пспектра+Пнестаб-ти=3100+154= 3254Гц.


Проверка полосы канала связи:

П0,7< Пканала.

5)  Сравнить полосу пропускания и расстройку по соседнему каналу. В случае их равенства (или превышения) скорректировать полосу пропускания приемника и сравнить их.

П0,7=3254Гц.                    

Псосед.кан.=5000Гц.

П0,7< Псосед.кан..

Пзащ.инт=Пканала-П0,7=5*103-3,254*103=1,746кГц.

Расчет допустимого коэффициента шума приемника при заданных ЭДС на его входе и соотношении с/ш на входе детектора.

Определив необходимую полосу линейного тракта, нужно перейти к выбору первых каскадов приемника, обеспечивающих требуемую чувствительность. Коэффициент шума можно характеризовать реальной чувствительностью приемника. Если раельная чувствительность задана в виде велечины ЭДС ЕА сигнала в антенне, при которой отношение эффективных значений напряжений с/п на выходе приемника больше минимально допустимого отношения  или равно ему, то можно вычислить допустимый коэффициент шума Nд из условия

.

 - минимально допустимое отношение эффективных напряжений с/п на входе приемника;

Пш - шумовая полоса линейного тракта;


Пш=1,1*3254 = 3579Гц;

К=1,38*10-23Дж/град – постоянная Больцман;

Т0=2900 К – стандартная температура приемника;

RA=75Ом – внутреннее сопротивление приемной антенны.

Пвых1,1*Fmax – полоса пропускания УНЧ.

 Пвых=1,1*3400=3,74кГц .

=4*4,1 .

NД==152,3

 

6)  Выбор транзистора (ИМС) первого каскада приемника (УРЧ) по максимальной частоте и коэффициенту шума.

Допустимый коэффициент шума транзистора  

Выберем подходящий транзистор:  2Т368А (КТ368А).

Его электрические параметры:

- fгр, не менее 900 МГц, fгр>Fmax, значит, по частотным параметрам транзистор подходит;

- Кш не более 3.3 дБ, Кш< Nш тр, значит, по шумовым свойствам транзистор также подходит;

- Uгр не менее 15 В, значит можно использовать источник питания из стандартного ряда Eпит=12 В.

-  fнор. =60 МГц

7)  Расчет избирательности по зеркальному каналу тракта радиочастоты (ТРЧ). Выбор схемы тракта и количества его контуров.

Зададимся эквивалентным затуханием . Рассчитаем обобщенную расстройку зеркального канала:    

.

 (дБ) = 20*log8=18,1дБ.

На основании номограммы рис.1.8 а) [1] определяем избирательность по зеркальному каналу , при этих условия техническому заданию удовлетворяет схема №7, представленная на рис.2:

                                                                  Рис.2

8)  Проверка избирательности тракта радиочастоты по каналу прямого прохождения.

Обобщенная расстройка, соответствующая частоте дополнительного канала приема fдк=500кГц – промежуточная частота, равна:

f00=6,5 МГц – наиболее опасная частота настройки приемника, лежащая ближе всего к fДК


= -495 раз.

= 495 раз.

Ослабление для одного контура будет равно . Для трех контуров общее ослабление , значит, подавление выполняется на необходимом уровне.

9)  Расчет избирательности приемника по соседнему каналу в тракте промежуточной частоты (ТПЧ). Выбор вида и количества контуров (фильтров), схемы каскадов и их количества.

.

а) Проверка УПЧ-Р по таблице не дала результатов т.к. все Кп0,001>1,54.

Таб.1


m

   

   Кп0,1

   Кп0,01

   Кп0,001

   

   Кп0,1

  Кп0,01

  Кп0,001

УПЧ с одноконтурными кас­кадами, настроенными на три частоты ()

УПЧ с чередующимися одно­контурными и двухконтурными каскадами ()

 

3 0,50 2,15 4,64 10,0 0,50/ 0,58 2,15/ 1,67 4,64/ 2,49 10,0/ 3,66
6 0,58 1,67 2,49 3,66 0,63 1,55 2,07 2,69
9 0,63 1,55 2,07 2,69 0,66/ 0,69 1,50/ 1,47 1,90 /1,82 2,33/ 2,15
12

0,66

-------1/"'

1,50 1,90 2,33 0,71 1,45 1,76 2,05

б) Проведем проверку на осуществимость УПЧ с ФСС:

.

Следовательно, УПЧ с ФСС не реализуем, т.к. Qэ очень большое, è дорогостоящий приемник. Реальное же значение Qэ130.

в) Остается выбрать Электромеханический фильтр, который поставим после смесителя.

Электромеханические фильтры (ЭМФ) позволяют производить частотную се­лекцию колебаний в диапазоне частот 0,1 кГц...1 МГц при относительной полосе пропускания 0,1... 12 %.

В ЭМФ в качестве колебательных систем используются механические резона­торы (трубчатые сердечники, стержни, пластины, диски), изготовленные из специаль­ных сплавов. Это позволяет получать колебательные системы с высокой добротно­стью (Q=104...105), высоким коэффициентом полезного действия и малыми массой и габаритами.

Функциональная схема полосового электромеханического фильтра в общем, виде показана на рис. 3. Символами П1, МР и П2 обозначены соответственно преоб­разователь электрических колебаний в механические, механический резонатор и преобразователь механических колебаний в электрические.

П2

 

МР

 

П1

 
UВХ                                                                                     UВЫХ

                                                                                                              

                               Рис. 3.

Для преобразования энергии электрических колебаний в энергию механических колебаний и наоборот применяются устройства, работа которых основана на использовании электростатических, электромагнитных, магнитоэлектрических, пьезоэлектрических и магнитострикционных эффектов.

В настоящее время наиболее широкое распространение получили магнитострикционные и пьезоэлектрические преобразователи. Как известно, эффект магнитострикции заключается в том, что при намагничивании металлического тела происходит изменение его геометрической формы и размеров. Этот эффект обусловлен деформацией решетки монокристалла, которая происходит вследствие изменения магнитных или электрических обменных сил. В процессе намагничивания ферромагнетиков вплоть до режима насыщения магнитострикция обусловлена в основном магнитными силами решетки.

Выберем тип фильтра: ФЭМ – 031. Его основные параметры:

-  fномин-ая=500 кГц;

=0,5…3,1кГц;

-  подавление не менее 60 дБ;

-  затухание в фильтре не более 0,3 дБ.

10)   Определение общего коэффициента усиления линейной части приемника при  выбранном типа детектора и напряжения на его входе. 

Для детектирования непрерывных АМ сигналов с ОБП целесообразно использовать полупроводниковые диоды, которые дают наименьшие искажения. Для обеспечения устойчивого и линейного режима работы на вход гетеродинного детектора подаем         Uвх =60 mВ, что характерно для однополосной модуляции. Коэффициент общего усиления – считается от антенны до входа детектора, линейного усиления тракта.

Кз=1,5…3 – коэффициент запаса; Берем Кз=2.

Еа=1мкВ – реальная чувствительность приемника;

.


11)   Распределение общего усиления приемника между трактами радио- и промежуточной частоты (ТРЧ и ТПЧ). Составление примерной структурной схемы приемника и уточнения числа каскадов и вида контуров в них.

Соотношение между коэффициентами усиления ТПЧ и ТРЧ должно лежать в пределах: 100…10000, исходя из этого условия, задаём коэффициенты усиления ТРЧ и ТПЧ равными:

Ктрч = 8,5;

Ктпч = 10000.

12) Распределение усиления в ТРЧ и ТПЧ, уточнение числа каскадов по усилению и по избирательности в них.

Нарисуем схему (Рис.5) супергетеродинного приемника.

Распределим все коэффициенты прохождения сигнала по блокам схемы:

КВЦ = 0,1-0,5;

КУРЧ = 5-10;

КСМ = 3-5;

КФ = 0,1-0,2;

КУПЧ = 20-50;

                                                   Рис.4


Выберем , , ;отсюда реальный коэффициент передачи ТРЧ равен:

Тогда коэффициент передачи ТПЧ должен составлять:

Коэффициент передачи фильтра ФЭМ4-031 составляет . Тогда необходимый общий коэффициент усиления каскадов УПЧ равен  . , следовательно, для обеспечения необходимого, минимального напряжения на входе детектора надо включить последовательно три каскада УПЧ, усилением в 12 раз каждый.

Выбрав такие параметры для ТПЧ, необходимо обеспечить усиление в 10000 раз, это возможно при использовании трёх УПЧ, с коэффициентом усиления равным 35. Так как было сказано выше, что необходимо использовать два ЭМФ, то следовательно необходимо учитывать коэффициент прохождения через каждый фильтр, равный 0,2.

13). Составление примерной структурной схемы приёмника и уточнение числа каскадов и вида контуров в них. Определение входных напряжений в каскадах и трактах приема. Выбор типов транзисторов.

Для построения каскадов УПЧ подходят транзисторы типа КТ315Б, у которого все параметры удовлетворяют необходимым требованиям. В частности:

- fгр, не менее 250 МГц, fгр>10.7МГц, значит, по частотным параметрам транзистор подходит;

- Uгр не менее 20 В, значит можно использовать источник питания из стандартного ряда Eпит=12 В.

Примерная структурная схема приемника имеет вид (рис.5).

                                                      

                                                                     Рис.5

 

Видно, что на входе детектора обеспечен запас по напряжению 0.17В>0.06В.

14). Замена транзисторов в каскадах на микросхемы.

Ориентируемся на ИМС серии К174. Это серия представляет собой комплект ИМС, преднозначенных  для высококачественной радиовещательной аппаратуры , в том числе звуковоспризводящей. Микросхемы выполнены на биполярных транзисторах с изоляей p-n перехода.

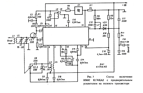
Схема включения микросхемы с предварительным усилением на полевом транзисторе приведена на рисунке ниже. Селекцию входного сигнала осуществляет контур L2C1C2.1. Частота колебаний гетеродина определяется контуром L3C2.2C6C7. Сигнал разностной частоты выделяется контуром L5C9 и последующим полосовым фильтром Z1. С усилителя ПЧ через контур L7C15 сигнал приходит в детектор на диоде VD1. RC фильтр  R10C16 выделяет напряжение АРУ и оно подается на вывод 9.

Назначение выводов ИМС К174ХА2:

1 – Вход УРЧ;

2 – Вход УВЧ;

3 – Вход УПТ;

4 – Вывод;

5 – Вывод;

6 – Вывод;

7 – Выход УПЧ;

8 – Общий;

9 – Вход УПТ;

10 – Индикаторный вывод;

11 – Вход УПТ;  

12 – Вход УПТ;  

13 – Вывод;

14  -  +Uист.пит. ;

15 – Выход смесителя;

16 – Выход смесителя;

Оба УРЧ (рис.8) выполним на микросхеме К174ПС1, которая представляет собой двойной балансный смеситель для частот до 200 МГц и предназначена для преобразования частот УКВ-диапазона в радиоприемной и связной аппаратуре.

Коэффициент шума микросхемы не более 8 дБ, что удовлетворяет требованиям, но на пределе.

УНЧ строится на микросхеме К174УН5 (рис.10), это операционный усилитель, нагруженный на низкоомную нагрузку.


15) Сравнение полученных результатов с заданными и окончательный вариант структурной схемы приемника.

Замена транзисторов на микросхемы значительно упростила конструкцию, и структурную схему приемника. В каждом контуре входной цепи и в контурах УРЧ в качестве элемента управления перестройкой ставиться варикапная матрица. Управляющее напряжения на варикапные матрицы подается от блока управления (БУ) через резисторы сопротивлением в 100 кОм. Блок управления также обеспечивает работу синтезатора частот (СЧ). В целом полученные результаты соответствуют ранее заданным и следовательно, можно приступить к окончательному варианту структурной схемы приемника.

17) Нарисовать полученную структурную схему, написать типы транзисторов (ИМС) в каскадах (трактах), частоты, величины входных сигналов каскадов и коэффициент усиления в них.

Окончательный вариант структурной схемы приемника представлен на рис.11.

                                                                         Рис.11


4. Расчет входной цепи.

Выберем трансформаторную связь приемника с настроенной антенной. Схема имеет вид:

                   Рис.12

 1).Из табл. 4.4 [1] выбираем полную емкость схемы .

 2).Из табл. 4.5 [1] выбираем собственное затухание контура .

- коэффициент включения фидера

.

.

- коэффициент входу УРЧ

.

.

Рассчитываем емкость контура :


где - паразитная емкость катушки контура

.

Находим индуктивность контура   

Рассчитываем коэффициент передачи напряжения входной цепи

.

- коэффициент передачи входной цепи при рассогласовании

.

.

- коэффициент передачи фидера. Он определяется из зависимости  от

 значит .

.

Перестройку входной цепи будем осуществлять с помощью варикапных матриц.


5. Выбор источника питания

Источник питания должен выдавать постоянные стабилизированные напряжения для трактов ТРЧ и ТПЧ (+9 и +12 В), а также на УНЧ. В качестве первичного источника питания (ПИП) может использоваться сеть 220 В, батарея из гальванических элементов или аккумуляторная батарея. Если в качестве  ПИП выбран аккумулятор, то  должна быть предусмотрена возможность его заряда.


6. Заключение

Разработанный приемник радиостанции РЭБ удовлетворяет всем требованиям технического задания. Достоинством схемы является достаточно малое число элементов, что произошло благодаря использованию интегральных микросхем. Приемник построен на современных микросхемах серии К174, что обеспечивает их легкое сопряжение и не сложную настройку собранного приемника. Разработка также обладает неплохими показателями по чувствительности и избирательности, а использование синтезатора частоты позволяет перестраиваться по диапазону с малым шагом и большой точностью.


7. Библиографический список

1.Проектирование радиоприемных устройств.Под ред. А.П. Сиверса Учебное пособие для вузов. - М.,”Сов.радио”,1976.

2. Аналоговые интегральные микросхемы. Д.И.Атаев, Б.А.болотников. – М.:МЭИ  1999.

3.Изделия электронной техники.: Справочник/Ладик А.И. Сташкевич А.И.-

   М.:Радио иСвязь,1993.

4.Радиоприемные устройства. Чистяков Н.И. Сидоров В.М. Учебное пособие для вузов. - М.,”Связь”,1974.


© 2012 Рефераты, доклады и дипломные работы, курсовые работы бесплатно.