рефераты
Главная

Рефераты по международному публичному праву

Рефераты по международному частному праву

Рефераты по международным отношениям

Рефераты по культуре и искусству

Рефераты по менеджменту

Рефераты по металлургии

Рефераты по муниципальному праву

Рефераты по налогообложению

Рефераты по оккультизму и уфологии

Рефераты по педагогике

Рефераты по политологии

Рефераты по праву

Биографии

Рефераты по предпринимательству

Рефераты по психологии

Рефераты по радиоэлектронике

Рефераты по риторике

Рефераты по социологии

Рефераты по статистике

Рефераты по страхованию

Рефераты по строительству

Рефераты по таможенной системе

Сочинения по литературе и русскому языку

Рефераты по теории государства и права

Рефераты по теории организации

Рефераты по теплотехнике

Рефераты по технологии

Рефераты по товароведению

Рефераты по транспорту

Рефераты по трудовому праву

Рефераты по туризму

Рефераты по уголовному праву и процессу

Рефераты по управлению

Курсовая работа: Дискретное устройство (ДУ)

Курсовая работа: Дискретное устройство (ДУ)

Содержание

1. Задание на курсовой проект

2. Введение                                                

3. Проектирование дискретного устройства на элементах малой интеграции.

            3.1. Проектирование блока триггера.

3.2. Проектирование микроопераций        

3.2.1. Микрооперация установки триггера в " 0 ".   

3.2.2  Микрооперация записи данных.                

3.2.3. Микрооперация сдвига кода влево на один разряд.

3.2.4. Логическая микрооперация (“И”).                   

3.2.5. Микрооперация счета с параллельным переносом.

3.2.6. Микрооперация вычитание.     

3.2.7. Микрооперация сравнения (>).              

3.2.8. Микрооперация преобразования в дополнительный код.

3.2.9. Микрооперация свертки по модулю 2

          (тип переноса последовательный (сквозной) )

3.3. Построение объединенных функций возбуждения триггеров.

3.4. Расчет быстродействия ДУ.

4. Проектирование ДУ на БИС.

            4.1. Проектирование схемы ДУ.

4.2. Карта программирования ПЗУ.

1. Задание на курсовой проект.

Спроектировать дискретное устройство (ДУ) выполняющее  следующие действия :

*             сброс элементов памяти

*             запись значения входного слова в ДУ 

*             сдвиг кода в ДУ влево

*             логическая операция «&»  (логическое “И”)

*             счетчик  (-1) с параллельным переносом

*             арифметическая операция вычитание.

*             операция сравнения (>)

*             преобразование в дополнительный код

*             свертка по модулю 2 (тип переноса последовательный).

Дискретное устройство проектируется на JK - триггерах

Серия МИС 500, серия ПЗУ 1611


2. Введение.

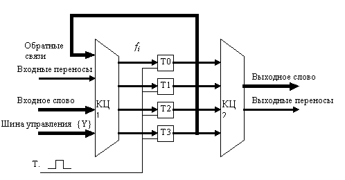
При синтезе проектируемое устройство представляется в виде структуры, представленной на рисунке 2.1

рисунок 2.1.

Проектирование дискретного устройства  сводится  к  синтезу элементарного дискретного устройства, обрабатывающего один бит информации и включающего один элемент памяти (триггер).

Входная комбинационная  схема   обеспечивает    выполнение операций из   множества   Y,   результатом   которых  являются   соответствующие значения  функций  возбуждения  f i для   каждого из входов триггера:

– установка элементов памяти в нулевое состояние.

– запись входного слова в элементы памяти

– сдвиг влево

– логическую операцию

– декремент

– операция вычитания

–  преобразование в дополнительный код.

Выходная комбинационная схема  обеспечивает  выполнение операции сравнения и формирование свертки содержимого ДУ.

Синтез элементарного   ДУ   сводится  к  получению  функций возбуждения для каждой операции отдельно и, далее, построению объединенных функций возбуждения триггера элементарного ДУ. Получение функций  возбуждения  для  каждой   микрооперации сводится к выполнению следующих этапов :

 – построение таблицы для выполняемой операции

 – определение значений функций возбуждения для каждой таблицы выполняемой

    операции  с учетом  словаря  переходов заданного триггера

 – определение логической функции для каждого входа  заданного триггера

 – минимизация  логической  функции  в  требуемом   логическом базисе.

 

3. Проектирование дискретного устройства на элементах малой интеграции.

3.1 Выбор триггера.

            В качестве триггера для ДУ выберем МС К500ТВ135, объединяющую в одном корпусе два двухтактных JK-триггера с возможностью установки “0” и “1”:

К500ТВ135

3.2 Проектирование микроопераций.

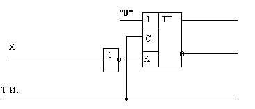
3.2.1. Микрооперация установки триггера в " 0 ".

При подаче тактового импульса на синхронизирующие входы триггеров  и  при  разрешении операции  обнуления  (Y=0)  по заднему фронту импульса,  информация, находящаяся на  входах триггеров  переписывается  на их выходы, т.о.  обнуление триггеров происходит в том случае, если к моменту подачи тактового импульса на J-входах триггеров установлены уровни логической  единицы, а на K-входах – уровни логического нуля.

Qt

Qt+1

J K
0 0 0 *
1 1 * 1

3.2.2. Микрооперация записи данных.

Когда операция записи данных разрешена,  т.е.  Y =1, и  при подаче на синхровходы триггеров тактового импульса С по его заднему фронту, информация, находящаяся на входах  триггеров, переписывается  в  ячейки  памяти дискретного устройства и появляется на выходах Qi. При изменении  входных  данных, т.е. при  переключении сигналов X i они с задержкой распространения импульса по  цепям микросхем, участвующих    в   микрооперации   записи данных,  появляются на входах триггеров. При подаче следующего тактового импульса С микрооперация записи данных повторяется.

 

X Qt Qt+1 J K J K
0 0 0 0 * X X

0

1 0 * 1

1

0 1 1 * 0 1 * *

1

1 1 * 0 * *

Qt

1 0

Qt

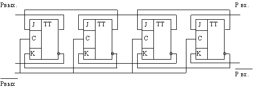
3.2.3. Микрооперация сдвига кода вправо на один разряд.

Когда  Y =2, по заднему фронту тактового импульса информация со входов триггера поступает на их выходы,  а затем осуществляется сдвиг кода, хранящегося  в данный  момент в ячейках памяти, в сторону старших разрядов т.е. вправо. При сдвиге каждый запоминающий элемент должен :

- передать хранимую информацию на элемент Ti+1

- изменить свое состояние за счет приема информации от триггера Т i-1 при сдвиге на один разряд вправо.

Передача от триггера Тi и изменение его состояния не могут проходить одновременно. В данном   курсовом   проекте   эта трудность исключается  за  счет  использования  синхронных двухступенчатых JK-триггеров с динамическим управлением записью. Внутренняя организация таких триггерных схем предусматривает разделение во времени этапов приема входной информации и смены  выходной. В них по переднему фронту синхронизирующего сигнала происходит прием информации, а по заднему - изменение состояния.

Pi

Qt

Qt+1

J K J K
0 0 0 0 *

Qt

Qt

0 1 0 * 1
1 0 1 1 *

Pi                

Pi

* 1
1 1 1 * 0 1 *

            Схема цепи, реализующей данную операцию, изображена на рис. 3.3

рисунок 3.3

3.2.4. Логическая микрооперация.

В данном дискретном устройстве разрабатывается логическая микрооперация «Логическое “И”» .Когда  Y=3 и на синхровходы триггеров подается тактовый импульс, по его заднему фронту информация на  входах переписывается на выходы Q с задержкой прохождения сигнала через триггер. Затем выполняется  заданная  логическая операция над содержимом ячейки памяти и входными данными.

X

Qt

Qt+1

J K J K
0 0 0 0 *

Qt

Qt

0 1 0 * 1
1 0 0 0 *

X                

0 0 X * *
1 1 1 * 0 * * 1 0

            Схема цепи, реализующей данную операцию, изображена на рис. 3.4

рисунок 3.4

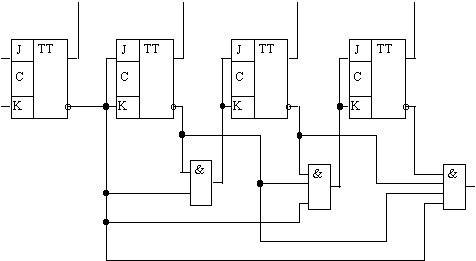
3.2.5. Микрооперация  счета  (-1) с последовательным переносом.

Учитывая тот факт, что синтезированный двухступенчатый триггер переключается по заднему фронту, получаем следующие функции возбуждения триггеров.

Zi-1

Qt-1

Qt

J K

Zi

Qt

-1

J

Qt

-1

Zi

0

0 0 0 * 0

Zi-1

0 *

Zi-1

0 0

 

0 1 1 * 0 0 1 * 1 0

 

1 0 1 1 * 1

 

1 1 0 * 1 0

Qt

-1

K

 

Zi-1

* 0

 

* 1

 

            Или   то есть, если  иначе

           

            Схема цепи, реализующей данную операцию, изображена на рис. 3.5

рисунок 3.5

3.2.6. Микрооперация арифметического вычитания.

В данном  дискретном  устройстве разработана арифметическая  операция сложения.-Анализируя  исходное  состояние  триггера, перенос, в соответствии  со  словарем переходов JK-триггеров составляем таблицу.

X

Zi

Qt

Qt+1

Zi+1

J K Х J
0 0 0 0 0 0 *

                Zi

0 * * 1
0 0 1 1 0 * 0 1 * * 0
0 1 0 1 1 1 *

Qt

 

0 1 1 0 0 * 1 Х K
1 0 0 1 1 1 *

                Zi

* 0 1 *
1 0 1 0 0 * 1 * 1 0 *
1 1 0 0 1 0 *

Qt

 

1 1 1 1 1 * 0 Х

       Zi+1

                Zi

1 1 0 1
1 0 0 0

Qt

 

            Функции возбуждения триггера для данной операции имеют следующий вид:

Схема цепи, реализующей данную операцию, изображена на рис. 3.6

рисунок 3.6

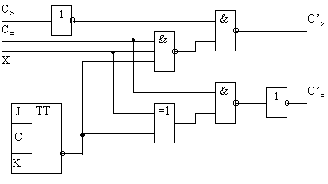
Данная операция реализуется по следующим формулам.

C>

C=

X

Qt

C’>

C’=

C’>

 

0 0 0 0 0 0

C=

С>

С=

0

0 0 1 0 0 1 0 0
0 0 1 0 0 0 1 * * 1 = 0 1
0 0 1 1 0 0

        C>

1 * * 1

Qt

1 0
0 1 0 0 0 1 x 1 1
0 1 0 1 0 0 X

 

0 1 1 0 1 0

C’=

 

0 1 1 1 0 1

C=

 

1 0 0 0 1 0 1

 

1 0 0 1 1 0 * *

 

1 0 1 0 1 0

        C>

* *

Qt

 

1 0 1 1 1 0 1

 

1 1 0 0 * * X

 

1 1 0 1 * *

 

1 1 1 0 * *

 

1 1 1 1 * *

 

            Функции переносов для данной операции имеют следующий вид:

рисунок 3.7.

3.2.8. Микрооперация преобразования в дополнительный код.

            Преобразование в дополнительный код произведем согласно таблице.

t

t+1

JK3

JK2

JK1

JK0

 

Q3

Q2

Q1

Q0

Q3

Q2

Q1

Q0

J3

K3

J2

K2

J1

K1

J0

K0

0 0 0 0 0 0 0 0 0 * 0 * 0 * 0 *
0 0 0 1 1 1 1 1 1 * 1 * 1 * * 0
0 0 1 0 1 1 1 0 1 * 1 * * 0 0 *
0 0 1 1 1 1 0 1 1 * 1 * * 1 * 0
0 1 0 0 1 1 0 0 1 * * 0 0 * 0 *
0 1 0 1 1 0 1 1 1 * * 1 1 * * 0
0 1 1 0 1 0 1 0 1 * * 1 * 0 0 *
0 1 1 1 1 0 0 1 1 * * 1 * 1 * 0
1 0 0 0 1 0 0 0 * 0 0 * 0 * 0 *
1 0 0 1 0 1 1 1 * 1 1 * 1 * * 0
1 0 1 0 0 1 1 0 * 1 1 * * 0 0 *
1 0 1 1 0 1 0 1 * 1 1 * * 1 * 0
1 1 0 0 0 1 0 0 * 1 * 0 0 * 0 *
1 1 0 1 0 0 1 1 * 1 * 1 1 * * 0
1 1 1 0 0 0 1 0 * 1 * 1 * 0 0 *
1 1 1 1 0 0 0 1 * 1 * 1 * 1 * 0

Q0

J3

Q0

K3

0 1 1 1 * * * *
1 1 1 1 * * * *
* * * * 1 1 1 1
* * * * 0 1 1 1

Q1

Q1

J3=Q2Ú Q1Ú Q0

K3=Q2Ú Q1Ú Q0

Если ввести понятие переноса, то микрооперация преобразования в дополнительный код реализуется по следующим формулам .

Pi

Qt

Qt+1

J K

Pi+1

Qt

J

Qt

Pi+1

0

0 1 1 * 0

Pi

1 *

     Pi

0 1

 

0 1 0 * 1 0 0 * 0 0

 

1 0 0 0 * 1

 

1 1 1 * 0 0

Qt

K

 

Pi

* 1

 

* 0

 

Функции возбуждения триггера для данной операции имеют следующий вид:

            Схема цепи, реализующей данную операцию, изображена на рис. 3.8.

рисунок 3.8

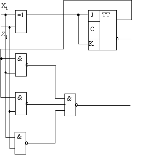
3.2.9. Микрооперация свертки по модулю 2 (послед.).

Свертка по модулю 2 применяется для контроля кода. 

Схема цепи, реализующей данную операцию, изображена на рис. 3.9.


рисунок 3.9

3.3. Построение объединенных функций возбуждения.

Построение объединенных функций возбуждения триггеров реализуется следующим образом :

- построение  объединенной  таблицы  функционирования для каждой микрооперации и каждого установочного входа триггера ;

 запись и минимизация функций возбуждения .

Таблица 3.1 является объединенной таблицей функционирования ДУ. В ней строки соответствуют микрооперациям ,а столбцы установочным входам триггеров и переносам. Для каждого   установочного входа записывается функция возбуждения.

На основании  оставленной таблицы синтезируем функции возбуждения триггеров

Q3

Q2

Q1

Q0

J3

K3

J2

K2

J1

K1

J0

K0

Запись 0 0 1 0 1 0 1 0 1
Запись слова

x3

x2

x1

x0

Сдвиг вправо

P3

P2

P1

P0

Логическая операция 0

0

0

0

Вычитание

-1 (пар.)

Z`3

Z`3

Z`2

Z`2

Z`1

Z`1

Z`0

Z`0

дополнитель-ный код

P3`

P3`

P2`

P2`

P1`

P1`

P0`

P0`

Преобразуем выражения к требуемому базису:

3.4. Расчет быстродействия ДУ.

Быстродействие дискретного  устройства следует оценивать по максимальной частоте тактовых импульсов, поступающих на синхронизирующий вход.  Максимальная частота тактовых импульсов – это максимально допустимая частота  подаваемых  в  дискретное устройство импульсов, не приводящих к нарушению его работы. В общем случае для расчета  максимальной  тактовой  частоты необходимо определить минимальные длительности тактового импульса  и паузы между тактовыми импульсами. Тогда частоту fmax можно определить по формуле :

Длительность такта для синхронных схем дискретного устройства определяется исходя из быстродействия используемого триггера. Длительность паузы между тактовыми  импульсами определяется временем  переходного процесса в дискретном устройстве и оценивается  максимальной  длиной функциональной цепи :

 ,

где  ­–  максимальная задержка сигнала на одном элементе;

        n     –  число уровней функциональной цепи  (глубина КСх);

            Вычисляем  максимальную тактовую частоту дискретного устройства :

           

           

4. Проектирование ДУ на БИС.

           

4.1. Проектирование схемы ДУ.

4.2. Карта программирования ПЗУ.


© 2012 Рефераты, доклады и дипломные работы, курсовые работы бесплатно.