рефераты
Главная

Рефераты по международному публичному праву

Рефераты по международному частному праву

Рефераты по международным отношениям

Рефераты по культуре и искусству

Рефераты по менеджменту

Рефераты по металлургии

Рефераты по муниципальному праву

Рефераты по налогообложению

Рефераты по оккультизму и уфологии

Рефераты по педагогике

Рефераты по политологии

Рефераты по праву

Биографии

Рефераты по предпринимательству

Рефераты по психологии

Рефераты по радиоэлектронике

Рефераты по риторике

Рефераты по социологии

Рефераты по статистике

Рефераты по страхованию

Рефераты по строительству

Рефераты по таможенной системе

Сочинения по литературе и русскому языку

Рефераты по теории государства и права

Рефераты по теории организации

Рефераты по теплотехнике

Рефераты по технологии

Рефераты по товароведению

Рефераты по транспорту

Рефераты по трудовому праву

Рефераты по туризму

Рефераты по уголовному праву и процессу

Рефераты по управлению

Дипломная работа: Создание низкоразмерной среды в арсениде галлия для устройств микро- и наноэлектроники

Дипломная работа: Создание низкоразмерной среды в арсениде галлия для устройств микро- и наноэлектроники

ВЫПУСКНАЯ КВАЛИФИКАЦИОННАЯ РАБОТА

в форме бакалаврской работы

Создание низкоразмерной среды в арсениде галлия для устройств микро- и наноэлектроники


СОДЕРЖАНИЕ

Введение

1. Арсенид галлия как перспективный материал микро- и наноэлектроники

1.1  Свойства и применение арсенида галлия

1.2  Пористая матрица арсенида галлия и её структурные свойства

1.3  Оптические свойства пористой матрицы

2. Формирование низкоразмерной среды в арсениде галлия

2.1 Исследование электрофизических параметров исходного монокристаллического арсенида галлия

2.1.1 Определение кристаллографической ориентации подложек

2.1.2 Определение типа проводимости подложек методом термо-ЭДС

2.1.3 Определение концентрации основных носителей заряда

2.2 Формирование пористой матрицы в арсениде галлия

2.2.1 Электрохимия полупроводников

2.2.2 Технологические условия формирования пористого арсенида галлия

3. Исследование пористого арсенида галлия

3.1 Структурные свойства

3.1.1 Оптическая микроскопия

3.1.2 Электронная микроскопия

3.2 Электрические свойства

3.3 Оптические свойства

Заключение

Список использованных источников


ВВЕДЕНИЕ

В настоящее время основным материалом функциональной электроники является ареснид галлия, как самый универсальный по своим электрофизическим свойствам из всех полупроводниковых материалов типа.

Физико-химические свойства пористых полупроводников достаточно давно привлекают внимание исследователей, применяющих подобные материалы в технологии полупроводниковых приборов и интегральных микросхем. Так, пористый кремний, получаемый обычно методом электрохимического травления, широко используется в технологии «кремний на диэлектрике», для создания проводящих слоёв, а также в качестве подложек для гетероэпитаксии [6]. Интерес к пористым полупроводникам заметно возрос после обнаружения интенсивной фотолюминесценции у пористой модификации кремния – изначально полупроводника со слабой излучательной способностью [7–10]. Условия получения и свойства пористого арсенида галлия пока остаются малоизученными. В литературе встречаются лишь отрывочные данные, свидетельствующие о возможности его получения методом электрохимического травления [11–13].

Согласно литературным данным, процесс порообразования в арсениде галлия происходит по схеме порообразования кремния, но со своей спецификой: результаты исследований говорят о том, что слои пористого арсенида галлия имеют нестихиометричный состав со значительным избытком атомов мышьяка. Установлено, что скелетную основу слоёв составляют столбики-перегородки, разделённые системой пор, ориентированных вдоль кристаллографического направления [111]. Пористые слои сохраняют монокристаллическую структуру подложки, но могут иметь изменённый параметр решётки – Δа/а.


1 Арсенид галлия как перспективный материал микро- и наноэлектроники

1.1 Свойства и применение арсенида галлия

Арсенид галлия – один из перспективных полупроводниковых материалов, который благодаря своим свойствам находит широкое применение в разработке новых типов полупроводниковых приборов.

Некоторые электронные свойства GaAs превосходят свойства кремния. Носители заряда в арсениде галлия обладают более высокой подвижностью, позволяющей работать на частотах до 250 ГГц. Также приборы на основе GaAs генерируют меньше шума, чем кремниевые устройства на той же операционной частоте. Из-за более высокого напряжения пробоя в GaAs чем в Si эти приборы могут работать при большей мощности. Эти свойства делают GaAs широко применяемым в мобильных телефонах, твердотельных лазерах, некоторых радарных системах. Полупроводниковые приборы на основе арсенида галлия имеют более высокую радиационную стойкость, чем кремниевые, что обуславливает его использование при наличии радиационного излучения (например, в солнечных батареях в космической технике).

Основное применение имеет:

1) Полуизолирующий (ПИ) GaAs с высоким удельным сопротивлением (107 Ом.см). Используется при изготовлении высокочастотных интегральных схем (ИС) и дискретных микроэлектронных приборов. Помимо высокого удельного сопротивления монокристаллы нелегированного GaAs, применяемые в производстве высокочастотных приборов (особенно с использованием технологий ионной имплантации), должны иметь высокие значения подвижности носителей заряда и высокую макро- и микроскопическую однородность распределения свойств как в поперечном сечении, так и по длине выращенных слитков.

2) Легированный кремнием GaAs n-типа проводимости с низкой плотностью дислокаций. Применяется при изготовлении светодиодов и лазеров. Монокристаллы сильно легированного кремнием (1017–1018 см-3) GaAs, помимо высокой проводимости, должны обладать достаточно совершенной кристаллической структурой. Они широко используется в оптоэлектронике для изготовления инжекционных лазеров, свето- и фотодиодов, фотокатодов, являются прекрасным материалом для генераторов СВЧ-колебаний, применяются для изготовления туннельных диодов, способных работать при более высоких температурах, чем кремниевые и на более высоких частотах, чем германиевые.

3) Монокристаллы арсенида галлия, легированные хромом, используют в инфракрасной оптике.

4) Монокристаллы GaAs, легированные цинком или теллуром, применяют в производстве оптоэлектронных приборов.

1.2 Пористая матрица арсенида галлия и её структурные свойства

Пористый арсенид галлия получают путём электрохимического анодирования монокристаллического GaAs. В качестве электролита наиболее часто используются водные растворы фторводородной кислоты (HF), а также её смеси с соляной (HCl) и азотной (HNO3) кислотами.

Электрохимическое анодирование пластин может проводиться в гальваностатическом и потенциостатическом режимах. В первом случае через пластину GaAs пропускается ток постоянной на всём протяжении эксперимента амплитуды, в то время как при потенциостатическом режиме постоянным остаётся напряжение. Однако в силу причины низкой эффективности потенциостатического метода, в подавляющем большинстве экспериментов используется гальваностатический метод.

В результате реакции электрохимического травления на поверхности GaAs могут образовываться химические соединения типа , имеющие алмазоподобную форму кристаллиты , а при травлении в хлорсодержащем растворе ещё и .

В связи с тем, что процесс порообразования проходит при непосредственном участии дырок, а их концентрация в GaAs n-типа весьма мала, возникает необходимость создания дополнительных условий для их генерации. Чаще всего для этой цели применяют импульсный источник освещения, светом которого в процессе травления подсвечивается образец.

Пористому арсениду галлия, как и пористому кремнию, свойственно значительное увеличение площади поверхности – до 600 м2/см3.

В GaAs поры растут вдоль кристаллографического направления [111] (рисунок 1). Следовательно, в пластинах с ориентацией (111) поры растут перпендикулярно поверхности, а в пластинах с ориентацией (100) под углом ~35°.

Рисунок 1 – Перпендикулярный поверхности рост пор на пластине ориентации (111)

В зависимости от многих факторов (плотность тока, протекающего через образец, кристаллографическая ориентация пластины, тип проводимости, уровень легирования, состав и температура травителя, наличие или отсутствие подсветки, состояние поверхности), пористые слои могут весьма сильно различаться по своим структурным свойствам[14, 15].

В том случае, когда диаметр пор больше 50 нм, говорят о наличии макропористой структуры; при диаметре пор от 50 нм до 5 нм говорят о мезапористом слое, и в случае диаметра пор меньше 5 нм говорят о микропористой структуре слоя.

Для образцов p-типа, как показывают авторы работы [15], формирование на поверхности пор кристаллитов  не наблюдается, как это было в случае некоторых образцов пористого n-GaAs. В то же время суммарное количество атомов кислорода, участвующих в формировании оксидных связей на поверхности нанокристаллов оказалось почти равным. Стоит отметить, что интенсивность фотолюминесценции в образцах пористого p-GaAs существенно ниже, чем в образцах пористого n-GaAs, а положение самого пика фотолюминесценции сдвинуто в красную область спектра. Структура пористого слоя p-GaAs менее однородная, размеры нанокристаллов колеблются в пределах от десятков до сотен нанометров. В случае n-GaAs размеры нанокристаллов и дисперсия значений среднего диаметра существенно меньше, чем в образцах p-GaAs.

Как указано в работе [13], при электролитическом травлении n-GaAs () в растворах HCl, начиная с плотности тока около  на поверхности образцов образуется тёмная плотная плёнка, прочно сцепленная с подложкой. При плотности тока большей  образуется толстый слой, легко отделяющийся от подложки. При ещё больших плотностях тока этот слой рассыпается в мелкий порошок уже в процессе электролиза. Замена растворителя (воды) на водно-этаноловую смесь (1:1) снижает порог «рассыпания» примерно в 2 раза.

Электролит, содержащий в своём составе  образует на поверхности GaAs тонкую тёмную плёнку уже через несколько секунд после погружения в него образца без пропускания тока, то есть действует как химический травитель. Дальнейший электролиз в таком электролите приводит к образованию толстых слоёв пористого арсенида галлия, так же как и при химическом травлении в растворах HCl.

В результате же чисто химического травления образуются тонкие однородные чёрные слои, толщина которых практически не зависит от времени травления.

1.3 Оптические свойства

Говоря об оптических свойствах пористого арсенида галлия, в первую очередь стоит упомянуть его фотолюминесценцию (ФЛ). Как утверждают авторы работы [13], все слои характеризуются наличием ФЛ в инфракрасной(ИК) области спектра, близкой к полосе излучения подложки. Такая же полоса ИК излучения наблюдается в спектрах свободных (отделенных от подложки) плёнок и в порошкообразном пористом арсениде галлия. Эти наблюдения свидетельствуют о том, что получаемые в результате электролитического травления слои представляют собой губчатые образования. Для всех слоёв, выращенных на подложках с  наблюдается сдвиг ИК максимума в длинноволонвую область спектра и расширение полосы ФЛ (рисунок 2, а). Такой же сдвиг максимума, но без уширения полосы наблюдается у образцов с (рисунок 2, б).


None

Пунктирная линия – спектр исходного арсенида галлия, сплошная – его пористого слоя

а – подложка с , б –  

Рисунок 2 – Сравнение ФЛ образцов исходного арсенида галлия и его пористых слоёв

Все образцы пористого GaAs обладают ФЛ в видимой области спектра. Интенсивность и форма полосы зависят от условий формирования слоёв. Наибольшей интенсивностью, несмотря на малую толщину, обладают «химические» слои. У этих слоёв преобладает ФЛ в красной области спектра, в то время как для «электрохимических» слоёв характерна двугорбая кривая с более выраженным коротковолновым максимумом.

Сдвиг основной фазы фотолюминесценции образцов пористого GaAs, полученных анодным травлением, по сравнению с кристаллическим GaAs может быть объяснён, если предположить, что имеет место размерное квантование энергии носителей тока в результате образования нанообъектов. Производя оценочные расчёты, определяют приблизительный размер нанокристаллов, излучение которых определяет максимальную энергию спектра излучения фотолюминесценции для пористого слоя. Например, в тех пористых образцах n-типа, в которых максимум фотолюминесценции располагается при энергиях 1,85–2,52 эВ, расчёт даёт размеры нанокристаллов от 5 до 8 нм.


2 Формирование низкоразмерной среды в арсениде галлия

2.1 Исследование электрофизических параметров исходного монокристаллического арсенида галлия

2.1.1 Определение кристаллографической ориентации подложек

В первую очередь стоит отметить экспресс-метод определения кристаллографической ориентации пластин – по характеру скола. Пластины ориентации (100) при расколе образуют прямой угол, в то время как пластины ориентации (111) образуют угол, равный 60 градусам.

Слева – пластина ориентации (111), справа – ориентации (100)

Рисунок 3 – Определение кристаллографической ориентации пластин по характеру раскола

С другой стороны, в отличие от аморфных тел почти все свойства кристаллических веществ по разным направлениям различны. В частности, при химическом взаимодействии кристаллов с травителями растворение их граней по разным кристаллографическим направлениям, как правило, происходит с различными скоростями.

При травлении в слабом травителе в течение продолжительного времени в локальной области кристалла, на его гранях образуются правильные фигуры, наблюдаемые под микроскопом, которые получили название фигур травления. Установлено, что фигуры травления на различных кристаллографических плоскостях различны. Так, на пластинах с кристаллографической ориентацией (100) фигуры травления стремятся принять вид квадратов, в то время как на пластинах (111) – треугольников [5].

 а

 б

Рисунок 4 – Фигуры травления пластин арсенида галлия ориентации: а – (100); б – (111)

 а

 б

Рисунок 5 – Ямки травления пластин арсенида галлия ориентации: а – (100);  б – (111)

По геометрии фигур травления можно судить об ориентации кристалла, а также о его монокристалличности. Если образец не представляет собой монокристалла, в различных местах одной и той же грани фигуры травления будут различными [5].

В таблице 1 приведены наиболее распространённые составы селективных травителей для арсенида галлия.

Таблица 1 – Селективные травители для арсенида галлия

Состав травителя Комментарии

2–4 мин., выявление дислокаций

10 мин, выявление дислокаций

Проявление границ зёрен

2.1.2 Определение типа проводимости подложек методом термо-ЭДС

Метод термо-ЭДС заключается в том, что с анализируемым полупроводником вводится в соприкосновение разогретый до 50–70°С зонд и относительно холодной части образца определяется знак термо-ЭДС. При определении типа проводимости данным методом возникает вопрос о концентрациях легирующей примеси, при которых возможно достоверное определение величины и знака термо-ЭДС. При этом можно рассмотреть два предельных случая: концентрация легирующей примеси очень мала, что примерно соответствует собственному полупроводнику, и концентрация легирующей примеси очень велика, что примерно соответствует металлам.

Рассмотрим механизм возникновения термо-ЭДС. При прикосновении горячего зонда к полупроводнику в последнем возникает градиент температуры. Вследствие этого в образце появляется градиент средней энергии и градиент концентрации носителей заряда. Это приводит к возникновению диффузионного потока носителей заряда, то есть к возникновению тока. В результате разделения носителей заряда, внутри образца образуется электрическое поле, которое порождает компенсирующий поток носителей заряда. Между горячим зондом и холодной частью образца возникает разность потенциалов. Согласно формуле (1) термо-ЭДС полупроводника определяется двумя слагаемыми, каждое из которых соответствует вкладу, вносимому электронами и дырками, причем эти слагаемые имеют противоположные знаки.

В случае электронного полупроводника в разогретой области образца возникает положительный объемный заряд, в дырочном полупроводнике наоборот.

 (1)

где а – удельная термо-ЭДС;

Nc, Nv – эффективные плотности состояний в зоне проводимости и в валентной зоне;

k – постоянная Больцмана;

п, р – концентрации электронов и дырок;

μn, μр – подвижности электронов и дырок;

е – элементарный заряд.

Для собственного полупроводника величина термо-ЭДС определяется лишь шириной запрещенной зоны и соотношением подвижности электронов и дырок. При определении типа проводимости слаболегированного образца может возникнуть проблема, связанная со следующей причиной. Поскольку подвижность электронов выше подвижности дырок, то знак термо-ЭДС собственного полупроводника будет соответствовать знаку термо-ЭДС электронного полупроводника. Поэтому при определении типа проводимости слаболегированного полупроводника может возникнуть ошибка.

Согласно формуле (1) величина термо-ЭДС зависит не только от концентрации носителей, но и от их подвижности. А поскольку подвижность электронов больше подвижности дырок, при некоторой температуре это приводит к инверсии знака удельной термо-ЭДС. Причем особенно заметно это у полупроводников с более низкой степенью легирования.

Следовательно, в таких случаях невозможно определить тип полупроводника по знаку термо-ЭДС [1].

2.1.3 Определение концентрации основных носителей заряда

Как известно, именно основные носители заряда вносят основной вклад в электропроводность полупроводника. Таким образом, возникает возможность определить концентрацию основных носителей заряда косвенным методом через измерение удельного сопротивления пластины полупроводника [1].

Сопротивление пластины определяется четырёхзондовым методом – этот метод измерения электрического сопротивления является самым распространённым. Кроме высоких метрологических показателей преимущество четырёхзондового метода состоит в том, что для его применения не требуется омических контактов к образцу, возможно измерение удельного сопротивления объемных образцов самой разнообразной формы и размеров, а также удельного сопротивления слоев полупроводниковых структур. Условием для его применения с точки зрения формы образца является наличие плоской поверхности, линейные размеры которой превосходят линейные размеры системы зондов.

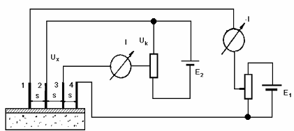
Метод заключается в том, что к плоской поверхности образца вдоль прямой линии прижимают четыре металлических контакта (зонда), отстоящих друг от друга на расстояние S (рисунок 6).

Рисунок 6 – Схема определения удельного поверхностного сопротивления четырёхзондовым методом

К крайним зондам прикладывают напряжение от источника Е1 за счет чего создается ток I14. Ток входит в пленку через один контакт, растекается по пленке и выходит через другой контакт. За счет прохождения тока по пленке между точками касания средних зондов происходит падение напряжения U23, которое может быть измерено. Измерив U23, зная I14 и размеры образца (пленки), можно определить величину удельного сопротивления.

, (2)

где f – поправочная функция, учитывающая соотношение размеров образца пленки и расстояние между зондами S.

Измерение напряжения между зондами производят компенсационным методом, используя высокоомный потенциометр. Суть метода компенсации заключается в том, что встречно с источником неизвестного напряжения U23 включают источник калиброванного регулируемого напряжения Ux – потенциометр. В замкнутый контур включен гальванометр. Если Ux ≠U23, в цепи гальванометра идет ток. Если же установить Ux таким, чтобы Uх = U23, тока в цепи гальванометра не будет. Это и есть компенсация неизвестного напряжения известным. Важнейшей особенностью компенсационного метода является то, что при измерении, когда Uх = U23, ток не ответвляется в цепь зондов 2 и 3 и потому не происходит нарушения растекания тока, идущего через зонды 1 и 4. Так как при Uх = U23 тока в цепи средних зондов нет, можно не принимать во внимание качество контакта (величину сопротивления) в точках касания зондов 2 и 3 в пленке.

Объёмное сопротивление определяется по формуле

,                                                 (3)

где d – толщина пластины.

Проводимость пластин:

,                                                      (4)

Она же:

,                                           (5)

где q – заряд электрона,

n, p – концентрация носителей заряда,

 – подвижность электронов,

 – подвижность дырок.

Для пластин n-типа проводимости:

.                                                  (6)

Для пластин p-типа проводимости:

.                                                 (7)

Объединяя формулы, получаем расчётные формулы для определения концентрации основных носителей заряда в полупроводнике дырочного и электронного типа проводимости соответственно:

,                                                    (8)

.                                                    (9)

2.2 Формирование пористой матрицы в арсениде галлия

2.2.1 Электрохимия полупроводников

В отличие от элементных полупроводников электрохимия полупроводниковых соединений усложняется из-за наличия двух или более видов атомов, полярности связей, анизотропии кристалла, отклонений от стехиометрии и т.п. Так, например, кристаллы соединений (соединения алюминия, галлия, индия с фосфором, мышьяком и сурьмой) имеют кубическую решетку цинковой обманки (сфалерита). В них атом одного вида, например, элемента А, лежащий в плоскости (111), в одном направлении имеет три связи с тремя атомами элемента В, в противоположном направлении – одну связь с одним атомом элемента В. После резки и травления пластинки такого полупроводника, большие поверхности которой параллельны плоскости (111), на ней в основном остаются атомы, более прочно связанные тремя связями с объемом. В случае, например, арсенида галлия на стороне А такой пластины будут оставаться атомы галлия (плоскость (111)А, галлиевая сторона), а на противоположной стороне В пластины – атомы мышьяка (плоскость (111)В, мышьяковая сторона). Очевидно, что физические, физико-химические и, следовательно, электрохимические свойства этих противоположных поверхностей должны быть различными.

Экспериментальные факты позволяют представить следующий вариант механизма анодного растворения арсенида галлия ориентации (111)А в щёлочной среде, когда процесс контролируется электрохимической стадией:

≡Ga + OH– + e+ → =Ga–OH + OH– + e+ → –Ga=(OH)2 + OH– + e+ → Ga(OH)3.

Здесь –, = и ≡ – одинарная, двойная и тройная ковалентная связь, соответственно.

Стадия 1. Очень быстрое взаимодействие ОН-иона или в растворах, где рН < 7, с поверхностным атомом галлия, имеющим три объёмные ковалентные связи с тремя атомами мышьяка. При этом одна связь разрывается: один из её электронов уходит в объём полупроводника, что эквивалентно подводу пазона (дырки); другой электрон вместе с электроном ОН-иона образует полярную связь с одновалентным .

Cтадия 2. Аналогичная электрохимическая реакция, но протекающая с наибольшими затруднениями, так как в отличие от стадии 1, атом галлия уже частично окислен и экранирован ОН-группой. Поэтому отторжение внутреннего электрона одной из двух ковалентных связей в объём полупроводника, т. е. подвод пазона (дырки), отрицательным полем ОН-иона, который теперь не может подойти непосредственно к атому галлия, весьма затруднен. Эта стадия контролирует процесс анодного растворения арсенида галлия.

Стадия 3. Также электрохимическая реакция. Её протекание облегчено, во-первых, из-за наличия у атома галлия уже двух ОН-групп, создающих отрицательное поле, способствующее генерации пазонов в последней связи; во-вторых, оставшаяся одинокая ковалентная связь ослаблена из-за отклонений от конфигурации кристаллической решетки, и дополнительная адсорбция частиц раствора приводит к быстрому разрыву последней связи и переходу Ga (III) в раствор.

Стадия 4 – стадия растворения продуктов анодного окисления GaAs, (в приведенной схеме она не показана). Эта стадия может ограничивать процесс анодного растворения лишь при высокой плотности анодного тока, выше 1–30из-за оксидирования его поверхности: проявляются пассивационные явления, потенциал растёт до 50–100 В.

Атомы мышьяка, появившиеся на поверхности анода из GaAs ориентации (111)A, реагируют, как и атомы галлия, но с меньшими затруднениями, так как они имеют лишь одну ковалентную связь с объёмом полупроводника, остальные связи уже нарушены.

Анодное растворение арсенида галлия n-типа исследовалось многими авторами в кислых и щелочных растворах, без, и в присутствии окислителей, в водных и органических средах, на свету и в темноте, для образцов с разной ориентацией поверхности и разной концентрацией донорной примеси и т.п.

В кратком виде результаты многих исследований следующие.

1. В отличие от p-GaAs анодное поведение n-GaAs существенно зависит от его полупроводниковых свойств, от концентрации в нём донорной примеси.

2. У невырожденного GaAs n-типа () в темноте быстрое возрастание анодного перенапряжения начинается при плотности анодного тока . В отличие от n-Ge, но также как и у n-Si, скорость возрастания перенапряжения при анодной поляризации n-GaAs растёт с уменьшением концентрации донорной примеси и, наоборот, уменьшается с её ростом.

3. Рассматриваемое торможение анодного процесса не зависит от интенсивности перемешивания раствора или скорости вращения дискового анода из n-GaAs, лишь улучшается воспроизводимость и несколько возрастает ток для стороны (111)A. Это свидетельствует, что затруднения обусловлены процессами в твёрдой фазе анода.

4. Кристаллографическая ориентация поверхности анода из n-GaAs не влияет заметным образом на характер торможения и на вид анодных кривых, хотя анодный ток растворения стороны (111)B обычно больше, чем для стороны (111)A.

5. Напряжение пробоя, при котором начинается новый рост анодного тока, зависит от концентрации электронов (донорной примеси), а также от состава раствора, т. е. от его способности растворять продукты окисления арсенида галлия, которые пассивируют локальные места пробоя. Так, в 1 моль/л растворе  напряжение пробоя выше, чем в 1 моль/л растворе , и для n-GaAs ориентации (111)В его зависимость от концентрации носителей, больше , описывается эмпирической формулой:  [3].

2.2.2 Технологические условия формирования пористого арсенида галлия

Пористый арсенид галлия получали путём электрохимической обработки монокристаллического арсенида галлия, являющегося анодом. В качестве электролита использовали водный раствор плавиковой кислоты [4]. Для экспериментов были использованы образцы арсенида галлия n- и p-типов проводимости с полированной поверхностью, кристаллографической ориентацией (100) и концентрацией основных носителей заряда порядка . Перед получением пористого слоя образцы предварительно подвергали химическому полированию в растворе  в течение 1 минуты с последующей промывкой в дистиллированной воде.

При травлении образца n-типа необходима подсветка. В нашей работе применялась зеркальная лампа, мощностью порядка 20 .

В качестве электролита применялся 25 % раствор HF. Плотность тока лежала в пределах 70–80 . Время травления – 15 минут.

Само травление осуществлялось в электрохимической ячейке (рисунок 7).

1 – Платиновый катод; 2 – электролит; 3 – прокладка из вакуумированной резины; 4 – полупроводниковая пластина; 5 – омический контакт к полупроводнику; 6 – основание ячейки.

Рисунок 7 – Конструкция электрохимической ячейки


Глава 3. Методы исследования пористого арсенида галлия

3.1 Структурные свойства

3.1.1 Оптическая микроскопия

Для исследования структуры поверхности широко используется микроинтерферометр Линника МИИ-4, предназначенный для визуальной оценки, измерения и фотографирования высоты неровностей тонко обработанных поверхностей.

Микроинтерферометр применяется в лабораториях, научно-исследовательских и учебных институтов и промышленных предприятий, занимающихся вопросами чистоты обработки поверхностей.

Оптическая система микроинтерферометра показана на рисунке 8.

Рисунок 8 – Оптическая система микроинтерферометра

Нить лампы накаливания 1 проектируется коллектором 2 в плоскость апертурной диафрагмы 3. В фокальной плоскости проекционного объектива 4 помещена полевая диафрагма 5, которая изображается объективом 4 в бесконечности.

После проекционного объектива параллельный пучок лучей попадает на разделительную пластинку 6, на одной стороне которой нанесено светоотделительное покрытие. Разделительная пластинка делит падающий на нее пучок света пополам: одну половину она отражает, другую – пропускает.

Пучок лучей, отраженный от пластинки 6, собирается в фокусе объектива 7 на исследуемой поверхности, после отражения от которой снова проходит через объектив 7, пластинку 6 и собирается в фокусе объектива 8, где наблюдается изображение исследуемой поверхности. Зеркало 9 направляет пучки лучей в визуальный тубус.

Второй пучок лучей, пройдя через разделительную пластинку 6, падает на компенсатор 10, после чего собирается в фокусе объектива 11 на эталонном зеркале 12, отразившись от которого, снова проходит через объектив 11, компенсатор 10 и падает на разделительную пластинку 6. При этом часть лучей проходит через пластинку 6 и не участвует в образовании изображения, а другая часть лучей отражается от пластинки 6 и интерферирует с лучами первой ветви интерферометра, образуя резкое изображение интерференционных полос в бесконечности. Это изображение объективом 8 переносится в фокальную плоскость окуляра 13.

Таким образом, изображения интерференционных полос и исследуемой поверхности получаются в фокальной плоскости окуляра и налагаются друг на друга.

Для работы с монохроматическим светом, т.е. светом определенной длины волны, прибор снабжен двумя интерференционными светофильтрами 14, которые включаются и выключаются из хода лучей перемещением направляющей. Светофильтры отличаются друг от друга своими характеристиками.

На рисунке 9 представлены фотографии сколов пластин арсенида галлия с пористым слоем. Ввиду низкой разрешающей способности оптического микроскопа определить какие-либо характеристики пористых слоёв невозможно, но можно подтвердить наличие самого пористого слоя.

Рисунок 9 – Изображения пористых слоёв, полученные при помощи оптического микроскопа

3.1.2 Электронная микроскопия

В растровом электронном микроскопе (РЭМ) применяются электронные линзы для фокусировки электронного пучка в пятно очень малых размеров. Можно отрегулировать РЭМ так, чтобы диаметр пятна в нем не превышал 0,2 нм, но, как правило, он составляет единицы или десятки нанометров. Это пятно непрерывно обегает некоторый участок образца аналогично лучу, обегающему экран телевизионной трубки. Электрический сигнал, возникающий при бомбардировке объекта электронами пучка, используется для формирования изображения на экране телевизионного кинескопа или электронно-лучевой трубки (ЭЛТ), развертка которой синхронизирована с системой отклонения электронного пучка (рисунок 10).

Увеличение в данном случае понимается как отношение размера изображения на экране к размеру области, обегаемой пучком на образце. Это увеличение принципиально может составлять величину от 10 до 10 млн.

1 – источник электронов; 2 – ускоряющая система; 3 – магнитная линза; 4 – отклоняющие катушки; 5 – образец; 6 – детектор отраженных электронов; 7 – кольцевой детектор; 8 – анализатор.

Рисунок 10 – Растровый электронный микроскоп

Электроны, идущие от источника, ускоряются и фокусируются в узкий пучок на образце. Этот пучок перемещается по образцу отклоняющими катушками с током. Детекторы, расположенные выше образца, регистрируют рентгеновское излучение, вторичные и отраженные электроны. Электроны, прошедшие сквозь тонкий образец, регистрируются кольцевым детектором или, пройдя через энергетический анализатор, используются для формирования изображения на экране.

Взаимодействие электронов сфокусированного пучка с атомами образца может приводить не только к их рассеянию, которое используется для получения изображения в ОПЭМ, но и к возбуждению рентгеновского излучения, испусканию видимого света и эмиссии вторичных электронов. Кроме того, поскольку в РЭМ перед образцом имеются только фокусирующие линзы, он позволяет исследовать «толстые» образцы [6].

Посредством сканирующего электронного микроскопа были получены снимки поверхности образца n-типа (рисунок 11).

Рисунок 11 – Электронная микроскопия образца пористого арсенида галлия n-типа проводимости

3.2 Электрические свойства

Поляризационные процессы смещения любых зарядов в веществе, протекая во времени до момента установления и получения равновесного состояния, обусловливают появление поляризационных токов, или токов смещения в диэлектриках. Токи смещения упруго связанных зарядов при электронной и ионной поляризациях настолько кратковременны, что их обычно не удается зафиксировать прибором [1].

Токи смещения, при различных видах замедленной поляризации, наблюдаемые у многих технических диэлектриков, называют абсорбционными токами (или токами абсорбции) .

При постоянном напряжении абсорбционные токи, меняя свое направление, проходят только в периоды включения и выключения напряжения. При переменном напряжении они имеют место в течение всего времени нахождения материала в электрическом поле.

Наличие в технических диэлектриках небольшого числа свободных зарядов, а также инжекция их из электродов приводят к возникновению небольших токов сквозной электропроводности (или сквозных токов).

Таким образом, полная плотность тока в диэлектрике, называемого током утечки, представляет собой сумму плотностей токов абсорбционного и сквозного:

 (10)

Проводимость диэлектрика при достоянном напряжении определяется по сквозному току, который сопровождается выделением и нейтрализацией зарядов на электродах. При переменном напряжении активная проводимость определяется не только сквозным током, но и активными составляющими поляризационных токов.

В большинстве случаев электропроводность диэлектриков ионная, реже – электронная.

Сопротивление диэлектрика, заключенного между двумя электродами, при постоянном напряжении, т. е. сопротивление изоляции , можно вычислить по формуле:

, (11)

где  – приложенное напряжение;

 – наблюдаемый ток утечки;

 – сумма токов, вызванных замедленными механизмами поляризации, ток абсорбции.

У твердых изоляционных материалов различают объемную и поверхностную электропроводности.

Для сравнительной оценки объемной и поверхностной электропроводности разных материалов используют также удельное объемное  и удельное поверхностное  сопротивления.

Удельное объемное сопротивление  численно равно сопротивлению куба с ребром в 1 м, мысленно выделенного из исследуемого материала, если ток проходит через две противоположные грани этого куба;  выражают в Омм; 1 Омм = 100 Омсм.

В случае плоского образца материала при однородном поле удельное объемное сопротивление рассчитывают по формуле:

, (12)

где – объемное сопротивление, Ом;

 – площадь электрода, м;

 – толщина образца, м.

Удельное поверхностное сопротивление  численно равно сопротивлению квадрата (любых размеров), мысленно выделенного на поверхности материала, если ток проходит через две противоположные стороны этого квадрата ( выражают в Омах):

, (13)

где  - поверхностное сопротивление образца материала между параллельно поставленными электродами шириной  отстоящими друг от друга на расстоянии  (рисунок 12).


Рисунок 12 – Эскиз размещения электродов (1) на поверхности образца из электроизоляционного материала (2) при измерении

арсенид галлий заряд матрица

По удельному объемному сопротивлению можно определить удельную объемную проводимость и соответственно удельную поверхностную проводимость .

Полная проводимость твердого диэлектрика, соответствующая его сопротивлению, складывается из объемной и поверхностной проводимостей.

Так как в данной работе использовались плоские образцы, то для расчета удельного объемного сопротивления подходит формула (12). Исходные данные: =215000 Ом; =0,0001 м; =0,00035 м., тогда

                            (14)

В процессе анодирования снималась вольт-амперная характеристика, по которой впоследствии была определена динамика изменения сопротивления цепи (рисунки 13, 14).


Рисунок 13 – Изменение сопротивления цепи в процессе анодирования образца n-типа проводимости

Рисунок 14 – Изменение сопротивления цепи в процессе анодирования образца p-типа проводимости

Сразу после травления образцы промывались дистиллированной водой, извлекались из ячейки и высушивались на воздухе. При визуальном рассмотрении можно было отметить потемнение поверхности образцов после анодирования.


3.3 Оптические свойства

Исследована спектральная зависимость фотоответа образцов пористого арсенида галлия.

Схема экспериментальной установки (рисунок 14) содержала осветитель с оптической системой, сигнал с которого поступал на образец, связанный с узкополосным усилителем. Фотоответ в мкВ фиксировался на шкале усилителя в момент совпадения частот вращения механического модулятора и полосы пропускания усилителя, настроенного на заданную длину волны.

1 – осветитель с оптической системой; 2 – исследуемый образец; 3 – узкополосный усилитель.

Рисунок 14 – Схема установки для исследования спектральной зависимости фотоответа

Рисунок 15 – Зависимость фотоответа от длины волны падающего света (площадь воздействия света )

Как видно из приведённого графика, приближаясь к длине волны красного цвета, величина фотоответа замедляет свой рост, что позволяет сделать предположение о том, что максимум фотолюминесценции приходится на длину волны порядка 650 нм.


ЗАКЛЮЧЕНИЕ

1) Методами скола и селективного травления определена кристаллографическая ориентация фрагментов подложек арсенида галлия; методом термо-ЭДС определён их тип проводимости; четырёхзондовым методом определено удельное поверхностное сопротивление и рассчитана концентрация носителей, составившая величину порядка .

2) Проведено анодирование подложек арсенида галлия n- и p-типов проводимости с ориентацией (100); при помощи сканирующего электронного микроскопа установлено, что формируется низкоразмерная среда с размерами элементов до 500 нм.

3) Измерено удельное сопротивление полученных слоёв, которое составило величину порядка . Такое высокое сопротивление объясняется наличием пор в полученном материале.

4) Исследование фотоэлектрических свойств образцов n- и p-типа показывает, что максимум фотоактивности образцов соответствует длине волны красного света 650–680 нм, – 1,7 эВ. В образце арсенида галлия n-типа проводимости величина фотоответа выше, чем в образце p-типа проводимости примерно на 15–20 %, что совпадает с литературными данными.


СПИСОК ИСПОЛЬЗОВАННЫХ ИСТОЧНИКОВ

1. Ковтонюк Н.Ф. Измерение параметров полупроводниковых материалов [Текст]: учеб. / Н.Ф. Ковтонюк, Ю.А. Концевой. – М.: Металлургия, 1970. – 272 с.

2. Батавин В.В. Измерение параметров полупроводниковых материалов и структур [Текст]: учеб. / В.В. Батавин, Ю.А. Концевой, Ю.В. Федорович. М.: Радио и связь, 1985. – 264 с.

3. Мямлин В.А. Электрохимия полупроводников [Текст]: учеб. / В.А Мямлин, Ю.В. Плесков. М.: Наука, 1965. – 376 с.

4. Гуревич Ю.Я. Фотоэлектрохимия полупроводников [Текст]: учеб. / Ю.Я. Гуревич, Ю.В. Плесков. М.: Наука, 1983. – 281 с.

5. Шелованова, Г.Н. Материаловедение и материалы электронных средств [Текст]: метод. указания по лаб. раб. №1-10 / Г.Н. Шелованова. – Красноярск: ИПЦ КГТУ, 2006. – 64 с.

6. http://www.krugosvet.ru/ Онлайн энциклопедия Кругосвет. Электронный микроскоп.

7. Николаев, К.П. Особенности получения и области применения пористого кремния в электронной технике [Текст] / Николаев К.П., Немировский Л.Н // Обзоры по электронной технике – 1989. – №9. – С. 59.

8. Properties of Porous Silicon / Ed. L. Canham. DERA: Malvern, UK, 1997. 405 p

9. Зимин, С.П. Пористый кремний – материал с новыми свойствами [Текст] / С.П. Зимин. // Соросовский образовательный журнал – 2004. – №1. – С. 48-53.

10. Образцов, А.Н. Поглощеине света и фотолюминесценция пористого кремния [Текст] / А.Н. Образцов, В.А. Караванский, Х. Окуси, Х. Ватанабе. // Физика и техника полупроводников – 1998. – №8. – С. 79-83   

11. Зимин, С.П. Классификация электрических свойств пористого кремния [Текст] / С.П. Зимин. // Физика и техника полупроводников – 2000. – №3. – С. 31-34.

12. Белогорохов, А.И. Оптические свойства пористого наноразмерного GaAs [Текст] / А.И. Белогорохов, С.А. Гаврилов, И.А. Белогорохов, А.А. Тихомиров. // Физика и техника полупроводников. – 2005. – №39. – С. 25-29.

13. Аверкиев, Н.С. Оптические и электрические свойства пористого арсенида галлия [Текст] / Н.С. Аверкиев, Л.П. Казакова, Э.А. Лебедев, Ю.В. Рудь, А.Н. Смирнов, Н.Н. Смирнова. // Физика и техника полупроводников – 2000. – №34. – С. 58-65.

14. Горячев, Д.Н. Фотолюминесценция пористого арсенида галлия [Текст] / Д.Н. Горячев, О.М. Сресели. // Физика и техника полупроводников – 1997. – №31. – С. 47-52.

15. Бузынин, Ю.И. Монокристаллические слои GaAs, AlGaAs и InGaAs, полученные методом газофазной эпитаксии из металлоорганических соединений на подложках пористого арсенида галлия [Текст] / Ю.И. Бузынин, С.А. Гусев, В.М. Данильцев, М.Н. Дроздов, Ю.Н. Дроздов, А.В. Мурель, О.И. Хрыкин, В.И. Шашкин. // Письма в ЖТФ – 2000. – №7. – С. 112-118.

16. Орлов, Л.К. Формирование структуры квантовых нитей InGaAs в матрице арсенида галлия [Текст] / Л.К. Орлов, Н.Л. Ивина. // Физика твёрдого тела – 2004. – №5. – С. 86-90.


© 2012 Рефераты, доклады и дипломные работы, курсовые работы бесплатно.